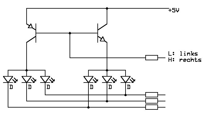
Liebe Leute Eine kleine Multiplex-Schaltung mit möglichst wenig Bauteilen. Unten werden die RGB-Daten (aktiv-L) an die 2 LED-Tripel angelegt, und der Kontrollpin soll per logisch H/L entscheiden, welches Tripel aktiv wird. Ich gehe davon aus, dass der H-Zustand knapp an 5V reicht, um den linken Transistor zu schliessen. Kann das so klappen? Sorry für die besch.... Zeichnung, ich hatte auf die Schnelle nichts Besseres. Gruss Carina
Wenn du den Steuereingang auf Low legst, liegen die Basen auf 0,7V unter 5V. Damit müßte aber auch der rechte Transistor aufsteuern. Kai Klaas
Da musste nix simulieren - das geht so nicht, da bei L die Basis des linken T die Basisspannung immer auf 5V-0,6V halten wird, die somit auch den rechten T auf diesem Pegel hält. Am Emitter des rechten T liegt also noch 5V-2*0,6V an - LED's werden wohl also noch leuchten (beide Seiten)
Also, ich habe es jetzt mal schnell simuliert: mit dem Lötkolben... ;-) Transistoren BC557 und BC547, Basiswiderstand 1K, LED-Ströme so um die 20mA -> und es klappt einwandfrei. Auch wenn ich den H-Pegel etwas unter 5V ansetze geht es tadellos. (weil ein Portausgang wohl nie genau an 5V herankommen kann) Jetzt bin ich allerdings etwas ratlos, denn nach dem, was Ihr schriebt hätte das ja nun nicht gehen dürfen. Theorie<>Praxis, oder was ist das nun? Carina
Man könnte es so machen wie im Anhang. Kai Klaas
>Jetzt bin ich allerdings etwas ratlos, denn nach dem, was Ihr schriebt >hätte das ja nun nicht gehen dürfen. Was hast du denn am Emitter des rechten Transistors für eine Spannung, wenn die Steuerleitung auf Low ist? 3,6...3,8V? Kai Klaas
Hallo Kai, Steuerleitung auf L, dann genau 3.5V am E des rechten Trans. Ich habe jetzt mal alle möglichen Toleranzen probiert, - Vcc +/- 0,5 Volt - Steuerpegel leicht variiert - andere Transitoren des gleichen Typs - ganz andere Transistoren, was so herumlag. Geht IMMER einwandfrei. So lassen, oder wo ist der Pferdefuss? Carina
Wie viel Strom fließt da von der einen Basis in die andere?
>So lassen, oder wo ist der Pferdefuss? Naja, wenn du 3,5V an den LEDs des rechten Zweigs hast, dann stehen die ja unter Strom. Die Frage ist nur, wie hoch dieser Strom ist, und wie sehr dich das eventuelle Leuchten oder Glimmen stört. Die Funktion deiner Schaltung hängt entscheidend von der Flußspannung der verwendeten LEDs ab. Je geringer diese ist, um so höher das unerwünschte Leuchten. Es kann also gut sein, daß die Schaltung mit den von dir gerade verwendeten LEDs gut funktioniert, aber mit anderen nicht! Auch der Spannungsabfall über den Strombegrenzungswiderständen ist entscheidend, da er ja die mögliche Spannung über den rechten LEDs verringert. Liegt 3,5V minus diesem Spannungsabfall unter der Flußspannung einer LED, bleibt sie natürlich dunkel. Die Frage ist jetzt nur, wie das genau zusammenspielt. Verringerst du den Strom durch die LEDs, sinkt der Spannungsabfall an den Strombegrenzungswiderständen und die resultierende Spannung kann dann eventuell über der Flußspannung einer rechten LED liegen... Die Schaltung kann also prima funktionieren, oder auch nicht. Je nach Einstellung und Art der verwendeten Bauteile. Kai Klaas
Die Spannung an der Basis zum Aufsteuern des rechten Transistors U_R + U_LED + U_BE Wenn die Spannung größer ist als 5V - U_BE, dann dürfte bei einem Low-Pegel der rechte Transistor nicht leitend sein
Also, Danke erstmal für alle Hinweise! Ich habe jetzt folgende kleine Änderung eingebaut, und zwar eine Diode (4148) in der 5V Leitung zu den Transistoren. Damit lege ich das H am Steuereingang bezogen auf die Tr. etwas höher. Nun klappt es in einem sehr grossen Strombereich 10-60mA einwandfrei. Auch mit genügend Toleranz bei der Spannung, mehr als je vorkommen kann. Steuereingang ab 3.8V einwandfrei für H Steuereingang unter 2,5V einwandfrei für L das kann der Controller locker, sieht für mich gut aus. Ist nicht gerade nach Lehrbuch die Schaltung, weiss ich... Hat aber bestechend wenige Bauteile und darauf kommt es an (wg.Platz) Ich mache noch ein paar Messungen, aber ich glaube so lasse ich es. Ausser, jemand hat noch einen Hinweis, der meine Überlegungen zunichte machen würde. Gruss Carina
Carina schrieb: > Auch mit genügend Toleranz bei der Spannung, mehr als je vorkommen kann. Auch mit Toleranz der LED-Flussspannung? S. auch Beitrag von Kai: > Die Funktion deiner Schaltung hängt entscheidend von der Flußspannung > der verwendeten LEDs ab. Je geringer diese ist, um so höher das > unerwünschte Leuchten. Es kann also gut sein, daß die Schaltung mit > den von dir gerade verwendeten LEDs gut funktioniert, aber mit anderen > nicht! Ein anderer Schönheitsfehler deiner Schaltung: Sind die linken LEDs vom gleichen Typ wie die rechten, werden die linken in eingeschaltetem Zustand immer etwas heller leuchten als die rechten, da sie über eine Emitterschaltung angesteuert werden, die eine höhere Spannung liefert als die Kollektorschaltung für die rechten LEDs. Der Helligkeitsunter- schied kann auch nicht über die Vorwiderstände ausgeglichen werden, da diese jeweils sowohl für eine linke als auch eine rechte LED zuständig sind. Ich hätte es so gemacht wie im Anhang. Diese Schaltung braucht zwar zwei zusätzliche Widerstände, dafür ist sie weitgehend symmetrisch und funktioniert auch für LEDs mit kleiner Flussspannung (rote LEDs). Sollen verschiedenfarbige LEDs eingesetzt werden, kann für jede die Helligkeit individuell über ihren Vorwiderstand festgelegt werden.
Hallo Yalu, Also Danke für Deine Hinweise. Das mit der leicht unterschiedl. Helligkeit der Zweige ist klar, das stört aber bei der Anwendung nicht besonders. Leider kann ich aber Deinen Vorschlag nicht verwenden, weil die Daten ja gemultiplext werden sollen, also je nach Steuerleitung H/L liegen u.U. unterschiedliche Daten an den 3 Led-Kathoden. (Es sind 2 RGB-Leds um genau zu sein) Und es ist zudem noch extrem wenig Platz, es kommt also echt auf jeden Widerstand etc. an. Aber so kann ich mit nur 4 Portbits nun 2 RGB-LEDS unabhängig voneinander durch das gesamte Farbspektrum steuern und das ist der Sinn der ganzen Sache. Wenn ich ein Portbit mehr hätte, dann hätte ich einfach 2x den rechten Zweig gebaut und alles wäre simpel. Habe ich aber absolut nicht, daher diese unschöne Trickserei. Viele Grüsse Carina
Am elegantesten dürfte es mit einem P-MOSFET und einem NPN-BJT gehen. Die Turn-On Spannung des BS250 liegt bei 2,8V. Bei hohen Strömem gleichen sich der Spannungsabfall am Bahnwiderstand des BS250 und die Ube des BC337 weitgehend aus, so daß gleiche Helligkeit erzeugt werden kann, ohne zusätzliche Maßnahmen. Bei kleinen Strömen könnte man in die Drain Leitung eine zusätzliche 1N4148 schalten. Kai Klaas
In den Antworten klang schon an das sich die Transistoren im Schaltverhalten beeinflussen und das die Helligkeit zwischen rechtem und linkem Zweig nicht gleich sein wird weil du Kollektor- und Emitter Schaltungen einsetzt. Ich habe Deine Idee um ein paar Bauteile erweitert und umgezeichnet. Dabei habe ich mich bemüht die Funktion Deiner Schaltung zu bewahren. Es geht Dir ja drum eine einfache Schaltung zu haben um die LEDs zu multiplexen. Ich gehe davon aus das Deine LED Treiber Schaltausgänge sind die nach GND schalten, das ergibt sich aus Deiner Ursprünglichen Zeichnung. Ich würde zwei gleiche PNP Transistoren verwenden. Da der Transitor in dieser Beschaltung das Eingangssignal invertiert, schalte ich den zweiten Transistor vom Ausgang des ersten. Damit keine undefinierten Zustände an der Basis von T2 auftreten können habe ich R1 eingeführt. Du multiplext ja, da ist es nicht garantiert dass immer mindestens eine Diode durch geschaltet ist und leuchtet. Damit die Basis von T1 immer einen definierten Zustand hat, auch dann wenn Du z.B. den Ansteuerausgang hochohmig geschaltet hast, habe ich R2 ein geführt. Das Ganze hat also ein paar mehr Widerstände, aber zmuindest R2 hätte ich in Deiner ursprünglischen Schaltung sowieso noch eingebaut.
Hallo Wolfgang, Ja, vielen Dank für Deine Mühe. Deine Schaltung ist natürlich um einiges intelligenter, als das was ich anfangs verbrochen hatte. Also habe ich sie probeweise aufgebaut, klappt tadellos. R2: kann ich getrost weglassen, der Steuereingang ist ein klarer Push_Pull mit immer definiertem Potential. R3: habe ich mit 1K eingebaut R1: habe ich mit 10K eingebaut Die Kippschwelle liegt bei ziemlich genau 4.5V (gemessen), ich hoffe, dass der Controller (ATINY-13) "so hoch" kommt. Mit einer Diode in der +Leitung kann ich die Kippschwelle auf ca. 3.8V herunterholen (gemessen), das müsste dann auf jeden Fall klappen. Vielleicht aber auch ohne Diode. Vorteil ist die gleichere Helligkeit und weniger verschiedene Bauteile. Sieht so aus, als würde ich DEINE Schaltung verwenden, und besten Dank dafür! Gruss Carina
Was stört dich an der Schaltung mit dem P-MOSFET? Kai Klaas
Hallo Kai, Also bis jetzt stört mich an Deiner Schaltung nichts, ich hatte nur keinen BS250 in Reichweite zum testen. Ich habe aber schon längst welche geordert, sobald die da sind baue ich das schnell auf zum Messen. Zusammen werden von der Schaltung sicher 100 Stück gebaut, also teste ich garantiert auch alle Alternativen durch. Gruss bis zum Eintreffen der BS, Carina
Hi Carina, schön das es funktioniert. Allerdings frage ich mich warum Du Dir Sorgen machst ob der Tiny13 den Ausgang schalten kann. Welchen Widerstand hast Du denn für R4 verwendet und welchen Transistor setzt Du ein. Meiner Erfahrung nach schaltet ein BC557C mit 5,6kOhm - 10kOhm Basiswiderstand sehr zuverlässig an einem TTL kompatiblen Ausgang. Der PNP Transistor schaltet wenn der Eingang auf GND-Potenzial geht, das funktioniert recht zuverlässig. Wenn überhaupt müsstest Du Dir Gedanken machen ob er zuverlässig wieder abschaltet. Aber wenn Du den Vorwiderstand erhöst funktionoert das mit Sicherhaut auch.
Bitte melde dich an um einen Beitrag zu schreiben. Anmeldung ist kostenlos und dauert nur eine Minute.
Bestehender Account
Schon ein Account bei Google/GoogleMail? Keine Anmeldung erforderlich!
Mit Google-Account einloggen
Mit Google-Account einloggen
Noch kein Account? Hier anmelden.




