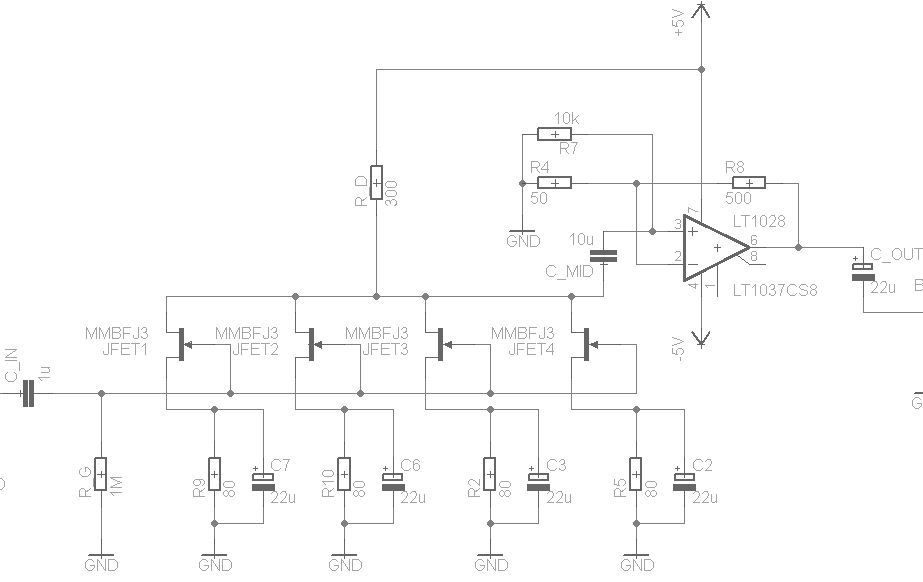
Hallo Leute, Ich bin dabei, für ein Projekt einen ultra low noise amp zu bauen. Dieser sollte deutlich unter den Opamp-Rauschwerten von 1 nV/rtHz liegen. Dabei habe ich schon zahlreiche Paper und Forenbeiträge durchforstet und auch schon mehrere kleine Schaltungen aufgebaut. Ich verwende rauscharme JFET's vom Typ 2SK170, 2SK369 oder IF3601. Diese werden ganz einfach in der Sourceschaltung mit Drain und Source Widerstand verwendet und geben ihre Ausgangsspannung an einen LT1028 OpAmp im nicht-invertierenden Modus als zweite Verstärkerstufe weiter. Bisher konnte ich schon deutlich unter den Referenzwert von 1nV/rtHz gelangen und auch der Frequenzgang und die Bandbreite sind zufriedenstellend. Mein großes Problem nun ist allerdings die Linearität. Der THD bewegt sich meist bei Werten zwischen 0,2 und 3%. Mein Ziel, bzw. benötigen tue ich aber möglichst unter 0,1% Klirrfaktor. In Sachen Arbeitspunkteinstellung der Transistoren habe ich schon viele Werte ausprobiert, allerdings verwende ich meist Werte wie z.b. Uds = 8V , Ugs = -0,12V und Id = 6 mA beim Transistor 2SK170 zum Beispiel. Mit diesen Werten sollte eigentlich ein recht ordentlicher Arbeitspunkt eingestellt sein. Meine prinzipielle Grundschaltung habe ich mal angehängt, die Transistoren habe ich "gematched", also auf gleiche Parameter hin selektiert. Das bringt auch schon etwas in Sachen Linearität, allerdings ist die 2. Harmonische immer noch sehr stark vertreten. Angehängt ist außerdem noch ein Beispielbild meiner Messungen der Harmonischen. Die Versorgungsspannung beträgt 12V und das Eingangssignal 10 mVpeak bei 10kHz. Ich hoffe, dass mir jemand weiterhelfen kann, zum Beispiel über welche Tricks man die Linearität noch weiter verbessern könnte, möglichst natürlich mit der verwendeten Schaltung. Vielleicht ist ja auch mit der verwendeten Schaltung nicht mehr rausholbar?! Dagegen spricht allerdings, dass in einigen Papern mit derselben Schaltung Werte von 0,02% erreicht wurden. Schon mal vielen Dank für Antworten, Grüße Tobi
Kleineres Eingangssignal verwenden, oder Vorstufe in die Gegenkopplung einbeziehen.
die input fet sollten in den loop....zb so: http://www.techlib.com/files/lowamp.pdf oder so: http://www.beis.de/Elektronik/LNPreAmp/LNPreAmp.html
Vielen Dank für die Antworten. Ich werde mal einen Versuch starten, die JFET's in den Loop einzubeziehen. Simulier das Ganze mal über das Wochenende und stelle es hier mal wieder ein. Gruß Tobi
Dann mußt Du aber erstens die Rückkopplungs-R's auf höhere Verstärkung einstellen, und zweitens könnte generell die Stabilität bei sowas leiden. Aber die höher eingestellte Verstärkung sollte das einigermaßen wieder wettmachen. Sollte nur dann ein Problem werden, wenn der OPV bereits an der Stabi-Grenze war.
Hallo Tobi, Linear Technology hat sieben OP´s die unter 1 nV/rtHz liegen. http://parametric.linear.com/html/low_noise_amplifiers?p=2970717 LT1028 0,85 LT1128 0,85 LT1115 0,9 LT6200 0,95 LT6200-10 0,95 LT6200-5 0,95 LT6201 0,95 Im Thietze/Schenk wird etwas zu Klirrfaktoren ausgesagt. Danach hängt der Klirrfaktor auch beim FET von der Amplitude ab. Bei einer Differenzstufe sieht er um einiges besser aus. Das Buch steht mir leider im Moment nicht zur Verfügung. Es ist dazu auch eine mathematische Funktion abgeleitet worden. Nebenbei steigert eine Differenzstufe auch die Linearität. Gruss Klaus.
Bitte melde dich an um einen Beitrag zu schreiben. Anmeldung ist kostenlos und dauert nur eine Minute.
Bestehender Account
Schon ein Account bei Google/GoogleMail? Keine Anmeldung erforderlich!
Mit Google-Account einloggen
Mit Google-Account einloggen
Noch kein Account? Hier anmelden.

