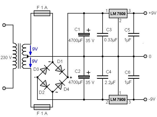
hi, meine schaltung schreitet ganz gut vorran, nur benötige ich für das neue grafik display eine negative spannung von -4v. deswegen, wollte ich ein kleines netzteil bauen, was meine schaltung mit +/-5v versorgt... über 230v. habe ein wenig gegooglt, un den schaltplan (siehe anhang gefunden). für mich als relativ unerfahrener elektronikspezialist, sieht das ganz solide aus. als trenntrafo würde ich einen mit 2 sekundärwicklungen (ideal 7,5v) hernehmen, die linearregler durch 7805 bzw. 7905 ersetzn und ggf. die kondensatoren anpassen (wie in den datenblättern der regler vorgegeben), die großen glättungskondensatoren sind ja relativ (nutze z.z. in meiner jetztigen schaltung nur einen 470uf und das sieht ganz gut aus). allerdings habe ich gelesen, das ggf, wenn die last z.b. an der positiven seite, zu hoch ist (naja, 1 mega32, 1 lcd, 2 pga230, 1-2 leds), das ggf eine ungleiche spannungsverteilung vorliegen kann, aber dem sollten die FESTspannungsregler ja eigentlich entgegen wirken, oder?
Constantin Wildförster schrieb: > aber > > dem sollten die FESTspannungsregler ja eigentlich entgegen wirken, oder? Ja, genau das tun diese sogar sehr gut.
> Ja, genau das tun diese sogar sehr gut.
gut, war mir nicht so sicher, hab wie gesagt noch nie ein +- netzteil
gebaut...
dann werde ich das jetzt mal planen und einen schaltplan entwickeln.
danke
Bitte melde dich an um einen Beitrag zu schreiben. Anmeldung ist kostenlos und dauert nur eine Minute.
Bestehender Account
Schon ein Account bei Google/GoogleMail? Keine Anmeldung erforderlich!
Mit Google-Account einloggen
Mit Google-Account einloggen
Noch kein Account? Hier anmelden.
