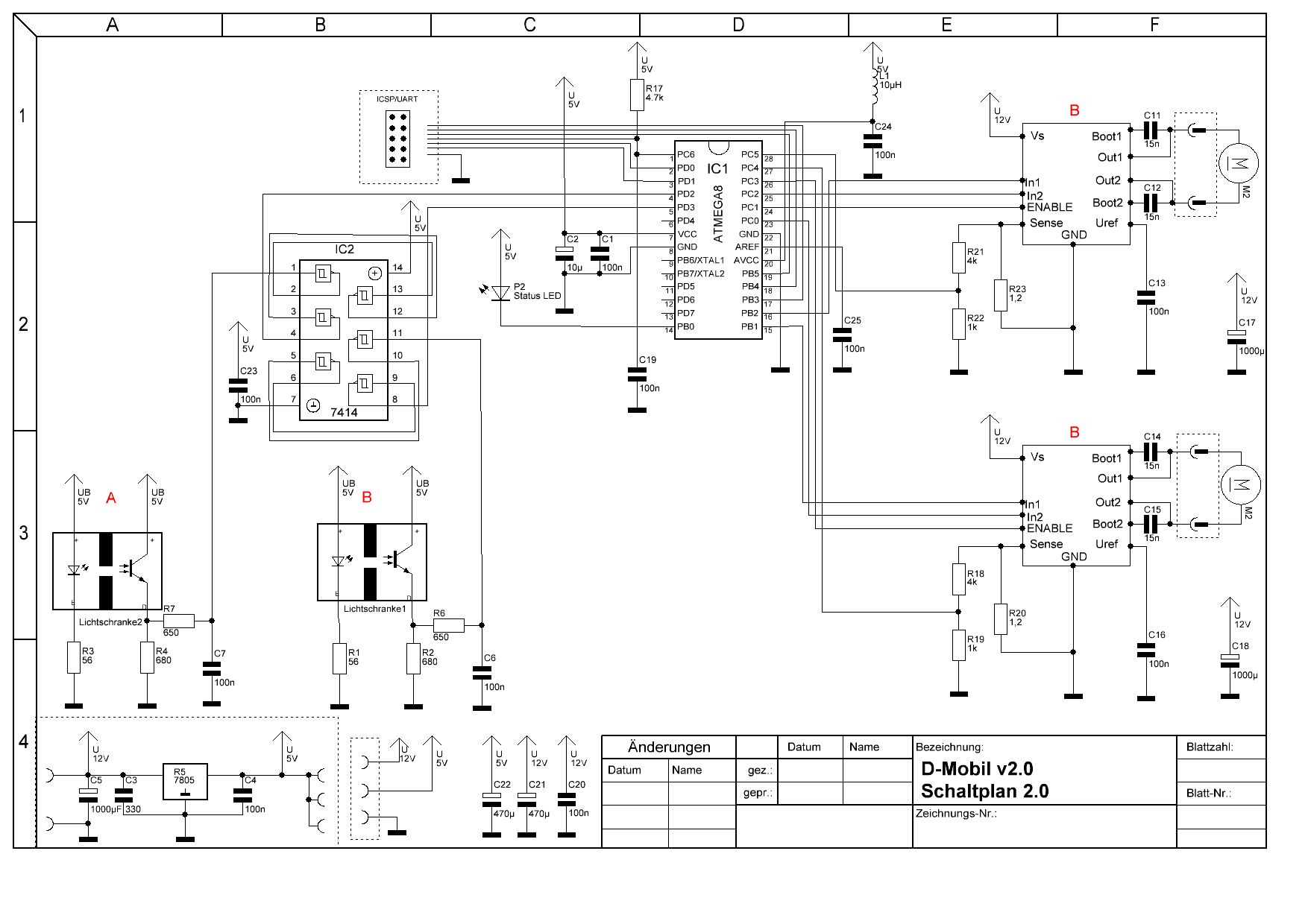
Hallo Leute! Ich habe ein Roboterfahrzeug gebaut. 1. Bisher kann dieses nicht seine Fahrtrichtung ändern. Daher werde ich nun ein H Brücke des Typs L6203 Einsetzen. Den Artikel über H-Brücken habe ich mir durchgelesen. Wenn jemand mal über meinen Schaltplan im Anhang schauen könnte, wäre das echt super! Nicht das ich was falsch verstanden habe oder so. 2. Die Kommunikation (Funkverbindung) läuft bisher über eine GSM-CSD-Verbindung. Da diese aber eine viel zu große Latenz-Zeit hat, möchte ich nun ein Funkmodul einsetzten. Ich möchte mich mit der Funkverbindung mehr nicht lange beschäftigen müssen. Daher suche ein Funkmodul, das ich am besten direkt an den UART des ATmega8 dranhängen kann. Die Funkverbindung braucht auch nicht bi-direktional sein. Es müssen nur Daten zum Fahrzeug hin gesendet werden. Ich habe mir das Funkmodul von Canrad mit der Bezeichnung RX-4M50RR30SF ausgesucht. Würde das so funktionieren, wenn ich dieses einfach direkt anschließe? Oder muss ich da noch die IO-Pegel anpassen? Vielen Dank für die Hilfe! Demnächst gibt es auch endlich mal ein paar Fotos und Videos vom Roboterfahrzeug! Lukas.
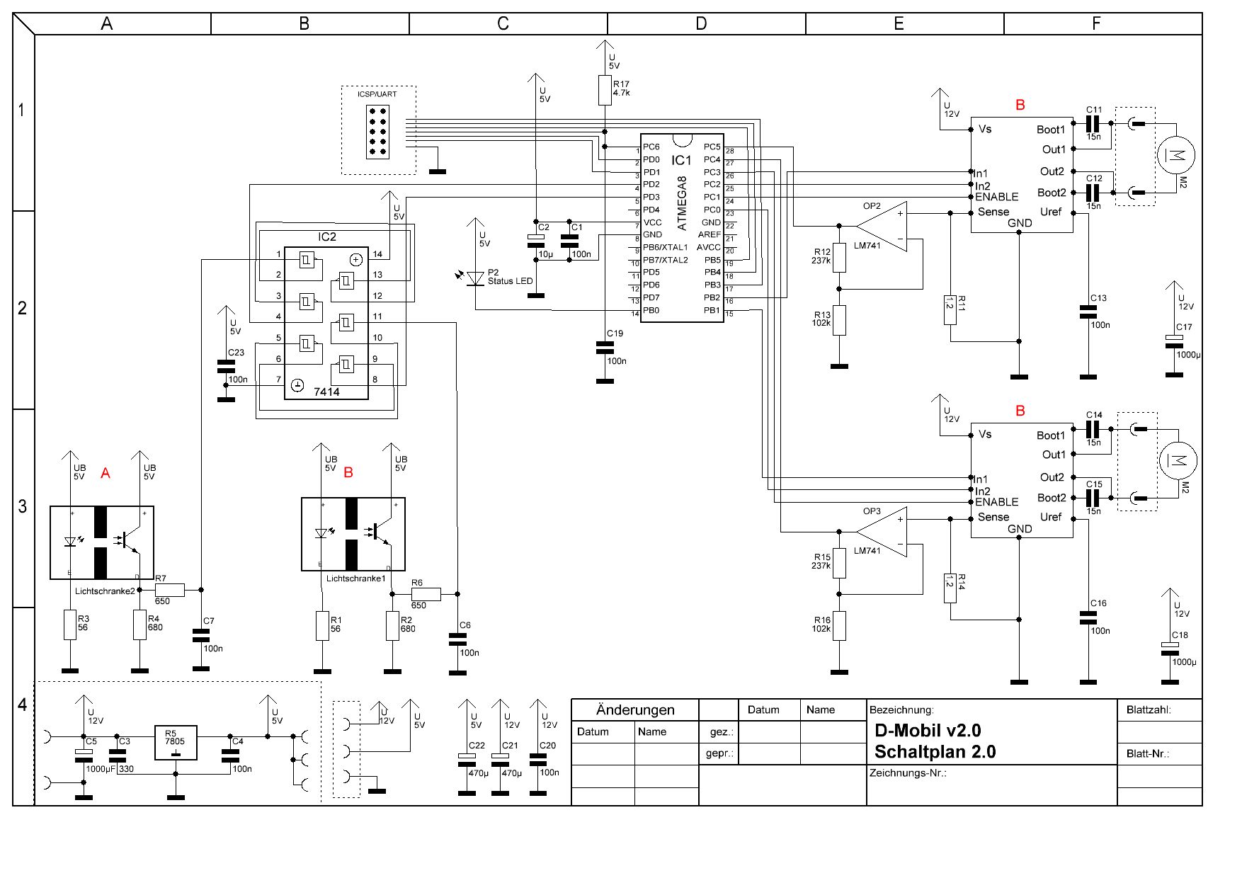
Die Pins 20-22 vom Mega8 müssen angeschlossen werden! Anstatt 2 x LM741 könnte man auch einen LM747 nehmen: beide taugen aber nicht in dieser Schaltung, da keine neg. Versorgungsspannung vorhanden ist. Besser wäre ein LM358, oder wenn Du Komparatoren verwenden möchtest ein LM393. Bei 1,2 Ohm Meßwiderstand brauchst Du vermutlich keine DC-Verstärkung, wenn der ADC vom Mega8 verwendet werden soll. Mehr habe ich nicht angesehen, aber ein größer Elko für die 12V schadet bestimmt nicht: 2200 oder besser 4700µF.
Hallo Tropenhitze! Vielen Dank für deine Antwort! Tropenhitze schrieb: > Die Pins 20-22 vom Mega8 müssen angeschlossen werden! Da hast du recht, das habe ich ganz vergessen. Tropenhitze schrieb: > Bei 1,2 Ohm Messwiderstand brauchst Du vermutlich keine > DC-Verstärkung, wenn der ADC vom Mega8 verwendet werden soll. Da hast du recht! Ich habe 1,2 Ohm gewählt, da ich dann bei 12V nicht den Maximalen zulässigen Spitzenstrom vom L6203 überschreiten kann. Mir grade aufgefallen, dass ich die abfallende Spannung über dem Widerstand für den ADC sogar abschwächen muss. Dadurch kann ich mir den OP sparen und kann einfach mit einem Spannungsteiler arbeiten! Als Referenzspannung dient mir die interne Referenzspannungsquelle. Alle Änderungen sind im Schaltplan enthalten. Wenn keiner mit dem oben genanntem Funkmodul Erfahrung hat, dann werde ich wohl einfach ein Pärchen bestellen und es ausprobieren! ;-) Vielen Dank, Viele Grüße, Lukas.
Tropenhitze schrieb: > Mehr habe ich nicht angesehen, aber ein größer Elko für die 12V schadet > bestimmt nicht: 2200 oder besser 4700µF. Meine Motoren brauchen jeweils im Leerlauf 1,5A bei 12V. Ich habe einmal am Anfang direkt hinter der Anschlussklemme einen 470µF Kondensator vorgesehen und zusätzlich direkt an jedem Treiber nochmals jeweils 1000µF. Meinst du nicht, dass das reicht? Danke Grüße, Lukas. PS: Hatte vergessen mich einzuloggen, daher konnte ich meinen Beitrag nicht mehr editieren und musste dies hier als zweiten Post nachschieben.;-)
>Wenn keiner mit dem oben genanntem Funkmodul Erfahrung hat, dann werde >ich wohl einfach ein Pärchen bestellen und es ausprobieren! ;-) Den kannst du nicht einfach an einen UART hängen. Die Dinger geben ohne Empfang rauschen aus und können keine Gleichspannnung übertragen, also längere 0 oder 1 Phasen. Du müsstest das Teil am besten mit einer Manchesterkodierung betreiben. Bleibt dann noch das Problem mir dem rauschen bei kein Empfang;) Es wird nicht ganz so einfach wie du dir das vorstellst.
holger schrieb: >>Wenn keiner mit dem oben genanntem Funkmodul Erfahrung hat, dann werde >>ich wohl einfach ein Pärchen bestellen und es ausprobieren! ;-) > > Den kannst du nicht einfach an einen UART hängen. > Die Dinger geben ohne Empfang rauschen aus und können > keine Gleichspannnung übertragen, also längere 0 oder 1 Phasen. > Du müsstest das Teil am besten mit einer Manchesterkodierung > betreiben. Bleibt dann noch das Problem mir dem rauschen bei kein > Empfang;) > Es wird nicht ganz so einfach wie du dir das vorstellst. Gibts es denn überhaupt Funkmodule, die man direkt an einen UART anschließen kann und gleichzeitig auch erschwinglich sind? Lukas.
Hallo! zu 1. Die Geschichte mit den H-Brücken habe ich nun fast fertig aufgebaut und ich werde die Schaltung wohl am Wochenende Testen. zu 2. Ich habe jetzt die Beiden oben genannten Funkmodule getestet. Der Sender hängt zusammen mit einem Max232 am PC. Der Empfänger sitzt auf meinem Roboter-Fahrzeug. Solange ich beim Senden keine langen Pausen mache, sondern fortlaufend Daten sende funktioniert alles einwandfrei. Wenn ich versuche Gleichspannung zu übertragen, oder halt lange Pausen beim Senden habe, so tritt (genau wie es auch Holger geschrieben hat) rauschen auf. Daher habe ich mein Sendeintervall am PC einfach so eingestellt, dass zwischen den einzelnen Befehlen nur wenig Zeit verstreicht. Viele Grüße, Lukas.
Bitte melde dich an um einen Beitrag zu schreiben. Anmeldung ist kostenlos und dauert nur eine Minute.
Bestehender Account
Schon ein Account bei Google/GoogleMail? Keine Anmeldung erforderlich!
Mit Google-Account einloggen
Mit Google-Account einloggen
Noch kein Account? Hier anmelden.

