Hallo Forum, ich habe mir zum Testen einen Oszillator zusammengelötet, s. angehängten Schaltplan. Auf dem Schwingquarz steht "6.000 QRT" drauf. Die Nicht-Gatter sind mit CMOS 4007 Bausteinen nachgebaut, genauere Bezeichnung ist "V4007D A3". Ich habe nur einen (selbstgebauten, aber brauchbaren) Frequenzzähler zur Hand. Die Torzeit beträgt 1 Sekunde. Nun messe ich die Frequenz und bekomme ungefähr folgende Werte angezeigt: 6000317 Hz 6000364 Hz 6000724 Hz 6000192 Hz 6000551 Hz 6001214 Hz Wie man sieht, die Frequenz schwankt... in ppm Pi-mal-Daumen 170 ppm (ausgerechnet mit 1000 Hz / 6 MHz). Das erscheint mir zu hoch, oder? Müsste der Wert nicht mehr als 100 ppm sein (weil Schwingquarz)? Kann man vielleicht an der Schaltung noch was verbessern? Danke im voraus, alex
Hallo Alex! Dem Quarz fehlen die Belastungskondensatoren, ich glaube auch, das die Laufzeit durch die 3 Gatter nicht gut ist (Phasendrehung) Ein Inverter reicht nämlich auch. Schau dir mal den Vorschlag auf dieser Seite an, der müsste für die Anwendung passen: http://de.wikipedia.org/wiki/Quarzoszillator mfG Ingo
gerade den V4007. Ausm Buch: Der Inverter (vom 4007) stellt im Grunde einen ungepufferten Inverter der alten Art dar mit der für manche Zwecke günstigen Besonderheit kleiner Verstärkung im Übergangsbereich. Das trifft auch auf die beiden ebenfalls zu solchen verknüpfbaren Komplementärpaare zu. Sollte man für so einen Quarzoszillator nicht lieber eine gepufferte Version eines Inverters hernehmen? Sonst gilt oben gesagtes.
6MHz mit dem relativ langsamen CD4007 ist sogar bei hoher Versorgungsspannung etwas problematisch. Die phasendrehende Durchlaufverzögerung ist stark von der Temperatur und der Versorgungsspannung abhängig. Ich würde deshalb auf jeden Fall nur einen Inverter verwenden. Da du die Burdencaps weggelassen hast, erhälst du eine ungenügende und vor allem unstabile Phasendrehung, was wohl mit ein Grund für die starke Schwankung der Frequenz sein dürfte. Um 6MHz zu erreichen, solltest du mit einer höheren Versorgungsspannung als 5V arbeiten und vor allem die phasendrehenden Burdencaps anfügen. Und auf jeden Fall sollte ein Strombegrenzungswiderstand zwischen Ausgang und Quarz/Burdencap eingefügt werden, nicht nur um den Quarz nicht zu überlasten, sondern auch um eine ausreichende Phasendrehung zu erzielen. Denke daran, der Inverter liefert dir die einen 180°, der Quarz mit seiner passiven Beschaltung die anderen 180°. Am aussichtsreichsten erscheint mir der Nachbau der Schaltung von Bild 1 von diesem Link: http://www.ferromel.de/tronic_26f.htm Die Widerstände würde ich allerdings auf 1M und 10k verkleinern. Dann sollte die Schaltung mit 12...15V Versorgungsspannung funktionieren. Wenn der CD4007 zu langsam ist, eventuell einen HEF-Typ verwenden. >Sollte man für so einen Quarzoszillator nicht lieber eine gepufferte >Version eines Inverters hernehmen? Interessanterweise empfehlen die Hersteller (Phillips, TI) bei der 74HCMOS-Serie gerade den Einsatz von ungepufferten 74HCU-Typen. Wohl um die Linearität im Umschaltbereich zu verbessern. Man will ja, daß der Inverter im Umschaltbereich wie ein invertierender Verstärker arbeitet. Dadurch spannt er sich selbst auf Vdd/2 vor. Kai Klaas
Danke schön für die Ratschläge! Eine Frage habe ich noch: Kai Klaas schrieb: > Um 6MHz zu erreichen, solltest du mit einer höheren Versorgungsspannung > als 5V arbeiten und Wenn ich den Schwingquarz und den Widerstand mit der Pinzette kurzschließe, eintsteht ein Ringoszillator und die Schaltung schwingt mit etwa 8.3 MHz bis 8.5 MHz. Könnte ich daraus schlussfolgern, dass die verwendeten Bausteine (für 6 MHz) schnell genug sind?
Ringoszillator mit 8,4 MHz - das heißt: 3 Inverter machen für sehr kleine Frequenzen 180°, bei höheren Frequenzen mehr. Damit eine Schwingung angeregt wird, brauchen wir 360°. Also kommen mit jedem Gatter bei 8,4 MHz (360° - 180°) / 3 = 60° hinzu. Bei 6 MHz entspricht diese Verzögerung pro Gatter etwa 60°*6/8,4 = 43°. Wenn man von 0° (oder 180°) als ideale Quarz-Schwingbedingung ausgeht, und +/- 45° (bzw. 180° +/-45°) noch halbwegs funktionieren könnten, sind die 43° doch schon recht nah am Limit. Freunde des schlechten Deutsch würden es "GRENZWERTIG" nennen.
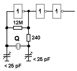
Hallo Leute, ich habe es hingekriegt. Die Frequenz steht wie eine Eins. Habe die Schaltung wie im angehängten Schaltplan benutzt. Konnte sogar einen 12 MHz Schwingquartz zum Schwingen bringen! (Natürlich alles bei Zimmertemperatur :) ) Danke schön noch mal an alle!
Den 240R Widerstand solltest du kräftig erhöhen, sonst bekommt der Quarz viel zu viel Dampf! Was nimmst du denn jetzt für einen Inverter? Und welche Versorgungsspannung? Kai Klaas
Kai Klaas schrieb: > Was nimmst du denn jetzt für einen Inverter? Und welche > Versorgungsspannung? Der Inverter ist immer noch der CMOS 4007 mit der Aufschrift "V4007D A3". Versorgungsspannung ist 5V. Kann der Schwingquarz kaputtgehen? Wieviel Verlustleistung verkraften die Schwingquarze?
Übrigens, alle meine Quarze zwischen 3 MHz und 12.8 MHz scheinen damit einwandfrei zu funktionieren... Die nächsthöheren, die ich da habe, die Quarze mit der Aufschrift 14.31818 MHz, funktionieren leider mit der Schaltung nicht.
alex schrieb: > Quarze mit der Aufschrift 14.31818 MHz, funktionieren leider mit der > Schaltung nicht. Wenn du die Spannung hochdrehst evtl schon. IC geht bis 15V.
>Kann der Schwingquarz kaputtgehen? Wieviel Verlustleistung verkraften >die Schwingquarze? Die großen, fetten maximal 1mW. SMD-Quarze teilweise nur maximal 100µW, wenn ich das richtig in Erinnerung habe. Bei 5V ist das wohl nicht ganz so kritisch, da der CD4007 selbst einen recht hohen Ausgangswiderstand hat. Aber bei höheren Versorgungsspannungen wirds eng! Kai Klaas
Und wie könnte man die Verlustleistung am Quarz abschätzen? Z.B. in meiner nachgebauten Schaltung? Ich hätte jetzt gedacht, der Schwingquarz wäre einfach nur ein "Keramikplättchen" mit einem Innenwiderstand bis zum geht nicht mehr, ein Isolator... mit dem Multimeter ist der Widerstand z.B. nicht messbar - habe es an ein Paar Quarze versucht.
Dann stell Dir den Quarz als Kondensator vor - Umladeströme.
Siehe Quarzkochbuch unter Pierce-Oszillator.
alex schrieb: > Ich hätte jetzt gedacht, der Schwingquarz wäre einfach nur ein > "Keramikplättchen" mit einem Innenwiderstand bis zum geht nicht mehr, In dem elektrische in mechanische Energie umgewandelt wird, und umgekehrt.
>Und wie könnte man die Verlustleistung am Quarz abschätzen? Z.B. in >meiner nachgebauten Schaltung? Im Anhang habe ich das mal mit einer Simulation getan. Links ist die Ersatzschaltung des Ausgangstreibers eines Pierce-Oszillators mit 4MHz Quartz zu sehen, rechts die Spannung, die über dem Ersatz-Serien-Widerstand des Quartzes abfällt, im Frequenzbereich zwischen 3,99MHz und 4,01MHz. Das Maximum liegt 15dB unter 1Vs. Ein Oszillator an einer 15V Versorgung erzeugt ein Rechteck mit rund 7,5Vs. Darin steckt die Grundwelle mit 4/pi x 7,5Vs = 9,5Vs. 15dB darunter ist 1,7Vs, also 1,2Veff. Ergibt eine Leistungsaufnahme des Quartzes von rund 1,2Veff^2 / 50R = 29mW! Ein 5V-Oszillator führt dem Quartz dagegen nur 3,2mW zu. Berücksichtigt man jetzt noch den endlichen Ausgangswiderstand des CD4007 von ein paar hundert Ohm, dann wird die Verlustleistung des Quarzes gerade akzeptabel. Ein 74HCMOS-Inverter würde dem 4MHz-Quartz allerdings schon deutlich mehr als die erlaubten 1mW (für einen großen HC49/U-Quarz!) zuführen!! Kai Klaas
Unabhängig von Quartz-Drive-Level gibt es noch einen anderen Grund, warum der Strombegrenzungswiderstand nicht zu klein gewählt sein sollte: Er wird dringend benötigt, um eine saubere 180° Phasenverschiebung in der Gegenkopplung des Pierce-Oszillators zu erzeugen. Im Anhang ist links die Situation für einen Strombegrenzungswiderstand von 250 Ohm gezeigt, rechts daneben für 10kOhm. Man erkennt, daß die 180° Phasenverschiebung links für einen viel größeren Frequenzbereich "erfüllt" ist, als rechts. Nur wenn der Strombegrenzungswiderstand und die dadurch verursachte zusätzliche Phasenverschiebung groß genug sind, durchläuft der Phasengang die 180° Marke steil und scharf und die Schwingungsstabilität ist hoch, also das Phasenrauschen gering. Ganz rechts ist die Situation gezeigt, wenn der Strombegrenzungswiderstand gleich Null ist. Dann wird der 180° Marke garnicht durchlaufen! Kai Klaas
Bitte melde dich an um einen Beitrag zu schreiben. Anmeldung ist kostenlos und dauert nur eine Minute.
Bestehender Account
Schon ein Account bei Google/GoogleMail? Keine Anmeldung erforderlich!
Mit Google-Account einloggen
Mit Google-Account einloggen
Noch kein Account? Hier anmelden.





