Hallo, ich möchte mir gerne ein Audio-Switch bauen, damit ich zwischen meinen verschiedenen Quellen und Ausgabegeräten einfach umschalten kann. Daher würde ich gern mal wissen mit welchen Lösungen ihr gute Erfahrungen gemacht habt. Reichen hier einfache Analog Multiplexer, wie der 74HCT4053, oder sollten diese schon höherwertiger sein, bspw. der ADG509F von Analog Devices? Bei (Reed-) Relais hat man leider ein knacken in der Leitung beim Umschalten. Ist es hier vllt. möglich das Signal vor dem Umschalten auf Masse zu ziehen, um dies zu vermeiden, bspw. mit FETs? Oder sollte man lieber gleich auf die teureren ICs greifen, welche direkt für Audioanwendungen sind, wie der MAX4562 (Maxim) oder der TDA7309(STM)? Freue mich auf eure Antworten. Gruß Sven
Ich würde nach wie vor Relais nehmen. Die haben eine unerreicht gute Isolation im ausgeschalteten Zustand, und auch einen niedrigen Widerstand wenn eingeschaltet. Reedrelais sind klein und klicken kaum hörbar. Die integrierten Bausteine die ich kenne können nur eines von beiden. Es gibt welche mit niedrigem Einschaltwiderstand, die haben ein miserable Trennung. Es gibt welche mit akzeptablerer Trennung, die haben aber einen hohen Einschaltwiderstand. Noch ein Tipp: Die Masse der Audioverbindung mit umschalten. So sind nicht ständig alle Massen miteinander verbunden, das reduziert die Anfälligkeit für Brummschleifen. Knacken beim Umschalten ist eher ein Indiz für (unterschiedliche) Gleichspannungsoffsets, da solltest du mal nach schauen, statt dem Umschalter die Schuld zu geben. Soweit meine bescheidene Meinung, Jörg
Im groben bin ich Jörgs Meinung. Ich würde aber alle Eingänge über große Folienkondensatoren entkoppeln (1µF Polyester) und dann dem Signal einen Massebezug über einen 500kOhm Widerstand geben. Damit haben alle Signale den gleichen DC-Offset. Hinter den Relais könnte man dann noch je einen FET als "Mute" Schalter einsetzen, mit dem der Ausgang kurz vor dem Schalten (am besten im Nulldurchgang) auf Masse gezogen wird. Nach dem Umschalten kann man ggf. auch etwas langsamer wieder einschalten. In diversen Car-Audio-Chips von ST und Philips wird das bereits so gemacht. _.-=: MFG :=-._
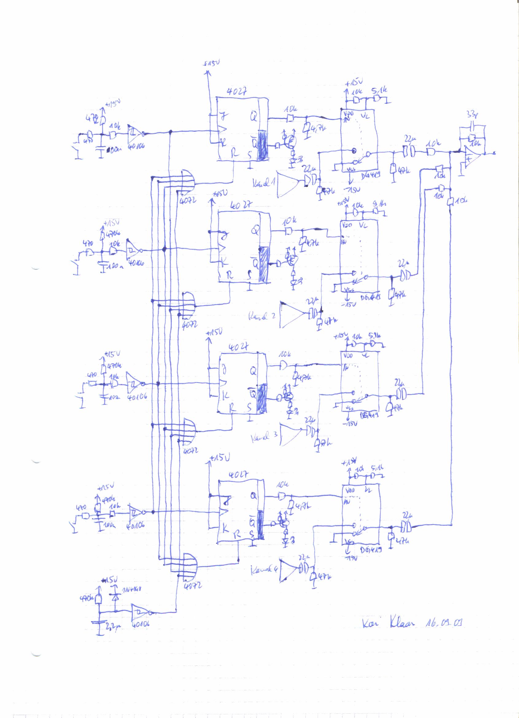
>Reichen hier einfache Analog Multiplexer, wie der 74HCT4053, oder >sollten diese schon höherwertiger sein, bspw. der ADG509F von Analog >Devices? CMOS-Schalter gehen hier durchaus. Nicht ausgewählte Nachbarkanäle sollten allerdings auf Masse gezogen werden, um das Übersprechen zu verringern (siehe Anhang). Einfache Schalter vom Typ 74HC4053 haben allerdings den Nachteil der niedrigeren Spannungsfestigkeit. Auch sollte man den Schalter auf den virtuellen Nullpunkt eines invertierenden OPamp legen, wenn ein besonders niedriger Klirrfaktor gewüscht sind. Kai Klaas
Jörg H. schrieb: > Die integrierten Bausteine die ich kenne können nur eines von beiden. Es > gibt welche mit niedrigem Einschaltwiderstand, die haben ein miserable > Trennung. Es gibt welche mit akzeptablerer Trennung, die haben aber > einen hohen Einschaltwiderstand. Daran sollte es nicht scheitern. Bin bei meiner suche auf einige ICs gestoßen, welche einen Einschaltwiderstand von <10 Ohm haben und ein Übersprechen von -90 dB, was für meine Zwecke sicherlich ausreichend wäre. Was mich bisher noch ein wenig von den Reed-Relais abhält sind die Anschaffungskosten und der Platzbedarf, da ich ja pro Stereo-Kanal ein Relais bräuchte (bei Reichelt hab ich jetzt nur welche mit zwei Schließern gefunden). Bei je 5 Ein- und Ausgängen wären das eben 10.
Hi, nochmal was zu den Spannungsoffsets: Der Kondensator und der Massebezug müssen ja vor und hinter dem Schalter/Relais sein, oder liege ich da falsch? D.h., wenn ich die Masse mit umschalte muss diese vor den beiden Audiokanälen geschaltet werden, damit der Spannungsoffset ausgeglichen wird. Wenn ich jetzt jedoch ein IC mit einem Umschalter (anstatt Ein/Aus) nehme funktioniert das dann genauso? Dann hätte ich ja den Linken/Rechten Kanal mit der Masse des anderen Eingangs verbunden. Oder hab ich gerade einen großen Denkfehler? PS: Sorry, wenn es so aussieht als hätte ich keine Ahnung. Ich versuche mich langsam an die Sache herrnzutasten.
>nochmal was zu den Spannungsoffsets: Der Kondensator und der Massebezug >müssen ja vor und hinter dem Schalter/Relais sein, oder liege ich da >falsch? So, wie oben in meinem Bildchen mit den CMOS-Analogschaltern gezeigt: DC-Komponenten fängst du von beiden Seiten mit einem RC-Hochpaß ab, sodaß keine DC-Spannungen geschaltet werden. >D.h., wenn ich die Masse mit umschalte muss diese vor den beiden >Audiokanälen geschaltet werden, damit der Spannungsoffset ausgeglichen >wird. Die Masse mit umschalten? Was soll denn das? Das ist doch vollkommen überflüssig. Wozu sollte denn das gut sein? Kai Klaas
Kai Klaas schrieb: > Die Masse mit umschalten? Was soll denn das? Das ist doch vollkommen > überflüssig. Wozu sollte denn das gut sein? Siehe Post von Jörg H.
>Siehe Post von Jörg H.
Das mag für ganz exotische Geschichten eine Verzweiflungslösung sein,
wenn man Brummprobleme anders nicht in den Griff bekommt. Aber Standard
ist das keinesfalls. Wenn du der Masse nicht vertrauen kannst, dann
macht alles andere auch keinen Sinn. In keinem Mischpult, das ich kenne,
wird die Signalmasse mit umgeschaltet. Wozu auch? Ist ja doch alles mit
ihr verbunden. Überlege dir allein den zusätzlichen Aufwand.
Kai Klaas
Die Masse mit um-, auf- oder abzuschalten mag bei der Verwendung von Relais kein Problem sein, sobald aber elektronische Umschalter (4051, 4053, ADG509, u.a.) zum Einsatz kommen, kann das zur Zerstörung dergleichen führen, da sich dann u.U. unzulässig hohe Spannungen (Potentialverschiebung) an den 'Schalter'-Anschlüssen gegenüber dem internen Bezugspotential (i.d.R. GND) aufbauen können. Somit würde ich aus Gründen der Betriebssicherheit so etwas niemals in Erwägung ziehen. Brummen hin oder her. ;-)
>Die Masse mit um-, auf- oder abzuschalten mag bei der Verwendung von >Relais kein Problem sein, Wenn ich ein Schutzklasse II Gerät auf diese Weise an ein Schutzklasse I Gerät schalten würde, ohne das beide vorher auf dem selben Potential lägen, würde das in einem wilden Geknalle enden. Ganz so, als ob man einfach irgendwo einen Cinch- oder Klinkenstecker hinein steckt. Ich kann mir das nur vorstellen bei Schutzklasse I Geräten, die alle vorher schon auf nahezu gleichem Potential liegen. Das Mitumschalten der Masse könnte dann die Verzweiflungstat eines Jemanden sein, der keine Ahnung hat, wie man das mit den Brummschleifen anders löst. Kai Klaas
@Kai Klaas: Jau, an diesen Aspekt hatte ich noch gar nicht gedacht. Guter Einwand Kai. Das sollte "Jörg H." vielleicht doch ein wenig nachdenklicher machen - von wegen die Massen gleich mit umzuschalten. Ich hatte ja auch schon meine Sicherheitsbedenken, wenn auch nur aus ähnlichen/anderen Gründen.
-Die Kunst zur Vermeidung von Brummschleifen ist oft: den richtigen Massepunkt zu finden. Das kann meine Glaskugel von hier aus nicht leisten. -Reedrelais sind relativ problemlos handhabbar im Gegensatz zu mancher spannungsempfindlichen, verzerrungs- und rauschfreundlichen Schaltkreislösung (wobei es durchaus gute Lösungen geben kann). Ein Auge ins Hifi-Forum wird nicht schädlich sein.
Bitte melde dich an um einen Beitrag zu schreiben. Anmeldung ist kostenlos und dauert nur eine Minute.
Bestehender Account
Schon ein Account bei Google/GoogleMail? Keine Anmeldung erforderlich!
Mit Google-Account einloggen
Mit Google-Account einloggen
Noch kein Account? Hier anmelden.
