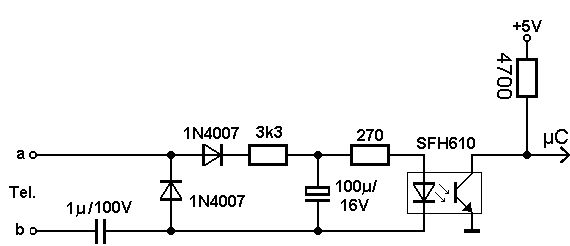
Hallo. Ich habe vor einen Telefon-Mithörverstärker zu bauen. Dazu habe ich die oben gezeigte Schaltung gefunden. Es ist der Originalschaltplan eines Philips LFH0117/00 Telefonadapters. Er ermöglicht die Aufnahme von Telefongesprächen. Die Rufsignale aus der Telefonleitung werden ja unterdrückt oder? Die Signaldämpfung soll recht groß sein (ca. 40dB), daher kommt als Verstärkereingang nur ein Mikrofoneingang in Frage. Aber wie groß müsste die Eingangsempfindlichkeit des Verstärkers sein? Ich hätte einen Verstärker mit einer Eingangsempfindlichkeit von ca. 10mV. Ginge der? Außerdem würde ich gerne eine Rufanzeige haben. Es sollte eigentlich nur ein kleines Relais sein, das beim Rufsignal anzieht. Wäre das möglich? Auf der Seite wo ich die Schaltung des Philips Telefonadapters gefunden gab es auch noch eine Schaltung mit der es möglich sein soll auch Audiosignal, z.b vom Line-Out des PCs, in das Telefonetz zu schicken. Ist das wirklich möglich? Würde mich über hilfe sehr freun. Gruß Matthias
Matthias schrieb: > Die Rufsignale aus der Telefonleitung werden ja > unterdrückt oder? Nein, nur Spannungsmäßig begrenzt durch die beiden Dioden. Matthias schrieb: > Außerdem würde ich gerne eine Rufanzeige haben. Es sollte eigentlich nur > ein kleines Relais sein, das beim Rufsignal anzieht. Wäre das möglich? Ist möglich, erfordert aber mehr als nur das Relais. Matthias schrieb: > Auf der Seite wo ich die Schaltung des Philips Telefonadapters gefunden > gab es auch noch eine Schaltung mit der es möglich sein soll auch > Audiosignal, z.b vom Line-Out des PCs, in das Telefonetz zu schicken. > Ist das wirklich möglich? Ja, sowas geht. Erfordert aber auch Schutzmaßnahmen. Aber alles ist nicht unbedingt statthaft. Deshalb waren die meisten Mithörverstärker mit einer Aufnahmespule ausgestattet. Das funktioniert aber bei dem neumodischen Kram nicht mehr. Außerdem sollte es sich bei den Fragen um analoge Telefontechnik handeln, ISDN ist anders.
Hallo. Ich will denn Verstärker an einen analogen Telefonanschluss hängen. Analoge Telefone sind ja noch in Massen anzutreffen. Hmm also würden das Rufsignal doch durch kommen. Aber auf der Seite stand die würden unterdrückt. Außerdem müsset ich wissen ob ein 10mV Mirofoneingang reicht. Ich will den Verstärker mit Röhren aufbaune. Für den Mikrofonvorverstärker würde ein EF86 zum Einsatz kommen. Nur reichen 10mV Empfindlichkeit für die Schaltung. Dies hier ist die Seite: http://www.epanorama.net/circuits/teleinterface.html Dirkt unter der Schaltung des Philips Adapters ist ein weiter Schaltung die auch das einspeisen von Audiosignalen ermöglichen soll. Wie müsste denn die Schaltung mit dem Relais aussehen? Ich hab bisher noch nix gefunden. Gruß Matthias
Rufspannung ist eine der 60V Gleichspannung überlagerte Wechselspannung. Das musst Du auswerten und damit das Relais ansteuern. Die Höhe des Signales beim telefonieren kann man messen. Telefonanbieterseitig darfst Du keine el. Leistung entziehen. Also brauchst Du für alle Auswerteschaltungen eine eigene Stromversorgung. Beachte dies.
Also das mit der seperaten Spannungsversorgung ist kein Problem. Im Verstärker sind 12V DC vorhanden. Nur wie soll ich die Wechselspannung auswerten um dann ein kleines 12V Relais zu schalten? Gruß Matthias
Naja, die beiden R von 47k in Reihe mit 2x 15nF machen doch schon eine erhebliche Verringerung der Rufspannung (25 Hz). Wie hoch ist der Widerstand dieser Reihenschaltung bei 25 Hz? Am Trafo noch zur Wirkung kommt diese Spannung, wenn man dann noch beruecksichtigt, dass da nochmal eine Reihenschaltung aus 1k und 330nF parallel dazu ist. Die Ruferkennung ist auch kein Hexenwerk. Such mal bei ELV nach den Schaltungen von PTZ (ProzessorTelefonZentrale). Gast
Hmm. Ok das Prinzip eines aktiven Gleichrichters kannte ich noch nicht. Und wie ich eine solche Schaltung für den Anwendungsfall aufbauen müsste weis ich auch nicht. Ich versteh aber auch nicht warum sehr kleine Verbraucher an der Telefonleitung verboten sind. Ein Zusatzwecker zieht sicherlich wesendlich mehr Strom als ein Kleinrelais. Ich hab mir die Beschreibung zu dem Philips Telefonadapter nochmal genau durchgelesen. Da stht eindeutig das duch die Kondensatorn das Klingelsignal unterdrückt würde. Ist ja auch logisch, da ja sonst jedes Aufnahmegerät am Ausgang beim klingeln abraucht. Das mit dem Mikrofonvorverstärker muss ich wohl ausprobieren. Aber 10mV Empfindlichkeit dürften doch ausreichen. Oder? Gruß Matthias
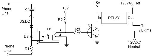
Hmm ja nur wie? Hier eine Schaltung die für die Ruferkennung genau das richtige ist. Sie arbeite mit einem Optokoppler. Nur dumemrweise arbeitet die mit 5V. Gibt es auch Optokoppler die 12V schalten können? Außerdem versteh ich nicht ganz wo das Relais hin muss. Gruß Matthias
Matthias schrieb: > Ich versteh aber auch nicht warum sehr kleine Verbraucher an der > Telefonleitung verboten sind. Matthias schrieb: > Gibt > es auch Optokoppler die 12V schalten können? Außerdem versteh ich nicht > ganz wo das Relais hin muss. Es gibt nun mal Vorschriften und Verbote. Die sollte man sich zu Herzen nehmen und beachten. Deshalb werde ich auch keine konkreten Schaltungen zeigen. Du scheinst noch in den Anfängen der Elektronik zu stecken, willst Dich aber gleich in ein noch nicht verstandenes Kommunikationsnetz einklinken. Du solltest Dich in das Gebiet erst mal einlesen.
Na ja die Schaltung mit dem Optokopller stimmt so. Die wurde in einem Forum vorgestellt. Was mir noch fehlt ist die Beschaltung auf der rechten Seite. Wie gesagt ich hab 12V. Auch wenn cich eine Fehler mache geht nur die Telefonanlage kaputt. Und aus Fehlern lern man immer noch am besten. Gruß Matthias
Naja, wenn er noch nichtmal den resultierenden Widerstand der verbauten R-C Kombinationen bei 25 Hz ausrechnen kann, dann sollte das Einlesen doch eher bei den Grundlagen beginnen. Gast
Nicht alles, was in Foren vorgestellt wird, stimmt. Da ist manchmal auch voelliger Bloedsinn dabei. Gast
Ja deswegen frag ich euch ja. Die Schaltung des Mithöradapters müsste ja ok sein, da es sich um das Originalschaltbild handelt. Bei der Schaltung mit der Ruferkennung müsste Ihr mir noch helfen. Wäre es mit der oben gezeigten Scahltugn dnen tatsächlich möglich ein normales Line-Signal z.b. von einer Stereoanlge in das Telefonnetz einzuspeisen? Aber diese Schaltung ist ersmal nur nebnsächlich. Ich will einen Mirhörverstärker aufbauen bei dem die Verstärker nur mit Röhren arbeiten. Die Verstärkerstufe für das Mithören arbeitet mit einer EF86. Eine weitere Verstärkerstufe mit der ECC82 ermöglicht den Anschluss an jeder beliebige Steroeanlage und eines Aufnahmegeräts. Außerdem ist ein Kopfhörerverstärker mit der ECC88 eingebaut. Die Verstärkung der EF86 dürfte aber hoch genug sein. Die Aufnahmegeräte welche damals an den Adapter angschlossne waren, hatten sicher auch keine höhere Empfindlichkeit. Wenn sie nicht sogar auch mit der EF86 gearbeit haben. Die Schaltung für die Verstärkerstufen habe ich auch schon fertig. Es fehlt nur noch der Adapter. Die Ruferkennung soll im Gerät einen Summer schalten. Wenn die Schalung ein 12V Relais schalten kann wär alles ok. Gruß Matthias
Nein, das ist nicht die richtige Herangehensweise. Wenn Du am Telefonnetz irgendwas anschliessen willst, solltest Du wissen was Du tust. Und das weisst Du gegenwaertig nicht. Gast
Ja ok. Aber der Nachbau einer bereis erprobten Schaltung ist doch das sicherste. Prinzipell fehlt mir nur noch eine Schaltung zu Ruferkennung. Die Schaltung für das Audiosignal steht ganz oben. Die werde ich einfach mal nachbauen und ausprobiernen. Nur bei der Ruferkennung brauche ich noch Hilfe. Ich möchte nicht wissen was andere Leute schon im Telefonnetz angestellt haben. Solange nur die eigene Telefonanlag hops geht ist doch alles in Ordnung. Wenn man mit Vorsicht vorgeht passiert auch nix. Als ich meine ersten Röhrenverstärker gebaut habe, hatte ich noch nie mit so hohen Spannungen gearbeitet. Aber ich habe vorsichtig und bedacht gearbeitet und nichts ist passiert. Und Ahnung hatte ich da damals auch nicht von. Probiern geht halt über studiern. Gruß Matthias
Hallo. Ich hab jetzt eine Schaltung für die Ruferkennung gefunden (sieh oben). Hier die Bauteilliste: 1 x 0.47uF 250V Kondensator (C1) 1 x 10K 1 W Widerstand (R1) 1 x 10K 1/4 W Widerstand (R2) 1 x 1K 1/4W Widerstand (R3) 2 x 20V 1/4W Z-Diode (D1, D2) 1 x 1N4148 Diode (D3) 1 x 2N3904 NPN Transistor (Q1) optional: 2N2222 1 x 4N27 Optokoppler (U1) Diese Schaltung soll genau so in Modems eingesetzt worden sein. Die Z-Dioden lassen nur die hohe Rufspannung durch, so wird nur das Rufsignal erkannt. Muss dann nur noch einen Spannungsregler einbaune um die 12V Steurspannung auf die hier erforderlichen 5V runterzuregeln. Es sei denn ihr konnt mir helfen die Schaltung nach 12V auszulegen. Aber so dürfte die Schaltung ja ohne weiteres funktionieren. Oder? Gruß Matthias
@ Matthias Heute noch mit Röhren ANzufangen, erfordert etwas Wissen, was Du sicher auch noch nicht hast. Geh z.B. zu ELV.de und such Dir einen schönen Bausatz. Das soll kein überheblicher Vorwurf, sondern Tipp für einen erfolgreichen Bastleranfang sein. http://www.mikrocontroller.net/articles/Elektronik_Allgemein
Hallo. Also von anfangen kann kein rede sein. Ich hab schon mehrere Röhrnverstärker erfolgreich gebaut. Mikrofonvorvertsärker (der selbe der auch für den Telefoverstärker benutz wird), Kopfhörerverstärker, Phonoverstärker, Line-Verstärker und auch eine Endstufe. Also Ahnung hab ich schon davon wie sowas gebaut wird. Sry wenn Ihr mich da flasch verstanden habt. Nur im Bereich Telefon bin ich noch Anfänger davon hab ich nicht viel Ahnung. Einfach eine Bausatz zu kaufen fände ich langweilig. Sicher als ich angafenmgen ahbe da war das schon besser. Da wusste ich wirklich nicht was ich tue. Ich muss auch gestehen das meine ersten Schaltungen sicher nicht funktioniert haben. Ich bitte euch mir bei der Telfonsache zu helfen. Gruß Matthias
Ruferkennung könnte leidlich funktionieren, Relais zappelt evtl. bei jedem Klingelton, Abschaltspannung wird den Transistor nach einiger Zeit zerlegen, weil Schutzdiode fehlt. 12V Relais wäre auch eine Variante.
Ok das mit der Schutzdiode ist mit einer 1N4148 ja recht schnell erledigt. Nur warum sollte das Relais zappel? Eine 12V-Variante wäre mir grundelegt lieber. Wenn es allerdings nicht anders geht, geb ich mich auch mit der 5V-Variante zufieden. Gruß Matthias
Hallo. Hier die Endversion meiner Ruferkennung. Es ist jetz eine Schutzdiode vorhanden. Außerdem verhinder der 100uF Elko ein schnellesd rattern des Relais. Die 5V Betriebsspannung werden durch einen Spannungsregler erzeugt. Demnächst zeige ich dann noch den Schaltplan des gesamten Verstärkers. Gruß Matthias
Na, ob der Transistor das aushält, den leeren Elko aufzuladen, ohne Ic max. zu überschreiten ist fraglich. Leg den Elko lieber vor die Basis des Transistors....
Hallo. Ok das hatte ich nicht bedacht. Ich hab den Kondesator wie du gesagt hast vor die Basis gelegt. Hab in allerdings um den Faktor 10 kleiner gewählt. Da hier kein so hoher Entladestrom fließt dürfte. Das Relais würde ja sonst nur nach sehr langer Zeit wieder abfallen. Oder? Gruß Matthias
Bitte melde dich an um einen Beitrag zu schreiben. Anmeldung ist kostenlos und dauert nur eine Minute.
Bestehender Account
Schon ein Account bei Google/GoogleMail? Keine Anmeldung erforderlich!
Mit Google-Account einloggen
Mit Google-Account einloggen
Noch kein Account? Hier anmelden.





