Hallo zusammen, ich hab eine kleine Platine aufgebaut mit einem ATmega8-16PU. Ich kann diesen aber leider nicht programmieren, PonyProg sagt mir "Device missing or unknown Device (-24)". Ein Klick auf "Ignorieren" bringt auch nichts, nach einigen Sekunden heißt es "Write failed". Ich habe den Quellcode in C mit AVR Studio 4 erstellt und mit PonyProg dann die hex-Datei geöffnet, und versucht auf den IC zu schreiben. Hier mal einige Informationen: - Alle +5V Spannungsversorgen liegen an den Chip-Beinchen an (5V kommen von einem 7805) - Alle Masseverbindungen des ICs sind beschaltet - Ich verwende an den PINS 9 und 10 einen 4.0000 Mhz Quarz mit zwei 22pF Kondensatoren - Der ATmega ist nagelneu - Alle Kontakte auf dem IC-Sockel haben einwandfreie Verbindung - Alle PINs von der Programmierbuchse (Wannenstecker) gehen zu den richtigen PINs am ATmega. Spannungsversorgung +5V am Programmierstecker liegt ebenfalls an. Hat jemand eine Idee? Mir fällt als Fehlerquelle folgendes ein: - falscher serieller Adapter? Dieser hier: http://www.anvilex.de/Extern/Datasheets/DS_P009_10.pdf - fehlende Kondensatoren direkt an den Spannungseingängen am IC (100nF)? - Falscher Quarz? Ich verwende einen 4,0000 statt 3,6864? Vielleicht ist es auch nur ein ganz einfacher Anfängerfehler, ich hab noch nie einen ATmega programmiert... Danke
Christian W. schrieb: > - Der ATmega ist nagelneu Das könnte das Problem sein. Hast Du schon Fuses setzen können? Neue ATmegas laufen mit internem 8 MHz Takt und Takteiler 8. Resultat sind 1 MHz Taktfrequenz. Das ist beim Programmieren mittels ISP zu beachten, da die maximale Frequenz der ISP-Clock um einen gewissen Teiler kleiner sein muss. Leider habe ich den Teiler gerade nicht im Kopf (4?). Christian W. schrieb: > - Falscher Quarz? Ich verwende einen 4,0000 statt 3,6864? Der Quarz geht einem nagelneuen ATmega am Boppes vorbei. ;) Der läuft - solange die Fuses diesbezüglich nicht gesetzt sind - mit 1 MHz (8 MHz interner Takt mit Taktteiler 8). Christian W. schrieb: > - fehlende Kondensatoren direkt an den Spannungseingängen am IC (100nF)? Sollte nicht Ursache für Dein Problem sein, solche Kondensatoren sind aber sehr empfehlenswert.
Hallo  Christian W. ,
>   Ein Klick auf "Ignorieren" bringt auch nichts
das haben auch schon viele Hasen gesagt, die dann im Schlund des Adlers 
endeten.
Leider konnten wir diese Hasen nicht mehr befragen!
 Gastino G. sagte schon was  dazu.
schritt 1:
einen kleinen Messpin an GND des Prozessors löten
schritt 2
Minuskabel des  Multimeters an diesen Messpin
schritt 3 :
Mit Multimetre dann messen an VCC und dann an RESET
beide müssen High sein
RESET fällt kurz auf LOW bei jedem versuch zu programmieren (kann man 
messen)
TIPP:
meistens sind MISO oder MOSI vertauscht
grussi klausi
  Hallo, danke für die Beiträge. Ich werd das alles mal testen. Fusebits kann ich leider nicht setzen, geschweige denn auslesen aus dem Chip, jedesmal kommt diese "Device missing..." Meldung. Hab mal einen Schaltplan angehängt, wie die Platine momentan aussieht, vielleicht hat jemand Lust, mal kurz drüberzuschauen. Danke Christian
Hast du im Ponyprog-Einstellungsfenster "Siprog-API" ausgewählt? Pullup an /Reset vorhanden? Falsche Reset-Polarität ausgewählt? "Calibration"durchgeführt? Manchmal hilft ein kleiner Kondensator in der SCK-Leitung, dann kommt der Clock "leicht verzögert" am Mega8 an. Eine Hausnummer wie groß der sein soll, hab ich jetzt leider nicht im Kopf, lief bei mir immer ohne. Richtiger COM-Port ausgewählt? \0
hallo Christian W., hast du denn ein Oscilloscope zur Hand ? gruss
Ad Schaltplan: Du Hast die ∗Bezeichnungen∗ von MOSI und MISO vertauscht, und zwar sowohl am Header als auch am µC, die ∗Verdrahtung∗ dagegen passt laut Plan. Überprüf nochmal, ob die auch in der Schaltung so stimmt.
Hallo, danke für die schnellen Nachrichten. Im PonyProg ist momentan der Siprog API gewählt, COM Schnittstelle stimmt auch. Ich hab auch schon andere Adapter im PonyProg getestet aber ohne Erfolg. Ein Pullup-Widerstand am Reset-PIN ist nicht vorhanden, der PIN geht direkt an den Wannenstecker mit einem Draht. Oszi hab ich keines... Die MOSI MISO Belegungen stimmen auf der Platine 1:1. Hab mal ein Digitalmultimeter angesteckt. Da ergibt sich folgendes: - Platine ohne Stromversorgung und mit angesteckter serieller Schnittstelle: Reset PIN hat -0,35V - Platine MIT Stromversorgung und mit angesteckter serieller Schnittstelle: Reset PIn hat + 4,73V - Die 4,73 V ändern sich auch dann nicht, wenn ich versuche zu Programmieren oder etwas aus dem IC auszulesen. Kann das tatsächlich sein, dass das Programmierinterface Schrott ist? Das hab ich mir fertig gekauft. Kann ich während des Programmiervorgangs mit einer Krokoklemme den Reset-PIN auf Masse ziehen oder geht da was kaputt? Danke Christian
Hallo Christian, > Kann ich während des Programmiervorgangs mit einer Krokoklemme den > Reset-PIN auf Masse ziehen oder geht da was kaputt? Das kannst du und es geht nix kaputt... leider nützt es aber auch nix. Der Reset geht beim Proggen ja nur kurz auf Low um den Vorgang einzuleiten. Dauerreset verhindert also das proggen. Das du an die Fuses nicht herankommst ist unter diesen Umständen auch klar. .. eigentlich benötigt man diese in deinem Stadium auch ersteinmal nicht. .. anderen Prozessor versucht (wegen der Pferde vor der Apotheke) gruss K. p.s. am Anfang sind es oft Einstellungen bezüglich des Programmers .. respektive der PC Hardware, die , falls falsch, Probleme machen. zudem solltest Du in diesem Stadium eher versuchen die Fuses auszulesen als irgendwas zu proggen.
ok danke für die antworten. ich werde bei der pc hardware ansetzen mit fehlersuchen, da mir der programmieradapter den ich verwende ziemlich komisch vorkommt. weil: im sub-d-steckergehäuse sitzt ein kleiner smd-ic, der da meiner meinung nach nicht hingehört und vielleicht den direkten datenaustausch zwischen pc und atmel verhindert. eigentlich müssten ja ein paar widerstände und ein transistor reichen? kann ich diesen programmieradapter wie in der grafik angehängt verwenden? ich verwende PonyProg 2.07c Beta. danke christian
Hallo, ohne PulUp (10k gegen Vcc)auf dem RESET wird der Mega8 meines Wissens nicht laufen; und nicht programmierbar sein. Gregor
Hi >ohne PulUp (10k gegen Vcc)auf dem RESET wird der Mega8 meines Wissens >nicht laufen; und nicht programmierbar sein. Das Reset-Pin hat einen internen Pull-Up. MfG Spess
Hallo, danke für die Nachricht. Ich hab jetzt einen 10k Widerstand gegen VCC an Reset gehängt, zwar ist die Spannung am Reset PIN geringfügig auf 4,91 V gestiegen, aber auch beim Programmieren bleiben die 5 V und ändern sich nicht, auch nicht sehr kurz. (Wie lange wird der PIN auf Masse gezogen beim Programmiervorgang? Merkt man das mit einem Digitalmulti überhaupt?) Fazit: Auch mit dem 10k Pullup lässt sich der Prozessor nicht programmieren. Als nächstes werd ich mal einen seriellen Adapter bauen und diesen dann statt des jetzigen Testen. Christian
Gregor schrieb: > Hallo, > > ohne PulUp (10k gegen Vcc)auf dem RESET wird der Mega8 meines Wissens > nicht laufen; und nicht programmierbar sein. Genauso ist es. Der Kollektor des Transistors ist bei dem Programmer an Reset beschaltet - ohne Pull-up kann das gar nicht funktionieren. Edit: Zu spät. :) @Spess: Ist der interne Pull-Up am Reset-Port von Anfang an aktiv? Im Datenblatt (ATmega48) steht bei der Beschreibung des Reset-Pins nichts dazu: "RESET, Reset pin: When the RSTDISBL Fuse is programmed, this pin functions as a normal I/O pin, and the part will have to rely on Power-on Reset and Brown-out Reset as its reset sources. When the RSTDISBL Fuse is unprogrammed, the reset circuitry is connected to the pin, and the pin can not be used as an I/O pin. If PC6 is used as a reset pin, DDC6, PORTC6 and PINC6 will all read 0. PCINT14: Pin Change Interrupt source 14. The PC6 pin can serve as an external interrupt source."
Ich nehme alles zurück, im Datenblatt ist die RESET-Logik abgebildet und da befindet sich natürlich ein pull-up.
Auch wenns öfters falsch beschrieben wird ändert sich doch nix daran: Der /RESET bleibt während des gesamten [1] (seriellen) Programmiervorgangs LOW [2]. D.h. man kann ihn durchaus per Krokoklemme/.. von Hand auf LOW ziehen. Aaber: Das muss der Programmieradapter können. Wenn der das nicht schafft, dann ist irgendwo der Wurm drin. Entweder ein Kurzschluss am /RESET, ein defekter Programmieradapter, das Kabel ist falsch angeschlossen oder es hat keinen Durchgang. Viel Erfolg! [1] Ausnahme: Manch Software macht nach einem Chip-Erase nochmal einen 'neuen' Reset. [2] ..wo versteckt sich das Datenblatt zum m8? .. behelfsweise das vom m8A: http://atmel.com/dyn/resources/prod_documents/doc8159.pdf Kapitel 24.8 'Serial downloading'.
#include <avr/io.h> /* Standardregister */
// Hauptprogramm
int main(void)
{
  // Datenrichtung festlegen
  // DDRD = Gesamter B Port ist Ausgang
  DDRD = 0xff;
  // Alle LEDs an
  PORTD |= (1 << 0); /* PIN aktivieren */
  PORTD |= (1 << 1);
  PORTD |= (1 << 2);
  PORTD |= (1 << 3);
  PORTD |= (1 << 4);
  PORTD |= (1 << 5);
  PORTD |= (1 << 6);
  PORTD |= (1 << 7);
  return 0;
}
Christian
  Hi > DDRB = 0xff; > // Alle LEDs an > PORTC |= (1 << 0); /* PIN aktivieren */ Wenn du zu Ausgabe PortC nimmst, solltest du auch DDRC auf Ausgang setzen. MfG Spess
Hallo, sorry habs grade korrigiert... geht aber immer noch nicht... Kann das sein dass der gesamte HEX-Code im Speicherchip des Programmieradapters festhängt? Ich hab mir grade den Originalen USB Programmieradapter bestellt, vielleicht klappts ja dann mit dem besser...?
> return 0; ..die LED(s) dürfte(n) damit höchstens glimmen. Mach da mal noch eine Endlosschleife 'while(1);' davor..
Hi >Kann das sein dass der gesamte HEX-Code im Speicherchip des >Programmieradapters festhängt? Was für ein Speicherchip? Da ist maximal ein Pegelwandler drin. MfG Spess
Wow geil ich habs grade geschafft. Hab alle Programme geschlossen, alles abgesteckt, neu gestartet, dann den Reset PIN auf Masse gelegt dann programmiert dann den Reset-Masse-PIN wieder von Masse genommen Alle LEDs leuchten! Wie geil Vielen Dank euch allen für die schnelle Hilfe :-) Viele Grüße Christian
Christian W. schrieb: > Wow geil ich habs grade geschafft. > > Hab alle Programme geschlossen, alles abgesteckt, neu gestartet, > > dann den Reset PIN auf Masse gelegt > > dann programmiert > > dann den Reset-Masse-PIN wieder von Masse genommen > > Alle LEDs leuchten! Gratuliere. Nun wissen wir, dass der Programmieradapter prinzipell funktioniert. Außer, dass der Reset Pin während des Programmierens nicht auf Low gezogen wird. * Suche nochmal nach Unterbrechungen der Resetleitung vom Programmer zum AVR. * Kurzschlüsse kann man ausschließen, denn sonst hätte dein manuelles auf Low ziehen nicht funktioniert (kurzschluss mit 5V) und andererseits hättest du nicht 4,9V im Betrieb messen können (bei Kurzschluss mit GND). * Was du noch versuchen könntest ist einen 100nF Kondensator zwischen Reset und GND anzuschließen. Den verwende ich jedenfalls in allen meinen Schaltungen grundsätzlich, und man sollte es prizipell auch so machen. MfG Gregor
ok werd ich machen... was mich noch interessiert ist, warum manchmal meine leds angehen, und manchmal nicht? teilweise ist es so, dass alle leds bis auf eine brennen. ist mein 22k basiswiderstand am transistor vielleicht zu groß? welchen widerstand kann man hier empfehlen? danke christian
Christian W. schrieb: > ist mein 22k basiswiderstand am transistor vielleicht zu groß? > welchen widerstand kann man hier empfehlen? Mit 10k wirst Du nicht viel falsch machen. 22k sind tatsächlich etwas groß.
Christian W. schrieb: > was mich noch interessiert ist, warum manchmal meine leds angehen, und > manchmal nicht? Das mit dem Basiswiderstand kann schon stimmen. Was ich jedoch vermute ist, dass der AVR einfach keinen gründlichen Reset bekommt. Fürs Programmieren dürfte es ja mit nur einem Widerstand am Reset funktionieren. Für den Normalbetrieb würde ich dir jedoch sehr raten eine Serienschaltung aus 10k Pullup gegen Versorgungsspannung und einem 100nF Kondensator gegen Masse zu verwenden. Der Kondensator hält den AVR nach dem Einschalten so lange im Reset- Zustand bis sich alle Spannungen stabilisiert haben. Das kann sich je nach dem welche Spannungsversorgung du verwendest einige ms Dauern. Wenn die Spannungsversorgung nicht sehr Spannungssteif ist erzeugt das Einschalten einen Spannungseinbruch. Wenn der AVR aber schon vom ersten Moment an anfängt sein Programm abzuarbeiten, wenn aber noch keine stabilen Spannungsverhältnisse vorherrschen kann es auch zu unerklärlichen Fehlfunktionen kommen. Zumal hast du auch an den Versorgungspins auf jegliche Pufferkondensatoren (100nF) verzichtet, was man sowieso nicht sollte. MfG Gregor
Hallo zusammen, ich hab jetzt mal alle Basiswiderstände durch 8k6 ersetzt und außerdem an der +5V Leitung direkt am IC Sockel einen 0,1uF Elko angebracht... Es ändert sich aber leider nichts an der Situation dass einige LEDs dunkel bleiben. Was mir auffällt: Ich habe ein Programm geschrieben, dass alle LEDs nacheinander aufleuchten lässt. LED Nr. 6 an Ausgang PD5 geht zwar an, erlischt aber in dem Moment wenn die nächste LED Nr. 7 angeht. Sowas hab ich aber nicht programmiert. Sehr komisch... LED1 geht überhaupt nicht an, lässt sich aber einschalten, wenn man mit einer Hilfsspannung an der Basis den Transistor mit der Hand durchschaltet. Kann mir jemand sagen, wie ich über die Fuse-Bits den 4 MHz Oszillator aktiviere? Momentan rennt der IC noch mit 1 MHz. Vielleicht liegts ja daran, dass der externe Quarz "reinpfuscht"... Danke Christian
Ad Programm: herzeigen (komplett). Ad Quarz: Nein, der pfuscht Dir nicht rein, weil der nicht mal getrieben wird :-) Ad Fuses: Zuallerserst(!) ins Datenblatt schauen, was ∗genau∗ Du willst, dann zusammenstöpseln, wie die Fuses wohl aussehen müssen, nochmals auf Plausibilität prüfen, ggf. mit [1] abgleichen, dann Programmieren :-) Es gibt auch Rechner, die behilflich sind, z.B. [2], aber unter keinen Umständen blind nutzen ohne vorher das Datenblatt gelesen zu haben - da sperrt man sich nämlich ganz leicht selbst aus. HTH [1] http://www.mikrocontroller.net/articles/AVR_Fuses [2] http://www.engbedded.com/fusecalc/
Hier wäre mal mein C-Code
| 1 | // 8-Kanal-Lauflicht
 | 
| 2 | |
| 3 | #include <avr/io.h> | 
| 4 | #define F_CPU 1000000UL // Takt
 | 
| 5 | #include <util/delay.h> | 
| 6 | |
| 7 | int main(void) | 
| 8 | { 
 | 
| 9 |   // als Ausgang festlegen
 | 
| 10 | DDRD = 0xff; | 
| 11 | |
| 12 |   // Warten vor dem Start
 | 
| 13 | _delay_ms(1000); | 
| 14 | |
| 15 |   // Pause zwischen den LEDs
 | 
| 16 | int zeit = 100; | 
| 17 | |
| 18 |   // Alles nacheinander einschalten
 | 
| 19 | PORTD |= (1 << PD1); _delay_ms(zeit); | 
| 20 | PORTD |= (1 << PD2); _delay_ms(zeit); | 
| 21 | PORTD |= (1 << PD3); _delay_ms(zeit); | 
| 22 | PORTD |= (1 << PD4); _delay_ms(zeit); | 
| 23 | PORTD |= (1 << PD5); _delay_ms(zeit); | 
| 24 | PORTD |= (1 << PD6); _delay_ms(zeit); | 
| 25 | PORTD |= (1 << PD7); _delay_ms(zeit); | 
| 26 | |
| 27 |   // Warten
 | 
| 28 | _delay_ms(1000); | 
| 29 | |
| 30 |   // Alles ausschalten 
 | 
| 31 | PORTD &= ~(1 << PD1); | 
| 32 | PORTD &= ~(1 << PD2); | 
| 33 | PORTD &= ~(1 << PD3); | 
| 34 | PORTD &= ~(1 << PD4); | 
| 35 | PORTD &= ~(1 << PD5); | 
| 36 | PORTD &= ~(1 << PD6); | 
| 37 | PORTD &= ~(1 << PD7); | 
| 38 | |
| 39 |     // Warten
 | 
| 40 | _delay_ms(500); | 
| 41 | |
| 42 |   // Pause zwischen den LEDs 
 | 
| 43 | int pause = 100; | 
| 44 | |
| 45 |     // Programmschleife
 | 
| 46 | while(1) | 
| 47 |       { 
 | 
| 48 | |
| 49 | PORTD |= (1 << PD0); // aktivieren | 
| 50 | _delay_ms(pause); | 
| 51 | PORTD &= ~(1 << PD0); // deaktivieren | 
| 52 | |
| 53 | PORTD |= (1 << PD1); // aktivieren | 
| 54 | _delay_ms(pause); | 
| 55 | PORTD &= ~(1 << PD1); // deaktivieren | 
| 56 | |
| 57 | PORTD |= (1 << PD2); // aktivieren | 
| 58 | _delay_ms(pause); | 
| 59 | PORTD &= ~(1 << PD2); // deaktivieren | 
| 60 | |
| 61 | PORTD |= (1 << PD3); // aktivieren | 
| 62 | _delay_ms(pause); | 
| 63 | PORTD &= ~(1 << PD3); // deaktivieren | 
| 64 | |
| 65 | PORTD |= (1 << PD4); // aktivieren | 
| 66 | _delay_ms(pause); | 
| 67 | PORTD &= ~(1 << PD4); // deaktivieren | 
| 68 | |
| 69 | PORTD |= (1 << PD5); // aktivieren | 
| 70 | _delay_ms(pause); | 
| 71 | PORTD &= ~(1 << PD5); // deaktivieren | 
| 72 | |
| 73 | PORTD |= (1 << PD6); // aktivieren | 
| 74 | _delay_ms(pause); | 
| 75 | PORTD &= ~(1 << PD6); // deaktivieren | 
| 76 | |
| 77 | PORTD |= (1 << PD7); // aktivieren | 
| 78 | _delay_ms(pause); | 
| 79 | PORTD &= ~(1 << PD7); // deaktivieren | 
| 80 | |
| 81 | PORTD |= (1 << PD6); // aktivieren | 
| 82 | _delay_ms(pause); | 
| 83 | PORTD &= ~(1 << PD6); // deaktivieren | 
| 84 | |
| 85 | PORTD |= (1 << PD5); // aktivieren | 
| 86 | _delay_ms(pause); | 
| 87 | PORTD &= ~(1 << PD5); // deaktivieren | 
| 88 | |
| 89 | PORTD |= (1 << PD4); // aktivieren | 
| 90 | _delay_ms(pause); | 
| 91 | PORTD &= ~(1 << PD4); // deaktivieren | 
| 92 | |
| 93 | PORTD |= (1 << PD3); // aktivieren | 
| 94 | _delay_ms(pause); | 
| 95 | PORTD &= ~(1 << PD3); // deaktivieren | 
| 96 | |
| 97 | PORTD |= (1 << PD2); // aktivieren | 
| 98 | _delay_ms(pause); | 
| 99 | PORTD &= ~(1 << PD2); // deaktivieren | 
| 100 | |
| 101 | PORTD |= (1 << PD1); // aktivieren | 
| 102 | _delay_ms(pause); | 
| 103 | PORTD &= ~(1 << PD1); // deaktivieren | 
| 104 | |
| 105 | } // Ende while | 
| 106 | |
| 107 | return 0; | 
| 108 | |
| 109 | } // Ende main | 
So auf die Schnelle: Alles aus- bzw. einschalten könntest Du natürlich auch einfacher mittels
| 1 | //aus
 | 
| 2 | PORTD = 0x00; | 
| 3 | //ein
 | 
| 4 | PORTD = 0xff; | 
Die Delay-Funktionen erwarten ein Double als Argument (wenn ich mich recht erinnere). Hast Du beim Kompilieren eine Optimierungsstufe eingestellt? In der while-Schleife gehen natürlich die jeweiligen LEDs aus, wenn Du die nächste einschaltest. Wie sind die LEDs verschaltet? Kann man an Deinem Schaltplan oben ja nicht sehen.
Hallo, das Wort Optimierungsstufe glaub ich klingt schon mal sehr gut für mein Problem, ich weiß aber nicht was da eingestellt ist, ich hab alles auf den Einstellungen wie bei der Programm-Installation belassen. Kann man auch ohne Optimierung den Code Hexen? Würd ich nämlich gerne mal testen und sehen was dabei rauskommt. Das was konkret nicht passt, ist folgendes: Ich programmiere:
| 1 | // Alles nacheinander einschalten
 | 
| 2 | PORTD |= (1 << PD1); _delay_ms(zeit); | 
| 3 | PORTD |= (1 << PD2); _delay_ms(zeit); | 
| 4 | PORTD |= (1 << PD3); _delay_ms(zeit); | 
| 5 | PORTD |= (1 << PD4); _delay_ms(zeit); | 
| 6 | PORTD |= (1 << PD5); _delay_ms(zeit); | 
| 7 | PORTD |= (1 << PD6); _delay_ms(zeit); | 
| 8 | PORTD |= (1 << PD7); _delay_ms(zeit); | 
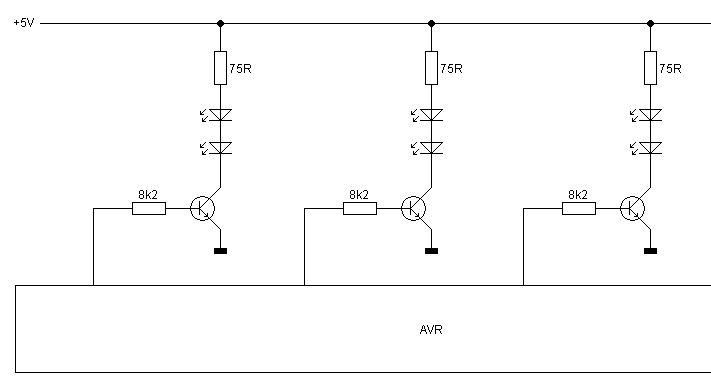
Und der Controller macht das hier mit den 8 LEDs: AUS-EIN-EIN-EIN-EIN-AUS-EIN-EIN Wie gesagt, wenn die while-Schleife durchläuft, funktionieren alle 8 LEDs ohne Probleme. Anbei noch eine Grafik, wie meine LEDs am Controller hängen. Christian
Christian W. schrieb: > Und der Controller macht das hier mit den 8 LEDs: > > AUS-EIN-EIN-EIN-EIN-AUS-EIN-EIN > > Wie gesagt, wenn die while-Schleife durchläuft, funktionieren alle 8 > LEDs ohne Probleme. PD0 programmierst Du ja nicht, insofern ist das erste AUS erklärbar. Das andere ist durch den Code nicht wirklich erklärbar, prüfe daher nochmal die Verschaltung an dem Pin. Die Optimierungsstufe des Compilers schaltet man in den Compiler-Optionen ein (ergibt dann beim Aufruf des gcc -O0, -O1, -O2 oder -O3). Ohne Optimierung kann der Compiler die Delay-Zyklen nicht bestimmen.
Aha, das bei PD0 sieht mir nach Leichtsinnsfehler aus... Sch**ße... Das mit der Optimierung werd ich mal testen. Danke Christian
Hallo zusammen, hab alles im Griff. Die Led Nr. 6 leuchtete deswegen nicht mehr wenn Nr. 7 anging, weil hinten auf der Platine ein Lötfehler war. Von der einen Led war der Plus mit dem Minus der benachbarten Led verbunden. Das erklärt auch, warum Led Nr. 6 zwar alleine leuchtete, aber dann ausging, wenn alle anderen auch leuchteten, am Minuspol war plötzlich Plus-Potential und durch die Led floss kein Strom mehr. Von der Programmierung her klappt jetzt alles einwandfrei. Hab heute den originalen AVR USB Programmieradapter bekommen. Der billige serielle Adapter den ich zu erst verwendet habe ist nicht zu gebrauchen. Da muss man immer per Hand den Reset Pin auf Null ziehen, das ist Sch**ße... Vielen Dank für alle Tipps. War sehr hilfreich. Viele Grüße Christian
Hallo zusammen, Bei seriellem Programmieradapter wird Reset-Pin mit Hilfe einer Transistor zu GND gezogen. d.H. auf dem Traget sollte ein Pull-up Widerstand vorhanden sein. Die grösse sollte im Bereich 3k3..10k liegen. Falls Target ist so konzipiert, dass nach dem Programmieren RESET-Pin als Ausgang verwendet wird - ein serieller Widerstand zwischen ISP-Stecker und Reset-Pin ist ein pflicht. Sonst wird Transistor beim Programmieradapter zerstört (Gleiches passiert, wenn Reset-Pin extern zu VCC Verbunden ist/wird). MfG Konstantin
Bitte melde dich an um einen Beitrag zu schreiben. Anmeldung ist kostenlos und dauert nur eine Minute.
  
  Bestehender Account
  
  
  
  Schon ein Account bei Google/GoogleMail? Keine Anmeldung erforderlich!
Mit Google-Account einloggen
Mit Google-Account einloggen
  Noch kein Account? Hier anmelden.



 Thread beobachten
 Thread beobachten Seitenaufteilung abschalten
 Seitenaufteilung abschalten