Hi, ich baute grade eine Schaltung auf (BC547B mit 0,07mA Basisstrom und 1,9mA Kollektorstrom) und mess eine Verstärkung von 27 statt 300. Woher kommt diese Differenz? Mehr als Ub, eine Led an dem Kollektor und dem Widerstand an der Basis hängt da nicht mehr dran. Im Datenblatt finde ich Verstärkungskurven von 200 bei 100 mA Kollektorstrom. Sind etwa alle 3 BC547 defekt? Oder ist das normal? Danke Dave
Die Verstaerkungskurve ist stromabhaengig. Das Datenblatt des Herstellers sollte dies allerdings enthalten. Eine LED am Kollektor ... eine lineare Last waer auch noch was... Es gibt Standardschaltungen, um die diversen Verstaerkungen zu messen.
Dave_M schrieb: > Oder ist das normal? Normal wäre ein Vorwiderstand noch vor vor der LED. Vielleicht hast Du das Glück, daß die Batteriespannung(?) zusammenbricht.
Ich habe den Transistor gedreht (Kollektor, Emitter vertauscht), er wird dann knülle heiß. Warum? Ub = 4,5v aber das wars. dank dir.
Warum? Weil jetzt ein hoher Strom durch den Transistor fliesst, dieser aber nicht ganz durchschalten kann. Strom mal Spannung ist Leistung, die hier in Form von Wärme erscheint. Die Strombegrenzung findet wohl im Wesentlichen in der Stromversorgung statt. Was dir fehlt, ist der Vorwiderstand in Reihe zur LED.
Dave_M schrieb: > Mehr als Ub, eine Led an dem Kollektor und dem > Widerstand an der Basis hängt da nicht mehr dran. Tja, und das logische Ergebnis einer solchen Murks-Schaltung ist dann ein Wettrennen, ob erst der Transistor oder erst die LED hops geht. > er wird dann knülle heiß. Sie baden soeben Ihre Finger darin.
ach was, das lief die ganze nacht über (mitn netzteil 4,5V 1A) :D Ich ging davon aus, dass der Transistor aufgrund des Basistroms nur ein gewissen strom durch lässt. dann brauche ich ja kein zusätzlichen vorwiderstand? mfg
Ja, dann wird eben der Transistor warm. Urigerweise ist aber die Gleichstromverstärkung eines Transistors von der Temperatur abhängig... :-o
Dave_M schrieb: > Ich ging davon aus, dass der Transistor aufgrund des Basistroms nur ein > gewissen strom durch lässt. dann brauche ich ja kein zusätzlichen > vorwiderstand? Ui, das ist pfusch ... Wenn du wirklich eine Konstantstromquelle willst, dann bau zwischen Emitter und GND einen Widerstand R. Dann schließt du an die Basis (OHNE Basis-Vorwiderstand) eine Spannung an, z.B. 4,5V und berechnest R so: R = (4,5V-0,7V)/0,02A Dann fließt durch den Transistor nur 20mA für die LED ...
also zieht meine Led mit 60mA einfach nur zuviel und das is der Grund der geschichte? Das Problem ist, den R rechnerrisch zu dimensionieren...., sodass ich bei der LED 60mA habe. R = U/I ILed = 60mA U = (Ub - Utransistor - Uled) Da aber die LED und der Transitor nicht Linear sind, wie kann ich den R dimensionieren? mfg
Steuerbert schrieb: > Wenn du wirklich eine Konstantstromquelle willst, dann bau zwischen > Emitter und GND einen Widerstand R. > > Dann schließt du an die Basis (OHNE Basis-Vorwiderstand) eine Spannung > an, z.B. 4,5V und berechnest R so: > > R = (4,5V-0,7V)/0,02A > > Dann fließt durch den Transistor nur 20mA für die LED ... ...dann steuert der Transistor einfach voll durch und ich kann ihn auch weglassen.... -.- Ich wollte den Strom schon mittels Poti regeln.
Dave_M schrieb: > Das Problem ist, den R rechnerrisch zu dimensionieren...., sodass ich > bei der LED 60mA habe. Dann machs empirisch: 1) bau 1k Ohm ein. 2) Strom zu niedrig? 3) bau 820 Ohm ein. 4) Strom zu niedrig? 5) bau 680 Ohm ein. 6) Strom zu niedrig? 7) bau 470 Ohm ein. 8) Strom zu niedrig? 9) bau 330 Ohm ein. 10) Strom zu niedrig? 11) bau 220 Ohm ein. 12) Strom zu niedrig? 13) bau 150 Ohm ein. 14) ..... > U = (Ub - Utransistor - Uled) Dann lass den Transistor mal raus und setze für die LED 2V ein. Für den Strom durch die LED schlage ich derzeit 20mA vor. Mit deinen 4,5V sind das dann 2,5V/20mA = 120 Ohm. EDIT: > Ich wollte den Strom schon mittels Poti regeln. Zeichne einen Schaltplan, wei du es dir vorstellen könntest, gib den Bauteilen Namen und poste den Plan hier. Das ist ja ein übles Gestocher im Sumpf... :-/
Dave_M schrieb: > also zieht meine Led mit 60mA einfach nur zuviel und das is der Grund > der geschichte? Das glaub ich nicht. Transistoren können schon mehr als 60mA bei den paar Volt ab. > Das Problem ist, den R rechnerrisch zu dimensionieren...., sodass ich > bei der LED 60mA habe. > > R = U/I > > ILed = 60mA > > U = (Ub - Utransistor - Uled) Falsch. Du willst 60 mA auf der C-E Strecke haben. Der Transistor hat eine Stromverstärkung hFe (findet sich im Datenblatt) D.h. du brauchst einen Basisstrom von Ice / hFe, damit auf der C-E Strecke die 60mA fliessen können. Basisstrom = 60 / 300 = 0.2 mA Und mit diesem Basistrom dimensionierst du deinen Basiswiderstand. Oder du nimmst einfach 1K. Bei Schalttransistoren ist das nicht so kritisch.
Dave_M schrieb: > so hab ich das jetzt gerade^^ da wird der zu heiß... Ohne Vorwiderstand an der LED: Logo Du betreibst den Transi in der Sättigung: der lässt soviel Strom durch, wie durch will.
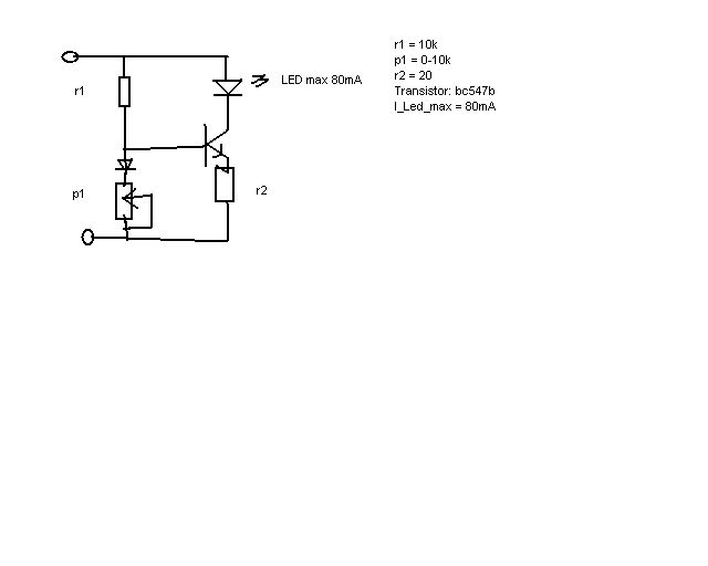
Karl heinz Buchegger schrieb: > Du betreibst den Transi in der Sättigung: der lässt soviel Strom durch, > wie durch will. Durch den begrenzten Basistrom ja eben nicht. -.- Hab mal bissl rumgerechnet und eine Schaltung gemalt. Das Poti gibt die Spannung mit der Diode über Ube an. So habe ich Ic_max bei 80mA genommen. Bei aufgedrehten Poti ist U_be = Ub-0,7/2 (Ub = 4,5V), so soll ich Ube zwischen 0,7 und 2,25V steuern können. Am R2 würden dann 1,55V abfallen. das würden dann maximal 80mA entsprechen wenn ich R2 mit 19 Ohm bemesse. Verbesserungsvorschläge?
Was willst du eigentlich erreichen? Was stört dich an der Vorstellung der LED einfach einen Vorwiderstand zu verpassen?
Das wird nix, da der Arbeitspunkt (den du gerade versuchst einzustellen/zu berechnen) von diversen Parametern (Strom, Temperatur, Exemplarstreuung, ...) abhängig ist. Du brauchst eine "richtige" Konstantstromquelle, die den eingestellten Strom auch wirklich immer möglichst konstant hält. Vielleicht mal beim LM317 gucken. Und natürlich: Konstantstromquelle.
Dave_M schrieb: > oO regelbar? PWM? oder aber natürlich: da du sowieso ein Poti hast, warum nicht das Poti als Vorwiderstand nehmen?
Dave_M schrieb: > oO regelbar? ^^ --- ist das ein Eierkopp? :-) Wenn du den Strom wirklich im aktiven Bereich regeln willst damit, musst du mit der Verlustleistung leben. Dann brauchst du halt einen Transistor, der für die maximal auftretende Verlustleistung auch spezifziziert ist (und der ggf. entsprechend gekühlt werden muss). Aber das ist und bleibt in der Form erstmal Pfusch, weil es völlig instabil wird: die Erwärmung des Transistors senkt die Schwellspannung seiner Basisdiode, sodass mehr Basisstrom fließt, damit allmählich mehr Kollektorstrom, bis das Ganze in einem thermischen Gleichgewicht ist. Das willst du eigentlich nicht, daher auch oben der Verweis auf Konstantstromquelle. Sinnvoller dimmt man eine LED mittels PWM, dann arbeitet der Transistor im Schalterbetrieb, die Verlustleistung muss vom Vorwiderstand aufgefangen werden, die kann dann aber viel geringer ausfallen, da beim Dimmen (im Mittel) weniger Verlustleistung überhaupt entsteht.
schade, aber dann muss ich erst einmal eine ganze pwm bauen...
Dave_M schrieb: > schade, aber dann muss ich erst einmal eine ganze pwm bauen... Oder den verlinkten Artikel durchlesen und einfach zwei Transistoren statt einem nehmen? Oder eben das Poti als Vorwiderstand zu benutzen, wenn das von der Verlustleistung passt.
^^ ich finds halt immer wieder geil, das man theoretisch alles rechnen kann und praktisch alles nich so hinhaut :D
Hallo zusammen, die oben gepostete Schaltung ist ein einfacher Stromkonstanter mit Transistor und 3 Widerständen. Hab sowas in der Art auch schon gebaut, es geht. Sie regelt zwar nicht so präzise wie z.B. ein 317 als Konstantstromschaltung, aber es geht. So lange die Betriebsspannung fest ist, ist alles im Lot. Das Ding ist auch in meinem Vorlesungsskript zur Elektronik drin. Wegen Exemplarstreuung: Der Kollektorstrom wird hauptsächlich durch den Emitterwiderstand bestimmt, dabei spielt die exakte Verstärkung des Transistors nicht mal die Hauptrolle. Und um eine LED mal etwas zu steuern, da muß man nicht gleich mit Kanonen auf Spatzen schießen. Ich selbst baute auf diese Art mal fix in 5 Minuten einen Konstantstrom zum Laden eines kleines Akkus. Ob das Ding nun je nach Temperatur mal 10mA und mal 11mA bringt, ist für viele Zwecke ziemlich wurscht. Hauptsache, es bewegt sich in den Grenzen.
Wilhelm Ferkes schrieb: > die oben gepostete Schaltung ist ein einfacher Stromkonstanter mit > Transistor und 3 Widerständen. Unter zwei Bedingungen: die Diode müsste eine möglichst gute thermische Kopplung zum Transistor haben, und der Basisstrom muss klein im Vergleich zum Querstrom des Basisspannungsteilers sein.
Wilhelm Ferkes schrieb: > Das Ding ist auch in meinem Vorlesungsskript zur > Elektronik drin. Und wo findet man das Vorlesungsskript?
Dave_M schrieb: > ich finds halt immer wieder geil, das man theoretisch alles rechnen kann > und praktisch alles nich so hinhaut :D In der Theorie ist die Praxis der Theorie näher, als in der Praxis. Außerdem rechnet man meist mit einem vreinfachtem Model.
Wilhelm Ferkes schrieb: > Das Ding ist auch in meinem Vorlesungsskript zur > Elektronik drin. Autsch. In deinen Vorlesungen möchte ich aber nicht sitzen.
@Jörg, Steuerbert, Tino Spencer: OK, Leute, ihr habt ja nicht ganz unrecht. Das Ding ist immer noch nur ein Transistor mit 3 Widerständen, und weit von einer Präzisionsregelung entfernt. Die genannte Schaltung setzt ne konstante Betriebsspannung voraus, und hat durch den Transistor immer noch Driften im Prozentbereich. Aber RE zur Stabilisierung und Gegenkopplung ist der richtige Ansatz für einen etwas konstanten Kollektorstrom. Der Querstrom durch den Basisspannungsteiler muß höher sein als der eigentliche Basisstrom, damit die Basisspannung relativ stabil bleibt. Etwa wie beim einstufigen Verstärker mit Emittergegenkopplung. Ist eben nur ne Einfachstschaltung. Ich werd das Ding bei Gelegenheit noch mal in den Simulator werfen...
Bitte melde dich an um einen Beitrag zu schreiben. Anmeldung ist kostenlos und dauert nur eine Minute.
Bestehender Account
Schon ein Account bei Google/GoogleMail? Keine Anmeldung erforderlich!
Mit Google-Account einloggen
Mit Google-Account einloggen
Noch kein Account? Hier anmelden.
