Hallo zusammen. Ich lasse mir über einen d/a- Wandler eine Spannung von 0-5V ausgeben. Nun versuche uch diese mittels eines lm358n auf 0-15V zu verstärken( nur testweise, zumal ich später -5-20V brauche). Ich dachte mir kein Problem, 2 Widerstände an den OP und gut ist, habe ihn an 15V und GND als Versorgung, und ich wäre ja schon glücklich wenn er bis 12 Volt verstärkt hätte, nun aber das Problem. Wären ich die Spannung an dem + Eingang langsam von 0V bis 5V linear hochfahre, kriege ich am Ausgang bis ca 800mV Eingangsspannung ca 0,003 Volt und ab dann 12,7 im Ausgang. Verwende einen ad 420 und habe auch schon das ic (Wandler wie auch OP getauscht) Als Widerstände habe ich 5k und 10k gewählt. Wäre spitze wenn jm Anregungen zur Fehlerbeseitigung hat, da ich echt noch keinen Lösungsansatz habe. Danke schon mal Oesema
Schaltplan kommt, existiert zur Zeit nur auf dem Papier. Die Sache ist, wenn ich auf den Eingang des OP´s 3V von nem Steckernetzteil gebe funktioniert die verstärkung, hab mir dann 12V über nen Spannungsteiler aufgeteilt um die Eingangsspannnung über ein Poti etwas zu variieren und auch das läuft. Nur wenn ich 0V bis 5V von dem DAC Ausgang drann lege nicht mehr. Den Ausgang des DAC hab ich mit nem Oszilloskop und mit nem Multimeter gemessen, das sieht gut aus. Wenn ich den OP als Impedanzwandler schalte geht es auch, nur nicht als Verstärker..
Matthias Oeselke schrieb: > Schaltplan kommt, existiert zur Zeit nur auf dem Papier. Dann scan den doch ein oder mach ein Foto davon.
"2 Widerstände an den OP und gut ist" Tja, der Trick besteht darin, diese Widerstaende an die richtigen OP Beinchen zu legen! Nicht an den nichtinvertierenden sondern den invertierenden Eingang! Und den nichtinvertierenden auf Masse legen geht nicht! Da Du sowieso spaeter eine negative Ausgangsspannung haben willst, solltest Du schon jetzt mal eine +/- Versorgung bereitstellen. Dann wird das Ganze auch was Gruss Michael
Also erstmal nur mit positiver Verstärkung geht es in der Simulation ja auch auf jeden Fall.
Matthias Oeselke schrieb: > Wenn ich > den OP als Impedanzwandler schalte geht es auch Mach doch mal einen Impedanzwandler vor den Verstärker
> Mach doch mal einen Impedanzwandler vor den Verstärker Wozu? Er hat doch gemessen: >>>> Wären ich die Spannung an dem + Eingang langsam von 0V bis 5V >>>> linear hochfahre Da brauchts keinen Impedanzwandler. Der Fehler liegt woanders.
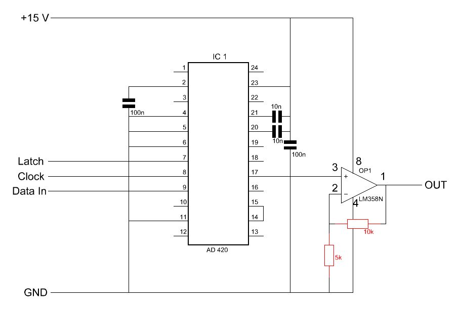
So hier ist der Schaltplan. Hab die Widerstände in Rot eingezeichnet. Nimmt man den gegen Masse raus und brückt den anderen ( also Impedanzwandler), dann funktioniert es, mache ich es aber so wie gezeichnet klappt nix mehr.
Hast du mal Figure7 aus dem Datenblatt probiert, ob er dann macht, was er soll - da ist ja der bipolare Ausgang beschrieben.
Ja hab ich, die Dimensionierung der Widerstände ist da ja auch beschrieben, habe den OP dann für +/- 10 Volt am Ausgang beschaltet. Läuft aber auch nicht, hatte dann am Ausgang entweder annährend 0V oder dann Sprunghaft ca 28V.. Die beiden 10k parallel hab ich nur genommen weil ich keinen 5k mehr hatte.
> So hier ist der Schaltplan.
Sieht richtig aus.
Vermutung: Widerstände falsch abgelesen oder kontaktiert.
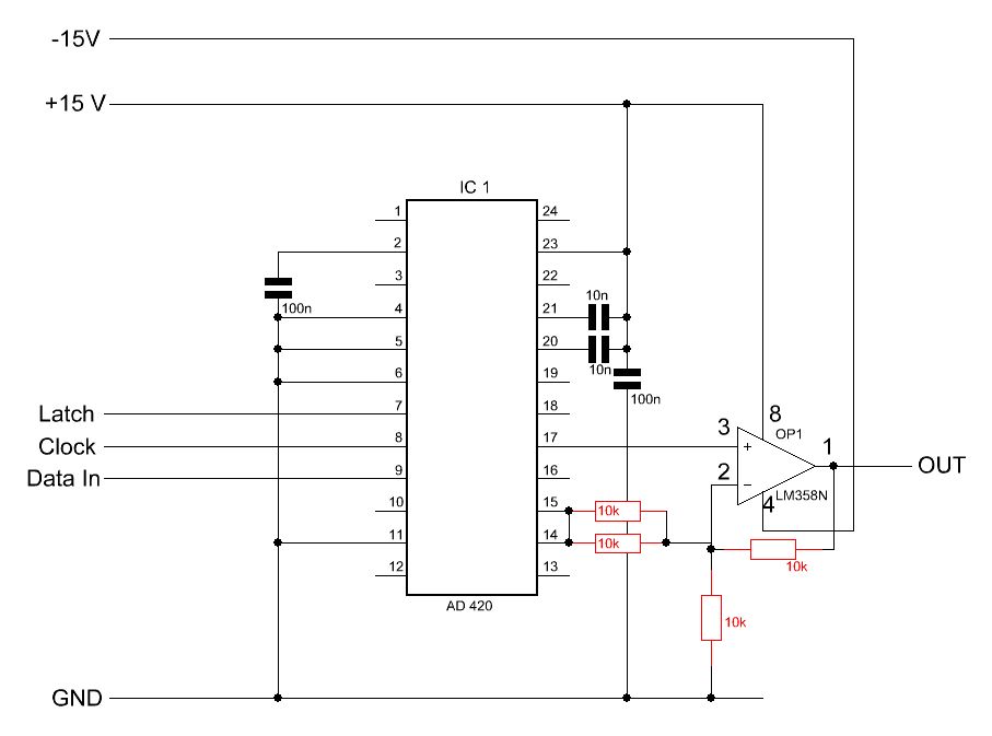
Kaum macht man alles richtig, funktioniert es:-) Hab die OP- Schaltung noch mal seperat aufgebaut und siehe da die Spannung steigt parallel zu meinen 0V-5V vom DAC von - 10 bis + 10 Volt. Ich glaube ich hatte bei der vorherigen Schaltung den ein oder anderen falschen Kontakt was GND und - 15 Volt betrifft. Irgendwann ist die Konzentration vorbei.. oh man ich freu mich:-) Ich danke euch für eure Anregungen und vor allem für euer Interesse!!!! Ach, mal noch was anderes, hat jm ne Idee wie ich die Potentiale so verschieben kann das ich daraus -5V - +15V bekomme? Besser neuen Thread auf machen?
Indem man einen R von exakt 30k gegen +15V schaltet. Da damit aber der 30k quasi parallel zum 5k liegt (verstärkungstechnisch betrachtet), erhöht sich die Verstärkung etwas (was Du ja eigentlich auch willst, weil die Ausgangsspanne ja jetzt 20V überstreicht, also v=4 nötig). Den 5k mußt Du also noch mal neu berechnen, um mit 30k parallel auf zusammen 3,3k zu kommen, weil dann der resultierende 3,3k und der 10k (Rückkopplung) v=4 ergibt für das Eingangssignal
Jens G. schrieb: > weil die Ausgangsspanne ja jetzt 20V überstreicht, also v=4 nötig) Die Spanne zwischen -10V bis +10V, ist doch die gleiche wie zwischen -5V und +15V oder? Meine Verstärkung bleibt ja gleich oder nicht? Nur halt nicht mehr mit GND als bezug sondern +5V. Kann man das so sagen?
ging es nicht erst um die Spanne zw. 0 und 15V? Vielleicht habe ich auch nur den Faden verloren in diesem thread
Ja in meiner ersten Testschaltung. Im Datenblatt des ad 420 ist aber u.a. die Beschaltung für -10V bis+10V beschrieben, die für mich noch besser ist, da ich real -5V bis +15V benötige. Hatte das nur am Anfang nicht mit aufgeführt da ich ja schon mit einer simplen Verstärkung zu kämpfen hatte und das ganze nicht unnötig kompliziert darstellen wollte.
Bitte melde dich an um einen Beitrag zu schreiben. Anmeldung ist kostenlos und dauert nur eine Minute.
Bestehender Account
Schon ein Account bei Google/GoogleMail? Keine Anmeldung erforderlich!
Mit Google-Account einloggen
Mit Google-Account einloggen
Noch kein Account? Hier anmelden.



