Hallo Habe eine OP-Schaltung aus der ich -10V bis +10V bekomme, ich brauche jedoch -5V bis +15V. Kann mir da jm weiterhelfen? Gruß Matthias
hi, sollte gehen, indem du den 10K vom Knotenpunkt aller 10K Widerstände gegen GND durch einen ersetzt, der 3,33 K (besser Poti) hat, ersetzt. Dieser erzeugt den 'Shiftanteil', also deinen Ausgangsnullpunkt. Grüssens, harry
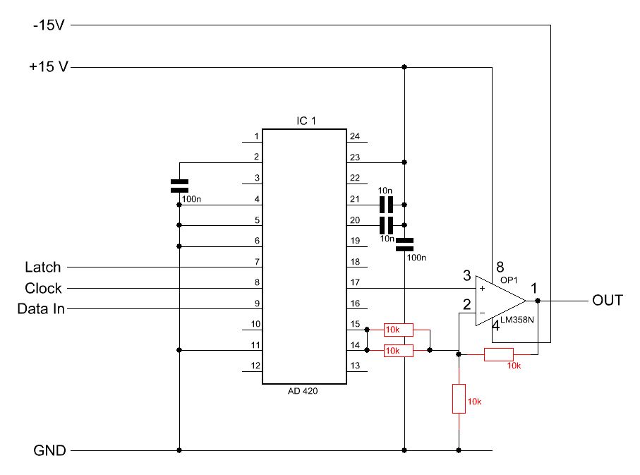
Schließe einen der beiden 10kΩ-Widerstände an Pin 14/15 des AD420 stattdessen an GND an. Gleiches Prinzip wie hier: Beitrag "Re: niedrige Spannungen hochskalieren" Bestimmung der Widerstände: Beitrag "Re: niedrige Spannungen hochskalieren" Die positive Versorgungsspannung musst du auf mindestens +17V anheben, damit der LM358 die +15V am Ausgang schafft.
Yalu X. schrieb: > Die positive Versorgungsspannung musst du auf mindestens +17V anheben Das ist blöd, der lm358 ist nur für +/- 16V ausgelegt..
Matthias O. schrieb: >> Die positive Versorgungsspannung musst du auf mindestens +17V anheben > > Das ist blöd, der lm358 ist nur für +/- 16V ausgelegt.. Da die negative Ausgangsspannung nur -5V sein muss, reichen als negative Versorgungsspannung ebenfalls -5V (oder mit etwas Luft -6V). +17V und -6V ergeben eine Spannungsdifferenz am IC (nur auf diese kommt es an) von 23V, was noch deutlich unter den maximal erlaubten 32V liegt.
Das leuchtet ein, nun aber das nächste Problem, ich habe nur max plus und minus 15 Volt zur Verfügung, -6 V krieg ich hin, nur wie bekomme ich aus 15V, 17 Volt? Muss ich so was mit einem Step up Wandler machen oder gibt es da noch andere möglichkeiten?
hi, im simpelsten Fall mit 'ner kleinen Ladungspumpe, die kannst du mit einem Timer Ic 555 machen. Stepup Wandler geht natürlich auch, der Winzling Mc34063 im So8 Gehäuse macht das spielend, ist halt bissl 'oversized'. Grüssens, harry
Wieviele mA müssen es denn sein? ebentuell geht es mit einer Z-Diode oder LED. siehe Anhang Der Ausgang des OP-Amp geht z.B. nur bis 13,5 V, an R wird fast 15V erreicht.
Harry Up schrieb: > Stepup Wandler geht natürlich auch, der Winzling Mc34063 im So8 Gehäuse > macht das spielend Dem MC34063 könnte ich ja als Vcc auch nur +15V zu GND, bzw +15 zu -15V anbieten, kriegt der das denn dann hin auf 16V oder 17V zu skallieren?
Peter R. schrieb: > Wieviele mA müssen es denn sein? Das weiß ich noch nicht genau, wollte aber auf jeden Fall Vcc etwas höher setzen, damit ich im Falle von Spannungsschwankungen im 15V Bereich nicht direkt Probleme am OPV-Ausgang kriege.
hi, klar, wenn du als Vcc 15V gegen GND anbietest, geht das mühelos. Die Ausregelung ist bis auf ein paar mV genau, auch wenn Vcc um 50% 'wackelt'. Für die Applikation - ich nehme mal an, du möchtest ein Mess-Signal weitergeben - reichen doch einige mA, der 34063 macht aber schon 500mA und mehr. Grüssens, harry
Michael H. schrieb: > Und warum nicht einfach einen Rail2Rail statt dem 385? Weil nicht sichergestellt ist, dass die Versorgungsspannung immer 15V ist, ich aber 15V im Ausgang des OPV´s sicherstellen muss, klar hätte ich mit nem rail to rail noch mehr Sicherheit, keine Frage.
Habt ihr schon mal mit dem MC34063 gearbeitet? Muss ich auf irgendwas besonders achten, oder kann ich mich an die Formeln vom Datenblatt halten und alles wird gut?:-)
Matthias O. schrieb: > Weil nicht sichergestellt ist, dass die Versorgungsspannung immer 15V Achso, das hab ich nicht gelesen, entschuldige. Zu deinem Problem: ich würde eine Ladungspumpe für die Versorgungsspannung bauen. Viel effizienter und einfacher als ein Schaltregleraufbau. Maxim hat Ladungspumpen mit einstellbarer Ausgangsspannung. Perfekt für dich.
hi, ich setze den 34063 bei jeder Gelegenheit ein, ist absolut unkritisch und eben spottbillig und klein. Die Werte im Datenblatt stimmen sehr genau, die Schaltungsvorschläge funtzen immer. Die Werte für die Spule und den frequenzbestimmenden Kondensator müssen auch nicht so bierernst genommen werden, die Spule im Zweifelsfall bissl höher dimensionieren, es tickt aber wirklich alles, was irgendwie nach Induktivität aussieht. Klar sorgt ein berechneter Aufbau für ein gutes und nachvollziehbares Ergebnis, aber gerade bei geringen Spannungen bis ca. 3x Vcc ist der Käfer friedlich. Bei grösseren Leistungen merkt man dann schon rechtzeitig, wann es dem Kerlchen zuviel wird. Faustformmel: wenn du ihn nicht mehr anfassen kannst, weil die Pfoten brennen wollen, ist der Kleine noch munter am Schaffen, seine Grenze kommt wesentlich später als deine fühlbare. Grüssens, harry P.S. ich hab nix mit dem Hersteller am Hut, weder verschwägert noch verwandt, der Baustein ist einfach Klasse, weil simpel, that's all
Michael H. schrieb: > Viel effizienter und einfacher als ein > Schaltregleraufbau Werde ich mal das Netz durchstöbern, habe noch nie mit na Ladungspumpe zu tun gehabt. Bin für jede Anregung Dankbar. Grüße Matthias
Nein, zu geringe Durchbruchspannung. Datenblatt aufmerksam lesen, da stehen detaillierte Hinweise zur Bauteilauswahl.
hi, falls du mit dem mc den mc34063 meinst, klar, was sollte denn dagegen sprechen. Grüssens, harry
Michael H. schrieb: > Nein, zu geringe Durchbruchspannung. > Datenblatt aufmerksam lesen, da stehen detaillierte Hinweise zur > Bauteilauswahl. Blödsinn... da hatte ich einen andren Thread im Kopf, in dem es um 45V ging. Bitte entschuldige. Ja, die Diode passt.
Hi, die Schaltung funktionierte nicht, und mein erster Verdacht galt der Diode, welches sich aber schnell als falsch rausstellte. Hatte den elko am ausagang verpolt, nun ist alles gut. Danke noch mal an alle!!!
Bitte melde dich an um einen Beitrag zu schreiben. Anmeldung ist kostenlos und dauert nur eine Minute.
Bestehender Account
Schon ein Account bei Google/GoogleMail? Keine Anmeldung erforderlich!
Mit Google-Account einloggen
Mit Google-Account einloggen
Noch kein Account? Hier anmelden.

