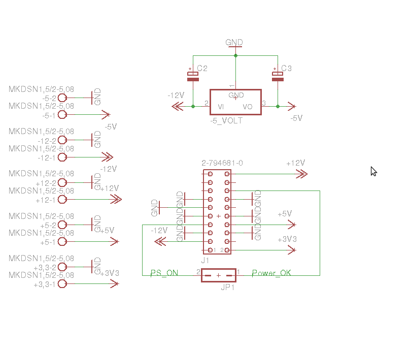
Hi! Ich möchte mir ein Netzteil oder besser gesagt aus einem Alten PC_Netzteil die 3.3V,5V,12V,-12V separat legen,evtl auch einen LM317 zum einstellen. Ich habe schon mal einen Schaltplan gezeichnet. Wäre der ok so oder gibt es noch etwas zu verändern ??? Setzt man auch bei einer Negativen Spannung die Kondensatoren für einen L7905 so wie beim Positiven ? cya The_ride Peter
Peter Hartmann schrieb: > Setzt man auch bei einer Negativen Spannung die Kondensatoren für einen > L7905 so wie beim Positiven ? Es gibt doch extra ne -5V Schiene, warum extra ein Regler dafür ?
Hi! Was ist eine Grundlast höre ich zum ersten mal ??? bei meinem Netzteil ist das -5V Kabel nicht vorhanden komischerweise Danke Cya The_ride
Ok, man braucht um ein ATX-Netzteil ohne PC zu betreiben, eine minimale Belastung der 5V-Schiene, damit es nicht gleich wieder ausgeht. -> Grundlast.
Hi! Jetzt lese ich gerade das man Power_on (Grün) Mit Masse verbinden soll mir hatte mal einer gesagt das es mit Grau verbunden werden muß. Was stimmt den jetzt?? das NT läuft bei beiden varianten an ?? Cya The_ride Peter
Es geht nicht um die richtige Farbe, sondern um den richtigen Pin am Stecker. Informiere Dich, bevor der Versicherungsvertreter den Brandschaden aufnehmen muss.
Hi! Ich habe den Schaltplan nach diesen Infos (Stecker verglichen) erstellt und der Stecker ist identisch mit der Belegung von Wiki Deshalb frage ich ja hier damit nichts passiert. Das soll eh nur für Mikrocontroller sein wenn ich am basteln bin und die Fertigen Sachen bekommen dann eine eigene Stromversorgung... PS: bei dem Schei* Wetter brennt nichts Regnet zu viel ;) cya The_ride Peter
Peter Hartmann schrieb: > Das soll eh nur für Mikrocontroller sein wenn ich am basteln bin > und die Fertigen Sachen bekommen dann eine eigene Stromversorgung... Bau Dir ein kleines Netzteil dafür. Ist wirklich besser. Trafo, Gleichrichter, Ladeelko und LM200 (s. Datenblatt). Da hast Du eine Strombegrenzung, die bei Verdrahtungsfehlern Siliziumleben retten kann, und die nicht erst wie beim Computernetzteil bei 30A greift (wenn überhaupt).
Hi! Ich habe mich jetzt doch entschieden mein Netzteil mit einem Trafo aus einem alten Radio zu bauen. Wäre einer bitte so nett und schaut mal über den Schaltplan ob sich da irgendwo Fehler eingeschlichen haben ? Danke im voraus The_Ride Peter
Peter Hartmann schrieb: > Hi! > > Ich habe mich jetzt doch entschieden mein Netzteil mit einem Trafo > aus einem alten Radio zu bauen. Was liefert der Trafo denn so? > Wäre einer bitte so nett und schaut mal über den Schaltplan > ob sich da irgendwo Fehler eingeschlichen haben ? Was hast du dir denn für die Siebkondensatoren so vorgestellt?
Hi! Der Trafo hat 17,8 V - 18,0 V Wechselstrom. für die Siebkondensatoren wollte ich so 1000µ nehmen. cya The_ride Peter
Peter Hartmann schrieb: > Hi! > > Der Trafo hat 17,8 V - 18,0 V Wechselstrom. Vergiss den Trafo. Du baust da in erster Linie eine Heizung und kein Netzteil. Deine 7805 und was da sonst noch so keucht und fleucht werden bei der geringesten Belastung in 5 Sekunden brennheiß, ehe sie den magischen Rauch rauslassen. Kauf dir einen kleinen 8 oder 9V Trafo. Zum basteln reicht das Dicke. Am besten so ein kleines Steckernetzteil, wie sie heutzutage fast alle Geräte haben. Vielleicht hast du ja auch noch eines von einem ausgemustertem Gerät rumliegen.
>Der Trafo hat 17,8 V - 18,0 V Wechselstrom.
Das ist Wechselspannung, nicht Strom. Und was macht der so an Strom?
Hi! werden denn nicht durch die Dioden die 18V auf ca 9V begrenzt weil eine Amplitude fehlt oder so ???? ich muß es ja Gleichrichten und auf der Seite http://www.elektronik-kompendium.de/sites/slt/0201071.htm ist es ja beschrieben oder habe ich da einen Denk Fehler ??? bei einem anderen Trafo habe ich eine Zweipuls-Brücken-Gleichrichterschaltung gelötet und der macht aus 17,6V 8,25V dann habe ich da Wiederstände für die LED berechnet und das Funzt ... Oder ist es bei einer Einpuls-Mittelpunktschaltung anders ?? cya The_Ride Peter
Was Du hast, ist eine Einweg(nicht Einpuls)Gleichrichtung. Das zweimal für + und - . Und eine Einweggleichrichtung macht am Ladeelko ungefähr das 1,4-fache der Trafoeffektivspannung - also rund +25V und -25V. >bei einem anderen Trafo habe ich eine >Zweipuls-Brücken-Gleichrichterschaltung >gelötet und der macht aus 17,6V 8,25V dann habe ich da Wiederstände für >die LED berechnet und das Funzt ... Das glaub ich nicht, wenn das eine Standardschaltung sein soll.
Hi! Jens G. schrieb: >>Der Trafo hat 17,8 V - 18,0 V Wechselstrom. > Das ist Wechselspannung, nicht Strom. Und was macht der so an Strom? Oha dasweis ich gerade nicht so genau :( auf dem Trafo steht es nicht drauf und das Radiogehäuse habe ich nicht mehr " Was Du hast, ist eine Einweg(nicht Einpuls)Gleichrichtung. Das zweimal für + und - . Und eine Einweggleichrichtung macht am Ladeelko ungefähr das 1,4-fache der Trafoeffektivspannung - also rund +25V und -25V. " Wow ich dachte das halbiert sich na dann bruzeln die mir bestimmt weg wenn ich es so machen würde. cya The_ride Peter
Hi! Ich habe mal Fotos gemacht von den Werten der Trafos meiner Lampe cya The_ride Peter
und was soll das beweisen? Man braucht schon einen Schaltplan, um zusehen, was da wirklich zusammengebastelt wurde, und wo Du die Meßspitzen dran hast
Hi! Hier der Schaltplan Kondensator 1000µ Wiederstand 1Kohm Dioden 1N4001 Meßspitzen auch an PAD2 und PAD3 für Wechselspannung cya The_ride Peter
Und an Pad 4+5 Gleichspannunsgmessung? Dann ist C1 kaputt. Was zeigt es an, wenn Du an 4+5 eine Wechselspannungmessung machst?
Hi! Dann zeigt er 17V an aber das sollte ja nicht sein oder ?? Mist ich sehe gerade da ist eine Beule auf dem Kondensator also ist er im Kondensatorhimmel :( werde ihn mal wechseln cya The_ride Peter
Jens G. schrieb: > Und an Pad 4+5 Gleichspannunsgmessung? Dann ist C1 kaputt. Was zeigt es > an, wenn Du an 4+5 eine Wechselspannungmessung machst? Warum sollte C1 dann kaputt sein? Schaut doch alles soweit OK aus.
ganz einfach - weil bei 17V~ nach Gleichrichtung keine nur 8V rauskommen können, sondern 25V (im Leerlauf ungefähr). Die gemessenen 8V= deuten auf den Mittelwert einer gleichgerichteten 17V-Sinusspannung, was das Voltmeter als Gleichspannung zeigt. Und daß er im Wechselspannungsmodus 17V mist, wo eigentlich 0V sein sollten, bestätigt ja wohl, daß dort keine pure Gleichspannung ist - also offensichtlich auch kein C (effektiv gesehen).
Jens G. schrieb: > weil bei 17V~ nach Gleichrichtung keine nur 8V rauskommen Der Trafo macht 17V AC aber sein Bezugspotential DC ist die Mittelanzapfung des Trafos (Pin 3/5, so stehts im Schaltplan), damit hat er da nur noch 8.5V AC, also passt sein Wert. Hab die Schaltung zur Sicherheit, damit ich mich da nicht irre, durch Spice gejagt. Bild im Anhang, Trafo durch Sinusquellen (mit allerdings 18V AC seh ich grad) ersetzt.
er hat geschrieben, daß er zw. Pad 2+3 gemessen hätte. Das kann also nur Mittelanzapfung und einer der anderen Anschlüsse sein, wenn es sinnvoll verschaltet ist. Also über alles 34V. Ist aber auch egal, weil er eben an Pad 2+3 17V hat - da isses mir egal, woher diese Spannung kommt, und ob der Trafo noch weitere Anzapfungen hat ... Deine Simulation ist nicht das, was der TO macht (dafür braucht man auch keine Simulation)
Michael schrieb: > Jens G. schrieb: >> weil bei 17V~ nach Gleichrichtung keine nur 8V rauskommen > > Der Trafo macht 17V AC aber sein Bezugspotential DC ist die > Mittelanzapfung des Trafos (Pin 3/5, so stehts im Schaltplan), Nö. > damit hat > er da nur noch 8.5V AC, also passt sein Wert. Nö. > Hab die Schaltung zur > Sicherheit, damit ich mich da nicht irre, durch Spice gejagt. Bild im > Anhang, Trafo durch Sinusquellen (mit allerdings 18V AC seh ich grad) > ersetzt. Unnötige Simulation.
Jens G. schrieb: > hat geschrieben, daß er zw. Pad 2+3 gemessen hätte Stimmt, hab ich nicht gelesen/gesehen gehabt. Dann haste recht, dann ist was faul. In Anbetracht aber, dass er oben schrieb, dass er einen 18V Trafo hat und unter Annahme, dass er die obige Schaltung verwendet hat vermute ich stark, dass er die Wechselspannung nicht zwischen Pad 2 und 3 gemessen hat sondern zwischen Pad 1&2 (vielleicht direkt am Trafo gemessen, however). Dann macht seine gemessene Gleichspannung auch Sinn. Klärung kann nur Peter bringen.
Hi! Das NT ist fertig :) Ich habe mal drauf geachtet ob da was warm wird, weder Elkos, Kerkos, oder sonst was wird warm :) Also scheint ja alles ok zu sein :) aktueller Schaltplan im Anhang cya The_ride
Bitte melde dich an um einen Beitrag zu schreiben. Anmeldung ist kostenlos und dauert nur eine Minute.
Bestehender Account
Schon ein Account bei Google/GoogleMail? Keine Anmeldung erforderlich!
Mit Google-Account einloggen
Mit Google-Account einloggen
Noch kein Account? Hier anmelden.







