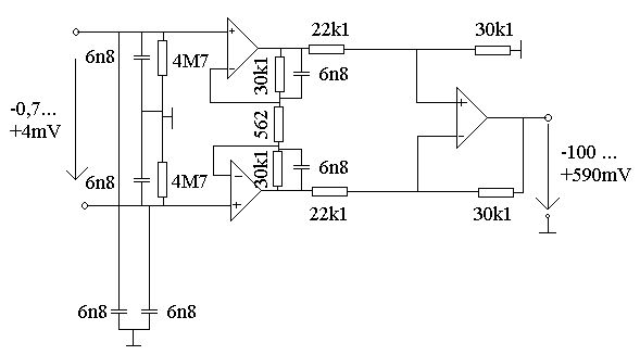
Hi! Ich habe hier eine Schaltung mit einem Instrumentenverstärker, der das Signal eines Infrarotsensors verstärken soll. Am Eingang und den Rückkopplungszweigen der Eingangs-OVs sind Kondensatoren mit ziemlich kleiner Kapazität angebracht. Ich vermute mal, dass diese fochfrequente Störsignale kurzschließen sollen. Aber angenommen, ich würde selbst so eine Schaltung entwerfen wollen, wie berechne ich die? Oder nehme ich einfach irgendwelche im einstelligen Nanofarad-Bereich? Und wofür sind die Megaohm-Widerstände und die Kondensatoren gegen Masse? Der Sensor ist ein aktiver, produziert also seine eigene Spannung, so dass er mit einem Massepotential eigentlich nichts mehr zu tun haben sollte.
>Am Eingang und den Rückkopplungszweigen der Eingangs-OVs sind >Kondensatoren mit ziemlich kleiner Kapazität angebracht. Die sind ungewöhnlich groß! >Aber angenommen, ich würde selbst so eine Schaltung entwerfen wollen, >wie berechne ich die? Oder nehme ich einfach irgendwelche im >einstelligen Nanofarad-Bereich? Die bilden einen Tiefpaß mit der Grenzfrequenz von rund 1/2/pi/R/C, in deinem Fall also rund 780Hz. Das Problem dieser Kondensatoren dort ist, daß jegliche Abweichung zwischen den "Zwillingen" die Gleichtaktunterdrückung zerstört. Deswegen filtert man dort lieber weniger und verschiebt das auf hinter dem Instrumentationsverstärker. Außerdem dürfen hier nur absolut langzeitstabile und engtolerierte Kondensatoren zum Einsatz kommen, also Styroflex-Kondensatoren beispielsweise. >Und wofür sind die Megaohm-Widerstände und die Kondensatoren gegen >Masse? Aus den Eingängen des Instrumentationsverstärkers fließen immer Ströme. Denen mußt du einen Pfad nach Masse zur Verfügung stellen, sonst driftet die Spannung dort weg, bis sich der OPamp dann irgend wann verabschiedet. Kai Klaas
So wichtig ist es nicht das die beiden Kondensatoren in der Rückkopplung der OPs gleich sind. Abweichungen haben da prakitsch keinen Einfluß auf die Gleichtaktunterdrückung. Die Kondensatoren am Eingang gegen Masse können dagegen die Gleichtaktunterdrückung verschlechtern, hier um Zusammenspiel mit dem Widerstand der Signalquelle. Ganz ohne Filter vor den OPs wird aber auch ein Problem sein, wenn z.B: ein Handy in der Nähe ist. Deshalb lieber vor den OPs eine deutlich höhere Grenzfrequenz wählen, als in den Stufen danach. Da ist es vor allem wichtig die Frequenzen rauszufiltern die die OPs nicht mehr richtig verarbeiten können.
>So wichtig ist es nicht das die beiden Kondensatoren in der Rückkopplung >der OPs gleich sind. Abweichungen haben da prakitsch keinen Einfluß auf >die Gleichtaktunterdrückung. Im Anhang habe ich die Gleichtaktunterdrückung mal simuliert. Es kommen einmal 0%-ige Caps zum Einsatz, dann welche, die um +/-10% abweichen. Die ersten zwei Bildchen zeigen das Verhalten für 1kHz, die letzten beiden für 15kHz. Im ersten Bild (1kHz) beträgt die CMRR 1V/2µV=500000, also 114dB. Im zweiten Bild mit den abweichenden Caps nur noch 75dB, also eine Verschlechterung um rund 40dB. Im dritten Bild (15kHz) beträgt die CMRR noch 110dB. Im vierten Bild mit den abweichenden Caps nur noch rund 71dB, also ebenfalls eine Verschlechterung um rund 40dB. Kai Klaas
Die Unterschiede scheinen wohl schon von der Genauigkeit der Simulation abzuhängen. Bei der Simulation mit LT-CAD bekomme eine ganz anderes verhalten: Mit dem LT1057 als OP, kreige ich ein CMRR von etwa 94 dB. Wenn ich da die Kondensatoren verändere, tut sich was im Bereich von +-0.1 dB , jenachdem welchen Kondesator man um 10% vergrößert. Wenn man für die Widerstände am hinteren OP noch etwas Tolleranzen zuläßt, reduziert sich das CMRR auf z.B. 60dB und Änderungen am Kondensator fallen noch weniger auf: selbst ein Faktor 10 tut da fast nichts.
Ich habe die Ursache gefunden, wieso die beiden Simulationen so verschiedene Ergebnisse liefern: der OPA627 hat realtiv viel Eingangskapazität, und beim LT1057 hat LT die Einagngskapazität wohl auch noch etwas zu klein angesetzt bzw. nur den Gegentaktanteil berücksichtigt. Wenn man da bei der Eingangs-Kapazität am inv. Eingang eine Unsymmetrie drin hat, z.B. durchs Layout, hat das eine deutlichen Effekt aufs CMRR, und das auch ohne die Kondensatoren zur Bandbreitenbegrenzung. Durch die Kondensatoren wird es sogar eher besser.
>Die Unterschiede scheinen wohl schon von der Genauigkeit der Simulation >abzuhängen. Hhm, ich habe das Gleiche mit einem TL071 simuliert. Dort haben unterschiedliche Kapazitäten einen erheblich geringeren Einfluß! Und dabei habe ich für die Simulation extra die Spice Macros von TI verwendet... Sollte ausgerechnet der OPA627 auf Störungen der Symmetrie durch ungleiche Kapazitäten stärker reagieren als ein Low Cost TL071?? Vom AD795 ist bekannt, daß er empfindlich auf ungleichmäßige Quellimpedanzen an seinen beiden Eingängen reagiert. Sollte beim OPA627, der ja auch ein hochgezüchteter FET-OPamp ist, etwas Ähnliches passieren, hier hinsichtlich der CMRR, verursacht durch kapazitive Lasten an den Eingängen? >Ich habe die Ursache gefunden, wieso die beiden Simulationen so >verschiedene Ergebnisse liefern: der OPA627 hat realtiv viel >Eingangskapazität, und beim LT1057 hat LT die Einagngskapazität wohl >auch noch etwas zu klein angesetzt bzw. nur den Gegentaktanteil >berücksichtigt. Die ungleichen Kapazitäten in der Gegenkopplung scheinen die Symmetrie der Eingangsstufen der OPamps zu stören und damit deren individuelle CMRR. Wenn ich nämlich 1,52pF vom invertierenden Eingang nach Masse hänge, und zwar dort, wo der größere Cap hängt, kann ich bei der Schaltung mit den OPA627 die CMRR von auf 71dB auf 94dB in der Simulation erhöhen! Bei einer Schaltung mit TL071 geht das garnicht. Hier verschlechtert jede zusätzliche Kapazität die CMRR erheblich. Wenn die Modelle also stimmen, reagieren der OPA627 und der TL071 unterschiedlich auf ungleiche Kapazitäten in der Gegenkopplung. Beim TL071 passiert garnichts, ähnlich den Ergebnissen deiner Sinulation, und beim OPA627 verschlechtert sich die CMRR drastisch. Beim OPA627 könnte es sich also doch lohnen, die beiden Kapazitäten möglichst gleich groß zu wählen. Kai Klaas
Tolleranzen? Tolle Ranzen = Gute Schulrucksäcke oder schöne Bierbäuche Tolles Ranzen = Edelschimmel bei Weichkäse Toleranzen = stat. Abweichungen um idealen Sollwert mfg mf
>Ihr Simulanten, Versuch macht Klug.
Es entspricht meiner Erfahrung, daß ungleiche Caps sich nachteilig auf 
die CMRR auswirken können. Ist es schlimm, wenn man verstehen will, 
warum das so ist?
Kai Klaas
  Bei einem Idealen OP, hat die Unsymmetrie praktisch keinen Einfluß. Dem kommen der TL071 und meine Simulation mit dem LT1057 schon relativ nahe. Wenn der OP aber einen merklichen Eingangstrom braucht, sei es durch die Einagngkapazität oder bei einem Bipolaren OP auch durch den Eingangswiderstand ändert sich das. Durch die Eingangskapazität verstärt die erste Stufe nicht nur das Gegentaktsignal, sondern auch ein bischen das Gleichtaktsignal. Wieviel hängt von den Kondensatoren in der Rückkopplung ab. Wie schon oben beschrieben hat der OPA627 mit etwa 8 pF eine relativ hohe Eingangskapazität. Der LT1057 hat z.B. nur etwa die Hälfte. Der andere Unterschied liegt darin, dass der OPA627 selber eine sehr gute CMRR hat. Man bekommt also zumindest in der Simulation im Idealfall sehr Werte (oben rund 110 dB) - da merkt man dann auch kleine Verschlechterungen. Wenn man als Ausgangswert nur 70 dB hat, merkt man kleine Störungen nicht mehr so stark. Auch der AD795 hat selber eine sehr gute CMRR, so daß man kleine Störungen auch merkt.
Ulrich, ich stimme 100%-ig mit deiner Einschätzung überein. Kai Klaas
Bitte melde dich an um einen Beitrag zu schreiben. Anmeldung ist kostenlos und dauert nur eine Minute.
  
  Bestehender Account
  
  
  
  Schon ein Account bei Google/GoogleMail? Keine Anmeldung erforderlich!
Mit Google-Account einloggen
Mit Google-Account einloggen
  Noch kein Account? Hier anmelden.





 Thread beobachten
 Thread beobachten Seitenaufteilung abschalten
 Seitenaufteilung abschalten