hallo, ich möchte mit dem 4013 ein schieberegister machen. es soll 4 kanal (bit) haben und mit jedem takt ein bit weiter rutschen. wenn es am ende ist dann wieder von vorne anfangen also wie ein lauflicht desen takt ich bestimme. dazu soll es aber auch einzeln angesteuert werden das heist wenn ich ein flipflop direkt ansteuere soll es auf diese flipflop springen und dann quasi bei jedem weidern takt von dort weiter laufen. danke
Vergiss den 4013, nimm einen Mikrocontroller. 10mal einfacher und flexibler. MFG Falk
Wenn es halt Hardware sein soll... Dieselbe Aufgabe könnte man für ein GAL stellen, das 4013 enthält zwei D-Flipflops, also sind zwei nötig, dazu die UND/ODER-Logik davor, vier Taster oder andere Eingabemöglichkeiten und der Schiebetaktgenerator. Jetzt kann man für jeden D-Eingang die Logikgleichungen festlegen, als Eingangsvariable die vier Ausgänge und die vier Eingänge, also 8 Bit. Jetzt muß man noch die Gleichungen minimieren ( Quine-McCluskey) und passende Gatter auswählen. http://de.wikipedia.org/wiki/Quine-McCluskey-Verfahren
> desen takt ich bestimme. Labersülz. Eine Taste die zu jedem Takt zu drücken ist, ein Poti mit dem man eine Geschwindigkeit eines automatischen Takts einstellt, das Bassignal eines Subwoofers bum bum bum ? > ich ein flipflop direkt ansteuere Wischwaschi. Mit dem Hammer draufhauen, mit einem Laserpointer hinzielen, auf eine Taste drücken, oder per USB(Parallelport) von einem PC aus vorgeben ? Früher hat man so was mit JK-FlipFlops gemacht, leider braucht deine Anwendung je 3 JK Eingänge. Das hätte grüher niemanden gestört, aber heute bekommen die Kinder ja kalte Füsse wenn sie mehr als 2 Chips verdrahten müssen. Programmierbar gäbe es neben dem Microcoontroller auch ein GAL, welches den Job leisten kann. Zumindest je nach dem wie du dein Wischiwaschi und Laberkram nun auflöst.
Wenn ich dich richtig verstanden habe, meinst Du ein Lauflicht mit 4 Kanälen. Das könnte folgendermaßen aussehen: Aus dem 4013 baust Du einen 2-Bit Binärzähler, die 4 möglichen Bitkombinationen werden mit 4 (N)AND-Gattern dekodiert. mfG ingo
???? wasn das alles?? kann mir keiner sagen wie ich mit den flipflops im 4013 ein schieberegister aufbauen kann mit den anforderungen wie ich sie brauche??? das kann kann doch für jemanden der ahnung hat nicht die welt sein?? ich dachte mir mit 2 IC`s so ne weiterschaltung bauen und den flipflop einzeln ansteuern?!?! den 4013 deswegen weil ich von dem huderte habe und ich da ne klein serie bauen muss. also wie kann ich das am einfachsten realisieren und wenn nicht mit dem 4013 mit was dann?? am besten ein schaltbild
es dürfen natürlich auch 2 von dem 4013 verbaut werden das ist nicht das problem
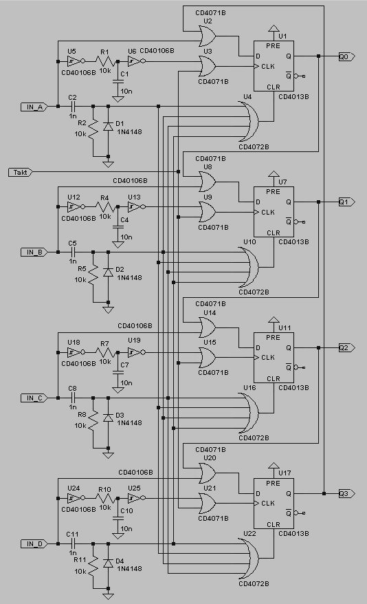
Bitteschön, dann ein rückgekoppeltes Schieberegister mit 4 Stellen, mit der Resetschaltung wird beim Einschalten das Bitmuster 1000 eingeschrieben. mfG ingo
schau im mir morgen mal an und probiere es aus.... danke erstmal ich melde mich dann abends...
Ne passt ned :-(((( So ich glaube ich habe mich da falsch ausgedrückt, ich brauche kein schieberegister sondern so ne art laufschaltung. Ich erkläre es nochmals, wenn z.b. am eingang (signal) ein signal anliegt soll die schaltung auf den gleichen ausgang UMSCHALTEN. Beispiel, signal auf c und ausgang c ist auf high, danach signal auf b und am ausgang b ist ein high…. Usw….. wenn aber am takteingang ein signal kommt dann soll die schaltung die ja in unserem beispiel jetzt auf b steht weiter auf c springen und bei einem weiteren signal dann auf d. wenn aber wieder ein signal z.b. auf c kommt dann auf c springen. Kurz gesagt quasi ein 4 fach umschalter der aber auch bei takteingang wie ein lauflicht weiter springt. Ich hoffe ist so verstanden worden…. Bitte eine lößung mit plan… ,es muss nicht unbedingt mit dem 4013 sein.... DANKE
@ tamtamtam (Gast) >Kurz gesagt quasi ein 4 fach umschalter der aber auch bei takteingang >wie ein lauflicht weiter springt. >Ich hoffe ist so verstanden worden…. Ja. >Bitte eine lößung mit plan… ,es muss nicht unbedingt mit dem 4013 >sein.... Hausaufgaben? Tststs. "Nur selber denken macht geistig fett." (tm)
Die Frage ist doch: Soll ein Signal auf B alle anderen Ausgänge zurücksetzen, oder nicht? Soll also immer nur ein Ausgnag aktiv sein, oder nicht? Außerdem: Soll der Ausgang von B erst das Signal am Eingang von B übernehmen, wenn der Takteingang aktiviert wird (synchron) oder sofort, sobald an B ein Signal anliegt (asynchron)? Kai Klaas
immer nur ein signal, also wenn z.b. an be ein signal angelegt wird dann soll auch sofort das signal an b anliegen und nur an b. wenn das siganal dann an d angelegt wird dann b aus und nur an d. mit dem takteingang soll das signal bei bedarf wandern wie ein lauflicht
> irgendwie so (^_^)
Sehr edel.
Ich höre unseren tamtamtam schon jammern,
weil das angeblich so viele Bauteile wären....
Die Jugend heute besteht nur noch aus
konsumierenden Weicheiern, die ohne die
Kenntnis der Chinesen in Arbeit und Produktion
nicht mehr überlebensfähig sind.
@ Leonardo W. (krangel) > 4013_schiebe.gif >irgendwie so (^_^) jaja. Einen Hochpass in einer Digitalschaltung. Ihgitt! Eher so. Siehe Anhang. MfG Falk P S jaja, die Superoptimierer würden IC3 gegen 4 Dioden tauschen. ;-)
Hi, das Setzten kann nicht funktionieren: I0 wird high, IC1a wird gesetzt, das Signal läuft durch IC3a und IC3c wird dadurch verzögert und gelangt zum Reset und IC1a wird wieder zurückgesetzt. Der der das letzte Wort hat gewinnt und das ist der Reset! Grüße Leo
>Eher so.
Hhm, wenn I1 zurückgenommen wird und der Pegel am SET-Eingang auf Low
geht, bleibt der RESET-Pegel noch etwas länger auf high und setzt IC1B
sofort wieder zurück.
Kai Klaas
> Sehr edel. > Ich höre unseren tamtamtam schon jammern, > weil das angeblich so viele Bauteile wären.... > > Die Jugend heute besteht nur noch aus > konsumierenden Weicheiern, die ohne die > Kenntnis der Chinesen in Arbeit und Produktion > nicht mehr überlebensfähig sind. schätzchen ich sicher bin doppelt so alt wie du also ned blöde daher reden :-** bauteile sind relativ egal es soll halt funktionieren. danke für die hilfe ich probiers aus und melde mich dann wieder. ihr habt euch ja wirklich mühe gegeben :-)))
>bauteile sind relativ egal es soll halt funktionieren. danke für die >hilfe ich probiers aus und melde mich dann wieder. Also, ich sehe nicht, warum meine Schaltung nicht genau das machen sollte, was du brauchst. Falls die Schaltspikes zum Problem werden, kannst du die Dioden ja durch Oder-Gatter mit drei Eingängen ersetzen. Kai Klaas
Hi, Spikes sind nicht das Problem,sondern die Gatterlaufzeiten. Zuerst bekommt der Preset high, dann sind Preset und Reset gleichzeitig high und zum Schluss nur noch Reset. Nach beenden des Eingangsignals plus der Gatterverzögerung wird der geresettet. Grüße Leo
Leonardo, warum setzt du denn auch das Flip-Flop zurück, das du eigentlich setzen willst?? Kai Klaas
hallo kai, deine schaltung geht bis auf die taktung?!? beim anlegen der betriebsspannung wird das erste flip flop gesetzt. wenn ich aber dann takte geht ein flipflop nacheinander an und bleibt auch an?!? ich brauche es aber das nur eine LED läuft und am ende wieder von vorne anfängt. was ist falsch?? den kondensator (rot) hast du deswegen rein das die schaltung bei anlegen der betriebsspannung resetet und das erste flipflop gesetzt wird?? frage nur weil ich es auch verstehen möchte. was ist bei der laufschaltun (taktung) falsch??
einen 4017 nehmen, Ausgang 4 an Reset, wie auch ein RC-Glied fürs Einschalten, ferig.
Nimm einen 8Beiner Pic kannst dann auch ein Mikro anschließen. Um keinen zu verärgern ,auch AVR ist es wert. ..ich bin ein Alter Elektronikschrott Verwerter, aber 4013 niemals. Gruß
>hallo kai, deine schaltung geht bis auf die taktung?!? beim anlegen der >betriebsspannung wird das erste flip flop gesetzt. wenn ich aber dann >takte geht ein flipflop nacheinander an und bleibt auch an?!? ich >brauche es aber das nur eine LED läuft und am ende wieder von vorne >anfängt. was ist falsch?? Vielleicht ist der Cap am SET-Eingang zu groß und bleibt beim Takten die ganze Zeit auf high? Laß ihn mal weg. Geht's dann? >den kondensator (rot) hast du deswegen rein das die schaltung bei >anlegen der betriebsspannung resetet und das erste flipflop gesetzt >wird?? frage nur weil ich es auch verstehen möchte. Genau. Kai Klaas
???? aber ich brauche kein lauflich sondern in erster linie einen 4 fach umschalter!!!
>aber ich brauche kein lauflich sondern in erster linie einen 4 fach >umschalter!!! Daß die eine LED bei jedem Takt immer eine Stufe weiterspringt, nennt man "Lauflicht". Du willst ein Lauflicht, mit willkürlich setzbarem Anfang, oder? Achja, noch was: Das sind 10kOhm Widerstände an den Eingängen der Flip-Flops. Hast du eventuell etwas höherohmiges eingestzt? Kai Klaas
Kai Klaas schrieb: > Daß die eine LED bei jedem Takt immer eine Stufe weiterspringt, nennt > man "Lauflicht". Du willst ein Lauflicht, mit willkürlich setzbarem > Anfang, oder? GENAU du hast es auf den punkt gebracht!! ja 10 kohm das ist klar aber geht nicht. umschalten ja aber das lauflich geht nicht :-((
Dann laß mal den rot eingekreisten Cap weg. Dann sollte es klappen. Hast du das mit den Dioden gemacht oder mit ODER-Gattern? Kai Klaas
ich habe es mit dioden gemacht da ich kein oder gatter da hatte und am samstag sowas nicht zu kaufen ist. wollte schauen ob es geht. mit weglassen des kondensators ändert sich nix ich habe ganz am anfang nur eine lauflichschaltung mit 4 flipflops gemacht und da hatte ich den selben efekt.. bei jedem takt füllt sich die schaltung bis alle leuteten.. von lauflich nix zu sehen.. kann das an dem 4013 liegen??
Es muß was am SET-Eingang des ersten Flip-Flops sein. Schau doch mal mit einem Multimeter, ob da beim Takten die Spannung auch wirklich LOW ist. Verwendest du 1N4148 Dioden? Hast du Entkoppelcaps von 100nF von jedem Vcc-Pin nach GND bei den Flip-Flops? Es kann natürlich auch sein, daß ein "fliegender" Aufbau Störungen einfängt. Das läßt sich dann nur mit einem sauberen Platinenaufbau in den Griff bekommen. Kai Klaas
Kai Klaas schrieb: > Es muß was am SET-Eingang des ersten Flip-Flops sein. Schau doch mal mit > einem Multimeter, ob da beim Takten die Spannung auch wirklich LOW ist. das glaube ich nicht denn wenn ich es auf einen anderen ausgang schalte ist es das gleiche aber ich probiere es natürlich!. > Verwendest du 1N4148 Dioden? Hast du Entkoppelcaps von 100nF von jedem > Vcc-Pin nach GND bei den Flip-Flops? ja 1N4148 dioden, entkoppelungskondensator nein!! wieso das??
Kai Klaas schrieb: > Hast du Entkoppelcaps von 100nF von jedem > Vcc-Pin nach GND bei den Flip-Flops? DANKE, das wars!!! und jetzt erklär mir bitte auch noch wieso das so ist??
Kai Klaas schrieb: > Hast du das mit den Dioden gemacht oder mit ODER-Gattern? wenn ich ein or gatter nehme dann kann ich die 10k widerstände weg lassen??
>DANKE, das wars!!! und jetzt erklär mir bitte auch noch wieso das so >ist?? Digitale Gatter machen beim Umschalten riesige Störungen auf der Versorgungsleitung. Du mußt dir das so vorstellen: Wenn der Ausgang des Gatters umschaltet, tut er das sehr schnell. Dabei zieht er kurzzeitig ein enormes Strömchen in den Vcc-Pin hinein und in den GND-Pin hinaus. Jetzt kommt es darauf an, daß dieser nadelförmige Stromspike nicht über die ganze Schaltung fließt, weil er dort Spannungsabfälle verursachen oder in Leiterschleifen madelförmige Spannungsimpulse induzieren könnte. Die anderen Gatter würden das als kurzzeitige Störimpulse wahrnehmen, ganz so, also ob du von Hand ein Signal an irgendeinen Eingang gibst. Nur wenn direkt über den Versorgungsspannungsanschlüssen ein Kondensator sitzt, fließt der nadelförmige Versorgungsstrom nicht mehr über die ganze Platine, sondern direkt aus dem Kondensator hinaus, in den Vcc-Pin hinein, aus dem GND-Pin hinaus und in den Kondensator wieder hinein. Der Stromfluß bleibt weitgehend auf diesen Kreis beschränkt, die Störungen auf der Platine sind erheblich minimiert. >wenn ich ein or gatter nehme dann kann ich die 10k widerstände weg >lassen?? Ja, die Widerstände an den Reset-Eingängen kannst du dann weglassen. Kai Klaas
Kai Klaas schrieb: > Digitale Gatter machen beim Umschalten riesige Störungen auf der > Versorgungsleitung. Du mußt dir das so vorstellen: Wenn der Ausgang des > Gatters umschaltet, tut er das sehr schnell. Dabei zieht er kurzzeitig > ein enormes Strömchen in den Vcc-Pin hinein und in den GND-Pin hinaus. > Jetzt kommt es darauf an, daß dieser nadelförmige Stromspike nicht über > die ganze Schaltung fließt, weil er dort Spannungsabfälle verursachen > oder in Leiterschleifen madelförmige Spannungsimpulse induzieren könnte. > Die anderen Gatter würden das als kurzzeitige Störimpulse wahrnehmen, > ganz so, also ob du von Hand ein Signal an irgendeinen Eingang gibst. > > Nur wenn direkt über den Versorgungsspannungsanschlüssen ein Kondensator > sitzt, fließt der nadelförmige Versorgungsstrom nicht mehr über die > ganze Platine, sondern direkt aus dem Kondensator hinaus, in den Vcc-Pin > hinein, aus dem GND-Pin hinaus und in den Kondensator wieder hinein. Der > Stromfluß bleibt weitgehend auf diesen Kreis beschränkt, die Störungen > auf der Platine sind erheblich minimiert. heist das ich mus bei einer digitalen schaltung an jedem IC einen 100nF setzen?? so habe ich das noch nie gesehen?!?!? ich habe das bei meiner schaltung probiert und es reicht wenn ich nur zwischen plus und minus der KOMPLETTEN versorgungsspannung einen kondensator setze. muss das also bei jedem IC sein oder reicht einer an der KOMPLETTEN versorgungsspannung??
tamtamtam schrieb: > heist das ich mus bei einer digitalen schaltung an jedem IC einen 100nF > setzen?? Ja, zwischen 22 nF und 100 nF je nach IC.
>> heist das ich mus bei einer digitalen schaltung an jedem IC einen 100nF >> setzen?? > >Ja, zwischen 22 nF und 100 nF je nach IC. Genau. Weil ja bei jedem IC das Problem mit dem nadelförmigen Stromimpuls in seiner VCC-Leitung gegeben ist. Kai Klaas
ok danke und jetzt noch eine frage, wieso kann ich die schaltung nicht mit nur 4 dioden machen so wie abgebildet??? wieso muss ich ein or gatter nehmen oder die vielen dioden von dir wenn es so auch geht??? sind doch um einiges weniger bauteile?!? nur ne frage damit ich es verstehe!!.
Bitte melde dich an um einen Beitrag zu schreiben. Anmeldung ist kostenlos und dauert nur eine Minute.
Bestehender Account
Schon ein Account bei Google/GoogleMail? Keine Anmeldung erforderlich!
Mit Google-Account einloggen
Mit Google-Account einloggen
Noch kein Account? Hier anmelden.








