Forum: Mikrocontroller und Digitale Elektronik Mit MSP430F2132 den Hardware I2c Bus aufbauen um Temperatursensor anzusteuern


von Bobby (Gast)


Lesenswert?

Hallo ich versuche gerade einen I2c bus aufzubauen hab auch schon ewig 
lang gesucht und hab keine konkreten beispiele gefunden die mir 
weiterhelfen bei meinem projekt das problem ist das ich die kompletten 
befehle des msp430 für den i2c bus nicht kenne. Ich versuche gerade 
einen fm75 komplimentärtyp lm75 auszulesen und den wert zum einschalten 
verschiedener ports zu verwenden kann mir jemand helfen?? wäre über jede 
hilfe dankbar.

von Rufus Τ. F. (rufus) Benutzerseite


Lesenswert?

Bobby schrieb:
> das ich die kompletten
> befehle des msp430 für den i2c bus nicht kenne.

Der MSP430 hat keine Befehle "für den i2c bus". Je nach Variante wird 
unterschiedliche Hardware verwendet, die I2C zur Verfügung stellt.

Welche in Deinem Falle zum Tragen kommt, kannst Du dem /User's Manual/ 
entnehmen, das zu Deinem MSP430-Derivat passt.

Das ist die USCI_B, und die wird in http://www.ti.com/litv/pdf/slau144e 
ab Seite 17-1 (521) beschrieben.

TI stellt recht ausführliche Codebeispiele zur Verfügung, die auch für 
Deinen 'F2132 beschreiben, wie die I2C-Schnittstelle anzusteuern ist.

http://www.ti.com/litv/zip/slac163c

Da sind die Dateien
  msp430x21x2_uscib0_i2c_02.c
und
  msp430x21x2_uscib0_i2c_03.c

besonders von Interesse.


All diese Informationen sind mit weniger als 5 Minuten Recherche von 
genau EINER Webseite abrufbar gewesen: 
http://focus.ti.com/docs/prod/folders/print/msp430f2132.html

von Bobby (Gast)


Lesenswert?

Ich habe diese Beispiele bereits gefunden komme aber nicht richtig mit 
den kommentaren klar und da ich blutiger anfänger bin komm ich auch 
damit nicht richtig weiter z.b in dem programm
verstehe ich diesen teil nicht:
while (1)
  {
    __bis_SR_register(CPUOFF + GIE);        // CPU off, interrupts 
enabled
    UCB0CTL1 &= ~UCTR;                      // I2C RX
    UCB0CTL1 |= UCTXSTT;                    // I2C start condition
    while (UCB0CTL1 & UCTXSTT);             // Loop until I2C STT is 
sent
    UCB0CTL1 |= UCTR + UCTXSTT;             // I2C TX, start condition
    __bis_SR_register(CPUOFF + GIE);        // CPU off, interrupts 
enabled
    while (UCB0CTL1 & UCTXSTT);             // Loop until I2C STT is 
sent
    UCB0CTL1 |= UCTXSTP;                    // I2C stop condition after 
1st TX
  }
}

#pragma vector = TIMER0_A0_VECTOR
__interrupt void TA0_ISR(void)
{
  __bic_SR_register_on_exit(CPUOFF);        // Exit LPM0
}

// USCI_B0 Data ISR
#pragma vector = USCIAB0TX_VECTOR
__interrupt void USCIAB0TX_ISR(void)
{
  UCB0TXBUF = (UCB0RXBUF << 4) | 0x0f;      // Move RX data to TX
  __bic_SR_register_on_exit(CPUOFF);        // Exit LPM0

wo wird hier das byte geschickt und wo wird das empfangene gespeichert??
}

von Bobby (Gast)


Lesenswert?

Noch eine frage benötige ich eigentlich bei siesem Typ einen I2c Bus 
treiber oder kann ich einen kleinen i2c bus direkt an den ports con 
uscib0 anschliessen welcher vorteil wird durch eine i2c treiber 
erbracht.

von Jörg S. (joerg-s)


Lesenswert?

>welcher vorteil wird durch eine i2c treiber erbracht.
Kommt darauf an welchen Treiber du meinst :)

Zum Thama Beispiel für USCI und I2C:
Beitrag "Re: I2C Ansteuerung von PCA9685 mit MSP430"

von Bobby (Gast)


Lesenswert?

So hab jetzt mal ein code example aufgesplittet und paar fragen 
eingebaut wäre sehr schön wenn jemand mir jetzt mal diese fragen 
beantworten könnte hier das programm:

//Originalprogramm MSP430x21x2_uscib0_i2c_01.c
// wo werden hier die daten gesendet und wo empfangen wo wird das 
register ausgewählt in das geschrieben wird
1
#include "msp430x21x2.h"
2
3
4
unsigned int RxByteCtr;
5
unsigned int RxWord;
6
7
8
void main(void)
9
{
10
  WDTCTL = WDTPW + WDTHOLD;                 
11
  P1DIR |= 0x01;                           
12
  P3SEL |= 0x06;                            
13
  UCB0CTL1 |= UCSWRST;                      // für was den software reset
14
  UCB0CTL0 = UCMST+UCMODE_3+UCSYNC;         // synchronous mode= SCL anpassung auf die richtige geschwindigkeit??
15
  UCB0CTL1 = UCSSEL_2+UCSWRST;              // 
16
  UCB0BR0 = 12;                             // ~100kHz SCL geschwindigkeit 100 KHZ
17
  UCB0BR1 = 0;
18
  UCB0I2CSA = 0x20;                         // ersetze ich durch meine Slave Adresse
19
  UCB0CTL1 &= ~UCSWRST;                     
20
  IE2 |= UCB0RXIE;                          // interrupt für empfangene daten?
21
  TA0CCTL0 = CCIE;                          //was bedeutet dieser Kommentar "TACCR0 interrupt enabled"
22
  TA0CTL = TASSEL_2 + MC_2;                 
23
24
und jetzt möchte ich ja eine übertragung starten aber wo passiert dies??
25
26
 while (1)
27
  {
28
    RxByteCtr = 2;                          // Load RX byte counter für was den byte counter und warum auf 2 eingestellt??
29
    UCB0CTL1 |= UCTXSTT;                    // I2C start condition jetzt sende ich die start condition
30
31
  __bis_SR_register(CPUOFF + GIE);        // was bedeutet das?? "Enter LPM0, enable interrupts 
32
                                            // Remain in LPM0 until all data
33
                                            // is RX'd"
34
35
if (RxWord < 0x1d00)                    // >28C?
36
      P1OUT &= ~0x01;                       // No, P1.0 = 0
37
    else
38
      P1OUT |= 0x01;                        // Yes, P1.0 = 1
39
40
/Vergleichswert auf meinen vergleichswert anpassen und dementsprechend wird P1.0 geschalten
41
42
43
    __disable_interrupt();
44
    TA0CCTL0 |= CCIE;                        // TACCR0 interrupt enabled
45
    __bis_SR_register(CPUOFF + GIE);        // Enter LPM0, enable interrupts
46
                                            // Remain in LPM0 until TACCR0
47
                                            // interrupt occurs
48
    TA0CCTL0 &= ~CCIE;                       // TACCR0 interrupt disabled
49
  }
50
}
51
#pragma vector = TIMER0_A0_VECTOR
52
__interrupt void TA0_ISR(void)
53
{
54
  __bic_SR_register_on_exit(CPUOFF);        // was ist "Exit LPM0"
55
}
56
57
// The USCIAB0TX_ISR is structured such that it can be used to receive any
58
// 2+ number of bytes by pre-loading RxByteCtr with the byte count.
59
#pragma vector = USCIAB0TX_VECTOR
60
__interrupt void USCIAB0TX_ISR(void)
61
62
/ verstehe diesen teil leider nicht
63
64
{
65
  RxByteCtr--;                              // Decrement RX byte counter
66
67
  if (RxByteCtr)
68
  {
69
    RxWord = (unsigned int)UCB0RXBUF << 8;  // Get received byte
70
    if (RxByteCtr == 1)                     // Only one byte left?
71
      UCB0CTL1 |= UCTXSTP;                  // Generate I2C stop condition
72
  }
73
  else
74
  {
75
    RxWord |= UCB0RXBUF;                    // Get final received byte,
76
                                            // Combine MSB and LSB
77
    __bic_SR_register_on_exit(CPUOFF);      // Exit LPM0
78
  }
79
}

/was bedeutet diese letzte teil wird hier der wert in den puffer 
geschrieben und gezählt wie viel bytes empfangen wurden??

[Edit: Bitte in Zukunft Code-Zitate in [ c ] und [ / c ] einschließen, 
sonst wird das durch die Zeilenumbrüche eine unlesbare Zumutung.

-rufus]

von Herold (Gast)


Lesenswert?

Bobby schrieb:
> // für was den software
> reset

Man konfiguriert das USCI-Modul nur, während es sich im Reset befindet, 
sonst kann es unerwünschte Ergebnisse geben.

Also: RESET -> KONFIGURIEREN/ÄNDERN -> RESET-BIT WEG

Bobby schrieb:
> synchronous mode

Heisst, du arbeitest mit CLK und Daten, also synchron.

Bobby schrieb:
> interrupt für empfangene
> daten?

Du schaltest die Möglichkeit frei, dass das Kommunikationsmodul beim 
fertig-empfangenen Zeichen einen Interrupt auslösen kann.

Bobby schrieb:
> was bedeutet dieser
> Kommentar "TACCR0 interrupt enabled"

Du hast die Interruptfreigabe für den Timer gesetzt. Mit dem Capture 
Compare Interrupt Enable sagst, du, dass bei einem Überlauf, oder einem 
Vergleich ein Interrupt kommen kann.

von Bobby (Gast)


Lesenswert?

@Herold danke für deine antworten aber weisst du wo ich jetzt die 
eigentlichen date4n schicke und wo sie versendet werden der erste teil 
des programms wäre mir jetzt soweit mal klar danke
@jörg s brauche ich nun einen i2c treiber oder funktioniert das auch 
ohne??

von Johnny B. (johnnyb)


Lesenswert?

Normalerweise macht man das ohne externen I2C Treiber. Der kommt nur zum 
Zug wenn Du über längere Distanzen oder mehrere Boards hinweg 
kommunizieren willst.

von Rufus Τ. F. (rufus) Benutzerseite


Lesenswert?

Bobby schrieb:
> brauche ich nun einen i2c treiber oder funktioniert das auch
> ohne??

Was soll ein "i2c treiber" sein?

Man kann Bausteine, die das I2C-Protokoll nutzen, direkt mit dem I2C-Bus 
verbinden, man muss nur bei der Wahl der Pullup-Widerstände am Bus und 
der Betriebsspannung aller am Bus angeschlossenen Teilnehmer aufpassen.

Bei unterschiedlichen Betriebsspannungen kann es zu unterschiedlichen 
Schaltschwellen für High- und Low-Pegel kommen, diese lassen sich mit 
einem I2C-Repeater wie dem PCA9517 aber anpassen.

von Bobby (Gast)


Lesenswert?

@johny B danke für deine antwort
@rufus wie wählt man die widerstände richtug aus

von Jörg S. (joerg-s)


Lesenswert?

Der Widerstand muss so gewählt sein das der maximal erlaubte Strom nicht 
überschritten wird.
I.d.R. sind bei I2C Widerstände im Bereich 2,7k..4,7k Ohm günstig. Wenn 
du eine langsame Kommunikation hast (~100kHz) spielt das aber eh keine 
große Rolle, da wird 10k Ohm auch noch gehen.

von Byte (Gast)


Lesenswert?

okay super hab 10kohm drin köntest du mir vllt noch meine fragen oben 
beantworten verstehst du dieses programm?? wie das i2c bus Protokoll 
selber funktioniert ist mir schon klar aber ich würde halt jetzt gerne 
verstehen wie ich meine bytes versenden kann und wie ich empfangene 
bytes speichern kann?

von Bobby (Gast)


Lesenswert?

Sry bin bei nem anderen Forum als Byte angemeldet und hab ausversehen 
unter Falschem Namen gerade den Beitrag geschrieben upps sry

von Bobby (Gast)


Lesenswert?

@herold kansst du mir vllt auch den rest kurz erläutern mich würde nur 
kurz intressieren wo ich die bytes die ich schreiben möchte eintragen 
muss und wo ich die bytes die ich empfange speichere bitte um hilfe

von Jörg S. (joerg-s)


Lesenswert?

>weisst du wo ich jetzt die eigentlichen date4n schicke und wo sie
>versendet werden
Gesendet wird da nur die Adresse, keine Daten. Empfangen werden 2 Byte. 
An den Stellen wo es um UCB0RXBUF geht wird der Empfangsbuffer gelesen.

von Bobby (Gast)


Lesenswert?

Aber ich muss ja meinem fm75 schreiben das ich aus dem Temperatur 
register lesen möchte muss man das bei dem im beispiel verwendetten 
tmp100 nicht?
ich möchte ja dem fm75 schreiben das ich aus seinem teperaturregister 
lesen möchte oder in sein config register schreiben möchte wie mache ich 
das??

von Bobby (Gast)


Lesenswert?

Guten Morgen hab da mal noch ne Frage "__bis_SR_register(CPUOFF + GIE);" 
was Bedeutet eigentlich dieser Teil hier. _bis_SR_register was bedeutet 
den das? das ist ja kein word und kein Befehl oder?

von Stefan (Gast)


Lesenswert?

Das ist eine intrinsic function von IAR und ist im C/C++ Compiler 
Reference Guide beschrieben...

von Bobby (Gast)


Lesenswert?

Sorry kenn mich echt noch nicht so gut aus was ist das?? bin halt noch 
anfänger

von Bobby (Gast)


Lesenswert?

und warum beantwortet mir nicht mal jemand die frage wie ich daten 
versende weis das den niemand kann mir nicht jemand einen kleinen 
übersichtliches code example reisntellen mit senden und empfangen von 
daten i2c bus mit guten kommentaren langsam bin ich echt am verzweifeln 
jemand muss doch schon so was gemacht haben

von Stefan (Gast)


Lesenswert?

Bobby schrieb:
> Sorry kenn mich echt noch nicht so gut aus was ist das?? bin halt noch
> anfänger

Gerade deshalb wäre es schon wichtig, Du würdest Dich mit der 
Dokumentation -sowohl dem User Guide des MSP, als auch der Dokumentation 
der Entwicklungsumgebung- vertraut machen. Ausserdem wurde ja auch schon 
auf die Code-Beispiele von TI aufmerksam gemacht.
So schlecht, wie oft behauptet, ist die Doku nämlich nicht!

von Bobby (Gast)


Lesenswert?

ich habe den kompletten abschnitt über i2c im user guide gelesen und 
darin wird nicht genau auf den ablauf eines programms eingegangen und 
das programm das oben steht ist eines der code examples von ti wenn du 
mal genau hinkuckst ich häng mich wirklich rein und versuch alles um das 
hinzukriegen ich behaupte nicht das die doku schlecht ist ich denke nur 
das wenn man noch nicht so viel ahnung hat probleme mit den vielen 
fachbegriffen usw hat. Es wär toll wenn mal jemand konkret auf meine 
fragen eingeht und nicht einfach nur schreibt kuck dir die und das an 
das habe ich nun schon tausendmal gemacht nur ich finde immer wieder die 
gleichen sachen die ich nicht verstehe und hätte einfach mal gerne das 
mir jemand die fragen von oben so beantwortet das auch ein blutiger 
anfänger sie versteht

von Jörg S. (joerg-s)


Lesenswert?

Bobby schrieb:
> kann mir nicht jemand einen kleinen übersichtliches code example
> reisntellen mit senden und empfangen von daten i2c bus mit guten
> kommentaren
Hab ich doch oben gemacht.
Siehe:
Beitrag "Re: Mit MSP430F2132 den Hardware I2c Bus aufbauen um Temperatursensor anzusteuern"

von Bobby (Gast)


Lesenswert?

Habe jetzt mal was geschrieben kann mal da jemand drüberschauen ob das 
so funktioniert.
1
#include "msp430x21x2.h"
2
3
#define FM75_CMD_INPUT           0x90           //Adresse FM75 mit Write Bit
4
#define FM75_CMD_OUTPUT          0x91     //Adresse FM75 mit read Bit
5
6
unsigned int RxByteCtr;
7
unsigned int RxWord;
8
9
volatile unsigned int i;   
10
11
void main(void)
12
{
13
  WDTCTL = WDTPW + WDTHOLD;                            
14
  P1DIR |= 0x01;                           
15
  P3SEL |= 0x06;                            
16
  
17
  i = 50000;                                // Verzögerung damit FM75 nicht durcheinander kommt
18
  do (i--);
19
  while (i != 0);
20
  
21
  UCB0CTL1 |= UCSWRST;                      
22
  UCB0CTL0 = UCMST+UCMODE_3+UCSYNC;           // Initialisierung I2C 
23
  UCB0CTL1 = UCSSEL_2+UCSWRST;           
24
  UCB0BR0 = 12;                             
25
  UCB0BR1 = 0;
26
  UCB0I2CSA = 0x20;                  // Slave Adresse MSP 100000          
27
  UCB0CTL1 &= ~UCSWRST;                     
28
  IE2 |= UCB0RXIE;                          
29
  TA0CCTL0 = CCIE;                          
30
  TA0CTL = TASSEL_2 + MC_2;  
31
}
32
33
 while 
34
  {               
35
  RxByteCtr = 2; 
36
  UCB0CTL1 |= UCTXSTT;         // Start Condition senden
37
  UCB0CTL1 |= FM75_CMD_INPUT;       // Schreibe auf FM75
38
  UCB0CTL1 |= 0x0;         // Befehl aus dem Temperaturregister Lesen
39
  UCB0CTL1 |= UCTXSTT;         // Repeat Start Condition  
40
  UCB0CTL1 |= FM75_CMD_OUTPUT;       // Lese aus FM75
41
    
42
    if (RxWord < 0xBD0)            // >33C°?
43
          P1OUT &= ~0x01;                 // No, P1.0 = 0
44
        else
45
          P1OUT |= 0x01;                  // Yes, P1.0 = 1
46
47
  }
48
49
{
50
  RxByteCtr--;                                // RX byte counter
51
52
  if (RxByteCtr)
53
  {
54
    RxWord = (unsigned int)UCB0RXBUF << 8;   // Byte angekommen
55
    if (RxByteCtr == 1)                       // Noch ein Byte?
56
      UCB0CTL1 |= UCTXSTP;                    // I2C stop condition
57
  }
58
  else
59
  {
60
    RxWord |= UCB0RXBUF;                     // Letzes Byte empfangen    
61
  }
62
}

[Edit:

Das mit dem Einklammern des Quelltextes hast Du ja fast schon 
hinbekommen. Du musst nur die Leerzeichen zwischen den Klammern und 
anderen Zeichen weglassen, dann sieht's so aus wie oben.

Ich habe das mit Leerzeichen geschrieben, weil Du sonst die Klammern 
gar nicht zu Gesicht bekommen hättest.

Geheime Raketenwissenschaft ist das übrigens nicht, das steht oberhalb 
des Texteingabefensters als erster Punkt unter "Formatierung".

-rufus]

von Bobby (Gast)


Lesenswert?

ja das habe ich mir bereits angeschaut aber ich weis auch nicht entweder 
ich bin einfach zum programmieren ungeeignet oder mir steht jemand auf 
dem Schlauch ich versteh leider dieses Programm auch nicht wie ich es 
auf mein Bedürfnisse umschreiben muss Jörg

von Jörg S. (joerg-s)


Lesenswert?

Bobby schrieb:
> Aber ich muss ja meinem fm75 schreiben das ich aus dem Temperatur
> register lesen möchte muss man das bei dem im beispiel verwendetten
> tmp100 nicht?
Wenn man beim TMP100 nie ein Register angibt, wird immer das 
Temperaturregister gelesen.

> ich möchte ja dem fm75 schreiben das ich aus seinem teperaturregister
> lesen möchte oder in sein config register schreiben möchte wie mache ich
> das??
So wie ich das sehe verhält sich der FM75 identisch zum TMP100 was das 
betrifft. Es ist also auch dort nicht zwingend notwendig das Config 
Register zu schreiben. Das Temperaturregister kann man auch so sofort 
lesen.

von Bobby (Gast)


Lesenswert?

und was meinst du zu meinem programm funktioniert das so??

von Jörg S. (joerg-s)


Lesenswert?

>#define FM75_CMD_INPUT   0x90  //Adresse FM75 mit Write Bit
>#define FM75_CMD_OUTPUT   0x91  //Adresse FM75 mit read Bit
Das ist schon mal falsch. Das RW Bit wird vom MSP erzeugt. Die Adresse 
wird ohne RW Bit von MSP erwartet.

von Jörg S. (joerg-s)


Lesenswert?

>  do (i--);
>  while (i != 0);
???
Ich würde wenn sagen:
while (i != 0)i--;


>UCB0I2CSA = 0x20;                  // Slave Adresse MSP 100000
Slave Adresse? In Das Register gehört die Adresse vom FM75

>  UCB0CTL1 |= UCTXSTT;         // Start Condition senden
>  UCB0CTL1 |= FM75_CMD_INPUT;       // Schreibe auf FM75
>  UCB0CTL1 |= 0x0;         // Befehl aus dem Temperaturregister Lesen
>  UCB0CTL1 |= UCTXSTT;         // Repeat Start Condition
>  UCB0CTL1 |= FM75_CMD_OUTPUT;       // Lese aus FM75
Absolut falsch!

von Jörg S. (joerg-s)


Lesenswert?

Bobby schrieb:
> ja das habe ich mir bereits angeschaut aber ich weis auch nicht entweder
> ich bin einfach zum programmieren ungeeignet oder mir steht jemand auf
> dem Schlauch ich versteh leider dieses Programm auch nicht wie ich es
> auf mein Bedürfnisse umschreiben muss Jörg

Das schöne ist das du eigentlich nichts umprogrammieren musst, weil 
alles schon fertig ist!

So ungefähr könnte es mit meinem Code aussehen:
1
unsigned char data[2];
2
3
init_I2C();
4
5
// Adresse FM75 = 0100.1AAA
6
// Bei A = 0 also 0100.1000 = 0x48
7
8
i2c_write_byte(0x48, 0x00); // Temp Register adressieren
9
i2c_read_bytes(0x48, 2, &data[0]);  // 2 Byte lesen

von Bobby (Gast)


Lesenswert?

okay das war ja sehr nieder schmetternd den fehler mit while (i != 
0)i--; habe ich behoben und bei der adresse des fm75 adresse ohne lese 
oder schreib bit eintragen oder??
und wie mach ich das absolut falsche wieder richtig??

von Bobby (Gast)


Lesenswert?

ja und das wäre dan schon alles?? nur sieser absatz die header datei von 
dir brauch ich dann ja auch oder??

von Bobby (Gast)


Angehängte Dateien:

Lesenswert?

Hab jetzt mal an deinem Programm rumgeschrieben und versucht es zu 
verstehen ich verstehe es ein bischen hab mal das umgeschribene 
angehängt ich hoffe das stimmt so hab die funktionen return False und 
True rausgeschmiesen da diese nicht im programm waren und ich weis nicht 
wie sie geschrieben sind wo ist dann der wert den ich empfangen habe 
kann ich den wie mit dem zuvor programmierten vergleicher wieder 
vergleichen??

von Jörg S. (joerg-s)


Lesenswert?

>ja und das wäre dan schon alles?? nur sieser absatz die header datei von
>dir brauch ich dann ja auch oder??
Ein bisschen was musst du auch noch tun, ja...

>hab die funktionen return False und True rausgeschmiesen da diese nicht
>im programm waren
Das sind defines:

#define TRUE 1
#define FALSE 0

>wo ist dann der wert den ich empfangen habe kann ich den wie mit dem
>zuvor programmierten vergleicher wieder vergleichen??
Der steht in der "data[]" Variable.


>habe ich behoben und bei der adresse des fm75 adresse ohne lese
>oder schreib bit eintragen oder??
Was bedeutet dieser Satz?

Könntest du allgemein vielleicht mal Punkte hinter Satzenden setzen? 
Dann wird das alles leserlicher was du schreibst.

von Bobby (Gast)


Lesenswert?

und was machen diese defines?? hast du dir mal mein programm oben 
angeschaut??
Ich werde in zukunft punkte machen.

von Jörg S. (joerg-s)


Lesenswert?

>und was machen diese defines??
Die Machen den Code verständlicher weil man nicht mehr 0 sondern einfach 
FALSE schreiben kann.

>hast du dir mal mein programm oben angeschaut??
Ja. Der Compiler wird sich beschweren weil du den Funktionen die return 
Werte geklaut hast. Ebenso wird es ihm nicht gefallen das die 
Funktionsaufrufe ganz unten einfach so da steht. Du brauchst eine 
Hauptscheleife wo du die Funktionen aufrufst.

von Bobby (Gast)


Lesenswert?

und was passiert dann bei diesem return befehl wohin verweist der dann 
und wenn ich oben FALSE und TRUE definiere müsste das dann ja 
funktionieren und mein programm auch

von Rufus Τ. F. (rufus) Benutzerseite


Lesenswert?

Ja, das hast Du jetzt sehr schön zum Ausdruck gebracht.

Warum soll sich jemand Mühe machen, Dir zu helfen, wenn Du Dir noch 
nicht mal Mühe machst, verständliche Fragen zu stellen?

von Bobby (Gast)


Lesenswert?

ich denke jörg wird verstehen was ich meine.

von Bobby (Gast)


Lesenswert?

Meine Frage war eigentlich einfach ich wollte nur wiesen was dieser 
befehl "return" den macht?

von Jörg S. (joerg-s)


Lesenswert?

Vielleicht solltest du dir dazu mal die Grundlagen von 
Funktionsrückgaben anschauen:
http://de.wikibooks.org/wiki/C-Programmierung:_Funktionen

von Bobby (Gast)


Lesenswert?

Super link danke nach sowas hab ich schon mal gesucht und nichts 
gefunden danke.

von Bobby (Gast)


Lesenswert?

So hab mich mal eingelesen und die antwort auch gleich gefunden return 
gibt einen wert an das betriebssystem zurück um im zu zeigen ob eine 
funktion richtig ausgeführt wurde. Stimmts? Und jetzt kann man wenn ein 
Fehler auftritt über FALSE das versenden von Daten mit dem Stopbit 
Stoppen,oder?

von Bobby (Gast)


Lesenswert?

Und noch ne Kurze Frage du Hast das eigentliche Programm nicht in I2C.c 
geschrieben oder??
Du rufst die Funktionen von I2C.c in einer andern c.Datei auf?
Könnte man diese Funktionen nicht in I2C.h schreiben und muss man dan in 
dem Main.c Programm auch I2C.c include aufrufen.

von Rufus Τ. F. (rufus) Benutzerseite


Lesenswert?

Bobby schrieb:
> So hab mich mal eingelesen und die antwort auch gleich gefunden return
> gibt einen wert an das betriebssystem zurück um im zu zeigen ob eine
> funktion richtig ausgeführt wurde. Stimmts?

Nein. return gibt einen Wert an den Aufrufer der mit return 
beendeten Funktion zurück. Welche Bedeutung der Wert hat ist von der 
Funktion abhängig und mitnichten prinzipiell ein Fehlercode.

Du solltest ganz dringend ein Grundlagenbuch über die Programmierung 
in C lesen.
Standardempfehlung: Brian Kernighan & Dennis Ritchie, "Programmieren in 
C", 2. Auflage, Hanser-Verlag.

Ja, ein Buch und kein Tutorial oder irgendwelche anderen Anleitungen aus 
dem Internet.

> Und jetzt kann man wenn ein
> Fehler auftritt über FALSE das versenden von Daten mit dem Stopbit
> Stoppen,oder?

Das Stopbit der seriellen Schnittstelle wird von der Hardware 
automatisch erzeugt und hat nichts damit zu tun, das Senden von Daten 
anzuhalten.

von Bobby (Gast)


Angehängte Dateien:

Lesenswert?

So hab mich jetzt mal noch weiter eingelesen und das programm von jörg 
noch ein wenig umgeschrieben und überarbeitet, aber das Programm läuft 
immer noch nicht richtig.
Kann mal jemand nochmal über dieses Programm drüber Schauen und mir 
erklären was ich ändern muss?

von Jörg S. (joerg-s)


Lesenswert?

Bobby schrieb:
> aber das Programm läuft immer noch nicht richtig.
Und was heisst das genau?
Anwortet der Sensor mit ACK auf die Adresse?
Klappt das schreiben des Registers?
Klappt das abholen der Daten?
Sind SCL und SDA nach der Übertragung wieder beide auf high?
Tut sich an den I2C Pins überhaupt was?

von Bobby (Gast)


Lesenswert?

Wie kann ich Testen ob der Sensor mit Ack antwortet.
Also bei Data Steht immer ein wert der ist aber immer derselbe egal wie 
ich die Temperatur verändere.
Ich habe mal mit dem Osziloskop versucht den I2C bus zu messen aber ich 
messe keinen Clock und messe auch auf SDA nichts.
Der Clock müsste ja ständig da sein und denn müsste ich doch messen 
können oder?

von Bobby (Gast)


Lesenswert?

Hast du dir mein Programm mal angesehen ist das soweit korrekt? bin mir 
bei dem vergleich unten in der Main Schleife nicht so sicher.

von Jörg S. (joerg-s)


Lesenswert?

Bobby schrieb:
> Wie kann ich Testen ob der Sensor mit Ack antwortet.
Schau nach ob i2c_write_byte() ein FALSE zurück gibt.

> Also bei Data Steht immer ein wert der ist aber immer derselbe egal wie
> ich die Temperatur verändere.
Du liest ja auch nur ein einziges mal die Temperatur. Eine Veränderung 
kannst du nur sehen wenn du die Temperatur öfters ausliest.


> Der Clock müsste ja ständig da sein und denn müsste ich doch messen
> können oder?
Mit deinem Code nicht, nein. Wie bereits geschrieben liest du nur ein 
einziges mal die Temperatur. Danach macht der MSP nichts mehr ausser 
warten.


1
void main(void)
2
{
3
  WDTCTL = WDTPW + WDTHOLD;                 // Stop WDT
4
  P1DIR |= 0x01;                            // P1.0 output
5
  P3SEL |= 0x06;                            // Assign I2C pins to USCI_B0
6
7
  init_I2C();
8
9
  while (1)
10
  {
11
    P1OUT &= ~0x01;  
12
13
    if (i2c_write_byte(0x48, 0x00) == FALSE)
14
       P1OUT |= 0x01; // ERROR
15
    if (i2c_read_bytes(0x48, 2, &data[0]) == FALSE)
16
       P1OUT |= 0x01; // ERROR
17
18
    if (!(P1IN & 0x01)) // ERROR?
19
    {
20
      // Kein ERROR, Daten vergleichen
21
22
      if (data[0] < 0xBD0)                       // >33C?
23
        P1OUT &= ~0x01;                       // No, P1.0 = 0
24
      else
25
        P1OUT |= 0x01;                        // Yes, P1.0 = 1
26
    }     
27
28
    // Warten  
29
    for (i = 0; i < 5000; i++);
30
}

von Bobby (Gast)


Lesenswert?

Was soll ich mit dem Programm unten anfangen?? und wie mache ich das das 
er immer wieder misst?

von Jörg S. (joerg-s)


Lesenswert?

>Was soll ich mit dem Programm unten anfangen??
Ausprobieren

>und wie mache ich das das er immer wieder misst?
Das macht mein Programm.


Versuch einfach mal selbstständig herauszufinden wie das Programm 
funktioniert. Sollte auch für Änfänger schaffbar sein. Muss man sich nur 
etwas Zeit nehmen...

von Bobby (Gast)


Lesenswert?

Okay danke Jörg ich werde es heut abend gleich ausprobieren.

von Bobby (Gast)


Lesenswert?

Hab dein main einfach mal durch mein main erstezt funktioniert aber 
immer noch nicht hast übrigens ne klammer vergessen
[
    }
  }
     // Warten
     for (i = 0; i < 5000; i++);
}
]

von Bobby (Gast)


Lesenswert?

was soll ich nun tun?
Die Eckigen klammern waren ein versehen hihi.

von Jörg S. (joerg-s)


Lesenswert?

>funktioniert aber immer noch nicht
Was sollen wir mit dieser Information anfangen? BITTE GENAUER!

von Bobby (Gast)


Lesenswert?

Also der SCL ist ständig high und SDA ständig low es wird immer noch 
städig der gleiche wert eingelesen! und die led leuchtet dauerhaft 
obwohl ich in der Werkstatt bestimmt nicht mehr als 33 grad habe. ich 
weiss nicht wie ich überprüfen soll ob die datensendung funktioniert da 
ich auf dem Osziloskop keine veränderungen von SCL und SDA sehe. war das 
Korekt das ich die 2 main schleifen ausgetauscht hab und wie ich die 
klammer gesetzt habe könnte es noch ein problem mit dem programm geben 
oder hab ich hardware probleme?

von Rufus Τ. F. (rufus) Benutzerseite


Lesenswert?

Du hast Verständnisprobleme. Hast Du denn sichergestellt, daß Dein 
Programm die Abfrage des I2C-Busses mehrfach ausführt? Anscheinend 
nicht, sonst könntest Du das mit dem Oszilloskop auch sehen.

von Bobby (Gast)


Lesenswert?

@rufus doch das müsste sichergestellt sein jörg meinte ab jetzt wird 
immer wieder neu gemessen mit seinem programm das er mir etwas weiter 
oben eingestellt hat.
An  was könnten diese verständigungsprobleme noch liegen?

von Rufus Τ. F. (rufus) Benutzerseite


Lesenswert?

Nein, da in Jörgs Programm eine Klammer fehlte, Du diese aber an 
falscher Stelle in Dein Programm eingesetzt hast, geht nichts.
1
void main(void)
2
{
3
  WDTCTL = WDTPW + WDTHOLD;                 // Stop WDT
4
  P1DIR |= 0x01;                            // P1.0 output
5
  P3SEL |= 0x06;                            // Assign I2C pins to USCI_B0
6
7
  init_I2C();
8
9
  while (1)
10
  {
11
    P1OUT &= ~0x01;  
12
13
    if (i2c_write_byte(0x48, 0x00) == FALSE)
14
       P1OUT |= 0x01; // ERROR
15
    if (i2c_read_bytes(0x48, 2, &data[0]) == FALSE)
16
       P1OUT |= 0x01; // ERROR
17
18
    if (!(P1IN & 0x01)) // ERROR?
19
    {
20
      // Kein ERROR, Daten vergleichen
21
22
      if (data[0] < 0xBD0)                       // >33C?
23
        P1OUT &= ~0x01;                       // No, P1.0 = 0
24
      else
25
        P1OUT |= 0x01;                        // Yes, P1.0 = 1
26
    }     
27
28
    // Warten  
29
    for (i = 0; i < 5000; i++);
30
  } // <-- da gehört die fehlende Klammer hin
31
}

von Jörg S. (joerg-s)


Lesenswert?

>Also der SCL ist ständig high und SDA ständig low
Ganz schlecht.

>und die led leuchtet dauerhaft obwohl ich in der Werkstatt bestimmt nicht
>mehr als 33 grad habe.
Die LED wird bei meinem Programm auch dafür benutzt anzuzeigen ob die 
Abfrage des Sensors geklappt hat. Hast du dir den Code evt. doch nicht 
noch mal angesehen?

>ich weiss nicht wie ich überprüfen soll ob die datensendung funktioniert
Die I2C Funktionen sind extra so programmiert das sie ein FALSE zurück 
geben wenn was nicht geklappt hat.
1
unsigned char i2c_write_byte (unsigned int addr, unsigned char data)
2
  {
3
  UCB0STAT &=~UCNACKIFG;
4
  if (I2C_BUSY)   return FALSE;
5
  if (I2C_SCLLOW) return FALSE; // Kommt der MSP bis hier hin?
6
7
  UCB0I2CSA = addr; // Kommt der MSP bis hier hin? 
8
9
  UCB0CTL1 |= UCTR + UCTXSTT;
10
  UCB0TXBUF = data;
11
12
  while(I2C_START && !I2C_NACK);
13
  if (I2C_NACK) return FALSE;
14
15
  UCB0CTL1 |= UCTXSTP; // Kommt der MSP bis hier hin?
16
17
  while(I2C_STOP && !I2C_NACK);
18
  if (I2C_NACK) return FALSE;
19
20
  return TRUE; // Kommt der MSP bis hier hin?
21
  }


>war das Korekt das ich die 2 main schleifen ausgetauscht hab
Poste dein Programm noch mal. Und am besten auch mal einen Schaltplan 
von deinem Aufbau.

von Bobby (Gast)


Lesenswert?

okay habs mal getestet tu aber immer noch nicht hmmmpf langsam weis ich 
auch nicht mehr weiter =(

von Bobby (Gast)


Lesenswert?

( immer noch gleicher fehler )

von Bobby (Gast)


Lesenswert?

Kann es an den Pull up widerständen liegen hab 10 KOHM bei 3,3 Volt 
busspannung drin sind diese vllt zu gross?

von Jörg S. (joerg-s)


Lesenswert?

Bobby schrieb:
> Kann es an den Pull up widerständen liegen hab 10 KOHM bei 3,3 Volt
> busspannung drin sind diese vllt zu gross?
Glaub ich nicht. Dein Bus sollte mit so 20kHz laufen. Das ist 
Schnarchlangsam. Da sollte es mit 10k keine Probleme geben.

von Bobby (Gast)


Angehängte Dateien:

Lesenswert?

@ jörg hab mir das programm wohl nochmmal angeschaut

    if (data[0] < 0xBD0)                       // >33C?
        P1OUT &= ~0x01;                       // No, P1.0 = 0
      else
        P1OUT |= 0x01;                        // Yes, P1.0 = 1

Hier wird ja die led gesteuert und hier wird doch verglichen ob data[0] 
gröser als BD0 ist und dann wird die led ein oder ausgeschaltet liege 
ich da etwa Falsch??

hier noch das programm und der Schaltplan im Anhang

von Rufus Τ. F. (rufus) Benutzerseite


Lesenswert?

Spendier Dir 'ne zweite Leuchtdiode, mit der Du unterscheiden kannst, ob 
die I2C-Routinen einen Fehler ausgeben oder ob Deine Temperatur stimmt.

Derzeit verwendest Du ein und dieselbe LED für beides, das ist bei der 
Diagnose eher ... unpraktisch.

Im folgenden wird davon ausgegangen, daß sowohl an P1.0 als auch an P1.1 
eine LED angeschlossen ist, die bei High-Pegel leuchtet.
1
P1OUT |= 0x02;      // Fehler-LED an
2
3
if (i2c_write_byte(0x48, 0x00))
4
{
5
  if (i2c_read_bytes(0x48, 2, &data[0]))
6
  {
7
    if (data[0] < 0xBD0)   // >33C?
8
      P1OUT &= ~0x01;  // Temperatur-LED aus
9
    else
10
      P1OUT |= 0x01;   // Temperatur-LED an
11
12
    P1OUT &= 0x02;     // Fehler-LED aus
13
  }
14
}

Vor dem Ansteuern des I2C-Busses wird die Fehler-LED eingeschaltet, sie 
wird erst dann ausgeschaltet, wenn ohne Fehler vom I2C gelesen werden 
kann.

Und das geschieht bei jedem Durchlauf, die LED sollte also bei korrektem 
Betrieb nur sehr kurz aufblitzen.

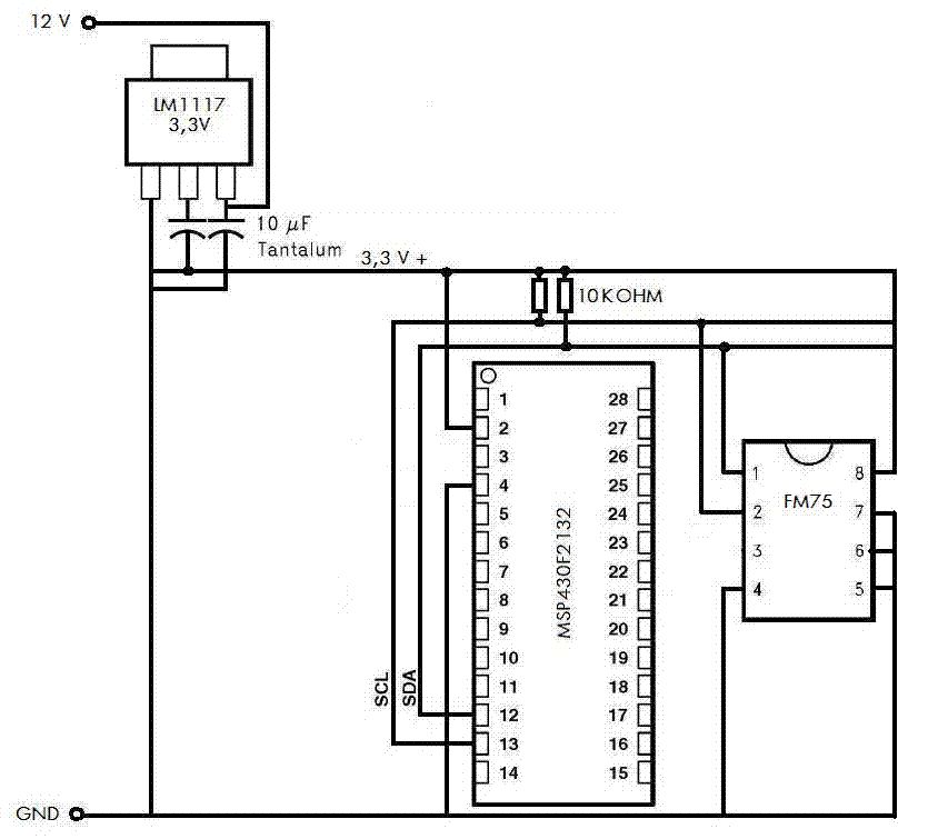
Dein "Schaltplan" übrigens hat keinen Gebrauchswert. Einerseits ist es 
ziemlich nutzlos, im Schaltplan das IC-Gehäuse abzupinseln, 
üblicherweise verwendet man Symbole, die die logische Struktur des 
Bauteils wiedergeben, andererseits ist es besonders nutzlos, nur 
Pinnummern, aber keine Signalnamen an den IC-Anschlüssen anzugeben.

Daß außerdem Kreuzungen und Verbindungspunkte von Leitungen deutlich 
unterscheidbar sein müssen, hast Du immerhin ein paarmal schon 
hinbekommen.

Hinzu kommt, daß Dein Schaltplan unvollständig ist - wo z.B. ist die 
LED?

von Bobby (Gast)


Lesenswert?

Ja entschuldigung hab den gerade erst kurz in oaint gezeichnet damit er 
schnell fertig wird hab ihn eigentlich nur auf papier und da ist er 
korrekt gezeichnet keine sorge =) werd ich ausprobieren.

von Bobby (Gast)


Lesenswert?

@rufus hab jetzt mal dein Programm ausprobiert also die daten werden 
über den I2c bus gesendet und Empfangen das funktioniert jetzt (konnte 
ich mit dem Osziloskop messen und das Programm lief beim senden und 
empfangen korrekt durch).
Aber der vergleicher scheint nicht richtig zu funktionieren. Oder das 
einlesen von daten den data ist immer 0x200 auch wenn ich die temperatur 
verändere.
Wenn du kommunikation soweit funktioniert kann ich ja kein 
Hardwareproblem mit dem FM75 haben das dieser möglicherweise defekt 
ist??
kann mir jemand sagen ob dieser teil des programms korrekt ist?? hab ich 
die richtige variable zum vergleichen "data[0]"?

 if (i2c_read_bytes(0x48, 2, &data[0]))
  {
    if (data[0] < 0xBD0)   // >33C?

von Jörg S. (joerg-s)


Lesenswert?

>Oder das einlesen von daten den data ist immer 0x200 auch wenn ich die
>temperatur verändere.
Wie denn "oder"? Sind die Daten immer 0x200 oder nicht?

Du weisst das du Breakpoints setzen kannst?
Du weisst das du dir im Debugger die Variablen ansehen kannst?

von Bobby (Gast)


Lesenswert?

Entweder der vergleicher ist falsch programmiert oder das einlesen von 
daten funktioniert nicht richtig.Data ist immer 0x200. ja ich weiss das 
ich breakpoints setzen kann und habe auch im debugger gesehen das der 
wert immer 0x200 ist. Woran könnte das liegen.

von Jörg S. (joerg-s)


Lesenswert?

Wie soll ein Fehler beim vergleichen dazu führen das sich der Wert der 
Variable nicht ändert?

Versuch doch mal andere Register zu lesen.

z.B. Tos:
if (i2c_write_byte(0x48, 0x03))
{
  if (i2c_read_bytes(0x48, 2, &data[0]))
  {

Sollte 0x5000 ergeben.

Oder bei Register 0x02 sollte 0x4B00 raus kommen.

von Bobby (Gast)


Lesenswert?

Habe das was du wolltest ausprobiert jörg es kommt immer der Wert K 
raus.
Bei beiden Registern. Was nun??

von Jörg S. (joerg-s)


Lesenswert?

Wennn du ASCII "K" meinst, wäre das ja 0x4B

von Bobby (Gast)


Lesenswert?

Ja ber bei Register 0x03 sollte ja nicht K rauskommen und ich weiss 
nicht ob der wert im ASCII Code angezeigt wird eigentlich ja nicht.

von Bobby (Gast)


Lesenswert?

was könnte ich tun um den Fehler herauszufinden das Programm läuft 
korrekt ab und die Pull up widerstände müssen ja mit ca. 10KOHM auch 
passen? oder?.

von Bobby (Gast)


Lesenswert?

Kann es sein das die Taktfrequenz des I2c Buses zu gering ist?

von Jörg S. (joerg-s)


Lesenswert?

Bobby schrieb:
> und ich weiss nicht ob der wert im ASCII Code angezeigt wird eigentlich
> ja nicht.
Wie du weisst es nicht? Was ist denn im Compiler für die Anzeige 
eingestellt?

>Kann es sein das die Taktfrequenz des I2c Buses zu gering ist?
Nein, sowas gibt es nicht.

von Bobby (Gast)


Lesenswert?

Ja wahrwscheinlich wird es im ASCII Code angezeigt aber das hilft mir 
jetzt auch nicht weiter.

von Jörg S. (joerg-s)


Lesenswert?

dann probier doch mal eigene Werte in die Register zu schreiben.

von Bobby (Gast)


Lesenswert?

Ich weiss mnicht mehr weiter kann mir den niemand helfen woran könnte es 
liegen. Der wert von data ist jetzt nur noch , ein einfaches , oder ein 
. mann erkennt es nicht genau ich weiss nicht mehr was ich tun soll ist 
mein fm75 defekt? habe dir richtigen pull ups drin den kondensator am 
eingang des FM75 und die kommunikation ansich funktioniert ja ich weiß 
wirklich nicht mehr weiter hab jetzt bald alles überprüft.

von Jörg S. (joerg-s)


Lesenswert?

>Ich weiss mnicht mehr weiter kann mir den niemand helfen
Hab ich doch schon geschrieben: Register schreiben (Z.B. Over Limit) und 
wieder auslesen.
Ansonsten würde ich empfehlen erst mal mit was einfachem weiter zu 
machen (z.B. LED blinken lassen, Knight-Rider Licht o.ä. programmieren 
um Erfahrung zu sammeln).
Oder zumindest erst mal einen PCF8574 oder PCA9554 zum üben.

Kennst du das schon?: http://www.mathar.com/msp430.html


>Der wert von data ist jetzt nur noch , ein einfaches , oder ein
>. mann erkennt es nicht genau
Dann schalt halt einfach wieder zurück auf Hex.

>ist mein fm75 defekt?
Glaub ich nicht.

>habe dir richtigen pull ups drin
Wenn du dir nicht sicher bist, mach einfach mal andere rein oder schau 
dir die Signale am Oszi an.


Zeichne noch mal einen gescheiten Schaltplan und poste ihn hier.

von Bobby (Gast)


Lesenswert?

WO STELL ICH DAS DEN UM. UND ICH HABE DIE ANDEREN REGISTER AUSGELES ES 
KOMMT IMMER K RAUS.....

von Rufus Τ. F. (rufus) Benutzerseite


Lesenswert?

Glaubst Du, daß Schreien hilft?

Womit siehst Du Dir überhaupt die Werte an? Im Debugger?

von Bobby (Gast)


Lesenswert?

Ich schreie nich ich hab das nur schon mal erwähnt wie die 
Fehlersituation ist. Ich kucke es mit der Watch funktion an.

von Rufus Τ. F. (rufus) Benutzerseite


Lesenswert?

Bobby schrieb:
> Ich schreie nich

Das ist glatt gelogen.

Wenn Du die Watch-Funktion Deiner Entwicklungsumgebung verwendest, dann 
musst Du Dir die Dokumentation Deiner Entwicklungsumgebung ansehen, um 
herauszufinden, wie man das Format von Werten in der Watchfunktion 
verändert.

Vermutlich wählt die Watchfunktion standardmäßig die Darstellung als 
einzelne Zeichen, weil Deine Variable als "char" deklariert ist.

Probiere es doch mal mit uint8_t oder, da es sich ja um einen 
16-Bit-Wert handelt, gleich mit einem uint16_t.

von Stefan (Gast)


Lesenswert?

Rufus t. Firefly schrieb:
> Wenn Du die Watch-Funktion Deiner Entwicklungsumgebung verwendest, dann
> musst Du Dir die Dokumentation Deiner Entwicklungsumgebung ansehen, um
> herauszufinden, wie man das Format von Werten in der Watchfunktion
> verändert.
>
> Vermutlich wählt die Watchfunktion standardmäßig die Darstellung als
> einzelne Zeichen, weil Deine Variable als "char" deklariert ist.
Code sieht nach IAR aus -> im Watch Window einfach Rechtsklick und 
Format auswählen


> Probiere es doch mal mit uint8_t oder, da es sich ja um einen
> 16-Bit-Wert handelt, gleich mit einem uint16_t.

Das wird den TE eher noch mehr verwirren, da es diese Datentypen im IAR 
standardmäßig nicht gibt (zumindest nicht bei einem C-Projekt).

von Rufus Τ. F. (rufus) Benutzerseite


Lesenswert?

> Das wird den TE eher noch mehr verwirren, da es diese Datentypen im IAR
> standardmäßig nicht gibt (zumindest nicht bei einem C-Projekt).

Da hast Du natürlich recht.
Bei den Verständnisproblemen, die Bobby anscheinend hat (ich würde so 
weit gehen und hier eine recht ausgeprägte Lernresistenz 
diagnostizieren), ist so etwas natürlich fatal.


Eigentlich wäre das mit

  #include <stdint.h>

lösbar.

Und eigentlich sollte "Bobby" schon seit einigen Tagen die beiden vom 
LM75 empfangenen Bytes (die er in seinem Array data ablegt) zu einem 
16-Bit-Wert zusammenfassen und als 16-Bit-Wert betrachten.

Aber wenn ihn solche Banalitäten wie die Werteinterpretation im Debugger 
so komplett durcheinanderbringen, und er Leute anschreit, die mit so 
einer Engelsgeduld wie Jörg versuchen, ihm etwas beizubringen, dann ist 
das vermutlich ein zu weit gestecktes Ziel.

von Bobby (Gast)


Lesenswert?

@Stefan
Danke Stefan werde mal nachschauen in was das angezeigt wird und was 
meinst du sollte ich mal ausprobiren Stefan

von Stefan (Gast)


Lesenswert?

Rufus t. Firefly schrieb:
> Eigentlich wäre das mit
>
>   #include <stdint.h>
>
> lösbar.

Leider, leider nicht !!! ;-)

von Rufus Τ. F. (rufus) Benutzerseite


Lesenswert?

Stefan schrieb:
> Leider, leider nicht !!! ;-)

Was genau magst Du damit meinen? Daß das "Bobby" nicht hilft, oder daß 
das bei IAR nicht funktionieren soll? Ersteres würde ich fast schon 
blind unterschreiben (obwohl man ja die Hoffnung nicht aufgeben soll), 
aber letzteres bestreite ich.

von Stefan (Gast)


Angehängte Dateien:

Lesenswert?

Rufus t. Firefly schrieb:
> Was genau magst Du damit meinen? Daß das "Bobby" nicht hilft, oder daß
> das bei IAR nicht funktionieren soll? Ersteres würde ich fast schon
> blind unterschreiben (obwohl man ja die Hoffnung nicht aufgeben soll),
> aber letzteres bestreite ich.

Ich meine zunächst mal letzteres. Mit CLIB Library Einstellung ergibt 
sich ein Fehler (s. Anhang).
Dieser läßt sich entweder dadurch beheben, dass man in den Optionen 
mindestens "normal DLIB" wählt...
... oder man "wie wild" diverse h-Files kopiert (nein, nur stdint.h 
reicht auch hier nicht ;-)) Was dann allerding wieder Deinen ersten 
Punkt aktuell werden lässt...

... wo soll ich unterschreiben...?

von Bobby (Gast)


Lesenswert?

Wie wärs wenn der ganze Thread gelöscht wird. Weil langsam nervt es mich 
das ihr mich dumm anmacht, und alles so interpretiert wie ihr wollt zum 
bsp. das gross schreiben gleich schreien ist, das ich nicht lernfähig 
bin usw. daher möchte nein ich verlange das dieser ganze Thread gelöscht 
wird. Denn hier ging es mehr darum vom Moderator für dumm verkauft zu 
werden, als von ihm geholfen zu bekommen. Der einzigste der mir wirklich 
geholfen hat war Jörg danke nochmal Jörg.

Und übrigens ich Programmiere nicht mit IAR sondern mit TI CodeComposer 
Studio 4.0.

von Jörg S. (joerg-s)


Lesenswert?

>bsp. das gross schreiben gleich schreien ist
Ist es aber.


Ich weiss jetzt nicht um was bei dir jetzt genau geht. Wenn das ein 
privat Projekt ist um was zu basteln und dich längere Zeit damit zu 
beschäftigen, würde ich dir wie gesagt empfehlen erst mal mit einem 
PCF8574 anzufangen. Das ist ein I2C I/O Baustein an den du z.B. LEDs 
hängen kannst. D.h. wenn das schreiben der Register klappt, siehst du 
sofort das Ergebnis an den LEDs. Für das Lernen im Umgang mit dem I2C 
Bus wäre sowas besser als der Temp. Sensor.

von Bobby (Gast)


Lesenswert?

Ja hab ich mir auch schon bestellt und werde ich auch tun aber ich 
möchte einfach das dieser Thread gelöscht wird da ich in diesem Forum 
nicht weiterhin schreiben möchte.

von Jörg W. (dl8dtl) (Moderator) Benutzerseite


Lesenswert?

Bobby schrieb:
> Ja hab ich mir auch schon bestellt und werde ich auch tun aber ich
> möchte einfach das dieser Thread gelöscht wird da ich in diesem Forum
> nicht weiterhin schreiben möchte.

Ob du hier weiter schreiben willst oder nicht, ist rein deine Sache.
Deshalb löschen wir aber noch lange keine Threads, denn die Welt
besteht ja schließlich nicht nur aus dir.

von Pothead (Gast)


Lesenswert?

Stefan schrieb:
> Das wird den TE eher noch mehr verwirren, da es diese Datentypen im IAR
> standardmäßig nicht gibt (zumindest nicht bei einem C-Projekt).

Blödsinn. IAR unterstützt recht umfangreich C99, auch die stdint-Typen.

von Stefan (Gast)


Lesenswert?

Pothead schrieb:
> Stefan schrieb:
>> Das wird den TE eher noch mehr verwirren, da es diese Datentypen im IAR
>> standardmäßig nicht gibt (zumindest nicht bei einem C-Projekt).
>
> Blödsinn. IAR unterstützt recht umfangreich C99, auch die stdint-Typen.

Bevor Du hier mit großen Worten um Dich schmeisst, hättest Du besser mal 
meine Beiträge zu diesem Sachverhalt genauer durchgelesen!

stdint wird in der CLIB eben nicht unterstützt, in der DLIB aber sehr 
wohl!

von Jörg W. (dl8dtl) (Moderator) Benutzerseite


Lesenswert?

Stefan schrieb:
> stdint wird in der CLIB eben nicht unterstützt, in der DLIB aber sehr
> wohl!

Ja, und?

Warum sollte man die DLIB denn nicht in einem C-Projekt benutzen
können?  Sie heißt ja nun nicht gerade deshalb so, weil man sie nur
für die Programmiersprache D benutzen könne...

Ich verstehe ohnehin nicht, warum sich noch jemand die altertümliche
CLIB freiwillig antun wöllte (von Altprojekten natürlich mal
abgesehen).

von Stefan (Gast)


Lesenswert?

Jörg Wunsch schrieb:
> Warum sollte man die DLIB denn nicht in einem C-Projekt benutzen
> können?
Wo genau habe ich geschrieben, dass man das nicht kann?
Wer will, der kann natürlich, bloß müssen tut man nicht!

> Ich verstehe ohnehin nicht, warum sich noch jemand die altertümliche
> CLIB freiwillig antun wöllte (von Altprojekten natürlich mal
> abgesehen).
Ich verstehe nicht, warum man für spezielle Bedürfnisse gleich Full DLIB 
einbinden sollte, wenn man gewissen Overhead und C++ Schnickschnack gar 
nicht braucht. Alles eine Frage der Anwendung!

von Jörg W. (dl8dtl) (Moderator) Benutzerseite


Lesenswert?

Stefan schrieb:

>> Warum sollte man die DLIB denn nicht in einem C-Projekt benutzen
>> können?

> Wo genau habe ich geschrieben, dass man das nicht kann?

Du hast im Beitrag "Re: Mit MSP430F2132 den Hardware I2c Bus aufbauen um Temperatursensor anzusteuern"
zumindest suggeriert, dass das in einem C-Projekt so wäre.

> Ich verstehe nicht, warum man für spezielle Bedürfnisse gleich Full DLIB
> einbinden sollte, wenn man gewissen Overhead und C++ Schnickschnack gar
> nicht braucht. Alles eine Frage der Anwendung!

Du hast, glaub' ich, nicht begriffen, wie eine Bibliothek funktioniert.
Die erzeugt erstmal gar keinen Overhead per se, und hat auch nichts
mit C++ zu tun -- höchstens insofern, dass man ein C++-Projekt halt
mit der (technisch völlig veralteten) CLIB gar nicht erst anfangen
kann.

Kann sein, dass die DLIB einen aufwändigeren startup-Code besitzt,
der dir etwas mehr "Grundrauschen" rein durch die Auswahl von DLIB
statt CLIB verursacht (ich habe gerade keine funktionierende IAR-
Installation mehr zur Hand, um das zu verifizieren), aber das dürfte
dann in der Gesamtgröße eines jeden realen Projekts keine Rolle mehr
spielen.  Ansonsten werden aus jeder Bibliothek nur die Funktionen
genommen, die man auch tatsächlich benutzt, und rein durch das
Einbinden eines <stdint.h> gibt es einfach nur ein paar neue
Datentypen (die letztlich nur Aliase auf existierende Typen sind),
davon entsteht kein Byte mehr an Code.

Übrigens gibt es auch noch irgendwelche DLIB-Varianten jenseits
von "Full DLIB", bei denen meiner Erinnerung nach sparsamere
Implementierungen einzelner Funktionen zum Tragen kommen, wie
beispielsweise eine Nichtberücksichtigung von wide character types.
Trotzdem hat man damit noch die anderen Annehmlichkeiten der DLIB,
insbesondere die gute Kompatibilität zum C99-Standard.

von Stefan (Gast)


Lesenswert?

Jörg Wunsch schrieb:
> Übrigens gibt es auch noch irgendwelche DLIB-Varianten jenseits
> von "Full DLIB", bei denen meiner Erinnerung nach sparsamere
> Implementierungen einzelner Funktionen zum Tragen kommen,...
Damit gibst Du doch selbst zu, dass es zu Overhead kommen kann, den man 
unter Umständen eben nicht braucht oder nicht haben will/darf!

> Trotzdem hat man damit noch die anderen Annehmlichkeiten der DLIB,
> insbesondere die gute Kompatibilität zum C99-Standard.
Solange ich Compiler-spezifische Intrinsics und Extensions in meinem 
Code einsetze (einsetzen muss), mache ich mir ehrlich gesagt um die 
ANSI-/ISO- und was-weiß-ich-Kompatibilität keinen großen Kopf!

Aber das soll's jetzt gewesen sein, da meine ursprünglichen Postings 
einen ganz anderen Hintergrund hatten...

von Jörg W. (dl8dtl) (Moderator) Benutzerseite


Lesenswert?

Stefan schrieb:
> Solange ich Compiler-spezifische Intrinsics und Extensions in meinem
> Code einsetze (einsetzen muss), mache ich mir ehrlich gesagt um die
> ANSI-/ISO- und was-weiß-ich-Kompatibilität keinen großen Kopf!

Das sehe ich halt anders.  "So inkompatibel wie nötig" lautet da die
Devise, und die Compilerabhängigkeiten kann man dann erfolgreich
in einem einzigen Headerfile verstecken.

Dinge wie <stdint.h> sind dabei einfach mal eine große Hilfe, da sie
einem bestimmte Abstraktionen bereits abnehmen, die man sich sonst
extra schaffen müsste.

von Pothead (Gast)


Angehängte Dateien:

Lesenswert?

Stefan schrieb:
> Bevor Du hier mit großen Worten um Dich schmeisst, hättest Du besser mal
> meine Beiträge zu diesem Sachverhalt genauer durchgelesen!
>
> stdint wird in der CLIB eben nicht unterstützt, in der DLIB aber sehr
> wohl!

Huijui, warum denn so agressiv?

Stefan schrieb:
> Wo genau habe ich geschrieben, dass man das nicht kann?
> Wer will, der kann natürlich, bloß müssen tut man nicht!

Man kann natürlich auch um den heißen Brei herumlamentieren und sich so 
alle Ausreden offen halten, oder? Dann will ich mal zitieren:

Stefan schrieb:
> Das wird den TE eher noch mehr verwirren, da es diese Datentypen im IAR
> standardmäßig nicht gibt (zumindest nicht bei einem C-Projekt).

Das ist schlichtweg falsch. Legt man ein neues C-Projekt (nicht C++) an, 
so ist standardmäßig die DLIB ausgewählt. Siehe Anhang.

Bitte melde dich an um einen Beitrag zu schreiben. Anmeldung ist kostenlos und dauert nur eine Minute.
Bestehender Account
Schon ein Account bei Google/GoogleMail? Keine Anmeldung erforderlich!
Mit Google-Account einloggen
Noch kein Account? Hier anmelden.