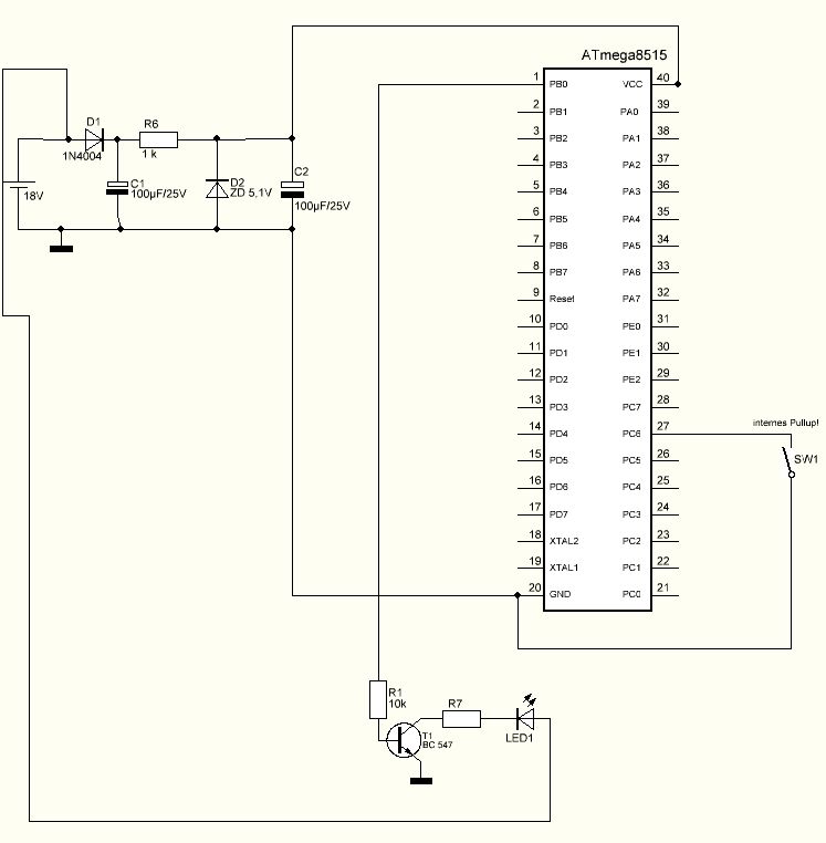
Hallo, könntet Ihr mal bitte über die Schaltung schauen, ob die so in Ordnung wäre??? Ziel ist es, in den ATmega8515 ein paar LEDs (bzw. später auch Relais, ...) anzuschließen und eben ein paar Eingänge mit Schaltern zu haben. Der Übersichtlichkeitshalber habe ich jetzt nur 1 LED und 1 Schalter eingezeichnet... Die Schaltung wird mit 16 - 18V vom Modellbahntrafo gespeißt. Vielen Dank für Eure Hilfe!!!!
Hallo, lass das mit der Z-Diode und nimm einen Festspannungsregler! Für die Schaltung mit der Z-Diode muß / sollte die Stromaufnahme der Schaltung bekannt und einigermaßen konstant sein. Der Pullup (R8) für den Schalter ist nicht zwingend erforderlich, da kannst Du auch den internen Pullup einschalten. Der 100nF Kondensator zwischen Vcc und GND fehlt. Resetbeschaltung fehlt. Gruß, Stefan
Martin Fitzel schrieb: > Hallo, > > könntet Ihr mal bitte über die Schaltung schauen, ob die so in Ordnung > wäre??? > > Ziel ist es, in den ATmega8515 ein paar LEDs (bzw. später auch Relais, > ...) anzuschließen und eben ein paar Eingänge mit Schaltern zu > Der Übersichtlichkeitshalber habe ich jetzt nur 1 LED und 1 Schalter > eingezeichnet... Wenn der Trafo Wechselspannung liefert, wird die LED nicht lange leben. Maximal ca. 30 ms, weil die spätestens dann verpolt mit viel zu hoher Sperrspannung betrieben wird. Liefert der "Trafo" Gleichspannung stirbt die LED beim ersten Einschalten. Drehe die mal um. > Die Schaltung wird mit 16 - 18V vom Modellbahntrafo gespeißt. Gespleißt oder gespeist? Ich würde die Schaltung eher aus einer 5V-Wandwarze oder aus einem USB-Port versorgen. Auf jeden Fall würde ich die Konstruktion mit Zenerdiode und Widerstand durch einen Spannungsregler ersetzen und einen Brückengleichrichter statt der Diode vorsehen. Dann kannst Du die LEDs mit den geregelten 5V betreiben. > Vielen Dank für Eure Hilfe!!!! Freu' Dich nicht zu früh ;-) Falk
Sie ist eh falschrum. Nicht nur die 470k sind um Faktor 587 zu gross, auch der 10k Basiswiderstand sollte geviertelt werden. Ein 100nF Keramikkondensator zwischen GND und VCC des uC fehlt auch, und die Stromverosgung ist abenteuerlich, taugt nur wenn der uC nicht mehr als 10mA verbraucht, was man zwar mit geeigneter Programmierung in Stromsparmode erreichen könnte, aber DA denkt der Martin sicher nicht dran. Warum werden eigentlich immer die Schaltungen in denen Leute von "LEDs" reden unterirdisch mieserabel ? "LEDs" muss ein honypot für Vollpfosten sein.
MaWin schrieb: > Warum werden eigentlich immer die Schaltungen in > denen Leute von "LEDs" reden unterirdisch mieserabel ? > "LEDs" muss ein honypot für Vollpfosten sein. Warum können Leute wie MaWin keine anständigen Kommentare schreiben?
Herzlichen Dank, ich arbeite an Version 2 der Schaltung! :) Für meine allererste ist das doch ok und ich will ja lernen. Mich beeindrucken auch die Kommentare wie von "MaWin" nicht - zumal der erstmal den "honypot" auch richtig schreiben können sollte ;) Danke an alle anderen... Die LED habe ich nun mit dem richtigen Symbol und richtig herum eingesetzt - den Widerstand muss ich noch berechnen (sorry, war nur ein "Zahlenhalter" - mein Fehler...) Der Aufbau mit der Z-Diode verkauft so ein Hersteller, der auch kleinere Schaltungen für LEDs verkauft - habe das als Vorbild genommen, um die 5 Volt zu erhalten... Aber Eure Anregungen werden mich wohl noch beschäftigen...
So - nun Version 2 - ist da noch ein GANZ GROBER Schnitzer drin (wie gesagt, meine erste Schaltung...)???
Als Erstes würde ich die Spannungsversorgung auf einen Linearregler (LM7805) oder Schaltregler umstellen (wegen der 13V Verlust beim Linearregler). Kondensatoren beim µC und Spannungsregelung sollten sein. Den Schalter würde ich nur gegen Masse schalten und den Eingang mit den internen Pullups hochziehen (spart schon mal ein Bauteil pro Schalter). Wenn es nur um das Schalten von LEDs geht würde ich die direkt - ohne Transistor - an den Ausgang hängen. sind es nur wenige, kann man 20mA-Typen nehmen, sind es ein paar mehr würde ich LowCurrent-Typen nehmen - spart pro LED noch mal 2 Bauteile.
Jörg B. schrieb: > (wegen der 13V Verlust beim Linearregler). Du hast auch beim Schaltregler 13V "Verlust": 18V am Eingang und 5V am Ausgang... :-o Allerdings wird dieser Spannungsabfall nicht einfach zusammen mit dem Strom in Verlustleistung umgewandelt... ;-)
hast du folgendes überhaupt gelesen? > lass das mit der Z-Diode und nimm einen Festspannungsregler! Für die > Schaltung mit der Z-Diode muß / sollte die Stromaufnahme der Schaltung > bekannt und einigermaßen konstant sein. nachgucken: http://www.mikrocontroller.net/articles/AVR-Tutorial:_Equipment#Stromversorgung vielleicht nimmst du dir erst mal nen Nachmittag Zeit und liest GANZ IN RUHE das AVR Tutorial auf dieser Seite durch
Martin Fitzel schrieb: > So - nun Version 2 - ist da noch ein GANZ GROBER Schnitzer drin (wie > gesagt, meine erste Schaltung...)??? Willst du das Ding nur anschauen oder auch programmieren? ISP-Stecker Resetbeschaltung Dann endlich einen Linearregler, mit 10mA wirste nicht glücklich, da du später sicher noch mehr an das Teil baust Für R7 haste dich nicht mehr getraut nen Wert hinzuschreiben :-)? Frei nach R= (18Volt- U_be - U_led)/I_led berechnen und rein da. Die 18Volt sind jetzt ganz sicher Gleichspannung? :-)
Ne, sorry, fürs Programmieren habe ich einen STK-500, habe ich glaube nicht erwähnt. Die Schaltung soll NUR I/O verarbeiten... Den R7 Wert muss ich in der Tat noch rechnen :) Die 18 Volt sind Gleichspannung... @JulianO: Doch habe ich gelesen, danke - aber ich wollte heute nur mal die Fehler noch raushaben und verstehen - die Verbesserungen dann morgen im 2. Schritt.
Bitte melde dich an um einen Beitrag zu schreiben. Anmeldung ist kostenlos und dauert nur eine Minute.
Bestehender Account
Schon ein Account bei Google/GoogleMail? Keine Anmeldung erforderlich!
Mit Google-Account einloggen
Mit Google-Account einloggen
Noch kein Account? Hier anmelden.

