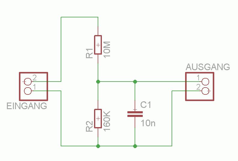
Hallo, ich möchte gerne mit einem ADC und einem PIC eine Spannung messen, die maximal 300V betragen kann. Ich habe mir dazu den angehängten Spannungsteiler überlegt, da sollte genug Reserve drin sein. Mein ADC hat als Referenzspannung stabilisierte 5V. Meine Spannungs ist maximal 300V, die Reserve mit R2 = 160K geht (im unbelasteten Spannungsteiler-Modell) bis 317V. Ist das so OK von den Werten oder gibt es Einsprüche? Gruß Jens
Spannungsmessung 300V schrieb: > Ist das so OK von den Werten oder gibt es Einsprüche? Vielleicht den oberen Widerstand auf 2 Widerstände aufteilen, Stichwort Durchschlag. Ansosnten muss dein ADC eben mit der recht hohen Quellimpedanz klarkommen, wenn nicht, entweder einen Impedanzwandler hinterher oder ein S&H Kondensator. :-)
Ich würde vielleicht noch eine Zener-Diode zum Schutz des Controllers dran hängen.
Ein kleiner C(im nF Bereich) parallel zu R2 kann nicht schaden, wenn nur Gleichspannung gemessen werden soll. Ich kenn den Eingangswiderstand der ADCs von den PICs nicht auswendig. Im Zweifelsfall den Spannungsteiler mit einem Rail2Rail FET-Opamp puffern.
Also ich benutze einen ADC von Maxim, den PIC nehme ich nur zum Auslesen. Gut, nen Kondensator gibt's dazu. 22n weil ich die hier zu dutzenden rumliegen habe. Schaut das im Anhang mit der Z-Diode richtig aus? Ich dachte ich nehm einen 5.1V-Typ, z.B. die "ZF 5,1 :: Zener-Diode 0,5W 5,1V" von Reichelt. Gruß Jens Floh schrieb: > Ansosnten muss dein ADC eben mit der recht hohen Quellimpedanz > klarkommen, Was meinst du damit? Was genau erzeugt die hohe Impedanz? Jens
Spannungsmessung 300V schrieb: > Ist das so OK von den Werten oder gibt es Einsprüche? Normale Widerstände halten nur 200V oder sogar nur 100V aus. Du brauchst entweder einen "Hochspannungswiderstand" für R1 oder mehrere in Reihe. Falls Transienten zu erwarten sind entsprechend mehr. Für eine genaue Messung (10 Bit) darf R2 nicht größer als 10K sein. Bei einigen PICs sogar nur max 2K5. Wenn nur selten und bei nicht allzu hohen Temperarturen gemessen wird reicht ein Kondensator mit > 22nF für 10 Bit Auflösung parallel zu R2. Gruß Anja
Jens schrieb: > Also ich benutze einen ADC von Maxim, Hättest Du früher sagen müssen: welchen denn? Welche Eingangsimpedanz und welchen Leckstrom hat der ADC? Gruß Anja
Anja schrieb: > Normale Widerstände halten nur 200V oder sogar nur 100V aus. Du brauchst > entweder einen "Hochspannungswiderstand" für R1 oder mehrere in Reihe. Danke für den Tip! Ich denke ich werde dann mehrere in Reihe schalten. Anja schrieb: > Falls Transienten zu erwarten sind entsprechend mehr. Was meinst du mit Transienten? Sich ändernde Spannungen / Ströme? Anja schrieb: > Für eine genaue > Messung (10 Bit) darf R2 nicht größer als 10K sein. Bei einigen PICs > sogar nur max 2K5. Ich messe ja mit einem ADC von Maxim. Typennummer hab ich grad nicht da aber ist ein 10Bit-Teil, habe ich als Sample bekommen. Gruß Jens
Jens schrieb: > Was meinst du damit? Was genau erzeugt die hohe Impedanz? Die 10Meg von R1. Wenn man den ADC auf den Eingangswiderstand, von meinetwegen 10Meg, reduziert taucht im Schaltbild ein weiterer Widerstand parallel zu R2 auf, der das Teilverhältnis ändert.
Jens schrieb: > Was meinst du mit Transienten? Sich ändernde Spannungen / Ströme? Transienten sind Überspannungen wie sie z.B. beim Abschalten von Induktivitäten entstehen können. Ohne Schutzbeschaltung entstehen da locker so das 10 - 20 fache der Betriebsspannung. Jens schrieb: > Ich messe ja mit einem ADC von Maxim. Typennummer hab ich grad nicht da > aber ist ein 10Bit-Teil, habe ich als Sample bekommen. Daraus kann Dir kein Mensch die Eingangsimpedanz (Kapazitiver Wandler oder nicht) bzw. die Leckströme berechnen. Noch was: Z-Dioden haben sehr hohe Leckströme in der Nähe der Z-Spannung. Dadurch ergibt sich bei hochohmiger Beschaltung ein starker Meßfehler. Gruß Anja
Hallo, Anja schrieb: > Transienten sind Überspannungen wie sie z.B. beim Abschalten von > Induktivitäten entstehen können. Ohne Schutzbeschaltung entstehen da > locker so das 10 - 20 fache der Betriebsspannung. Danke für die Erklärung. Ich messe die Spannung an einer Kaltkathodenröhre (Nixie), ich denke nicht, dass da Überspannungen auftreten. Anja schrieb: > Daraus kann Dir kein Mensch die Eingangsimpedanz (Kapazitiver Wandler > oder nicht) bzw. die Leckströme berechnen. Ich weiß :-/ Ich könnt mich beißen dass ich gerade nicht den Typennamen im Kopf habe. Mittwoch bin ich in der Werkstatt, dann weiß ich mehr :-) Anja schrieb: > Noch was: Z-Dioden haben sehr hohe Leckströme in der Nähe der > Z-Spannung. Dadurch ergibt sich bei hochohmiger Beschaltung ein starker > Meßfehler. Also lieber weglassen? Jens
Anja schrieb: > Daraus kann Dir kein Mensch die Eingangsimpedanz (Kapazitiver Wandler > oder nicht) bzw. die Leckströme berechnen. So, nachgelesen: Digital Output Three-State Leakage Current I_l = ±0.01 ±10 uA Eingangskapazität 10pF Wobei helfen mir diese Zahlen? Jens
Der Digital Kram kann dir erstmal egal sein. Im Datenblatt steht auf Seite 7: >Higher source impedances can be used if a 0.01μF >capacitor is connected to the analog input. Note that >the input capacitor forms an RC filter with the input >source impedance, limiting the ADC’s input signal >bandwidth.
Ahh gut, also packe ich einen 10nF parallel dazu. Das mit der Limitierung der Bandbreite kann mir egal sein, da ich sowieso nur Gleichspannung an einer Kaltkathodenröhre messen will, die ändert sich erfahrungsgemäß fast gar nicht. Neue Version im Anhang. Was muss ich noch beachten? Danke schonmal für eure Hilfe! Lg Jens
Jens schrieb: > Kaltkathodenröhre Zu Beleuchtungszwecken? Die 300V sind Brennspannung, gezündet wird mit höherer Spannung. Außerdem werden CCFLs mit Wechselspannung betrieben.
Nein, Kaltkathodenröhren in Form von Nixie-Röhren, da kenn ich mich aus, keine Sorge :)
Dann ziehe ich meine obige Bemerkung zurück ;) Warum misst du nicht direkt die Spannung am Feedback Pin deines Hochsetzstellers?
Am was?-Pin meines SMPS? Hier das Datenblatt: http://www.tracopower.com/fileadmin/medien/dokumente/pdf/products/dc_dc_converters/mhv.pdf Es ist der Typ MHV12-300S10P.
> Warum misst du nicht direkt die Spannung am Feedback Pin deines > Hochsetzstellers? Vielleicht weil's ein Regler ist, denn ein Steller hätte kein Feedback nötig ? WENN ihr schon tumbdeutsche FACHwörter einwerft, dann wenigstens richtig. Steller = nicht regeln.
Bitte melde dich an um einen Beitrag zu schreiben. Anmeldung ist kostenlos und dauert nur eine Minute.
Bestehender Account
Schon ein Account bei Google/GoogleMail? Keine Anmeldung erforderlich!
Mit Google-Account einloggen
Mit Google-Account einloggen
Noch kein Account? Hier anmelden.


