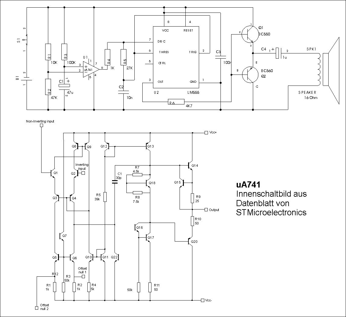
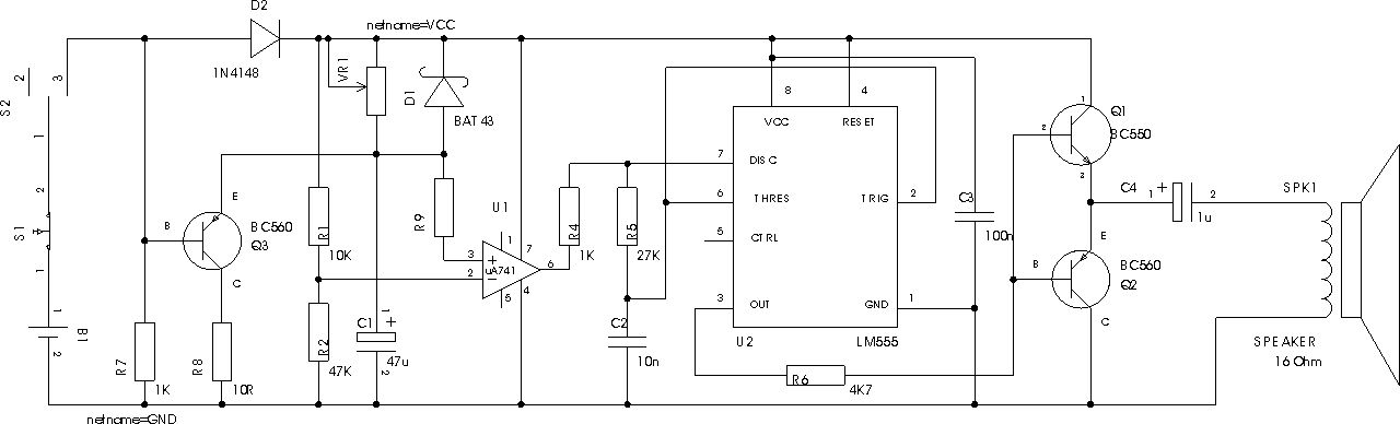
Ich habe da ein seltsames Phänomen. Umgekehrt als sonst, frage ich mich, warum etwas funktioniert. Bei folgender Schaltung handelt es sich um ein Gerät, was einen lauten Piepston von sich gibt, wenn man vergisst, das Kindersicherungstörchen an der Treppe wieder zu verschließen, nachdem man es zum Passieren geöffnet hat. Sie besteht aus einem uA741 Operationsverstärker als Komperator, um eine Einschaltverzögerung zu erzeugen, einem NE555 als Oszillator und einer Endstufe aus BC550/BC560. Hierbei handelt es sich um Bauteile, mit denen ich schon vor über 25 Jahren herumbastelte, und ich habe sie eher aus Sentimentalität und Nostalgie als aus irgendwelchen praktischen Gründen gewählt. Die Batterie ist eine 9V Block, der Schalter ein öffnender Mikroschalter, der durch das Schließen des Törchens betätigt (geöffnet) wird. So braucht die Schaltung im Ruhezustand keinen Strom. Unter den Schaltplan habe ich die Innenschaltung des uA741 eingefügt, um das mir nicht verständliche Phänomen zu erläutern. Ich hatte erst probiert, für die Einschaltverzögerung ebenfalls einen NE555 zu nehmen, bin dann aber an dem prinzipiellen Problem gescheitert, dass der NE555 nach dem Einschalten eine Trigger-Flanke braucht, um das Timing zu starten, was mir den NE555 für diesen Zweck ungeeignet scheinen lässt. Als ersten Schritt für einen Schaltungsentwurf mit einem ungetriggerten Zeitgeber habe ich dann diese Schaltung auf dem Steckboard aufgebaut, um das Entladen des Kondensators nach dem Ausschalten wollte ich mich dann im 2. Schritt kümmern. - Tja, und dann das: Der Kondensator entlädt sich in Sekundenbruchteilen nach dem Ausschalten von selbst! Das kann eigentlich nur über den nichtinvertierenden Eingang des 741 geschehen, denn zum Laden über R3 (in der Realisierung dann ein Trimmpoti) braucht er einige Sekunden. Im Innenschaltbild finde ich aber keinen Weg, den der Strom hier nehmen könnte. Q8 und Q9 sind PNPs, da fließt in die Basis nichts herein. Bleibt der Weg über Q1 und Q3, aus der Basis von Q3 zu Q10/Q11, kann da aber nicht weiter fließen, da Vcc ja 0V ist, und so vom Stromspiegel Q12/Q13 nichts kommen dürfte. Wer weiß des Rätsels Lösung?
Hehe, das ist ne tolle Aufgabe :-) Tipp: Interne Schutzdioden des OPs...
Ich verstehe Dich jetzt nicht wirklich? Willst Du wissen warum die Innenschaltung des 741 ein OP ist? Die Schaltung am OP ist doch wohl pupseinfach: Am invertierenden Eingang ist durch den Spannungsteiler R1-R2 eine Spannung von ca. 5/6 der Versorgung. Nach dem Einschalten lädt sich jetzt C1 über den Widerstand R3 auf, den Stromfluss in den Eingang des OPs kann man vernachlässigen. Sobald jetzt die Spannung an C1 größer wird als am Spannungsteiler 'schaltet' der OP den Ausgang auf annähernd Ub da seine Verstärkung (ohne Rückkopplung) sehr groß ist. Wenn Du die Schaltung jetzt komplett mit Innenschaltung des OPs bis ins Detail verstehen willst dann viel Spass, da hätte ich besseres zu tun.
Ok, jetzt habe ich auch die Frage verstanden, sorry zu schnell gelesen. Sind natürlich interne PN Übergänge entweder wirklich als Schutzdioden designed oder parasitäre Dioden.
Es geht darum, warum der Kondensator nach dem Ausschalten endtlädt. Den Teil, den Du beschrieben hast, verstehe ich schon, da ich die Schaltung ja selbst entworfen habe. Natürlich ist es erst mal eine rein theoretische Frage, aber das macht sie nicht minder interessant. Wenn Du Dich damit begnügst, dass eine Schaltung funktioniert, ohne sie zu verstehen, - bitteschön. Mir reicht das halt nicht. Sich mit der Innenschaltung eines OPs zu beschäftigen halte ich außerdem für recht lehrreich.
Ooops, Kreuzposting. Zu den Schutzdioden: Wo kann ich die im Innenschaltplan platzieren? Von anderen Innenschaltplänen von bipolaren oder CMOS-ICs (z.B. 7400er oder 4000er) kenne ich Schutzdioden nur in Sperrichtung zwischen Eingang und GND geschaltet. Ich denke mal, das wird hier nicht anders sein. Welche internen PN-Übergänge leeren den Elko C1?
das ist ganz einfach Wenn die Spannung an den Eingängen > als die Betriebsspannung des OPs ist, zünden irgendwann parasitäre Thyristoren im OP. Damit kriegt man empfindliche Teile auch kaputt. Ich würde eine schottky-diode zwischen +vom C und v+ des Opamp schalten.
Es ist ratsam, vor den invertierenden Eingang einen Widerstand von z.B. 1 kOhm einzufügen, um die Stromstärke zu begrenzen.
Der C entlädt sich über die parasitären Dioden oder Thyristoren über alles was zwischen Ub und Masse angeschlossen ist. Das sind die ICs selbst und hier noch der Spannungsteiler R1 und R2. Die Aussagen von mmh und jjk123 sind wichtig. Um eine Zerstörung des OPs zu vermeiden sollte entweder sichergestellt sein, daß die Eingänge keine deutlich höhere Spannung als Ub bekommen, z.B. mit einer Schottky Diode (Die eine geringere Durchlassspannung besitzt als die internen PN Übergänge) oder durch einen Widerstand vor den Eingängen sollte zumindest der Strom begrenzt werden. Wo man die parasitäten PN Übergänge in den Innenschaltplan zeichen müsste hängt von der individuellen Schaltung ab. Das kann sich ggf. bei verbreiteten ICs wie dem 741 sogar von Hersteller zu Hersteller unterscheiden. Klar kann eine solche Innenschaltung lehrreich sein, aber die Zeit ist begrenzt. Schliesslich weiß immer noch niemend genau warum eigentlich Materie Masse hat (Siehe Cern) und trotzdem wundern wir uns nicht warum Dinge nach unten fallen :-))
Ich glaube, eine Grundsatzdiskussion über Sinn und Zweck eines Hobbys sollten wir uns hier ersparen. ;) Nur soviel: Du schreibst selbst, dass keiner weiß, warum Materie Masse hat, also ist das Beispiel nur bedingt mit meiner Frage vergleichbar, da es sicher Leute gibt, die wissen, was in einem 741 vorgeht. Der Tip mit der Diode ist schon mal gut. Damit dürfte die Schaltung auch weiterhin funktionieren, wenn ich den nichtinvertierenden Eingang durch einen Vorwiderstand schütze. :) Über R1 und R2 dürfte keine Entladung stattfinden, die so schnell wie die beobachtete ist, denn dafür sind sie zu groß. @mhh: Du meinst doch sicherlich den nichtinvertierenden Eingang, denn der invertierende ist ja bereits zwischen R1 (10K) und R2 (47K) eingekeilt. Alles interessante Hinweise. Ich werde als nächstes den NE555 herausnehmen und schauen, ob der beim Entladevorgang beteiligt ist und den Schutz durch Diode und Widerstand einbauen. Wenn ich das jetzt richtig verstanden habe, würde der Kondensator sich nicht so schnell entleeren, wenn ich den uA741 mit diskreten Bauelementen nachbauen würde (was nicht geht, da der Stromspiegel Q12/Q13 thermische Kopplung verlangt). Stimmt das so?
Philipp Klostermann schrieb: > @mhh: Du meinst doch sicherlich den nichtinvertierenden Eingang, denn > der invertierende ist ja bereits zwischen R1 (10K) und R2 (47K) > eingekeilt. Natürlich, ich wollte nur das getippe der vier Buchstaben mehr mir ersparen. :)
Also, ich habe jetzt eine 1N5819 Schottky-Diode (eine kleinere habe ich gerade nicht da, aber ich habe gerade noch ein paar andere in meinen Reichelt-Warenkorb gelegt) vom Kondensator (Anode) nach Vcc (Kathode) gelegt, und zwischen Kondensator und nicht-invertierendem Eingang einen 100K Widerstand geschaltet. (Ich dachte, bei der relativ hohen Eingangsimpedanz geht auch ein deutlich höherer Widerstand, und 100K schützen besser als 1K. Die Schaltung funktioniert immer noch wie beschrieben. :) Wenn ich den NE555 und die Endstufe abklemme und den linken Teil der Schaltung mit dem uA741 separat betreibe, entlädt sich der Kondensator sichtbar langsamer. Es ist zwar für die genannte Anwendung irrelevant, aber um es halbwegs "schön" zu machen, sollte ich also doch noch etwas einbauen, was den Kondensator aktiv entlädt, sobald die Betriebsspannung abfällt. Mal sehen, was ich mir da ausdenke, ohne auf Exoten wie normal leitende p-Kanal MOSFETs zurückzugreifen..
Da brauchst Du nichts ändern. Durch die Diode spielt der Kondensator Betriebsspannung für die Schaltung nach dem Wegfall der normalen Spannungsversorgung. Das ist vollkommen gefahrlos und "schön" genug.
Wie gesagt, für die genannte Anwendung irrelevant. Aber was ist, wenn man eine Anwendung hat, bei der die Schaltung sehr schnell wieder betriebsbereit sein muss, es dabei auf identische Zeiträume ankommt, und ein weniger stromgefräßiger OP als der uA741 und ein sparsamerer Verbraucher als ein NE555-Oszillator mit einer Gegentakt-Endstufe und Lautsprecher verwendet wird?
>Wie gesagt, für die genannte Anwendung irrelevant. Aber was ist, wenn >man eine Anwendung hat, bei der die Schaltung sehr schnell wieder >betriebsbereit sein muss, es dabei auf identische Zeiträume ankommt, und >ein weniger stromgefräßiger OP als der uA741 und ein sparsamerer >Verbraucher als ein NE555-Oszillator mit einer Gegentakt-Endstufe und >Lautsprecher verwendet wird? Dann würde ich einen ATTiny verbauen ;-) Der BOD kümmert sich um den Reset und der interne RC sollte für eine relativ gute, reproduzierbare Verzögerung sorgen. Wenn man lustig ist, kann man ja noch ein Poti dranklemmen, mit dem man die Verzögerung einstellen kann. Die Tonausgabe macht die Timer-PWM und fertig ist die Laube! Man benötigt allerdings gute Assemblerkenntnisse oder einen gut optimierenden Compiler, da man z.B. den ATTiny13 sehr schnell voll hat.
Klar, mit einem AVR wäre das ganze recht pieselig, nur sollte man meiner Meinung nach, trotz aller Möglichkeiten, Analogtechnik durch Digitaltechnik zu ersetzen, die Analogtechnik nicht aus den Augen verlieren und Fragen, die sich bei der Beschäftigung mit ihr aufwerfen verfolgen. Auch wenn es bei Einzelstücken, mit deren Entwicklung und Herstellung ich mich (neben-)hobbymäßig beschäftige quatsch ist, finde ich es spannend, eine Schaltung bezüglich der Bauteilkosten zu optimieren, und der billigste AVR (ATtiny11L SO-8) ist mit 60 Cent immer noch 8 Cent teurer als ein uA741-DIP (17 Cent), ein NE555-DIP (15 Cent), 5 Widerstände (10 Cent), ein Elko (4 Cent) und ein Keramikkondensator (6 Cent) die zusammen 52 Cent kosten. Dazu kommt, dass kein mir bekannter AVR direkt an eine 9V Blockbatterie angeschlossen werden kann, was in Anbetracht der erwünschten Batterie-Lebensdauer einen MCP1702 (46 Cent), einen 1uF Elko (4 Cent) und einen Keramikkondensator um die 10-100nF (6 Cent), also insgesamt 56 Cent für die Spannungsversorgung erforderlich macht. Die Endstufe (2 Transistoren zu je 4 Cent, ein Elko (4 Cent) und ein Kleinlautsprecher (35 Cent bei Pollin) kostet 47 Cent. Mit dem Batterieclip (14 Cent) kostet die analog Version 1,13 Euro und die AVR-Version 1,73 Euro. Die AVR-Version wäre also insgesamt 53% teurer. (Und das unter der Voraussetzung, dass SMD-Bauteile verwendet werden können, also eine Platine hergestellt werden muss, was teurer als ein kleines Stück Streifen-Lochraster ist!) Ich habe außerdem bereits ein AVR Einsteigerprojekt, an dem ich seit einigen Monaten herumbrassele, nämlich die Modifikation einer alten Fernbedienung (Grundig TP650, ein wunderschönes Pult mit viel Platz für Erweiterungen) zum universellen Musikspielzeug für meine (noch ganz kleine) Tochter. :-) (ATmega8, 2 Schieberegister 4014 und 4015 für die 7*8 Matrix-Tastatur, MCP4151 zur Schonung meiner Ohren, LM4861 für Batterieschonenden Sound und genannter MCP1702 für die Versorgung)
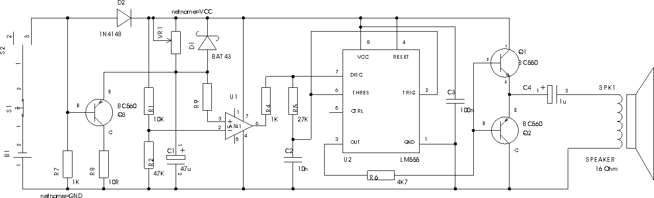
Die Beteuerungen, dass es unnötig sei ignorierend habe ich jetzt (zusätzlich zu Schottky-Diode und Schutzwiderstand) eine einfache Entladeschaltung hinzugefügt, indem ich Die Hauptschaltung über eine Diode von der Stromversorgung trenne, so dass aus der Schaltung kein Strom aus der Schaltung durch einen Verbraucher fließen kann, der vor der Diode liegt. Dieser Verbraucher ist ein 1K-Pulldown Widerstand nach GND (R7), der mit der Basis von einem PNP-Transistor (Q3) verbunden ist, und der im eingeschalteten Zustand hohes Spannungsniveau hat, also keinen Strom aus der Basis von dem Transistor über R8 fließen lässt. Q8 verbindet den Kondensator an Emitter über einen 10R-Widerstand am am Kollektor mit GND. Kommt von der Batterie keine Spannung mehr (Mikroschalter offen), fällt die Spannung an der Basis von Q3 ab, Basisstrom kann nach GND fließen, und der Transistor entlädt den Kondensator. Am Oszi kann man jetzt auch sehen, dass die Spannung am Kondensator nach dem ausschalten quasi sofort auf < 1V absinkt. :-) Im Anhang die aktualisierte Schaltung
mhh schrieb: > Es ist ratsam, vor den invertierenden Eingang einen Widerstand von > z.B. 1 kOhm einzufügen, um die Stromstärke zu begrenzen. Warum?
Die Antwort gibt es im Beitrag zuvor von: jjk123 (Gast) Datum: 31.08.2010 16:17
Die Batterie ist immer noch verpolt.
@jjk123 (Gast) Die parasitäre Thyristoren welche zünden können (latchup) lauern bei CMOS IC latent im Hindergrund, die ollen Bipolar ICs (wie der 741) dürften hier weitaus robuster sein. Hier wird der 741 in einer Powerpoint Show erklärt... http://av.rds.yahoo.com/_ylt=A0geuluzp7RMZQUAgQ.TLaMX;_ylu=X3oDMTBvdmM3bGlxBHBndANhdl93ZWJfcmVzdWx0BHNlYwNzcg--/SIG=13sqofq20/EXP=1286994227/**http%3A//www.calvin.edu/~pribeiro/courses/engr332/Handouts/The%2520uA741%2520Operational%2520Amplifier.ppt die Schaltung des 741 ist aus dem Jahre 1968 : http://en.wikipedia.org/wiki/Operational_amplifier
@Batterie: So besser? Ich habe mal gemacht, was ich zuerst hätte machen sollen, nämlich einen uA741 aus dem Regal zu nehmen und die Eingänge mit dem Dioden-Tester vom Multimeter durchzumessen. Und siehe da, es gibt Dioden mit über 0,7V@1mA Durchlassspannung (also recht schwachbrüstig) an den Eingängen, Jeweils eine mit der Anode an GND und eine mit der Kathode an Vcc.
Mehrlesender schrieb: > Die Antwort gibt es im Beitrag zuvor von: > jjk123 (Gast) > Datum: 31.08.2010 16:17 > > > > Beitrag melden | Bearbeiten | Löschen | Hmmm, aber an E- hängt kein C, unwahrscheinlich dass hier eine Spannung > V+ anliegt. Solche Sicherheits-R's kann man machen, ich behaupte aber, er ist hier unnötig. Aber ich lasse mich gerne eines besseren belehren...na ja...eher ungern, aber trotzdem !
Philipp Klostermann schrieb: > So besser? Nein: http://de.wikipedia.org/wiki/Datei:Battery_symbol1.svg
@... Oh Mann, manche Fehler sind hartnäckig. Hatte es eigentlich korrigiert gehabt, aber irgendwo auf dem Weg von .sch über .ps und .cdr nach .gif muss ich wohl etwas falsch gemacht haben. @ganz Dummer: Dieses Missverständnis wurde am selben Tag um 18:12 und 18:23 beseitigt.
@ Phillip K. auch menno, der überfliegt man mal anderthalb beiträge im thread...
Warum muß es eigentlich immer der steinalte uA741 sein ? Der OpAmp funktioniert nicht mit Eingängen knapp über V- Potential. Hätten die gütigen Herren doch EIN MAL ein Blick ins Datenblatt geworfen, bevor sie die vergessenen Kellerschränke ihrer Omas ausräumen (man kann es natürlich auch im Innenschaltbild erkennen wo 3 Diodenspannungsabfälle nach dem Eingang nach V- hintereinander liegen, wenn man Schaltbilder lesen könnte). Die Spannung an den Eingängen muß lt. Datenblatt mindestens 3V höher sein als die negative Versorgungsspannung. Und das ist hier beim Laden des Kondenstaors garantiert nicht der Fall, der lädt ab V-. In dieser Schaltung müsste man den uA741 also mindestens mit einer Spannung von -3V als negative Versorgungsspannung versorgen, damit er das Aufladen des Kondenstaors verfolgen kann ohne phase reversal und ohne beliebiges sonstiges Verhalten. Aber drei mal darf man raten, für eine zusätzliche negative versorgungsspannung von -3V ist man wieder zu faul und zu geizig, aber statt dem uA741 darf es auch auf keinen Fall der 10 Jahre jüngere LM324 sein, der wenigstens als single supply OpAmp in der Lage ist ab Masse zu messen. Wahrscheinlich weil der LM324 noch nicht 1cm Staubpelz angesetzt hatte. Kauft euch einfach mal einen neuen OpAmp, so nach 40 Jahren sollte das wohl mal möglich sein ! Dann klappts auch mit dem Elektronikbasteln.
MaWin schrieb: > Kauft euch einfach mal einen neuen OpAmp, so nach 40 Jahren sollte das > wohl mal möglich sein ! Dann klappts auch mit dem Elektronikbasteln. Ufff, bei mir liegt ein LM358, der kann das auch! Ich such immer noch die einschaltverögerung mit den wenigsten Bauteilen, ist aber eer akademisches denn finanzielles Interesse.
MaWin schrieb: > Warum muß es eigentlich immer der steinalte uA741 sein ? Warum nicht? Nicht alles, was alt ist, ist auch automatisch schlecht. > Der OpAmp funktioniert nicht mit Eingängen knapp über V- Potential. Der741er wird hier auch nicht als Opamp, sondern als Komparator betrieben. > Hätten die gütigen Herren doch EIN MAL ein Blick ins Datenblatt > geworfen, bevor sie die vergessenen Kellerschränke ihrer Omas ausräumen > (man kann es natürlich auch im Innenschaltbild erkennen wo 3 > Diodenspannungsabfälle nach dem Eingang nach V- hintereinander liegen, > wenn man Schaltbilder lesen könnte). Gerade im Innenschaltbild kann man erkennen, dass der 741er als Kompara- tor auch dann noch funktioniert, wenn eine der beiden Eingangsspannungen oberhalb und die andere unterhalb der drei Diodenspannungen liegt. Da die Schaltung nur mit 9V betrieben wird, sind auch die Absolute Maximum Ratings eingehalten. > In dieser Schaltung müsste man den uA741 also mindestens mit einer > Spannung von -3V als negative Versorgungsspannung versorgen, damit er > das Aufladen des Kondenstaors verfolgen kann ohne phase reversal und > ohne beliebiges sonstiges Verhalten. Wie kommst du darauf, dass der 741er Phase-Reversal hat? > Aber drei mal darf man raten, für eine zusätzliche negative > versorgungsspannung von -3V ist man wieder zu faul und zu geizig, aber > statt dem uA741 darf es auch auf keinen Fall der 10 Jahre jüngere LM324 > sein, der wenigstens als single supply OpAmp in der Lage ist ab Masse zu > messen. Warum die 741er wegschmeißen, wenn die Oma noch welche herumliegen hat und sie für die Schaltung gut genug sind? Das gäbe ja nur unnötigen Elektronikschrott. > Wahrscheinlich weil der LM324 noch nicht 1cm Staubpelz angesetzt hatte. Solange sie nicht verdorben sind, sollte man immer zuerst die Sachen aufessen, die schon etwas länger im Kühlschrank liegen ;-) > Kauft euch einfach mal einen neuen OpAmp, so nach 40 Jahren sollte das > wohl mal möglich sein ! Dann klappts auch mit dem Elektronikbasteln. Typisch neumodisches Consumer-Denken. Was mich etwas wundert, da Du doch sicher auch noch aus der Präwegwerfgesellschaftsära stammst ;-) Nichts für ungut :)
1.Ob man mit Omas 741 od. moderner Blackbox mehr lernt? 2.Man sollte auch den Lade-Entladevorgang des Elkos genauer betrachten. 3.Durch den neuen "Kurzschlusstransistor" wird wertvolle Batteriekapazität verheizt.
> Nicht alles, was alt ist, ist auch automatisch schlecht. Hier schon. Komplett unerfahrene Leute GLAUBEN daß ein OpAmp sich ideal verhalten würde und sie sich um NICHTS Gedanken machen müssen. Mit einem modernen LMC6484 wären sie näher am idealen OpAmp dran, denn es gab technischen Fortschritt seit 1968. Hier wird es ein LM358 auch tun, der braucht jedoch noch die zusätzliche Diode D1.
MaWin schrieb: >> Nicht alles, was alt ist, ist auch automatisch schlecht. > > Hier schon. Nee, hier eben gerade nicht. > Komplett unerfahrene Leute GLAUBEN daß ein OpAmp sich ideal > verhalten würde und sie sich um NICHTS Gedanken machen müssen. In diesem Fall hat sich der Threadstarter aber Gedanken gemacht. Aber nicht etwa über ein Problem, dessen Ursache das Alter des µA741 sein könnte, sondern darüber, dass die Schaltung besser als erwartet funktioniert. Wenn du ihm jetzt den überteuerten LMC6484 vorschlägst, um sein nichtexistentes Problem zu lösen, geht das doch ziemlich am Thema vorbei, meinst du nicht?
@Yalu X: Thanx! :) @ozsi40: Das einzige, was hier zusätzlichen Strom frisst, ist der 1KOhm-Basiswiderstand für den Transistor. Der Transistor leitet erst, wenn die Batterie von der Schaltung getrennt wird. Da die Schaltung immer nur für wenige Sekunden am Tag überhaupt an die Batterie angeschlossen ist (nämlich dann, wenn jemand gerade das Kleinkind-Treppensicherungstürchen durchschreitet), hält die Batterie eh' lang genug. @MaWin: Weil unerfahrene Internetuser glauben, dass man etwas in Großbuchstaben schreiben muss, um es hervorzuheben, und nicht wissen, dass das eigentlich schreien bedeutet, gehe ich jetzt mal nicht adäquat auf Dein Posting ein, sondern bleibe sachlich. ;) Deiner Argumentation nach wäre es ja dann gerade für Anfänger sinnvoll, sich mit dem uA741 zu beschäftigen, da er sehr weit weg vom idealen OP ist, und Anfänger so die Unterschiede zwischen der theoretischen Betrachtung und den in der Praxis zur Verfügung stehenden Bauelementen besonders deutlich vorgeführt bekommen. Ich verstehe nicht, warum Du hier herum mopperst und was Du mit damit bezweckst. Auf einen Berg führen zwei Wege: ein leichter und ein schwerer. Einige Leute gehen den schweren Weg, obwohl der leichte existiert. Warum wohl?
Besser kann man dieses ewige 9x kluge Rumgeoper nicht in die Schranken verweisen, wurde daher langsam mal Zeit, Yalu X!
bitte löschen schrieb: > Das kann eigentlich nur über den nichtinvertierenden Eingang des 741 > geschehen, denn zum Laden über R3 (in der Realisierung dann ein > Trimmpoti) braucht er einige Sekunden. Stimmt nicht ganz. Beim Öffnen von S1 ist C1 in der Regel noch geladen. Somit wirkt C1 als Spannungsquelle und versorgt über R3 den Rest der Schaltung - allerdings mit t=RC=47u100ks=4700ms=4,7s. Falls Dein R3-Trimmer nicht auf 100k, sondern 10k, stehen würde, erfolgt die Entladung mit t=RC=47u10ks=470ms=0,47s und das ist ungefähr der von Dir genannte Wert. Ich vermute, die R3=10k Variante ist die wahrscheinlichste Erklärung.
HJO schrieb: > Ich vermute, die R3=10k Variante ist die wahrscheinlichste Erklärung. Falls Du diese Vermutung überprüfen willst, miß doch einfach den Strom durch R3 oder auch den in Pin3 des 741.
HJO schrieb: > HJO (Gast) > Datum: 04.01.2019 09:12 > HJO (Gast) > Datum: 04.01.2019 09:15 Wie wäre es, die 9 Jahre alten Beiträge einfach mal zu lesen, um zu erkennen, daß das "Problem" schon längst gelöst ist, der uA741 hat in der Internschaltung nicht gezeigte Dioden von den Eingängen nach plus und minus, an statt 9 Jahre nach dem Problem noch irgendwelche falschen Erklärungsversuche nachschieben zu wollen ?
Ich habe das Topic auch nicht gelesen. Es kostet einfach zu viel Zeit. Aber die Frage hatte ich mir auch schon mal gestellt. Es wurde vielleicht schon gesagt, deshalb ganz kurz: Über die Innenschaltung des NE555 erfolgt die Entladung des Kondensators. Wenn die Versorgungsspannung weg ist, fließt der Entladestrom über einiger PN-Übergänge im Innern. Das ist klar im IC-Schaltbild zu erkennen.
juergen schrieb: > Ich habe das Topic auch nicht gelesen. Es kostet einfach zu viel > Zeit. > Aber die Frage hatte ich mir auch schon mal gestellt. > > Es wurde vielleicht schon gesagt, deshalb ganz kurz: > Über die Innenschaltung des NE555 erfolgt die Entladung des > Kondensators. ...oder sagen wir mal: ggf. auch zusammen mit den nicht gezeigten Dioden im 741.
Bitte melde dich an um einen Beitrag zu schreiben. Anmeldung ist kostenlos und dauert nur eine Minute.
Bestehender Account
Schon ein Account bei Google/GoogleMail? Keine Anmeldung erforderlich!
Mit Google-Account einloggen
Mit Google-Account einloggen
Noch kein Account? Hier anmelden.



