Hallo, habe am Ausgang eines DA- Wandlers einen Spannungsverlauf von -5 bis +15 Volt. Leider habe ich satte 100mV Brummspannung auf meinem Signal. Kann ich diese grundsätzlich erst mal mit einem Elko glätten? Also wegen dem Potential am Elko von positiv auf negativ zu Gnd. Oder geht dieser dann kaput? In einem Siebkreis sieht man ja auch häufig Elkos vorgeschaltet, gibt es sonst noch Varianten wie ich ne schöne glatte Gleichspannung bekomme? Danke fürs Bemühen! Matthias
Matthias O. schrieb: > Kann ich diese grundsätzlich erst mal mit einem Elko glätten? Nein. > Also wegen > > dem Potential am Elko von positiv auf negativ zu Gnd. > Du hast das Problem richtig erkannt. > > > Oder geht dieser dann kaput? Gena udas tut er. Es gibt aber bipolare Elkos. Nimm solch einen, dann funktioniert das auch zw. -5 und +15V
Matthias O. schrieb: > habe am Ausgang eines DA- Wandlers einen Spannungsverlauf von -5 bis +15 > Volt. Was für ein Signal willst du erzeugen? > Leider habe ich satte 100mV Brummspannung auf meinem Signal. Frequenz der Brummspannung? 50 Hz? > Kann ich diese grundsätzlich erst mal mit einem Elko glätten? Also wegen > dem Potential am Elko von positiv auf negativ zu Gnd. Das ist abhängig von den Antworten auf die oberen Fragen :-) > Oder geht dieser dann kaput? dito > In einem Siebkreis sieht man ja auch häufig Elkos vorgeschaltet, gibt es > sonst noch Varianten wie ich ne schöne glatte Gleichspannung bekomme? für weitere Tipps Schaltplan bitte. :-)
Hallo Matthias, zeig am besten mal die Schaltung. Dann kann man Dir auch besser helfen. Gruss Klaus.
Floh schrieb: > Was für ein Signal willst du erzeugen? Fahre eine individuell eingebbare 120sek lange Kurve als steuereingang für einen Wechselrichter.
Till W. schrieb: > Ich schätze mal, der Brumm liegt schon auf der Versorgungsspannung... Ne, die ist gut glatt, kommt aus nem lm 7815.
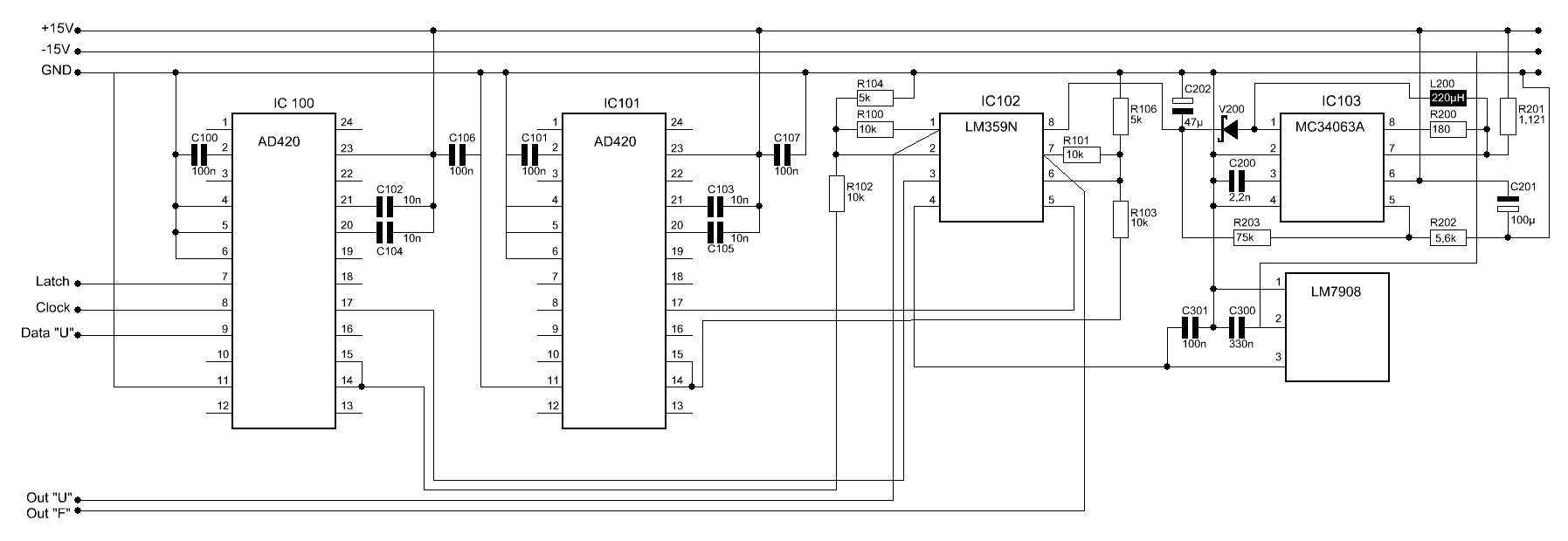
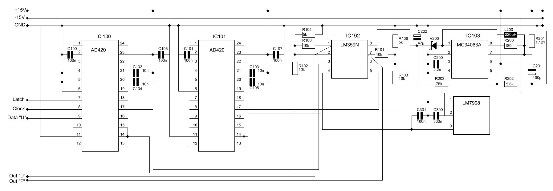
Matthias O. schrieb: > Ich schätze mal, der Brumm liegt schon auf der Versorgungsspannung... Ahh, musste aus den 15V versorgungsspannung 18V machen, damit ich kein Problem mit meinen geforderten Grenzwerten kriege. Das hab ich mit einem mc 34063 realisiert. Das ist garantiert ein Mitverursacher. Jedoch nicht der Hauptschuldige. Sobald ich mit dem DAC anfange die Kurve zu fahren hat das mehr mit einem Geräusch als mit einer schönen Spannungskurve zu tun.. Hinter dem lm358 hab ich noch mal eine als Impedanzwandler geschaltet. Weiterhin sind auf der Platine noch ein lm7805 und ein max2333 für die rs232 Schnittstelle. Gruß Matthias
Klaus Ra. schrieb: > zeig am besten mal die Schaltung. Dann kann man Dir auch besser helfen. > Gruss Klaus Zeichnung ist da
Bitte melde dich an um einen Beitrag zu schreiben. Anmeldung ist kostenlos und dauert nur eine Minute.
Bestehender Account
Schon ein Account bei Google/GoogleMail? Keine Anmeldung erforderlich!
Mit Google-Account einloggen
Mit Google-Account einloggen
Noch kein Account? Hier anmelden.
