Ich habe einen Drehschalter mit 10 verschiedenen Stellungen. Mir gefällt die Bedienung jedoch nicht und ich möchte stattdessen 10 Taster verwenden. Wie kann ich eine Schaltung aufbauen, die mit den Tastern genau die gleiche Funktionalität wie ein Drehschalter bietet. Gehts das ohne µController?
multiholle schrieb: > Ich habe einen Drehschalter mit 10 verschiedenen Stellungen. Mir gefällt > die Bedienung jedoch nicht und ich möchte stattdessen 10 Taster > verwenden. Wie kann ich eine Schaltung aufbauen, die mit den Tastern > genau die gleiche Funktionalität wie ein Drehschalter bietet. Gehts das > ohne µController? Hallo, es ging mal - es gab Tastenreihen mit gegenseitiger Auslösung, besonders schön elfenbeinfarben zur Senderwahl an unserer historischen Musiktruhe aus den 50iger Jahren. Ich glaube nicht, dass sowas noch jemand herstellt, weil die gegenseitige Auslösung elektronisch viel platzsparender machbar ist. So ein Tastenblock wog bestimmt ein halbes Kilo. Aber vielleicht findest du ja ein altes Radio mit 10 Senderwahltasten... Gruss Reinhard
> es ging mal - es gab Tastenreihen mit gegenseitiger Auslösung
Die Teile kenne ich und die gibt es auch noch. Aber sowas möchte ich
nicht. Ich möchte wirklich normale Taster dafür verwenden und dahinter
dann eine Schaltung die die Funktionalität übernimmt.
Ich weiß nur nicht, wie man so eine Schaltung aufbaut. Eventuell hat das
ja schonmal jemand gemacht?
multiholle schrieb: > Wie kann ich eine Schaltung aufbauen, die mit den Tastern genau die > gleiche Funktionalität wie ein Drehschalter bietet. Gehts das > ohne µController? Relais und Selbsthaltung und Dioden fallen mir da auf Anhieb ein... > die mit den Tastern genau die > gleiche Funktionalität wie ein Drehschalter bietet Allerdings ist mit "Drehen" da nicht mehr viel los...
Mit "Funktion des Drehschalters" meinte ich, dass zu Zeit jeweils nur eins der 10 Relais aktiv ist. Die Schalter sollen sich gegenseitig ausschließen. Wie muss ich die Realis schalten, dass immer nur ein Relais zur Zeit aktiv sein kann?
Achso, wie bei nem Uralt-Radio, eine Taste drückt man, die Anderen
springen raus ("radio button widget" :P), und nur ein Ralais bleibt an.
Und das elektronisch per Taster-Reihe.
Geht wohl mit RS-Flip-flops? Gibs die als IC?
Jeder Taster geht auf den Setz-Eingang "seines" flip flops und auf den
Reset-Eingang aller Anderen...
An jeden flipflop Ausgang Transistorschalter mit Relais...
Ich habe mal versucht eine Logik mit RS-FF aufzubauen. Das ganze sieht dann so aus. Für mehr Schalter braucht man dann entsprechend große Oder-Gatter. Nur wie setze ich das Ganze jetzt in die Realität um?
Mit einem Taster geht das recht einfach. Nimm ein 4017 CMOS (Sehr beliebt für Lauflichter). An den Eingang hängst du einen Taster mit Schmitt-Trigger und Entprellung (Tiefpass). Mit zehn Tasten fällt mir gerade nichts ein...
multiholle schrieb: > Nur wie setze ich das Ganze jetzt in die Realität um? Ich würde da ein CPLD nehmen. Ein GAL wäre evtl. auch nicht ohne... Allerdings müssen die Dinger noch programmiert werden... :-/
Weshalb man einen Drehschalter mit 10 verschiedenen Stellungen durch 10 einzelne Taster ersetzen will,geht nicht in meine grauen Zellen.Der Platzbedarf ist doch viel höher.Im Zeitalter moderner Elektronik sind aber sicher noch kompliziertere Lösungen des Problem's möglich als bisher vorgeschlagen.
Günther N. schrieb: > Weshalb man einen Drehschalter mit 10 verschiedenen Stellungen durch 10 > einzelne Taster ersetzen will,geht nicht in meine grauen Zellen. Ich möchte eine Lichtsteuerung für meine Wohnung bauen und über die Taster eine schnelle Szenenauswahl bauen. Bei einem Drehschalter wäre der WAF gleich null ^^ Aber ich sehe, dass das gar nicht so einfach ist. Ich glaube ich werde mich doch mal mit dem Atmega8 beschäftigen. Der kann dann auch gleich das Dimmen meiner Lampen übernehmen. Grundkenntnisse in Assembler habe ich und beim Rest könnt ihr mir dann sicherlich helfen.
Marcel Holle schrieb: > Ich glaube ich werde > mich doch mal mit dem Atmega8 beschäftigen. Der kann dann auch gleich > das Dimmen meiner Lampen übernehmen. Hoffentlich sind das nur LEDs, sonst könnt's happig werden.
Lothar Miller schrieb: > multiholle schrieb: >> Nur wie setze ich das Ganze jetzt in die Realität um? > Ich würde da ein CPLD nehmen. Ein GAL wäre evtl. auch nicht ohne... > Allerdings müssen die Dinger noch programmiert werden... :-/ Früher (tm) gab es für diese Applikation mal SAS560 und 570 (zum Kaskadieren). Da waren sogar Sensortasten der absolut hippe Teil. Heute ist ein atmega oder sonstiges sicher die einfahcere Wahl für eine Einzelanwendung, statt das in "Silizium" gießen zu wollen macht Software das recht einfach möglich .
Bei den Lampen handelt es sich um Leuchtstofflampen mit dimmbaren EVGs. Diese werden durch einen einfachen 100 kOhm Drehpoti gedimmt. Ich bräuchte also nur einen "digitalen Poti". Ich hoffe sowas gibt es?
Die EVGs haben sicherlich auch noch einen analogen Steuereingang für 0...+10V?! Den würde ich eher benutzen, als digitale Potis mit 100k zu verwenden. Dadurch wäre Deine Steuerschaltung dann etwas 'universeller'. Ein weiterer Punkt wäre ebenfalls zu klären: Können überhaupt mehrere dieser EVGs auf ein gemeinsames (GND-)Potential von der Steuerschaltung 'gezogen' werden? Vmtl. schon - aber vorher abklären/überprüfen sollte man das auf jeden Fall. @Lehrtaste: Eine Entprellung der Taster ist bei dieser Schaltung überflüssig. Ein mehrfaches Drücken (Prellen) der gleichen Taste führt zu keinem Problem hier. Einmal ausgelöst spielt es halt keine Rolle mehr, wie oft man den selben Taster erneut drückt, gelle?!? ;-)
Ähm, Andrew, was hat ein "Material Safety Data Sheet" von Tadiran Batteries Ltd. mit diesem Thread zu tun?!? Hast Du Dich da irgendwie vertan?
Raimund Rabe schrieb: > Ähm, Andrew, was hat ein "Material Safety Data Sheet" von Tadiran > Batteries Ltd. mit diesem Thread zu tun?!? > Hast Du Dich da irgendwie vertan? Ich hatte das Poti aus: Beitrag "Digitales Potentiometer (seriell)" dort den Link aus dem ersten Beitrag. Da kam dann bei mir eine Bauteil das ein Digitalpotentiometer ist.
Alles klar. Ist nachvollziehbar. Da hat wohl Farnell(!) die PDFs durcheinandergewürfelt?! Auch der Original-Link, aus dem von Dir genannen Beitrag, bringt nur das bereits von mir erwähnte PDF - leider.
Die EVGs erzeugen die Versorgungsspannung von 10V selbst. Es wird einfach ein Poti zu Regelung der Helligkeit angeschlossen. Habe mir jetzt mal den hier rausgesucht: http://www.farnell.com/datasheets/12247.pdf Außerdem habe ich mir zum Spielen den rumpus von lcohraster.org gegönnt. Damit werde ich meine Assemblerkenntniss etwas auffrischen.
> Diese werden durch einen einfachen 100 kOhm Drehpoti gedimmt.
Hmm, sind die Ansteueranschlüsse denn potentialfrei ?
So ist die 1..10V Schnittstelle des EVGs beschrieben >1. Die Ansteuerung erfolgt über ein störungssicheres >Gleichspannungssignal von 10V (maximale Helligkeit; Steuerleitung >offen) bis 1V (minimale Helligkeit; Steuerleitung kurzgeschlossen) >2. Die Steuerleistung wird vom EVG erzeugt (max. Strom: 0,6 mA pro EVG) >3. Die Spannung auf der Steuerleitung ist potentialgetrennt von der >Netzleitung, jedoch keine Schutzkleinspannung (SELV). >4. EVG an verschiedenen Phasen können über dasselbe Steuergerät >gedimmt werden.
Dann paßt ja alles und Du kannst mit einem Steuergerät die EVGs, sogar an verschiedenen Phasen, ohne Probleme betreiben. :-)
Raimund Rabe schrieb: > Dann paßt ja alles und Du kannst mit einem Steuergerät die EVGs, sogar > an verschiedenen Phasen, ohne Probleme betreiben. :-) Ich glaube mit Steuergerät ist hier nicht das EVG sondern der Poti oder ähnliches gedacht. Es gibt von Osram ein 80 Seiten starkes dokument zu den Ansteuerungmöglichkeiten dieser EVGs^^
oh gott..
>"radio button
da programmiert man seit min. 20 Jahren, und checkt nicht warum das
radio button heißt... (schäm)
Marcel Holle schrieb: > Raimund Rabe schrieb: >> Dann paßt ja alles und Du kannst mit einem Steuergerät die EVGs, sogar >> an verschiedenen Phasen, ohne Probleme betreiben. :-) > > Ich glaube mit Steuergerät ist hier nicht das EVG sondern der Poti oder > ähnliches gedacht. Es gibt von Osram ein 80 Seiten starkes dokument zu > den Ansteuerungmöglichkeiten dieser EVGs^^ Korrekt! Das Gerät, was die EVGs steuert ist halt das 'Steuergerät' und was den Leuchtstofflampen vorgeschaltet ist, ist das elektronische 'Vorschaltgerät' (oder kurz: EVG), gelle!?! ;-))
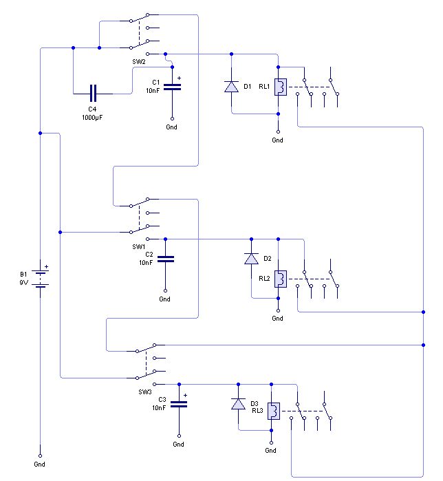
Hallo, bezüglich der ursprünglichen Fragestellung: n Taster, die sich gegenseitig auslesen: Ginge das so wie ich es im angehängten Schaltplan entworfen habe? Idee: Man benötigt zweipolige Taster und zweipolige Relais. - Jedes Relais hat einen Selbsthaltezweig und einen Zweig zum Schalten beliebiger Lasten. - Wenn eine der Tasten gedrückt wird dann wird ALLEN Relais die Spannung für die Selbsthaltung geklaut. - Der eine gedrückte Taster sorgt sofort danach für ein Anziehen "seines" Relais. - Wegen des Kondensators bleibt die Spannung für "sein" Relais auch noch kurz erhalten wenn der Taster wieder losgelassen wird. - In der Ruhestellung bleibt das Relais dann wieder angezogen weil der Selbsthaltekreis jetzt wieder mit Spannung versorgt ist - Über die Wiederstände wird der jeweilige Kondensator gezielt entladen Weiter Stufen sind anreihbar. Haut das so hin? Geht das ohne Halbleiter - nur Relais und Taster - einfacher? Wenn man nun eine Default-Stellung beim Einschalten haben möchte: Könnte man das Erreichen indem man einen Kondensator parallel zu einem der Taster legt, der dann beim Einschalten dafür sorgt, dass kurz Strom fließt und dadurch das Relais als Default anzieht? Stefan
Hamburger schrieb: > Hallo, > > bezüglich der ursprünglichen Fragestellung: n Taster, die sich > gegenseitig auslesen: > > > Ginge das so wie ich es im angehängten Schaltplan entworfen habe? > Idee: > Man benötigt zweipolige Taster und zweipolige Relais. > - Jedes Relais hat einen Selbsthaltezweig und einen Zweig zum Schalten > beliebiger Lasten. Jip > - Wenn eine der Tasten gedrückt wird dann wird ALLEN Relais die Spannung > für die Selbsthaltung geklaut. Jip > - Der eine gedrückte Taster sorgt sofort danach für ein Anziehen > "seines" Relais. Jip > - Wegen des Kondensators bleibt die Spannung für "sein" Relais auch noch > kurz erhalten wenn der Taster wieder losgelassen wird. Dafür sind aber 1nF für C1...C3 sehr wahrscheinlich nicht groß genug. > - In der Ruhestellung bleibt das Relais dann wieder angezogen weil der > Selbsthaltekreis jetzt wieder mit Spannung versorgt ist Jip > - Über die Wiederstände wird der jeweilige Kondensator gezielt entladen > Weiter Stufen sind anreihbar. Nop! R1...R3 sind überflüssig, da C1...C3 ja schon direkt parallel zur Erregerspule des Relais geschaltet sind und sich dort sehr viel schneller entladen als über diese 1MOhm. > Haut das so hin? Geht das ohne Halbleiter - nur Relais und Taster - > einfacher? Net ganz! Parallel zu den Relais-Spulen sollten Freilauf-Dioden rein. Anode nach GND und Katode nach + (also wenn man so will nach C1, C2 bzw. C3). Sonst weiß ich nicht wie lange die 9V-Batterie/Netzteil das mitmacht. > Wenn man nun eine Default-Stellung beim Einschalten haben möchte: Könnte > man das Erreichen indem man einen Kondensator parallel zu einem der > Taster legt, der dann beim Einschalten dafür sorgt, dass kurz Strom > fließt und dadurch das Relais als Default anzieht? Prinzipiell ginge das. Aber bitte nicht wieder mit nur 1nF. Das dürfte auch für z.B. kleine Reed-Relais (mit wenig Spulenstrom) zu wenig sein. Schau ins Datenblatt vom Relais und schau mal nach, was die Anzugsverzögerung ist, dann hast Du hoffentlich ein Gefühl dafür bekommen wie träge so ein Relais ist, und welche Zeiten Du mit so einem Kondensator/ELKO überbrücken mußt. Und wer's nicht (überschlagsweise) rechnen möchte/kann, der darf auch gerne die Trial-and-Error-Methode einsetzen. ;-) > Stefan
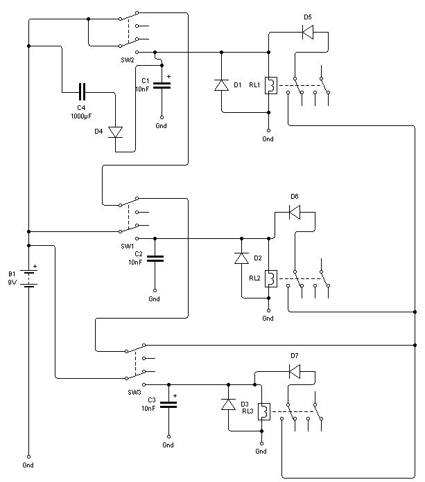
Hallo Raimund, danke für die schnelle und ausführliche Antwort! Das mit dem gegenseitig Auslösen klappt (bisher im Simulator..) gut. Wenn ich den Kondensator C4 für ein defaultmäßiges Einschalten von Relais 1 einbeziehe dann zieht das Relais sehr gut beim Einschalten an aber das mit dem gegenseitigen Ausschalten geht dann nicht mehr. Jedes Relais, das einmal angezogen war bleibt dann angezogen. Könnte man wohl mit je einer Diode zwischen dem Selbsthaltekreis und jedem Relais hinbekommen aber es wird dann schon wieder langsam recht komplex. Mache ich da einen großen Denkfehler? Geht das alles eigentlich viel einfacher? (ohne Flipflops, Mikrocontroller ö.ä) Stefan
Oha, DAS macht der Schalter SW2 aber auch nicht sehr oft mit. Im 'Ruhezustand' lädt sich der ELKO C4 auf die 9V auf. Wenn Du dann SW2 betätigst, rumst es einmal kräftig im Schalter, da Du den C4 eiskalt kurzschließt. DAS geht auf Dauer nicht gut. Zur Abhilef kannst Du eine Diode in die Leitung vom rechten Anschluß von C4 (geht an die Andode der Diode) zum oberen Anschluß von C1 führen (Katode der Diode). Diese Diode sollte dann die Entladung von C4 beim Betätigen von SW2 verhindern - und nicht nur das - sie verhindert auch, daß die anderen Relais angezogen bleiben, wenn deren Schalter betätigt wird. Denn ohne die Diode tritt C4 wohl oder übel als Spannungsquelle auf und läßt Strom sowohl durch die Spule von RL1 fließen, als auch durch jedes andere Relais-Spule, dessen Schalter gerade betätigt wird. Noch viel Spaß - ich 'verdunste' ins wohlverdiente WE.
So, hier nun die Schaltung wie sie m.E. funktionieren sollte. C4 sorgt dafür, dass Relais1 beim Einschalten aktiviert wird. (Kann auch weggelassen werden wenn man das nicht braucht.) D4 sorgt dafür, dass der Taster SW2 nicht (wie von Raimund eingeworfen) den Entladestrom von C4 abbekommt. Beim Schließen eines Tasters zieht "sein" Relais an. Gleichzeitig wird die Haltestromschleife unterbrochen wodurch alle anderen Relais abfallen. Beim Loslassen der Taste sorgt C1 bzw. C3 bzw. C3 dafür, dass das Relais noch solange angezogen bleibt bis die Haltestromschleife geschlossen ist und das Relais dann über seinen eigenen Haltekontakt angezpgen bleibt. Ohne D5/D6/D7 funktioniert bei mir in der Simulation das gegenseitige Auslösen nicht. Kann an der Simulation liegen... D1/D2/D3 sind Löschdioden für die Relais. Über den 2. Schaltkontakt des jeeiligen Relais wird die Last geschaltet. Es können weitere Relais analog angeschlossen werden. (Hier im Thrad sollten es ja 10 werden...) -> Kann die Schaltung in der Realität so funktionieren? (im Simulator tut sie es.) -> Sind noch Fehler drin? -> Kann die Schaltung vereinfacht werden? (Bauteile weglassen, Einfach-Relais statt Doppelrelais, Einfachtaster statt Doppeltaster,..) (Ohne Mikrocontroller! Das wäre zu einfach...) Viele Grüße Stefan
Okay, die Dioden D5...D7 sind nur dann absolut nötig, wenn die Schalter SW1...SW3 schneller umschalten als die Relais RL1...RL3 abfallen können. Und da man das nicht immer garantieren kann, ist es tatsächlich nötig diese 3 zusätzlichen Dioden vorzusehen/einzubauen. Gratuliere - damit dürftest Du eine Relais-Schaltung haben, die genau das macht, was Du Dir gewünscht hattest. Allerdings obliegt es jetzt Dir zu sagen, die Sache ist mir zu kompliziert bzw. benötigt doch mehr Bauteile als erwartet. Aber was sind da schon die paar Dioden und Kondensatoren. Gegen den Preis der Relais dürften das eher die 'Peanuts' sein. ;-)) Viel Spaß beim Aufbau.
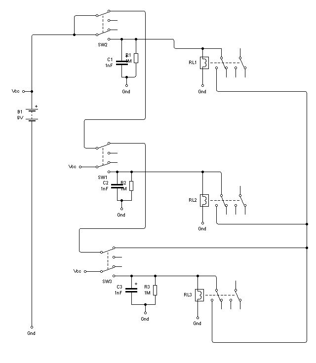
Ich hätte hier noch was, das zwar mit Einfachtastern geht, aber beim Umschalten kurze Spikes auf den nicht geschalteten Ausgängen abliefert. Wenn das nicht stört, dann ist die Schaltung einen Blick wert... ;-)
Hallo, ich habe bei einem Gitarrenverstärker verschiedene Soundvarianten, die über einen Drehschalter auszuwählen sind, diese möchte ich durch eine Taster-Reihe ersetzen, die ich mit dem Fuss bedienen kann.. Jetzt meine Frage zum letzten Beitrag: kann ich mit den aktiven Ausgängen direkt meine Relais ansteuern oder muss ich da noch Transistoren vorschalten?lg Daniel
Reinhard Kern schrieb: > es gab Tastenreihen mit gegenseitiger Auslösung, besonders > schön elfenbeinfarben zur Senderwahl an unserer historischen Musiktruhe > aus den 50iger Jahren. Genau, ein sog. Tastengebiss.:-)
Es gibt Kleinleistungsrelais, die direkt vom Mikrocontroller aus steuerbar sind, wenn nur eines oder wenige an sind. Man braucht aber eine Schutzbeschaltung. Besser wäre es dennoch, Transistoren dazischen zu schalten. In Deinem Fall würde ich zudem auch über Analogschalter nachdenken.
Lehrtaste schrieb: > Mit einem Taster geht das recht einfach. Nimm ein 4017 CMOS (Sehr > beliebt für Lauflichter). An den Eingang hängst du einen Taster mit > Schmitt-Trigger und Entprellung (Tiefpass). > > Mit zehn Tasten fällt mir gerade nichts ein... Jede der Tasten geht an einen Ausgang des 4017. An den Eingang kommt ein Clockgenerator. Ist der richtige Ausgang erreicht, wird ein RS-Flipflop gesetzt. Dieses sperrt den Inhibit Eingang des Zählers, so das er stehen bleibt. Ausserdem ist pro Ausgang noch ein Relais plus Treiber angeschlossen. Fehlt nur noch eine Logik zum Starten, die das RS-Flipflop zurücksetzt. Das könnte man z.B. mit einem zweiten Kontakt des Tasters machen. Aber ein bisschenArbeit beim Entwerfen wollte ich auch für "multiholle" übriglassen. :-) Gruss Harald
leider hab ich kein Zeichenprogramm wo ich das darstellen kann, wie würde das aussehen? Ausserdem hätte ich noch gerne eine Statusanzeige mit eingebaut, damit ich auch weiss, welcher Schalter aktiv ist..
hab da mal ein Relais rausgesucht: http://www.produktinfo.conrad.com/datenblaetter/625000-649999/629500-da-01-de-MINIATURRELAIS_HJR1_2C_L_12VDC.pdf Miniaturrelais HJR1-2C-L-12VDC mit Schutzbeschaltung meinst du die Freilaufdioden D1, D2, D3 von Hamburgers Entwurf "nur" mit Relais? wenn ich hier Parallel zu den Freilaufdioden aber in anderer Richtung LEDs mit Widerstand einbaue, hätte ich ja auch schon eine Statusanzeige?
Frank Petelka schrieb: > In Deinem Fall würde ich zudem auch über Analogschalter > nachdenken. ja, hab ich schon, allerdings soll das ganze mit Tastern zum Umschalten sein und da müsste ich an der Ansteuerung wieder etwas basteln, das mir den Steuerstrom aufrecht erhält.. oder gibt es was fertiges?
Frank P. schrieb: > In Deinem Fall würde ich zudem auch über Analogschalter > nachdenken. jetzt ist mir noch was eingefallen: ich könnte mit dem Umschalter von Lothar Miller den Analogschalter steuern?, dann spar ich die Relais, und mit dem 8fach um CMOS 4051 mach ich das.. (ich brauch nur 8 Eingänge) das wär perfekt.. und Leuchtdioden zu Statusanzeige kann ich auch noch draufhängen? lg Daniel
Bitte melde dich an um einen Beitrag zu schreiben. Anmeldung ist kostenlos und dauert nur eine Minute.
Bestehender Account
Schon ein Account bei Google/GoogleMail? Keine Anmeldung erforderlich!
Mit Google-Account einloggen
Mit Google-Account einloggen
Noch kein Account? Hier anmelden.




