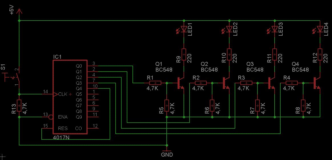
Hallo, hab obigen Dekadenzähler aufgebaut. Funktioniert. Will aber den Schalter entprellen. Das kann man doch mit einem RS-FlipFlop realisieren. Weiß jemand, ob man sowas bei Reichelt oder Conrad als IC bekommen kann? Desweiteren möchte ich beim Einschalten ein Master Reset, also das beim Einschalten immer nur Q0 auf high ist. Gibt es da eine einfache Lösung? Vielen Dank im Vorraus ...
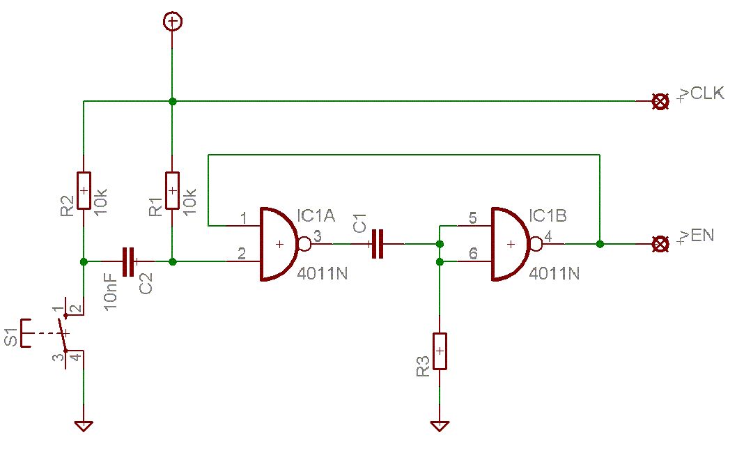
Hier könnte ein Kondensator von etwa 100 nF, parallel zu R13 als Entprellung ausreichen. Ein Flip Flop arbeitet als Entpreller nur mit einem Umschalter zusammen, ist also viel aufwändiger. Man baut es aus zwei NAND's zusammen.
Hallo Peter, vielen Dank für deinen Tip. Hab jetzt parallel zu R13 einen 100NF Kondensator eingefügt, aber die LEDs hüpfen immer noch wild hin und her...
Ein weiterer Versuch: schalte einen 100nF Kondensator mit möglichst kurzen Leitungen zwischen Pin 16 und Pin8 des IC (Betriebsspannung und Masse) Logikschaltungen "spinnen" beim Umschalten, wenn die Betriebsspannung beim Umschalten einbricht. Solch ein Stützkondensator hält die Betriebsspannung konstant.
Peter R. schrieb: > schalte einen 100nF Kondensator mit möglichst > kurzen Leitungen zwischen Pin 16 und Pin8 des IC (Betriebsspannung und > Masse) solch einen Stützkondensator hatte ich schon vorher drin. Hab ihn nur nicht in den Stromlaufplan eingetragen...
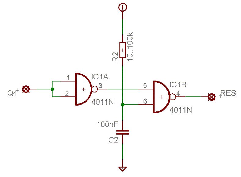
dann häng' ein MonoFlop davor ... NAND-Gatter '4011 oder '4093 für die Zeitkonstante (C1, R3) müsste man mal rechnen oder probieren. Sascha
Sascha Weber schrieb: > dann häng' ein MonoFlop davor ... > > NAND-Gatter '4011 oder '4093 > > für die Zeitkonstante (C1, R3) müsste man mal rechnen oder probieren. danke dir Sascha; werd ich gleich morgen ausprobieren. Weißt du auch wie man beim Einschalten am besten ein Master Reset auslöst?
könnte evl. schon mit einem Dioden-OR gehen, ist aber unschön. Da die NAND-IC's aber eh' 4 Gatter enthalten kannst du die 2 restlichen auch für den Reset verwenden. Sascha
Sascha, vielen Dank. Du bist mir eine große Hilfe. Find ich echt super. Nur noch ne Frage, wo muß ich Q4 anschließen?
na an Q4(Pin10) des '4017, die Schaltung ersetzt die Verbindung zwischen Q4 und RES des '4017 in deiner Schaltung. Sascha
Bitte melde dich an um einen Beitrag zu schreiben. Anmeldung ist kostenlos und dauert nur eine Minute.
Bestehender Account
Schon ein Account bei Google/GoogleMail? Keine Anmeldung erforderlich!
Mit Google-Account einloggen
Mit Google-Account einloggen
Noch kein Account? Hier anmelden.


