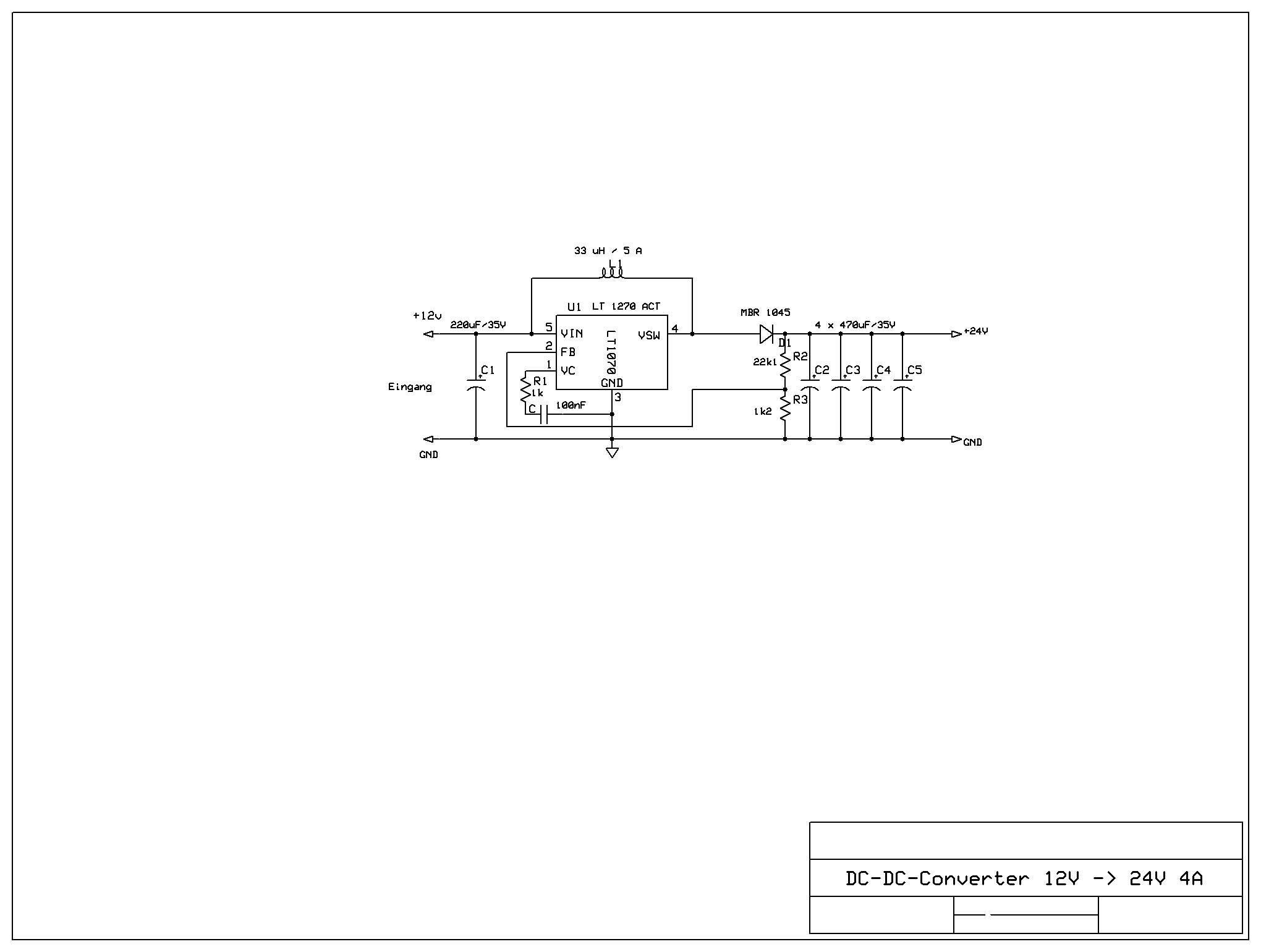
Hallo, ich habe die Schaltung aus dem Anhang aufgebaut. Die Schaltung funktioniert auch soweit. Aber mein Problem ist, dass ich die 5A am Ausgang bei 24V benötige. Momentan ist es so, dass bei Volllast ca. 4,5A fließen die Spannung jedoch bricht auf 15V zusammen. Wenn ich das richtig aus dem Datenblatt des LT1070 deute, kann dieser nicht bei 24V 5A schalten. Nun habe ich mir überlegt, zwei von dieser Schaltung zu bauen und deren Ausgänge miteinander verbinde. Seht ihr da irgendwelche Probleme? Oder sollte ich lieber einen neuen Boost-Converter bauen mit einem anderen IC, der 120W packt? Für Ratschläge bin ich dankbar. Danke. Gruß Cetin
Wenn Du am Ausgang 5 A entnehmen möchtest, muss der LT (idealerweise) 10 A schalten und die Spule diesen Strom, ohne Sättigung, aufnehmen können. Wegen der unvermeidlichen Verluste, liegen die Verhältnisse nocj etwas ungünstiger. mfG ingo
soviel Strom wird bei mir nicht gezogen, weil vorher die Spannung am Ausgang zusammenbricht. Die Schaltung zieht am Eingang bei Volllast ca. 6,5A. Ich denke ein LT1070 ist einfach zu schwach für 120W. Wie ist das verbinden der Ausgangsspannungen bei zwei dieser Schaltungen? Gibt es alternative Schaltregler die 12V auf 24V und 5A am Ausgang liefern können?
Hi, genau das gleiche Problem habe ich auch schonmal versucht zu lösen. Als einzigen Controller habe ich den LT3782 gefunden, jedoch sind die vorgesehenen 10µH 10A Drosseln von Pulse nicht einfach zu bekommen, und 2€-Stück groß sind sie auch. Seit neustem hat glaube ich Würth passende Drosseln. Ich hab dann jedoch einen fertigen 12->24V Wandler bei Pollin gekauft, ist aber ein riesen Klotz im Verhältnis zu dem LT Wandler. Aktuell gibt es bei Microchip neue Unterlagen zu prozessorgesteuerten Reglern, vllt hilft dir das weiter, unter microchip.com/smps Gruß Simon
tjo, 120W sind nunmal nicht gerade wenig, da brauchts schon eine drossel die ein wenig was speichern kann! bei dieser leistung würde ich was diskret aufbauen. ein richtig dicker FET zur vermeidung von verlustleistung bietet sich bei step-up-wandlern wegen der einfachen ansteuerung sowieso an.
@Ben _ (burning_silicon) >diskret aufbauen. ein richtig dicker FET zur vermeidung von >verlustleistung bietet sich bei step-up-wandlern wegen der einfachen >ansteuerung sowieso an. Hust Der Experte für Schaltwandler spricht mal wieder . . .
Simon L. schrieb: > Seit neustem hat glaube ich Würth passende Drosseln. Gibt's schon länger - z.B. 7443550101 oder 74435561100, besser aber noch die hier: 74435571500
und der **pieeep** mit dem allzweck-royer kann mal wieder seine klappe nicht halten und muß sich mal wieder unsachlich einmischen...
>richtig dicker FET zur vermeidung von Verlustleistung
Einfach Unsinn, sieh dir mal alle Zusammenhänge mit Verlustleirung und
Fet.
Warum setzt mach guter Netteilhersteller nicht immer die niederohnigsten
Fets ein, auch wenn sie gleich viel kosten....
Externen Fet sollte man schon nehmen, gerade für diese Spannung hat
Infineon mit seinen Optimos viel Auswahl (auch andere). Da brauchst bei
den SMD TYpen auch keinen KK (aber Fläche).
Wenns kompakt und effizienz sein soll, Synchrongleichrichtung, gibt
mittlerweile viele controller dafür die das auch richtig gut können.
Und die Drossel würde ich selbst wickeln, 120W ist ja nichts
aufregendes. - Highflux oder für Effizienz MPP Ringkern od. Ferrit.
MFG
Hallo nochmal, danke für eure Antworten. Sorry, das ich so spät antworte, aber hatte keine Zeit wegen Schule. Habe mal ein Design Note von Linear Technology gefunden, hab es hochgeladen. Bitte schaut euch mal die Schaltung an. Ich brauche aber keine 10A, nun habe ich mir gedacht, ich mache nur ein Mosfet statt den angegeben zwei, nur einmal 22µF vor die Spule statt zwei und nur drei 22µF nach der Diode statt 6. Glaubt ihr das ich so auf meine 5A bei 24V komme wenn ich es wie oben beschrieben mache? Sollte ich für die Spule die angegebene 4,7µH nehmen? Gruß Cetin
Simuliers, probiers aus aber ich würde das Ganze schon mit etwas Reserve angehen. Nicht dass die Schaltung dann irgendwann das wärmebedingte Frühableben befällt...
> Ich brauche aber keine 10A, nun habe ich mir gedacht, > ich mache nur ein Mosfet statt den angegeben zwei, > nur einmal 22µF vor die Spule statt zwei und nur drei > 22µF nach der Diode statt 6. Klar Baby, so wie dir zuvor eine 5A Spule reichte obwohl der LT1270 10A schalten muß um von 12V auf 24V zu kommen. http://www.dse-faq.elektronik-kompendium.de/dse-faq.htm#F.24.1 Vermutlich versuchst du's auch noch mit Elkos aus dem Sortimentsbeutel. Ein Schaltregler erfordert eine gute Bauteilauswahl, sonst funktioniert er nicht oder bringt verminderte Leistung. Dazu gehören Elkos, die den nötigen Strom auch aushalten. Bei für Schaltanwendungen geeigneten Elkos steht der zulässige Ripplestrom bei 100kHz dabei, du kannst ja mal suchen, welche du findest, daß dir bei 5A Ripple 5 x 22uF reichen. An der KAPAZITÄT liegt es nämlich meistens nicht. Parallelgeschaltete MOSFETs sind immer ein Problem, MOSFETs die 10A schaffen sind nicht wirklich ein Problem, also gibt es für den HAT Ersatztypen http://documentation.renesas.com/jpn/products/transistor/rej03g0004_hat2165h.pdf
Klopf deine Teile mal in Schmidt Walters Seite, bin jetzt selbst zu faul dazu. Das sollte die frage wieviel die Drossel können muss beantworten. Bei Elkos wie geasgt, der ESR wird dir mehr zu schaffen machen. (Ripple, RMS Belastung) Das Kompensationsnetzwerk muss man auch anpassen. Auch wenn es bei Current Mode nicht instabil werden wird, aber Load und Line Response werden nicht stimmen, bzw nicht optimal sein. Prallaleschalten kannst du die Mosefets ruhig. (Schaltbetrieb) Ich kenne genug Design mit vielfach mehr Strom und Leistung, die haben 6 Fets parallel und ebenso 6 als Sync-Gleichrichter. Du brauchst bestimmt nur einen. Und wie so odt ist die Induktivität ein Schlüsselbauteil, dass mus abgestimmt sein. Nur weil Draht irgendwo herumgewickelt ist muss es keine "Speicher"-drossel. Aber wenn du schon auf linear stehst, schau dich um die haben genung Controller für Synchrongleichrichtung. Ich habe mit dem LT3703 nur gute Erfahrungen gemacht, aber Achtung, ist ein Voltage-Mode controller, wenn wenig ohmsches dabei ist (low ESR, etc) braucht der ein genau dimmensioniertes Kompensationsnetzwerk. MFG
Hallo, habe mich jetzt entschlossen, die Schaltung so aufzubauen. Wollte nun bei Reichelt die Teile bestellen aber dort gibt es leider nicht den HAT2165, kann mir einer einen alternativen Mosfet von reichelt empfehlen? Habe mir bereits einige angeschaut, aber ich bin mir nicht sicher welche Merkmale für die Schaltung von wichtig sind. Statt den MBRB2545 werde ich den MBR1645 nehmen der kann 16A bei 45V ich denke das reicht. Würde mich über Vorschläge bezüglich des alternativen Mosfets freuen. Gruß Cetin
Bitte melde dich an um einen Beitrag zu schreiben. Anmeldung ist kostenlos und dauert nur eine Minute.
Bestehender Account
Schon ein Account bei Google/GoogleMail? Keine Anmeldung erforderlich!
Mit Google-Account einloggen
Mit Google-Account einloggen
Noch kein Account? Hier anmelden.

