Hallo miteinander, schon vor einer ganzen weile bin ich mehr oder weniger aus versehen in den Besitz einiger Dimmermodule von ADB gekommen, die vermutlich mindestens so alt sind, wie ich selber. Mein Plan war die Module irgendwann mal als Lastteil an einen Semitone Diamond oder etwas ähnliches zu hängen und so wieder nutzbar zu machen. Nunja, das ganze ist ein wenig in Vergessenheit geraten aber jetzt hätte ich doch mal wieder Zeit und Lust zum Basteln. Nachdem Netzspannung und Halbwissen ja aber bekanntlich ne eher ungesunde Kombination sind hoff ich erbarmt sich hier nochmal vorher jemand mit mir und gibt mir ein bisschen Elektronik-Grundlagen Nachhilfe. Den Schaltplan gibts hier: http://www.file-upload.net/download-2883151/dimmer-circ.pdf.html (Sorry für den Werbeverseuchten Hoster und den 10MB Download, aber ne bessere Möglichkeit hab ich im Moment nicht) Insbesondere wie der Teil mit den beiden OpAmps im Detail funktioniert würde mich brennend interessieren. Und natürlich wie das ganze dann anzusteuern ist. Ich hab zwar zu beidem ne Theorie, aber ehrlich gesagt ist das eher wunschdenken, als das ich da im Plan was erkannt haette. So, ich hoffe, dass ist jetzt keine all zu dreiste Bitte und danke Euch auf jeden Fall schon jetzt, einfach nur fürs bis hier hin lesen. Viele Grüße, Thorsten
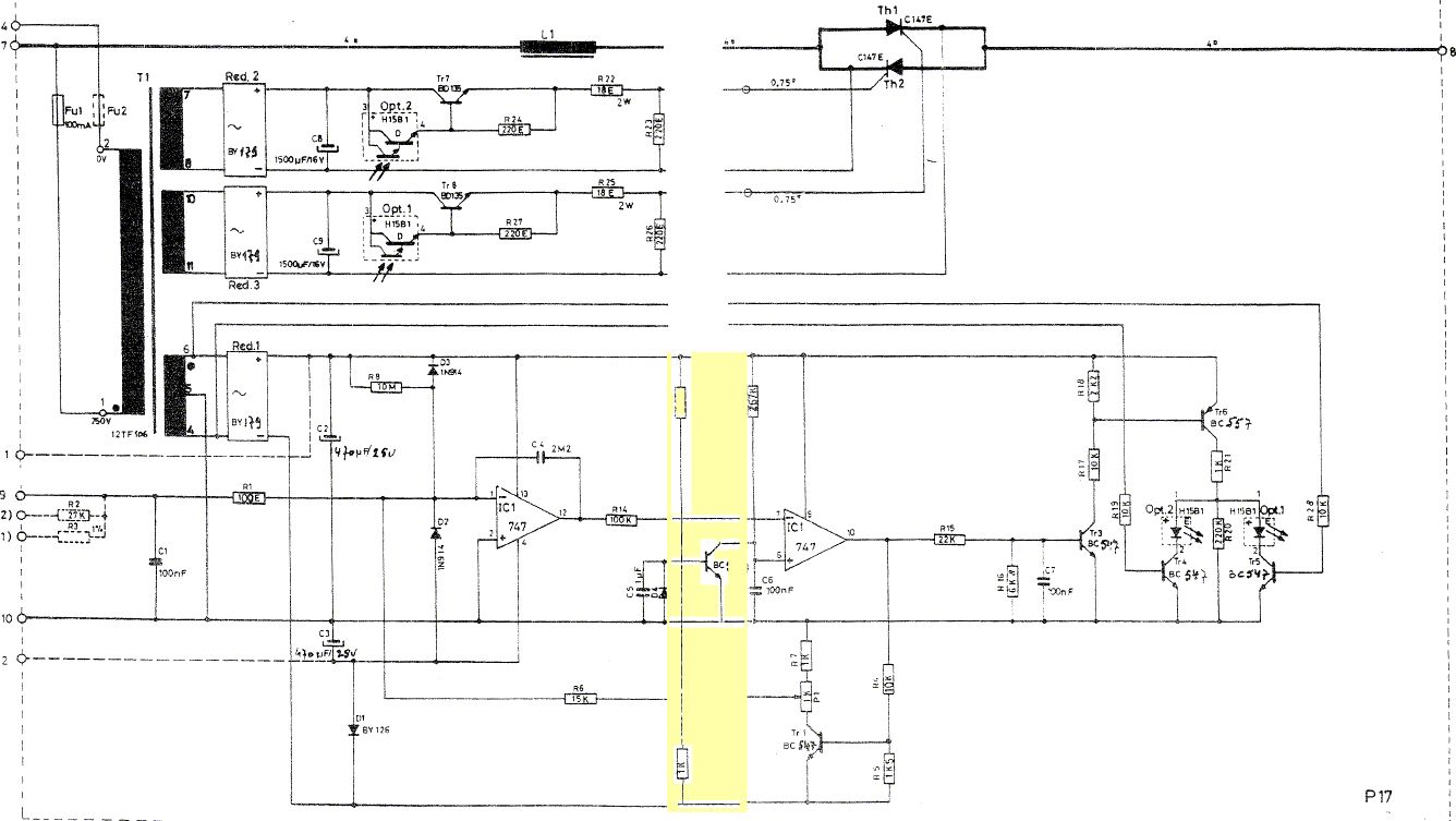
Hallo Thorsten, iss schon ein bisschen her, dass ich die Teile repariert habe ;-) Wenn man den Schaltplan mal aufdröselt, sind das zwei Teile. Ein Steuerteil (unten) und ein Treiberteil (oben). Im oberen Teil werden die beiden Triacs von den Optokopplern angesteuert und können so die Helligkeit durch Phasenan- oder Phasenabschnitt in Ihrer Helligkeit geregelt werden. Im unteren Teil, werden in abhängigkeit der an den Klemmen 9 und 10 anliegenden Spannung (muss jetzt scharf nachdenken, ob 0-10V oder -10 - 0V) und der vom unteren Abgriff am Trafo abgenommenen Nulldurchgänge die beiden Optokoppler gesteuert. Einer für die positive und einer für die negative Halbwelle. Also im Endeffekt nichts anderes wie die Nulldurchgänge der Netzspannung detektieren und abhängig von der Steuerspannung die Netzspannung zum Nulldurchgang verzögert ein- bzw. verfrüht ausschalten. Also alles dass, was heute in einem Chip erledigt werden kann auf einer ganzen Platine :-) Gruß Andreas
Hallo Andreas, danke für Deine Antwort. Das ist in etwas das, was ich zu hören gehofft hatte, bzw. im Schaltplan zu sehen mir eingeredet hatte. (-> Wunschdenken) Jetzt würd ichs aber auch ganz gerne noch verstehen. Also insbesondere was die beiden OpAmps tun interessiert mich. Das ist ja wohl irgendwie der Teil, der proportional zur anliegenden Spannung die Dauer des Phasen An- bzw. Abschnitts bestimmt. (Was von beidem macht dieser Dimmer eigentlich?) Die Nulldurchgangserkennung ist der Teil, der an den Abgriffen vor dem Gleichrichter angeschlossen ist, oder? Wobei ich mich da über ein paar erklärende Worte, wie das denn dann im Detail funktioniert, auch sehr freuen würde. Viele Grüße Thorsten
Hallo zusammen! Mich würde interessieren, um welches Gerät es sich handelt. Hintergrund: Ich habe vor ein paar Jahren für eine Lichtanlage mal einen DMX-Konverter gebaut. Angesteuert wurden 2x FAL62 Dimmer von ADB. Diese werden mit einem Stromsignal angesteuert: 0..300µA sehr ungewöhnlich! - Funktioniert aber zuverlässig. Hatte erst auch auf 0..10V getippt. War aber nicht... Hat jemand evtl. von dem Gerät einen Schaltplan oder sonstige Unterlagen?
Hallo, also das Modul selbst trägt die Bezeichnung ATN-5KW wie das eigentliche Dimmersystem dazu heisst, weiss ich leider auch nicht. Das Modul sieht so aus, wie die, die auf http://www.flickr.com/photos/dnny/396882153/ zu sehen sind. Zum FAL62 kenn ich nur http://www.techref.info/web/obsolete/adb/dim/d-fal62.php vielleicht hilfts Dir ja weiter. Ansonsten kann Dir ADB, zu durchaus fairem Preis, für viele Modelle auch immernoch Unterlagen schicken. Das mit der Stromschnittstelle hab ich jetzt auch schon mehrmals gelesen, sieht aber bei meinen Modulen eigentlich nicht danach aus (Wobei das jetzt nicht unbedingt was bedeutet, nur weil ich das so sehe). Viele Grüße Thorsten
Thorsten Krause schrieb: > (Sorry für den Werbeverseuchten Hoster und den 10MB Download, aber ne > bessere Möglichkeit hab ich im Moment nicht) Wie kriegt man das hin ? Ernsthaft, ein Rätsel.
Bitte melde dich an um einen Beitrag zu schreiben. Anmeldung ist kostenlos und dauert nur eine Minute.
Bestehender Account
Schon ein Account bei Google/GoogleMail? Keine Anmeldung erforderlich!
Mit Google-Account einloggen
Mit Google-Account einloggen
Noch kein Account? Hier anmelden.
