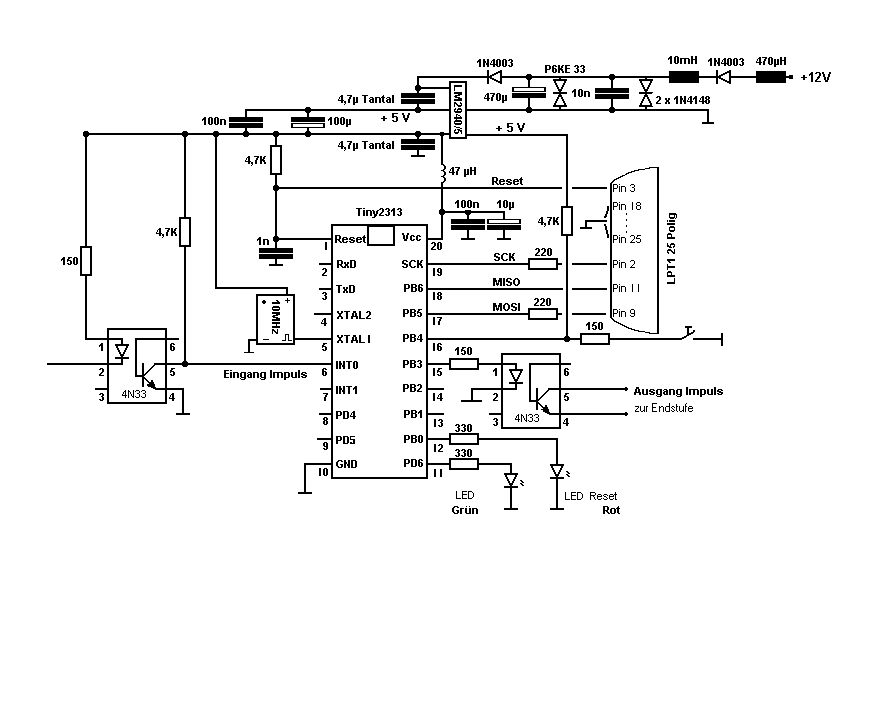
Hallo zusammen, habe folgende Schaltung fürs Motorrad gebaut. Gibt es da etwas, vor allem in Bezug auf die Spannungsversorgung zu bemängeln? Sporadische Resets lassen mich verzweifeln, vor allem, weil diese erst nach ca. 5 min auftreten. Danke und Gruß Holger
PB5, PB6 und SCK koennen sich Stoerungen einfangen. Ansonsten sieht es aber gut aus. Layoutprobleme? Gehaeuse? Olaf
Hallo Olaf, danke für die schnelle Antwort. Die Schaltung ist ein einem Metallgehäuse untergebracht. Hatte die Spannungsversorgung in Verdacht, war mit mit den Kondensatoren etwas unsicher. Wie kann ich PB5, PB6 und SCK denn schützen? Gruß Holger
> Die Schaltung ist ein einem Metallgehäuse untergebracht. Geerdet? > Wie kann ich PB5, PB6 und SCK denn schützen? PullUp/PullDown, Serienwiderstand/Kapazitaet, auf Ausgangschalten Oh..und ist dein Prozessor gesockelt? Bei starken Vibrationen ist das auch nicht unproblematisch. Olaf
Wozu hast du am Eingang einen Optokoppler, wenn du doch für die LED im Optokoppler die gleiche Spannungsversorgung und den dazugehörigen Bezugspunkt wie deine Schaltung benutzt? Dann könntest du dir den auch sparen.
Holger schrieb: > Sporadische Resets lassen mich verzweifeln, vor allem, weil diese erst > nach ca. 5 min auftreten. RAM/Stack-Überlauf?
Olaf schrieb: >> Wie kann ich PB5, PB6 und SCK denn schützen? > PullUp/PullDown, Serienwiderstand/Kapazitaet, auf Ausgangschalten Wird wohl nicht gehen da ISP-Anschluss. Aber alle anderen freien Pins sollte man auf Ausgang und LOW schalten.
Das klingt entweder nach einem Softwareproblem, oder Du betreibst die Schaltung in elektrischer Nähe zur Zündung. Von der Spannungsversorgung kommt das eher nicht, Du hast ja schon die brutalst aufwendigste Schaltung dazu. Was sollen eigentlich die gegeneinander verschalteten 1N4148 bewirken? Am Reseteingang wäre ich allerdings nicht so knauserig mit den Nanofarads.
Hallo Micha, die Schaltung ist von der Zündung recht weit weg, lediglich die Sensorleitung (geschirmt) läuft in der Nähe vorbei. Softwareproblem ist auszuschließen, da sie an anderer Stelle einwandfrei funktioniert. Reicht 1nF am Reset nicht aus? Welchen Zustand haben den die ISP-Anschlüsse im Normalzustand? Kann man die einfach mit 4,7K an VCC hängen? Gruß Holger
> Welchen Zustand haben den die ISP-Anschlüsse im Normalzustand? > Kann man die einfach mit 4,7K an VCC hängen? Das haengt von der Treiberleistung und der Taktrate deines Brenners ab. Aber grundsaetzlich wuerde ich 4.7k fuer einen guten Anfang halten. Ausserdem wuerde ich die Leitungen dann als Ausgang und auf High schalten. Das sollte beim brennen nicht stoeren da sich der Prozessor dann ja soweiso im Reset befindet. Olaf
Holger schrieb: > lediglich die > Sensorleitung (geschirmt) läuft in der Nähe vorbei. Man kann sich auch Störungen über den Schirm einfangen. > Softwareproblem ist auszuschließen, da sie an anderer Stelle einwandfrei > funktioniert. Sowas sagt sich schnell, aber wenn Du Dir sicher bist... ich würde da trotzdem nochmal ganz genau drüber nachdenken. Im Zweifelsfall könnte auch eine abgespeckte Test-SW helfen. > Reicht 1nF am Reset nicht aus? Kommt darauf an ob die Störung von da reinkommt oder nicht. Aber 100nF tun nicht weh und schaffen diesbezüglich schnell Klarheit. > Welchen Zustand haben den die ISP-Anschlüsse im Normalzustand? Was ist der Normalzustand? Ohne ISP angeschlossen? Dann verhalten sich wie ganz normale Portpins, Du bestimmst per SW ob sie Ein- oder Ausgang sind und mit letzterem welchen Pegel sie haben. > Kann man die einfach mit 4,7K an VCC hängen? Bestimmt, wenn Dein Programmer das treiben kann. Woher weißt Du eigentlich genau daß die Schaltung Resets macht? Sonderbar ist, daß das erst nach 5min auftritt. Klingt für mich trotz allem nach SW...
Hallo Micha, mein Verdacht fiel auf die Spannungsversorgung und ich ging davon aus, dass der Regler zu schwingen beginnt. Wäre das eine Erklärung? Hatte am Reset schonmal einen 100nF Kerko dran und hab ihn verkleinert, weil ich dachte, es liegt daran. Mach es Sinn, einfach mal die ISP-Ports mit 4,7 K an VCC legen? Gruß Holger
Holger schrieb: > Hallo Micha, > mein Verdacht fiel auf die Spannungsversorgung und ich ging davon aus, > dass der Regler zu schwingen beginnt. Wäre das eine Erklärung? Ich glaubs eher nicht, aber aus der Entfernung ist sowas natürlich schwer zu sagen. Oszi ranhalten ist keine Option? Das schafft Klarheit. (Ich geh mal davon aus daß Du den Regler nach Datenblatt beschalten hast, habs nicht nachgesehen) > Mach es Sinn, einfach mal die ISP-Ports mit 4,7 K an VCC legen? Ist einen Versuch wert, es geht schnell und kostet nichts. Aber jetzt mal allgemein gesprochen, man kann natürlich ewig über mögliche Ursachen plaudern und trotzdem geht nichts vorwärts. Im Ernstfall würde ich mit Testprogrammen und definierten Hardwareänderungen versuchen den Fehler systematisch einzugrenzen. Als einfachste TEST-SW könnte man sich das setzen eines LED-Ausgangs denken, wenn an einem bestimmten Eingang unerwartet eine Änderung eintritt. Kurz gesagt, wenn ausprobieren nicht mehr hilft, muß man systematisch vorgehen.
Bitte melde dich an um einen Beitrag zu schreiben. Anmeldung ist kostenlos und dauert nur eine Minute.
  
  Bestehender Account
  
  
  
  Schon ein Account bei Google/GoogleMail? Keine Anmeldung erforderlich!
Mit Google-Account einloggen
Mit Google-Account einloggen
  Noch kein Account? Hier anmelden.


 Thread beobachten
 Thread beobachten Seitenaufteilung abschalten
 Seitenaufteilung abschalten