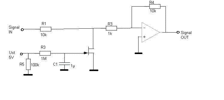
Hallo zusammen, nach vielen Anregungen und Denkanstößen, die ich aus diesem Forum schon bekommen konnte, wird es jetzt mal Zeit für eine eigene Frage: Um ein störendes Knacken in Lautsprechern zu vermeiden, soll ein 20 kHz Ton sanft eingeschaltet werden. Diesen an sich hört man nicht, das plötzliche Einschalten aber doch. Die bisherige Lösung mit einem MOSFET (BS170) sieht man im Bild „Schaltung“. Das Signal liegt derzeit dauerhaft an, geschaltet werden die 5 V im MOSFET Steuerkreis. R3 und C1 sorgen dann für eine langsam ansteigende Spannung am Gate. Dadurch schaltet der Transistor langsam das Signal vom OPV weg. Und umgekehrt. Nun ist man um mich herum der Meinung, dass man zu viel Zeit verschenkt, da der Transistor erst bei ca. 1 V Gate-Spannung anfängt durchzuschalten, bzw. wieder zu sperren (siehe Bild „Hüllkurve“). Diese Bild zeigt das Ausgangssignal am OPV bei den beiden Extremwerten des Eingangssignals +5 V und -5 V - was die Hüllkurve des Sinustons beschreibt – bei einer Erhöhung der Steuerspannung am Gate in 0,5 V Schritten. Die soll dann außerdem noch gleichmäßiger aussehen, was natürlich so mit dem Transistor nicht geht (ein Auto fährt rückwärts auch langsamer als vorwärts). Ich dachte schon daran, gleich selbst mit z.B. dem XR2206 einen 20 kHz Sinus zu erzeugen und mit entsprechendem RC-Glied an der richtigen Stelle einen Fade-In Effekt zu erzeugen. Das scheint mir nur ein wenig übertrieben. Würde denn ein zweiter MOSFET helfen um das Signal gleichmäßiger zwischen + und – zu machen? Also Source an Source und die Gates verbinden. Dass man das RC-Glied kleiner und somit schneller machen kann ist klar. Ich muss nur noch testen, wie schnell es sein darf, dass es nicht wieder das Knackgeräusch gibt. Nun bitte ich euch um Hilfe: Habt ihr andere/bessere Lösungsideen für diese Problemstellung? Ich bin zu voreingenommen von dieser aktuellen Schaltung um überhaupt auf etwas anderes Vernünftiges zu kommen. Es darf alles weg und anders werden, solange es den Zweck erfüllt. Ich danke schon mal für eure Mühe und Antworten.
Für so etwas gibt es "clickless" Analogschalter. Achtung: Dein BS170 enthält eine Schutzdiode zwischen Source und Drain, die deinen 20kHz Sinus völlig versauen kann, wenn der BS170 ausgeschaltet ist. Kai Klaas
Knackfrei geht mit einem Fotowiderstand und Led (gibts, glaube ich, sogar in einem Gehäuse)
Wie wärs mit einem multiplizierenden D/A-Wandler? Hat den Nachteil, dass man diesen Wandler irgendwie ansteuern muss, aber falls sowieso ein Controller vorhanden ist, wäre das eine Option. Damit könnte man dann gleichzeitg noch den Pegel einstellen.
Danke für eure Tipps bisher. Wusste nicht, dass es clickless Schalter gibt, das ist durchaus mal einen Blick wert. Der Multiplizierer macht mir ein wenig Kopfzerbrechen, weil ich mir nicht sicher bin, ob ich dafür fit genug in dieser Materie bin. Ich versuch mich mal in dieser Hinsicht weiterzubilden und probier mich ein bisschen dran. Bin aber für Tipps immer dankbar und offen. Und der Optokoppler ist soweit ich weiß zur Verbindung von zwei galvanisch getrennten Stromkreisen. Das ist hier gar nicht mal das Problem, da der Knack nicht vom Zusammenschalten zweier Massen kommt, sondern von der Pegelunterschiedschwelle. Beim plötzlichen Einschalten treten diverse und eben mitunter hörbare Frequenzen auf. Danke aber, auch für den Link.
ich dachte mir eher, dass du mit dem LDR im Optokoppler einen Spannungsteiler aufbaust, mit dem du dein Signal faden kannst.
> Der Multiplizierer macht mir ein wenig Kopfzerbrechen, weil ich mir > nicht sicher bin, ob ich dafür fit genug in dieser Materie bin. Schau dir z.B. den AD7524 an, da ist im Datenblatt auf Seite 6 das Schaltungsprinzip dargestellt (2-Quadrant Multiplication): http://focus.ti.com/lit/ds/symlink/ad7524.pdf An den Ref-Eingang legst du dein Sinus-Signal, am Ausgang kommt dann ein Sinus raus, die Amplitude kann digital eingestellt werden.
>Kennt jemand so ein IC? Z.B. der SSM-2402: http://de.rs-online.com/web/search/searchBrowseAction.html?method=getProduct&R=5236557 Maxim hat auch welche. Kai Klaas
Der SSM-2402 scheint genau für mein Vorhaben gemacht. Allerdings sind knapp 13 € meiner Meinung nach um einiges zu viel für einen Schalter. Das ist sehr schade. Der Optokoppler scheint mir - nachdem ich jetzt die richtige Anwendung verstanden habe - die nächste gute Lösung. Nur sind das auch wieder 5 € für ein relativ einfaches Bauteil. Viel Auswahl hat man ja leider nicht, da OK mit LDR recht selten sind. Der Hintergrund ist schlichtweg, dass die Schaltung, sofern die Lösung zufriedenstellend ist, kein Einzelstück bleibt, da kann ich mir relativ teure einzelne Bauteile nicht erlauben. Danke für all die Antworten, hat mir schon sehr weiter geholfen. Dass ich Abstriche machen muss ist jetzt mein Problem ...
Hm. Welche Qualität soll das Signal denn behalten? Vielleicht reicht dir ja einer der vielen Audio-Verstärker mit Verstärkungssteuerungseingang, wie TDA7052. Es gibt da einige <alte> Typen. LDR-OK gibts einige Hersteller. Sicherlich auch unter 5 Euronen. Für nen Fuffi kannste die Dinger ja selber machen <lassen>. Schafft auch lokale Arbeitsplätze. Poste einfach deinen Auftrag hier und es findet sich sicherlich jemand der Kohle verdienen möchte. http://de.farnell.com/silonex/nsl-32sr3/optokoppler-resistive-o-p/dp/3692218 2,50 finde ich nicht soooooooo teuer.
>Der SSM-2402 scheint genau für mein Vorhaben gemacht. Allerdings sind >knapp 13 € meiner Meinung nach um einiges zu viel für einen Schalter. Das ist ja auch kein normaler Schalter. Lori, es gibt noch ganz viiiiiele andere Möglichkeiten das sanfte Anschalten zu realisieren. Erzähl doch einfach ein bißchen mehr über dein Projekt. Kai Klaas
also es ist so, dass dies mein Projekt im Praaxissemester ist. Letztendlich soll diese Schaltung auf einem Verstärker Mainboard integriert werden. Deswegen auch die Serienproduktion und möglichst klein halten. Nachdem ich nun keine Erfahrung im Entwerfen von Schaltungen habe und schon gar nicht verstehe, woher man weiß, welche Möglichkeiten es noch gibt, tu ich mich gerade etwas hart, das eben komplett neu zu "erfinden". Ich war schon stolz auf meine erste Lösung und davon so eingenommen, dass mir nichts anderes mehr einfallen wollte. Und dann kamen langsam die Einwände: dass man dadurch, dass der Transistor erst bei ca. 2 V schaltet, "zu viel" Zeit vergeudet. Außerdem, dass das Signal zwischen + und - gleichmäßiger sein soll, was ja auch der Transistor verursacht ... das sehe ich auch eher ein. Die Lösungen hier sind mitunter absolut super, hab ich auch verstanden und werden auch ausprobiert. Nur sagt man mir immer wieder, dass zu teure Bauteile nicht verwendet werden können. Wie gesagt, ist das ja allein meine Sorge, wenn ich zurückstecken müsste. Mir ist schon bewusst, dass man zum ausprobieren mal 3 € für ein Bauteil ausgeben kann, aber dafür bekomm' ich immerhin 18 BS170. Bevor jetzt "Dann bleib doch dabei" kommt: zum einen will ich ja auch weiter lernen und andere Möglichkeiten kennenlernen und außerdem will ich ja auch selbst, dass es am Ende etwas Vernünftiges wird. Danke euch für die Mühe
Sind die 20kHz nur ein Beispiel, oder haben die einen speziellen Grund? Reden wir über einen Audioverstärker? Falls ja, dann: Wieso ist die Gleichmäßigkeit denn irgendwie wichtig? Klar ,sieht auf dem Diagramm "nicht schön" aus, aber ist das im Endeffekt für die Praxis relevant? Wenn nur das klicken verhindert werden soll kann der Anstieg ja recht schnell gehen, da dürfte die Verzögerung doch kaum spürbar sein, oder? Ansonsten kannst du noch das Faden einfach bei 1V beginnen lassen, dann sollte die Verzögerung ja auch kaum da sein...
Wenn ich die Beschreibung seines Arbeitsumfeldes von Lori so lese, stellen sich bei mir sofort die Fußnägel auf. Am besten du behälst den Firmennamen für dich. Ich gebe dir aber den Rat, sobald als möglich den Laden zu wechseln. In einem normalen 'Laden', würde der Vorgesetzte bei deinem Wunsch nach ein paar hundert Euronen für Bastelteile zum Probieren, nur mit der Schulter zucken und weitertelefonieren. Das ist kein Praxissemester, sondern ne billige Arbeitskraft. Jemand, der nicht dem Thema gewachsen ist und das Produkt dann entsprechend sein wird!! Eine Firma, die meint mit Billigprodukten gegen China bestehen zu können. Nee, so nicht! DAS können die dort nämlich besser! Das so am Rande.
>Und dann kamen langsam die Einwände: dass man dadurch, dass der >Transistor erst bei ca. 2 V schaltet, "zu viel" Zeit vergeudet. >Außerdem, dass das Signal zwischen + und - gleichmäßiger sein soll, was >ja auch der Transistor verursacht ... das sehe ich auch eher ein. Diese Einwände sind völlig lächerlich und irrelevant! Warum sollte es eine Rolle spielen, daß der Transistor erst bei 2V durchsteuert?? Ist doch vollkommon wurscht. Und das die Zeitverzögerung beim Ein- und Ausfaden unterschiedlich ist, spielt auch so gut wie keine Rolle, das macht ein teuerer clickless Analogschalter oft auch. So wie Abdul komme auch ich etwas ins Grübeln, was da für Leute um dich herum sind. Von der Realität elektronischer Schaltungen scheinen die jedenfalls keine Ahnung zu haben. Was man dir da entgegenhält ist völlig absurd. Es ist so, daß du den Sinus viel eleganter ein- und ausfaden kannst, wenn du ihn auch selbst erzeugst. Aber ehrlich gesagt sehe ich da bei dir nicht den Rahmen so etwas auch auszuprobieren, wenn man dich derart einengt. Ich habe mich auch schon schikanieren lassen, als ich jung war. Viel später habe ich emerkt, daß mein Schikaneur fachlich überhaupt nichts drauf hatte. Da wußte ich dann warum er mich schikaniert hatte... Kai Klaas
Probier einfach mal einen stinknormalen 4066 Analogschalter und steuer den über ein kleines RC Glied an. Ich weis, soll man nicht machen. Funktioniert aber 1A. Allerdings nur mit dem 4066. Die anderen aus der Rihe 4051,4052 usw. gehen, wegen dem internen Aufbau, nicht. m80
Naja, der Thread ist etwas von Spikes durchsetzt. Man kann das Thema aber getrennt fortführen, warum nicht. Von Fairchild gibts einen Optokoppler mit FET-Ausgang. Wenn man sowas nicht in eine Regelschleifer packt, müßte man ihn per PWM ansteuern. Ich vermute, das da Artifakte im Audiosignal landen. Also eine Frage der Ansprüche. Einen Versuch wäre es wert, denn der Koppler kostet nur 1 Euro. Single-Source wenn ich das richtig sehe. Oder kennt jemand sonst einen FET-Koppler?
>Oder kennt jemand sonst einen FET-Koppler? AQV212 http://www.panasonic-electric-works.de/catalogues/downloads/photomos/ds_x615_en_aqv21.pdf
http://www.elektronik-projekt.de/thread.php?threadid=5209 http://users.ece.gatech.edu/mleach/ece4435/sp08/sp08dp05.pdf http://wn.com/JFET_Design# http://www.saeuk.com/downloads/research/Thomas_Juth.pdf http://people.seas.harvard.edu/~jones/es154/lectures/lecture_4/jfet/jfet.html Nimm einen JFET un dkeinen MOSFET und lies dich erstmal ein. >Nun ist man um mich herum der Meinung Wer ist um dich herum? Leute deines Alters und Ausbildung oder gestandene Ingenieure? Wo sind die Spezies un die alten Füchse, die früher soetwas selbst noch bauen mussten, weil es keinen DSP usw. gab. Übrigens: einen J174 ist ein P-Kanal JFET und wird ebenso gern für solche Sachen eingesetzt. m80
Ich redete von einem Optokoppler mit analogem FET-Ausgang. Ob MOSFET oder JFET sei erstmal egal. Die gängigen Optokoppler-MOSFET-Switches kann man nicht 'analog' ansteuern, da die Grenzfrequenz nicht wesentlich über 1KHz kommt. Meines Wissens kann man mit einem JFET nicht wirklich über 70dB regeln. Habs aber noch nie probiert. Im Prinzip kann man auch einen VCA aus der HF-Technik nehmen. Für Klirrfaktor unter 0,1% wird man aber sicherlich sehr genau hingucken müssen, ob das dann geeignet ist.
>Meines Wissens kann man mit einem JFET nicht wirklich über 70dB >regeln. Habs aber noch nie probiert. Viele dieser Muting-Schaltungen sollen in der Tat nur etwas dämpfen, also beispielsweise einen Einschaltknacks verkleinern. Eine hohe Auschaltdämpung bekommen die wegen der endlichen Ron-Widerstände gar nicht hin. Da sind schon aufwendigere Konzepte mit Spannungsteilern bestehend aus zweien solcher Elemente, die gegenphasig angesteuert werden, von Nöten. LDR-Optokoppler, wie der den du weiter oben verlinkt hast, scheinen mir sehr geeignet für diesen Zweck, sind auch schön niederohmig, damit die 20kHz nicht schon kapazitiv rüberhuschen. Der Vorteil von LDRs sind die sehr niedrigen Verzerrungen, die bei einem FET-Schalter dagegen immer kritisch sind. Außerdem sind ihre Ein- und Ausschaltzeiten durch den Lichteffekt so träge, daß das Umschalten garantiert klickfrei erfolgt, wenn nicht gerade die Steuer-LED kapazitiv überspricht, weil sie all zu steilflankig angesteuert wird. Man google auch mal nach "Vactrol". Da gibt es sehr interessante Applikation Notes. LDR-Optokoppler kann man übrigens auch mit einfachsten Mittels selbst bauen. Man hat dadurch auch gleich noch die Möglichkeit den LDR von der Steuer-LED elektrisch abzuschirmen, falls das nötig ist. Da Lori trotz mehrfacher Ermunterung im Dunkeln läßt, was er eigentlich machen will, halte ich mich mit weitergehenden Empfehlungen zurück. Kai Klaas
Tja. Es gibt Leute die arbeiten am WE nicht oder stellen die Frage auch woanders. Oder haben es nicht nötig nochmals zu antworten, nachdem sie sich eingestehen müssen, völlig in die falsche Richtung geforscht zu haben. - LDR läßt sich auch gut per PWM steuern. Allerdings habe ich keine unter 40 Ohm gefunden. Kennt jemand niederohmigere? Und dann die Sache mit Cadium drin. Ob das noch ne Weile erlaubt sein wird?
>Allerdings habe ich keine unter 40 Ohm gefunden. Kennt jemand >niederohmigere? 40R ist schon sehr sehr niederohmig für einen LDR. Man könnte auch in zwei Stufen schalten, wenn man eine besonders hohe Ausschaltdämpfung braucht. Oder eben zwei LDR in Serie schalten, als Spannungsteiler. Wenn die aber so niederohmig sind, muß man aufpassen, daß beim "Überlappen" die Serienimpedanz nicht kurzzeitig zu klein wird und den Treiberausgang in die Knie zwingt. Kai Klaas
Ist die Frage, wieviel Lichtenergie man draufgeben darf? Ich hab jetzt ne Weile rumgesucht, aber dazu nix gescheites gefunden. - Wenn man ne Glühlampe als Quelle benutzt, hätte man sogar Gleichrichter und Integrator für AGC eingespart. Sowas hatte man wohl so um 1965 verwendet.
>Ist die Frage, wieviel Lichtenergie man draufgeben darf? Ich hab jetzt >ne Weile rumgesucht, aber dazu nix gescheites gefunden. Da diese Dinger ja als Luxmeter eingesetzt werden (oder zumindest wurden), sehe ich keinen Grund, warum die nicht auch bis Tageslichtstärke funktionieren sollten. Das wären dann rund 10^5 lux. Spezifiziert sind die meisten ja bei 10^3 lux. Allerdings beschleunigt sich dann wohl die Ansteigszeit des Fotostroms auf Werte unter 1msec, was den klickfreien Betrieb wieder gefährdet. Die Steuer-Lichtquelle dürfte dann wahrscheinlich nicht schlagartig hell werden. Ein anderes Problem ist natürlich die Erwärmung des LDR, wenn du ihn mit einer starken Lichtquelle brätst. Vielleicht wird er unmittelbar danach nicht wieder richtig hochohmig, sondern muß erst abkühlen? Ich habe hier mal spasseshalber einen recht hochohmigen LDR direkt an eine 40W Birne gehalten. Da geht der Widerstand auf rund 100R herunter. 2m weg sind es rund 2kOhm. Du siehst, Erhöhen der Lichtintensität bringt durchaus noch eine Verkleinerung des Widerstands. Kai Klaas
Ja. Da gibts noch einen 'parasitären' seriellen Widerstand, der unabhängig von der Beleuchtung ist. Der ist leider nicht spezifiert, würde sich aber im Diagramm ganz rechts außen als konstante Linie zeigen. Leider gehen die Diagramme durchweg nicht auf solche Beleuchtungsstärken. Da kann man nur raten oder messen. Da werde ich mal den Sack LDRs aus der Kiste holen... Ich möchte eigentlich auf eine Schalteranwendung hinaus! (sozusagen Unterthread ;-)
Also hier das Ergebnis: LDRs wie ich sie als "normal" kenne, kommen unter einer 20W Halogenbirne mit Reflektor, knapp vor dem Glas, auf ca. 30 Ohm. Dann habe ich noch einen Typ mit ziemlich engen Mäander. Der hat tatsächlich unter 4 Ohm. Kurz danach wieder im Dunkeln, kommt er auf 250KOhm+. Wobei es recht schwierig ist, ihm es dunkel genug zu machen. Den müßte man wirklich in eine Schachtel sperren. Leider kann ich keine Typennummern angeben, da alle ungestempelt. Sehen aber hochwertig aus. Habe offensichtlich die gleichen Typen mit und ohne Metallgehäuse. Vielleicht EGG alias Heimann. Wenn man nun den optischen Wirkungsgrad einer Glühlampe mit maximal 5% annimmt, könnte eine rote, gelbe oder grüne Hochleistungs-LED in ähnliche Widerstandsbereiche vordringen.
Abdul, ich habe dir noch eine Applikation Note aus meiner Privat-Schatulle geholt. Interessant sind hier insbesondere die Verzerrungswerte, falls du hochwertiges Audio schalten willst. Kai Klaas
Man kann ja auch mal versuchen um das Clicken zu vermeiden das ganze Syncronisiert zu schalten. Dann wird der Sinus im Nulldurchgang zugeschaltet.
>Man kann ja auch mal versuchen um das Clicken zu vermeiden das ganze >Syncronisiert zu schalten. Dann wird der Sinus im Nulldurchgang >zugeschaltet. Das Problem dabei ist die Charge Injection durch das Steuersignal selbst. Ein CMOS-Schalter verlangt in der Regel eine ausreichend steile Flanke an seinem Steuersignal, weil er dort eine digitale Schaltung enthält. Doch selbst, wenn du dort ein RC-Filter hin machst, steilt er die Flanke intern wieder auf und schaltet die entsprechenden Gates sehr steilflankig. Dabei schießt er Ladung in das Audiosignal, was sich in einem lästigen Knacks äußert. Es gibt zwar ein paar Tricks, diese Knacken zu verringern, aber du wirst es immer deutlich heraus hören. Erst, wenn du das Gate oder die Basis sehr sehr weich anteuerst, hast du die Chance die Charge Injection soweit zu verringern, daß du keinen Knacks mehr hörst. Beim LDR nutzt du dafür die natürliche Trägheit des Lichteffekts aus. Kai Klaas
Kai Klaas schrieb: > Das Problem dabei ist die Charge Injection durch das Steuersignal > selbst. Dem koennte man aber abhelfen indem man ein inverses Signal mit einspeist ueber einen kleinen 'C' .
Antiparallele Transistoren. Gabs vor ca. 234556 Jahren mal nen extrem guten Preamp zum Nachbasteln in elrad, elektor oder so. Den Preamp hab ich noch, die Pläne leider nimmer. Mal so als Tip zum gooooglen. Ansonsten die bereits oben erwähnten resistiven Optokoppler.
Oder das ganze differentiell schaltet. Den Nullpunkt bei einem Dynamikbereich von 80dB+ ordentlich zu erwischen, wird sicherlich auch nicht einfach. - Danke für das Öffnen der privaten Schatzkammer, Kai! Die Seite von EGG ist auch arg grauselig zu surfen. Unglaublich, wie die noch was verkaufen können. Das Dokument gibts aber in unzähligen Versionen per Google. Glühlampen scheinen in dieser Anwendung ausgestorben. Wie gesagt, man spart sich dann in der Verwendung als AGC, Limiter, Kompressor etc den Vollweggleichrichter und Integrator und bekommt sogar bei hohem Crest-Faktor noch gute Werte. - Gerade frage ich mich, was HighCom und Dolby eigentlich anders machen.
>Dem koennte man aber abhelfen indem man ein inverses Signal mit >einspeist ueber einen kleinen 'C' . >Oder das ganze differentiell schaltet. Den Nullpunkt bei einem >Dynamikbereich von 80dB+ ordentlich zu erwischen, wird sicherlich auch >nicht einfach. Man könnte spasseshalber mal das Signal von zwei identischen Schaltern voneinander subtrahieren. Da aber die Charge Injection auch noch von der Höhe der zu schaltenden Momentanspannung abhängt, dürfte es schwierig sein, einen exakten Gleichlauf zu erzielen, selbst bei identischen Schaltern auf einem Chip (CD4053, o.ä.). Man sollte dann vielleicht, wie Helmut schon vorgeschlagen hat, im Nulldurchgang schalten. >Gerade frage ich mich, was HighCom und Dolby eigentlich anders machen. Ja, die waren damals auch schon schlau... Kai Klaas
Thisamplifierisloud schrieb: > Antiparallele Transistoren. Hm. Ich kenn das nur als i2c Levelkonverter. > > Gabs vor ca. 234556 Jahren mal nen extrem guten Preamp zum > Nachbasteln in elrad, elektor oder so. Kurz nach der Entdeckung der Beherrschung des Feuers schon die ersten Halbleiter?? > > Den Preamp hab ich noch, die Pläne leider nimmer. > > Mal so als Tip zum gooooglen. > Mach das mal. Du wirst enttäuscht sein! Selten so orthogonale Begriffe erwischt.
Es wurde doch nun aber schon gesagt, das man den 4066 (ausnahmsweise) mit einem kleinen RC-Glied ansteuern kann. Bloß nicht ausporbieren!! ;) Da knackt dann auch nichts mehr. Aber geht nur beim 4066.
Warum hackt ihr denn auf mir rum? Man wird doch am Wochenende mal abschalten dürfen und auch nebenbei was für's Studium tun, wenn man die ganze Woche an dieser Aufgabe hier verzweifelt. Hab auch nirgends anders nach Hilfe gefragt; genausowenig wie ich mir selbst irgendwas eingestehen muss. Dass ich wenig Ahnung habe, wusste ich auch vorher. Ich mein das jetzt nicht bös, aber versteh'n tu ich das nicht, weshalb man hier so giftig wird. Dass die Schaltung furchtbar wird, wenn ich sie entwerfe mag schon sein. Aber woher soll's denn kommen, nach grade mal 2 Jahren theoretischem Kontakt mit der Materie? Ich fühl' mich hier nicht wie der größte Held, das könnt ihr mir schon glauben. Ihr habt vermutlich keine Ahnung, dass ich jedem einzelnen hier sehr dankbar bin ... von den Ingenieuren um mich herum (soviel dazu) hat nämlich kaum jemand Lust und Zeit. Entschuldigung, wenn man aus meiner Fragestellung nicht erkennt, was ich tun soll: Auf einer Durchsageanlage soll ein 20 kHz Pilotton (scheinbar sollen es diese 20 kHz sein) zugeschaltet werden. Hab ich das etwa vergessen? Es ist ein Pilotton, mein Fehler. Und dieser soll eben beim Einschalten keinen Knack in den Lautsprechern verursachen. Ist das nun was ihr wissen wolltet? Ich muss ganz ehrlich sagen, mehr nfos hab auch ich nicht. Nur das, was ich schon hier geschrieben habe. Mir bleibt nur, mich vielmals zu bedanken und darum zu bitten, ein bisschen Nachsicht mit mir zu haben.
Ich habe da noch eine andere Idee. Wenn du dein geschaltetes 20KHz Signal danach noch ueber einen 20KHz Bandpass schickst duerfte der diese Click signale auch noch unterdruecken. In dem Click des Schalters sind je schneller er schaltet umso hoeherfrequente Anteile drin. Da aber dahinter jetzt ein Bandpass liegt, wird der davon nur wenig mitbekommen. Du kannst dir ja die Schaltung mal aufbauen und testen.
Mit den neuen Infos kommt man doch viel weiter. Also: Die 20KHz kann man unter normalen Umständen nicht hören! Allerdings, wenn die irgendwie auf Nichtlinearitäten stoßen und dort an sich selbst oder anderen Frequenzen gemischt werden, dann hörst du die sich neu ergebenden Mischprodukte, wenn sie denn in den für Menschen hörbaren Bereich fallen. Die neuen Frequenzen können wiederum mit sich selbst oder anderen vorhandenden/sich ergebenden Frequenzen mischen... (Die Pegel fallen allerdings dann sehr schnell ins Unhörbare...) Was man hört, ist die Hüllkurve (Was der Lautstärke-'Geschwindigkeitsänderung' entspricht) und den DC-Offset beim Schalten! Die mußt du sanft schalten. Ideal wäre ein Besselfilter, linear gehts aber auch ziemlich gut. Das wäre die Theorie - ohne zu groß einzusteigen. Den Pilotton koppelst du am besten per Übertrager der eine passende untere Grenzfrequenz hat, ins Audio-Signal ein. Die untere Grenzfrequenz verhindert die Knackstörungen. DC-Offset wird über den Trafo nicht übertragen.
>Es wurde doch nun aber schon gesagt, das man den 4066 (ausnahmsweise) >mit einem kleinen RC-Glied ansteuern kann. Bloß nicht ausporbieren!! ;) >Da knackt dann auch nichts mehr. Aber geht nur beim 4066. Wenn du dir die Innenschaltung des 4066 siehst, erkennst du direkt am Control-Eingang einen Inverter. Dieser steilt die mit dem RC-Glied verschliffene Flanke des Control-Signals sofort wieder auf, so daß dir das RC-Glied überhaupt nichts bringt! Kai Klaas
Hatte die Schaltung von Helmut mit dem Bandpass aufgebaut, weil ich das plausibel fand: Ein Bandpass der nur 20 kHz durchlässt bedeutet keine tieferen hörbaren Frequenzen. Das war bei mir aber nicht wirklich das Gelbe vom Ei. Gab ein ziemlich gedämpftes und verzerrtes Signal am Ausgang. Den 4066 mit RC-Glied beschalten war auch nicht erfolgreich, wie Kai das schon geschrieben hat bringt das wohl nichts. Das kann ich jetzt aus dem Versuch bestätigen. Abdul, danke, dass ich jetzt auch mal verstanden hab, was "hinter den Kulissen" eigentlich passiert und welche Ursache ich zu bekämpfen habe. Das ist doch einiges Wert. Mich lässt nur meine Phantasie im Stich, wo bei einem reinen 20 kHz Sinus beim Schalten plötzlich andere, hörbare Frequenzen herkommen. Es ist offensichtlich so, aber warum? Ein Übertrager mit einer Grenzfrequenz zwischen 18 und 20 kHz wäre also ein nächster Versuch.
Lori G. schrieb: > Gab ein ziemlich > gedämpftes und verzerrtes Signal am Ausgang. Wo ist das Signal verzerrt? Ist das am Eingang des 4066 oder am Ausgang des Filters oder am Ausgang des Summierers ? Kannst du das mal messen? Es kann sein das die Schaltung noch etwas optmiert werden kann. Oder ein Arbeitspunkt stimmt nicht.
>Den 4066 mit RC-Glied beschalten war auch nicht erfolgreich, wie Kai das >schon geschrieben hat bringt das wohl nichts. Das kann ich jetzt aus dem >Versuch bestätigen. Du musst den 4066 auch entsprechend beschalten: die negativen Spitzen der Eingangsspannung (sowie auch die positiven) dürfen die Betriebsspanungsgrenzen des 4066 nicht übersteigen. Das funktioniert - auch wenn das stilisierte Innenleben des 4066 etwas anderes sagt - ausgezeichnet und wird auch in profesionellem Equipment erfolgreich eingesetzt (ich denke mir sicher viel aus. Aber auch nicht alles) wie wird der Pilotton zugeschaltet? Wird hier einem Generator die Betriebsspannung hinzugeschaltet? Der 20kHz-Generator sollte schon durchlaufen. Alle (koppel)kapazitäten sollten aufgeladen sein. Wenn Du jetzt die NF wegschaltest, MUSS das Gleichspanungspotzial an den Koppel-Cs erhalten bleiben, sonst knackt es. Werden Koppel-Cs eingestzt? Ich frage, weil dort etwas von ±5V stand. Darfst Du die Schaltung reinstellen? Ich gehe mal davon aus, das die Skizze im ersten Post nur das Prinzip darstellen soll. m80
Hier sieht man sehr schön, warum man eigentlich nicht schleichend schalten "sollte", jedoch eben der hier gewünschte Effekt des weichen Schaltens erzielt wird. m80
Ich habe bei der Telekom noch zu Zeiten der Relais und der RSM gelernt. Und die verschiedenen Signaltöne im Telefon: besetzt, Aufschalteton usw. knacken doch auch nicht, oder? Darfst mir also a bisserl glauben ;-) Hier findest du eine Erklärung, warum man trotzdem was hört: http://www.sm5bsz.com/others/click.pdf (Ich habs allerdings nur kurz überflogen) Und hier bekommst du ne Ahnung, wie die optimale Hüllkurve auszusehen hat: http://www.sm5bsz.com/others/occbw.htm Wenn du in Mathe aufgepaßt hast, dann kannst du nun die Faltung benutzen.
Verzerrt ist das Signal am Eingang des 4066. Was dann am Ende rauskommt kann ich nicht mal mehr beschreiben. Ich werd einfach nochmal anfangen, grundsätzlich liegt es meiner Meinung nach erstrangig an mir, wenn es nicht geht. Das erste Bild ist die Schaltung wie sie aufgebaut ist. So läuft sie vor sich hin; mit den angegebenen Kritikpunkten. Vom Pilotton weiß ich leider nichts genaueres. In den Versuchsaufbauten läuft ein Generator einfach durch. Mit den ±5V meinte ich das Signal, also 10 Vpp. Koppel C's hab ich keine drin. Ich glaube hier alles, schließlich hab ich um Hilfe gebeten ;-) Faltung kenn und kann ich (wenn ich kurz nochmal drüber schau) ... hab nicht gedacht, dass man das mal brauchen würde.
Lori G. schrieb: > Das erste Bild ist die Schaltung wie sie aufgebaut ist. Bild? > So läuft sie vor > sich hin; mit den angegebenen Kritikpunkten. > Vom Pilotton weiß ich leider nichts genaueres. In den Versuchsaufbauten > läuft ein Generator einfach durch. > Mit den ±5V meinte ich das Signal, also 10 Vpp. Koppel C's hab ich keine > drin. Da koennte schon das Problem liegen. Der 4066 wird nur mit +VCC versorgt. Er mag dann keine negativen Spannungen an seinen Eingaengen. Schieb das Potenzial an seinen Eingaengen mal in den erlaubten bereich. (Spannungsteiler und Koppelkondensator).
Also das erste Bild im ganzen Thread ... im ersten Post von mir.
>Ich habe da noch eine andere Idee. Wenn du dein geschaltetes 20KHz >Signal danach noch ueber einen 20KHz Bandpass schickst duerfte der diese >Click signale auch noch unterdruecken. Deine Schaltung ist ganz interessant, Helmut. Allerdings stören mich zwei Sachen: 1. Der Analogschalter sollte vielleicht besser ein Wechsler sein, der das Eingangssignal des Bandpaßfilters beim Ausschalten auf Masse legt, sonst änderst du Filtereigenschaften. 2. Damit der Einschaltknack, der entsteht, wenn nicht im Nulldurchgang geschaltet wird, ausreichend gedämpft werden kann, benötigst du ein riesiges Q im Bandpaß. Das ist aber aus zweierlei Gründen unerwünscht, weil einmal die Bauteile dann sehr geringe Toleranzen und Driften aufweisen müssen, damit du die 20kHz genau triffst und weil andererseits der Bandpaß dann ewig lang braucht um auszuschwingen. >Hier sieht man sehr schön, warum man eigentlich nicht schleichend >schalten "sollte", jedoch eben der hier gewünschte Effekt des weichen >Schaltens erzielt wird. Das sehe ich leider garnicht. Ich sehe nur drei Inverter, die hintereinander geschaltet sind und die Flanken wieder aufsteilen. >Das funktioniert - auch wenn das stilisierte Innenleben des 4066 etwas >anderes sagt - ausgezeichnet und wird auch in profesionellem Equipment >erfolgreich eingesetzt (ich denke mir sicher viel aus. Aber auch nicht >alles) CMOS4000 ist zwar weitaus unempfindlicher als 74HCMOS, was Flankensteilheiten an den Eingängen betrifft, aber rund 10µsec Anstiegszeit ist auch dort Ende der Fahnenstange. Wenn du die deutlich mit einem RC-Filter übersteigst, kann das ganze Gatter schwingen und du bekommst ganz andere Probleme. Wirklich professionell ist das nicht, um es ganz vorsichtig auszudrücken. Kai Klaas
Kai Klaas schrieb: > 1. Der Analogschalter sollte vielleicht besser ein Wechsler sein, der > das Eingangssignal des Bandpaßfilters beim Ausschalten auf Masse legt, > sonst änderst du Filtereigenschaften. Stimmt da hast du recht. Da aendert sich das Filter. Kai Klaas schrieb: > 2. Damit der Einschaltknack, der entsteht, wenn nicht im Nulldurchgang > geschaltet wird, ausreichend gedämpft werden kann, benötigst du ein > riesiges Q im Bandpaß. Das ist aber aus zweierlei Gründen unerwünscht, > weil einmal die Bauteile dann sehr geringe Toleranzen und Driften > aufweisen müssen, damit du die 20kHz genau triffst und weil andererseits > der Bandpaß dann ewig lang braucht um auszuschwingen. Ich hatte fuer das Filter einen Q von 10 zugrunde gelegt. Als Kompromiss fuer die Bandbreite und die Verstaerkung des OPs der gross gegen Q^2 sein muss. Zur Not muesste man den R2 Widerstand einstellbar machen um die Resonanz zu treffen. Lori meint aber das die Schaltung nicht funktionieren wuerde.
>Lori meint aber das die Schaltung nicht funktionieren wuerde.
Doch doch, diese Bandpaß-Schaltungen funktionieren prima. Es ist auch
ganz witzig was passiert, wenn man auf den Eingang eines solchen
Bandpasses einen kleinen Spannungsprung gibt. Das klingt dann wie ein
Gong, ja gut, nicht gerade bei 20kHz...
Ich habe mal für Messungen ein aktives Dopel-T-Filter im Signalweg eines
Audioverstärkers gehabt. Immer, wenn ich die Signalquelle umgehängt
habe, hat es sekundenlang gegongt. Hier haben schon die kleinen
Offsetspannungen von OPamps ausgereicht, den Gong auszulösen.
Kai Klaas
Wie gesagt das ist die feststellung von Lori. Wer weiss was er da gemessen hat. Das diese Schaltung funktioniert weiss ich. Die habe ich auch schon oefters eingesetzt. Was mir noch einfaellt um das Signal sanft zuzuschalten waere ein OTA. Bei diesen OP mit Stromausgang kann man die Verstaerkung ueber einen Steuereingang einstellen. http://www.national.com/ds/LM/LM13700.pdf#page=11 Aber sowas hat er bestimmt nicht da. Kai Klaas schrieb: > Ich habe mal für Messungen ein aktives Dopel-T-Filter im Signalweg eines > Audioverstärkers gehabt. Wolltes du den Klirrfaktor messen ? > Immer, wenn ich die Signalquelle umgehängt > habe, hat es sekundenlang gegongt. Hier haben schon die kleinen > Offsetspannungen von OPamps ausgereicht, den Gong auszulösen. Dann hatte das aber eine hohe Guete. Ich habe letztes mal einen Digitalen Bandpass mit einem AVR aufgebaut. Bei 50Hz hatte ich eine Guete von 1000 eingestellt. Das hat fast eine Minute gedauert bis das Teil eingeschwungen war. Ein paar mHz daneben und schon ging es abwaerts.
>Was mir noch einfaellt um das Signal sanft zuzuschalten waere ein OTA. >Bei diesen OP mit Stromausgang kann man die Verstaerkung ueber einen >Steuereingang einstellen. Ja, genau. >Wolltes du den Klirrfaktor messen ? Ja, ich glaube. Ist schon länger her. >Dann hatte das aber eine hohe Guete. Ich denke, die war sehr hoch. Ich habe das Platinchen noch im Keller liegen. Es hat 1%-ige Styroflex-Caps, die orangenen Klötze von Siemens und blaue Cermet-Trimmer von Bourns. Ich habe das Doppel-T-Filter wohl genau abgeglichen und dann in die Gegenkopplung eines LF356 gepackt. Du kannst dir sicher meine Überraschung vorstellen, als das Teil plötzlich im Kopfhörer gegongt hat... >Ich habe letztes mal einen Digitalen Bandpass mit einem AVR aufgebaut. >Bei 50Hz hatte ich eine Guete von 1000 eingestellt. Das hat fast eine >Minute gedauert bis das Teil eingeschwungen war. Ein paar mHz daneben >und schon ging es abwaerts. Klingt interessant! Kai Klaas
nur zwischendurch: gebt nichts darauf, wenn ich schreibe etwas funktioniert nicht. Schon gar nicht, wenn ihr ja wisst, dass es geht ;-) hätte ich die Bauteile zum ausprobieren anderer Schaltungen (z.B. LDR OK), wäre ich genauso im Stande es so zu machen, dass es nicht klappt. Das hab ich falsch rübergebracht. War wirklich nicht meine Absicht, mein Unvermögen durch die Schaltung entschuldigen zu wollen.
Nicht alles was wir hier von uns geben, haben wir je aufgebaut oder zu Ende gedacht! Die meisten Projekte werden nie fertig...
Hier noch eine variable Dämpfungstechnik. Ich habe das nicht weiter untersucht, aber der Autor sollte halbwegs kompetent sein. Von daher einen Versuch wert. Benötigt keine Spezialbauteile! http://tonnesoftware.com/appnotes/speech/speechamp.html Kapitel "The AGC block" Wäre mal interessant zu untersuchen, wieviel man real so dämpfen kann.
wenn du in der Entwicklung tätig bist, dürfte es diesen Satz nicht geben: "hätte ich die Bauteile zum ausprobieren" Habe ich eine Idee, wird flux bei Farnell oder RS-Components bestellt, max. 24h später, kann ich schon damit rumspielen. Die Bauteilekosten sind in der Entwicklungsphase zu vernachlässigen.
Ich hab noch einmal den 4066 genommen und mein Eingangssignal mit einem DC Offset von 6 V versehen (wie mir gesagt wurde mit Spannungsteiler und Koppel C) Und schon hat es funktioniert. Es lässt sich wunderbar Schalten. Also schlicht den 4066 (diesmal richtig) ohne den Bandpass (erst mal). Jetzt ist natürlich wieder die Frage, wie ich eine vernünftige Hüllkurve bekommen kann. Das schaltet jetzt ja sehr abrupt (was ein Schalter prinzipiell ja soll, nur bei mir wieder nicht). Habe mal den Control-Eingang versucht mit einem RC Glied aus 1 MOhm und 1 µF zu beschalten, was aber den Schaltvorgang am Oszi nur noch häßlicher aussehen lässt. Eine Sekunde ist lang, aber ich dachte, vielleicht sehe ich das dann deutlicher. Die Spannungsteiler sind je zwei 10 kOhm Widerstände. Hab’s auch mit zwei 200k prbiert, aber da bleibt bei offenem Schalter ziemlich viel vom Signal am Ausgang über. Auch mit den 10k’s bleiben noch ca sehr verzerrt 10 mV vom Signal am Ausgang; bei Control auf 0 V. Liegt das an den Widerständen? Sollen sie noch kleiner werden? @PeterL: Ich sitze in der Entwicklung und mich ärgert das auch. Das kostet mich viel Freude an der Sache, da ich gerne die guten Vorschläge von hier ausprobieren würde, weil es mich wirklich interessiert. Zum einen, ob ich es hinbekommen würde und zum anderen eben weil sie mir sehr gut geeignet scheinen.
Lori G. schrieb: > Auch mit den 10k’s bleiben noch ca sehr verzerrt 10 mV vom Signal am > Ausgang; bei Control auf 0 V. Liegt das an den Widerständen? Sollen sie > noch kleiner werden? Die 4066 haben keine unendliche Daempfung. Den Spannungsteiler noch kleiner halte ich fuer keine gute Idee. Eher mit einem der 3 anderen Schalter das Signal gegen GND kurzschliessen wuerde mehr bringen. Da dazu ein invertiertes Schaltsignal noetig ist kannst du das mit einem der Schalter invertieren.
Gut, danke. Hab also jetzt einen Schalter als "Inverter" und je einen als Öffner und Schließer. Wenn ich das Signal mit einem der Schalter auf Masse lege, sieht das nicht ganz so schön aus. Wenn ich den Ausgang offen lasse, klappt es wunderbar. Kann man das so machen? Ob es knackt, muss ich letztendlich noch mit einem akustischen Test herausfinden. Am Oszi sehen die Flanken der Hüllkurve schon sehr steil aus. Aber Ein- und Ausschalten gelingt erstmal tadellos. Danke für die Tipps. btw: schließlich durfte ich doch einen LDR-Optokoppler bestellen. Meine Erfolge damit werd' ich demnächst auch noch kurz mitteilen. Danke euch
Ha ha. Durfte bestellen... Werden auch die Kaffeetassen abgerechnet. Armer Lori. Hast du denn mal den Dioden-Dämpfer probiert?
Bitte melde dich an um einen Beitrag zu schreiben. Anmeldung ist kostenlos und dauert nur eine Minute.
Bestehender Account
Schon ein Account bei Google/GoogleMail? Keine Anmeldung erforderlich!
Mit Google-Account einloggen
Mit Google-Account einloggen
Noch kein Account? Hier anmelden.





