Hallo, ich beschäftige mich schon länger mit (einfacher) Elektronik und habe vor kurzem mit AVR-Programmierung angefangen. Mein erstes größeres Projekt ist eine einfache LED-Matrix. Programmierung ist soweit kein Problem, funktioniert auch schon einwandfrei. Die Stromstärke aus den Ports des AVR ist aber zu gering, also müssen Treiber-ICs her. an der Kathode der LEDs tut es ein ULN 2803, an die Anode kommt jeweils ein Transistor. Hier liegt jedoch mein Problem: Welchen Transistor nehmen? NPN, klar, aber welchen genau? Gibts da nicht auch ICs mit 8 oder mehr Transistoren drin? Ihr seht, mir fehlt es einfach an Überblick über den Bauteile-Markt. Ich würde mich über Hilfe in dieser Hinsicht sehr freuen, genauso über Links zu Übersichtsseiten. Danke, Jan
"Hier liegt jedoch mein Problem: Welchen Transistor nehmen? NPN, klar, aber welchen genau? Gibts da nicht auch ICs mit 8 oder mehr Transistoren drin? " Nix da, da gehört ein pnp hin, einen npn kann man nicht vernünftig (in dem Fall=Sättigung) ansteuern. Falls doch integrierten 8fach-Treiber: UDN2981. Ist aber einiges teurer als 28xx.
Danke für den Hinweis, aber könntest du mir mal auf die Sprünge helfen? Ich kann mir gerade nicht vorstellen, wie ich die Schaltung verändern muss, wenn ich einen pnp verwende...
"Nix da, da gehört ein pnp hin, einen npn kann man nicht vernünftig (in dem Fall=Sättigung) ansteuern." Na aber hallo, klar geht das ! Schonmal was von der Kollektorschaltung gehört. Die LEDs brauchen etwa 1,6-2V, da stören die 0,7V am Transistor überhaupt nicht. Einfach bei der Berechnung der Stromeinstellwiderstände berücksichtigen. In der Regel muß man aber die Anzeigen nicht volle Pulle betreiben, d.h. ich steuere die Segmentwiderstände immer direkt vom AVR (bis 6 Digits). Peter
"In der Regel muß man aber die Anzeigen nicht volle Pulle betreiben" Klar, die Schaltung funktioniert auch so. Im Moment erhält jede LED einen mittleren Strom von 2 bis 6 mA (je nach Anzahl der aktiven LEDs). Da es sich nicht um Low Current LEDs handelt, ist das etwas zu wenig. Würde beispielsweise ein BC547B hier gut funktionieren?
"Im Moment erhält jede LED einen mittleren Strom von 2 bis 6 mA (je nach Anzahl der aktiven LEDs)." Wie das ? Der Strom wird doch durch den Vorwiderstand konstant gehalten, und da jedes Segment seinen eigenen Widerstand hat, gibts da keine gegenseitige Beeinflussung. Es sei denn, Du hast die Digits direkt am MC und der geht in die Knie. Die Digittreiber müssen ja den 8-fachen Impulsstrom liefern können, d.h da sollte man immer Treibertransistoren einsetzen. Ich nehme gerne den BC368, der kann 1A, das reicht dicke. Peter
@Jan: Male mal einen Schaltplan von dem was Du jetzt hast oder was Du vor hast, und stell' den hier rein. Dann kann man Dir auch genauer helfen.
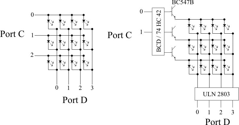
@Peter: ja, der MC schafft nicht mehr als die dann maximal fließenden 60mA. Die Schaltung habe ich gerade mal aufgezeichnet. Das Array ist jedoch größer, momentan 8x8 LEDs. Links der Ist-Zustand, rechts das, was ich mir vorstelle. Ich würde mich freuen, wenn jemand mit etwas mehr Ahnung als ich da sein OK dazu geben könnte oder Verbesserungsvorschläge. Außerdem interessiert mich, durch welchen IC man die vielen einzelnen Transistoren ersetzen könnte.
Folgendes musst Du machen: Die Kollektoren der NPN-Transitoren direkt an 5 Volt anschliessen, kein Widerstand dazwischen. Zwischen den Ausgängen des 74HC42 und den Basen der Transistoren ebenfalls keine Widerstände. Allerdings musst Du Widerstände an die ULN Ausgänge einbauen. Deren Wert berechnet sich nach allen Spannungsabfällen geteilt durch den gewünschten Strom. Also: R = (5 Volt - U_transistor - U_led - U_uln) / I_led U_transistor ist 0.7 Volt, U_led ist für rote Leds ca. 2 Volt und U_uln wird ca. 0.5 Volt oder so sein, das musst Du im Datenblatt nachlesen. Der Strom durch die Leds darf schon etwas mehr sein, so 30mA, da ja gemultiplext. Das ergibt also: R = (5V - 0.7V - 2V - 0.5V) / 0.03A = 60 Ohm. Nächste Normwert wäre z.B. 58 Ohm. Allerdings ist der BC547 etwas zu schwach für diese Aufgabe, er ist nur für 100mA gedacht. Durch die vielen Leds kommt da aber einiges mehr an Strom zusammen. Besser wäre also z.B. der BC368, der ist für bis zu 1 Ampere gedacht. Zu beachten ist dabei allerdings, dass er bei 25°C Umgebungstemperatur absolut maximal 0,8 Watt verbraten kann, das wären bei 0.7 Volt Spannungsabfall als Emitterfolger wieder nur etwas mehr als 100mA. Da Du den Transistor aber taktest, kannst Du den Transistor entsprechend dem Takverhältnis mehr belasten. Wenn Du noch mehr Leds brauchst, muss noch ein anderer Transistor her. Und noch eins gibt's zu beachten: BC368 und BC547 haben unterschiedliche Pin-Belegungen...
Ah sorry, jetzt weiß ich, was ich nicht geschrieben hatte: Die Widerstände und die Stromversorgung habe ich im Schaltplan der Einfachheit halber rausgelassen. *schäm Trotzdem danke für die Mühe. Also werde ich je einen BC368 benutzen und wahrscheinlich um Ports am MC zu sparen noch ein Schieberegister anstatt des BCD benutzen. Vielen Dank für die Tipps!
Bitte melde dich an um einen Beitrag zu schreiben. Anmeldung ist kostenlos und dauert nur eine Minute.
Bestehender Account
Schon ein Account bei Google/GoogleMail? Keine Anmeldung erforderlich!
Mit Google-Account einloggen
Mit Google-Account einloggen
Noch kein Account? Hier anmelden.
