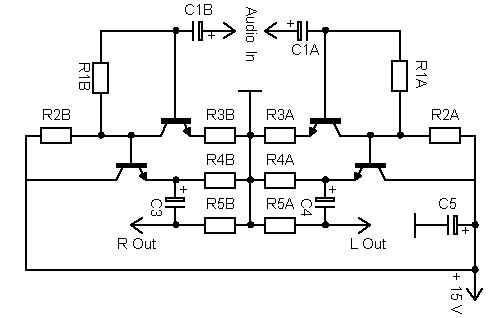
Was ist besser für einen Kopfhörerverstärker geeignet? Die Schaltung auf dem Bild ober 2x TDA7052? Gibt es eine Andere gute Lösung??
der TDA natürlich. Deine Schaltung oben ist doch mit Sicherheit ruhestromfressend, wenn die für Kopfhöhrerleistung ausgelegt werden soll (zumindest wenn man es etwas lauter haben will). Auserdem wird wohl der Klirrfaktor nicht besonders sein.
Die ersten 2 Fragen sind leicht zu beantworten: Der TDA7052. Für die letzte Frage habe ich zu wenig Erfahrung. Ich würde aber einen Baustein mit 2 Kanälen bevorzugen.
Ich habe dies hier gefunden: http://www.loetstelle.net/projekte/opa2134dil/opa2134dil.php Ich kann diesen opamp aber nicht kaufen und möchte wissen welcher opamp sich noch dafür eignen würde? Wie sieht es damit aus: http://www.audioattic.de/projects/lm386amp.html
Die von dir verlinkte Schaltung mit dem OPA2134 ist eine Abwandlung des CMoy Amplifiers. Ich habe mir so einen vor einiger Zeit aufgebaut und bin sehr zufrieden damit. Warum kannst du keinen OPA2134 kaufen? In Deutschland bekommst du ihn z.B. bei Reichelt. Wenn du ihn echt nicht bekommen kannst gibt es aber auch Informationen zu Alternativen für den CMoy im Internet.
Obi Plal schrieb: > Ich bin aus Itlaien und Reichelt liefert erst ab 150€. Und Conrad gibt > es den OPA2134 nicht... Bei RS aber schon: http://it.rs-online.com/web/search/searchBrowseAction.html?method=getProduct&R=2858069
Wenn es eine gehackte Lösung sein darf: http://apxys-toan.blogspot.com/2010/11/how-to-get-really-cheap-stereo.html Den Chip aus dem Blog kann man auch fertig kaufen, er ist eigentlich das selbe wie ein LM386. Nur falls es wirklich "nichts" kosten soll. Mit freundlichen Grüßen, Valentin Buck
Reichelt hat vor einiger Zeit seinen Mindestbestellwert für Auslandsbestellungen auf 10€ gesenkt, das sollte also kein Problem mehr sein. Wie das allerdings mit den Versandkosten aussieht weiß ich nicht. Kann also sein das es sich trozdem nicht lohnt.
Bitte melde dich an um einen Beitrag zu schreiben. Anmeldung ist kostenlos und dauert nur eine Minute.
Bestehender Account
Schon ein Account bei Google/GoogleMail? Keine Anmeldung erforderlich!
Mit Google-Account einloggen
Mit Google-Account einloggen
Noch kein Account? Hier anmelden.
