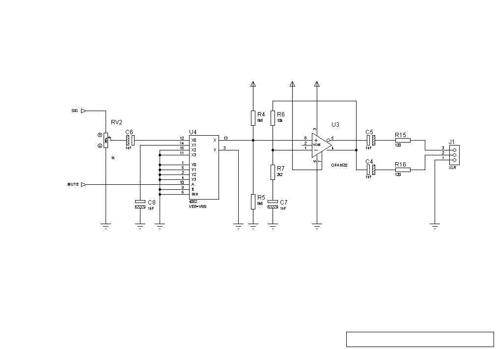
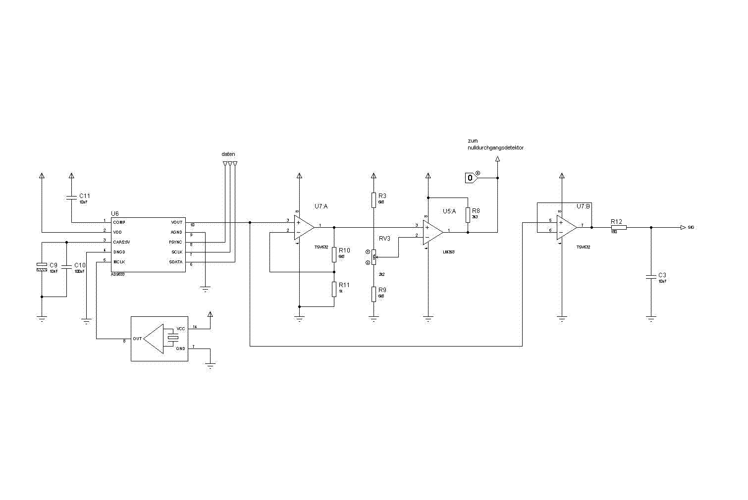
Hallo ihr alle! Mein letztes Projekt funktioniert zwar so wie es sollte , jedoch rauscht der Ausgang (baut sich irgendwie auf!) und beim Einstecken des XLR-Steckers knackst es. Vielleicht hab ich einen Denkfehler in meinem Design? Oder vielleicht liegt es auch nur am Prototypenboardaufbau? dds.jpg: Ad9833 geht in jeweils eine Bufferstufe für einen Komparator der als Nulldurchgangsdetektor gilt und einen Buffer in das nächste Sheet: out.jpg: Symmetrische Ausgangsstufe mit Muteschaltung auf Basis eines analogen Multiplexers , der Poti stellt mir die Lautstärke ein. Hat jemand einen Verbesserungsvorschlag? fg markus
Zusatzinformationen Frequenz des Oszillators für Ad9833 : 10Mhz nicht sichtbar: PIC18f4550 läuft auf 20Mhz
Probier doch mal nach c4 und c5 je einen widerstand gegen masse 100k sollte reichen.
Hans Mayer schrieb: > Probier doch mal nach c4 und c5 je einen widerstand gegen masse Oder mach wenigstens einen hochohmigen Widerstand (100k) zwischen die Ausgangspins... So, wie es jetzt ist, können sich die C4 und C5 irgendwie aufladen. Und beim einstecken bekommst der Vorverstärker das dann ab...
> Mein letztes Projekt funktioniert zwar so wie es sollte
Das wundert mich aber. Braucht deine DDS keinen Ausgangsfilter um
ihre Taktfrequenz zu entfernen?
Olaf
Olaf schrieb: >Braucht deine DDS keinen Ausgangsfilter um ihre Taktfrequenz zu entfernen? Das Ohr filtert. Es hört 10MHz einfach nicht mehr... ;-)
Ist ein Ausgangsfilter hinter dem Ad9833 notwendig? liegt da noch was anderes an ausser 10Mhz? Ich könnte den ersten Buffer zu einem aktiven Filter umfunktionieren.(?) oder erledigt man sowas lieber passiv?
Achja: das Rc-Glied nach U7:B ist ja eigentlich schon ein Tiefpassfilter einfacher Ordnung und setzt soweit ich mich erinnern kann irgendwo bei 50khz an. bei 3db pro Oktave sollte bei 10Mhz eigentlich nichts mehr übrig bleiben..
Ist dein OP schnell genug fuer 10Mhz? Nein? Beinflusst dann diese Ueberforderung nicht vielleicht die Frequenzen die dir wichtig sind? Ja? Hast du einen 100nF an der Versorgung des OPs? Selbst wenn du nur 20khz brauchst, ich wuerde wenigstens noch einen RC mit fg=30-40khz an den Ausgang der DDS machen. > Ich könnte den ersten Buffer zu einem aktiven > Filter umfunktionieren.(?) oder erledigt man sowas lieber passiv? Verbreitet sind LC Filter 7-Ordnung wenn man die DDS ganz ausnutzt. Soweit musst du es ja nicht treiben, aber ganz ohne wuerde ich es nicht machen. Olaf
Bitte melde dich an um einen Beitrag zu schreiben. Anmeldung ist kostenlos und dauert nur eine Minute.
Bestehender Account
Schon ein Account bei Google/GoogleMail? Keine Anmeldung erforderlich!
Mit Google-Account einloggen
Mit Google-Account einloggen
Noch kein Account? Hier anmelden.

