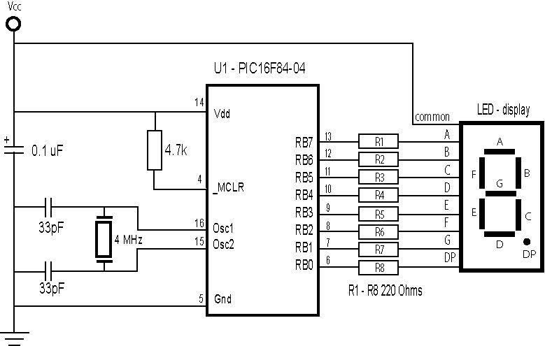
Hallo zusammen, ich bin absolut neu und habe eigentlich keinen Plan von dem Thema, aber brauche dringend Eure Hilfe. Ich habe ein Rätsel gestellt bekommen und ohne die Lösung kann ich leider in der Rätselreihe nicht weitermachen. Da ich mich aber mit Mikrochips und Elektrotechnik absolut nicht auskenne, komme ich auch nach tagelanger Websuche nicht weiter.... Bitte helft mir! Für Euch ist das bestimmt ein Klaxx :o) Also anbei der Schaltplan eines keine Ahnung??? Gerätes eben :-) Darunter steht: Memory Content: 0903 30FF 0086 0085 1683 0186 3007 0085 1283 018E 2019 2019 3000 0086 2019 080E 0A8E 2024 3AFF 0086 1903 2817 280A 018E 280A 30FF 008C 008D 038C 1903 038D 080C 040D 1D03 281C 0008 0782 3413 3449 3419 3439 3425 3403 34FE 3419 3449 3499 3461 349F 3401 3439 3403 3499 34FE 3425 3419 340D 34FF 3FFF 3FFF 3FFF 3FFF 3FFF 3FFF Wenn man alles richtig macht, dann sollen da Koordinaten rauskommen, die dann so ähnlich wie das hier aussehen: N 59° 20.867 E 018° 04.375 Könnt Ihr mir bitte helfen oder mir das irgendwie erklären? Vielen lieben Dank, Loizis
>Könnt Ihr mir bitte helfen oder mir das irgendwie erklären? Du glaubst doch nicht ernsthaft das dir hier einer aus dem Memorydump eines PIC eine ASM Datei macht und dir dann auch noch erklärt was das Programm tut?
Schritt 1: ein gültiges Hex File aus dem Codechnipsel machen, oder ein Programm finden das dies macht. Schritt 2: Das Zauberwort heißt disassembler, ist ein klax für das Programm. Schritt 3: Du musst den PIC Assembler beherschen, dann soll das nicht so das Problem sein, es ist ja nicht viel Code... Im code wird irgendwo ein Zeichenspeicher abgelegt sein, der die 7 Segmente abbildet, und es wird einen Speicherbereich geben in dem deine Koordinaten stecken, vielleicht war der jenige aber auch so gemein und hat sie gleich als 7 Segmentcode abgelegt, was ich vermute, denn für diese Aufgabe würde das auch gehen... Gruß, Hannes
Vielleicht kennt auch wer einen PIC-Simulator. Vorzugsweise einen, dem man auch eine gewisse Aussenbeschaltung (die 7-Seg Anzeige) angeben kann.
..ich disassembliere auch gerade etwas, was mich interessieren würde gibt es in MPLab die Möglichkeit diesen Codeschnipsel zu importieren? der Import erwartet immer Hex Files...
>Vielleicht kennt auch wer einen PIC-Simulator. Vorzugsweise einen, dem >man auch eine gewisse Aussenbeschaltung (die 7-Seg Anzeige) angeben >kann. Braucht es nicht wenn man den OpCode für RETLW kennt. Ich weiss die Lösung;)
Bei den Brennprogrammen von sprut.de gibt es auch einen Disassembler
Wer hat dir dieses Rätsel aufgegeben? Was ist der Preis wenn es gelöst wird?
...ich schätze deine Daten stecken in den RTLW's, du musst nun nur noch sehen welche Segment leuchten würden...
@Hannes Auch an Dich ! Bitte nicht die Preise kaputtmachen ! Vielleicht gibt es an der Koordinate wertvolle Goldbarren abzuholen. 4 gewinnt, sagte ich doch bereits um 19:54 ; auch Beitrag 19:36
Dank Googlemaps 3D View weiß jetzt jeder wo! :-) Und was gibts da?
Ist wohl nur ein Geocach: http://www.geocaching.com/seek/cache_details.aspx?guid=ebf78a89-3ded-4316-8028-9479e418c77a
...ich schätze eine Studenten oder Schüleraufgabe...hier geht es doch im vordergrund darum sich gerade mit der Thematik auseinader zu setzen... Der Autor meldet sich nicht womit doch wohl alles gesagt ist...
Es gibt für PIC massenhaft Simulatoren. In diesen klickt man sich die Hardware zusammen (Siebensegmentanzeige),wählt den richtigen PIC aus, stellt den richtigen Takt ein und füttert das ganze dann mit dem Hex-File. Alles ohne Hardware. Dann klickt man auf Start und schon sieht man was auf der Siebensegmentanzeige zu sehen ist.
Hallo zusammen, erst einmal möchte ich mich bedanken, dass viele von Euch su super nett waren und es auch noch welche gab, die mir das Rätsel gleich noch gelöst haben. VIELEN LIEBEN DANK DAFÜR! Ich würde mich ja gerne in die Materie einarbeiten, denn es hört sich alles sehr spannend an. Es ist aber weder eine Schüleraufgabe, noch eine Studentenarbeit oder sonstiges. Es geht hier um einen Geocache, so wie jemand von Euch schon vermutet hat. Allerdings geht es um eine ganze Rätselreihe, in der mitten drin als Rätsel Nummer 8 das hier mit dem Schaltplan und dem Code auftaucht. http://www.geocaching.com/seek/cache_details.aspx?guid=57cd972d-60d6-47b7-815a-fbcb0bc66869 Alle Rätsel bis dahin konnte ich problemlos lösen und dann das hier. Ich versteh zwar nicht, was das ganze mit Geocachen zu tun haben soll, und für eben mal so her-rätseln find ich das Rätsel auch total übertrieben, aber es gehört halt zur Aufgabe. Sorry, wenn ich irgendwen von EUch mit diesem Rätsel beleidigt oder genervt habe. Einziger Trost für Euch ist, dass ihr vermutlich nie wieder was von mir hört bzw. lesen oder rätseln müsst :o) Allen anderen nochmals RECHT HERZLICHEN DANK! Übrigens: Die Lösung N 59° 20.954 und E 18° 04.293 war völlig korrekt und ich kann dank Euch endlich weiterrätseln!!!! Nochmals vielen lieben Dank. loizis
Servus, ich hätte da mal noch eine Frage die mir keine Ruhe lässt: Wie bekomme ich aus diesem 'tollen' Ausschnitt eine Hex-file wieder eine Hexfile. Einfach in den Editor reinkopieren und als *.hex speichern dürfte wohl nicht funktionieren ... Wie mache ich sowas? Hexeditor ?
Hoffentlich sind die nächsten Rätsel, die du bekommst, mal richtig schwer. Das hier war Grundschulniveau.
@Mani: schön, wenn das für Dich Grundschul-Niveau ist. Und bestimmt kennst Du Dich auch in ALLEN anderen Bereichen bestens aus. Zum Glück waren da andere aus dieser Runde um einiges netter.... Die Grundschule möchte ich auch mal sehen, an der sowas gelehrt wird. Das ist doch echt Blödsinn. Ich hab mich bedankt und mich bei allen, die etwas genervt von meinem Posting waren, auch noch entschuldigt. Also lass es doch einfach gut sein und geb nicht so blöde Kommentare von Dir.
loizis schrieb: > Und bestimmt kennst Du Dich auch in ALLEN anderen Bereichen bestens aus. Natürlich nicht. Aber im Gegensatz zu dir bin ich bereit, selbst etwas zu tun anstatt andere für mich arbeiten zu lassen. In deinem Fall hätte z.B. das Studieren des Datenblattes des 16F84 alle nötigen Informationen zur Lösung des Rätsels erbracht. Oder glaubst du, die Ersteller dieses Rätsels hätten nicht bedacht das es von Leuten gelöst werden muss, die keine Elektronik- bzw. Mikrocontroller-Fachleute sind? Das Rätsel wurde absichtlich so angelegt das jeder es lösen kann sofern er bereit ist etwas Zeit zu investieren. Daher ist es, im übertragenen Sinne, in der Tat Grundschulniveau.
Du hast Recht und ich meine Ruhe - dann ist es eben Grundschulniveau. Übrigens habe ich keinen zur Arbeit gezwungen und auch keinen dazu überredet, für mich zu arbeiten. Aber sei's drum - Du bist von Deiner Meinung eh nicht abzubringen, also lassen wirs so stehen: Ich bin DUMM, Du der Checker :)
Lehrmann Michael schrieb: > Es gibt für PIC massenhaft Simulatoren. In diesen klickt man sich die > Hardware zusammen (Siebensegmentanzeige),wählt den richtigen PIC aus, > stellt den richtigen Takt ein und füttert das ganze dann mit dem > Hex-File. Alles ohne Hardware. Dann klickt man auf Start und schon sieht > man was auf der Siebensegmentanzeige zu sehen ist. Kannst du da welche empfehlen? Der MPLAB Simulator ist ja nicht so der Kracher...
Ok, danke. Werde ich mir mal genauer anschauen. Gibt es auch kostenlose?
Hallo an dieses Forum... sorry, wenn ich diesen Thread nochmal aktiviere... mittlerweile gibt es dieses Rätsel auch in Deutschland :( Habt ihr die gesuchten Zeichen direkt gefunden, indem ihr die Bits aus den 34XX Werten auf die Eingänge des Chips gesetzt habt? Ich bekomme da keine sinnvollen Werte.. oder muss man die noch invertieren oder verschieben oder so? Für einen kleinen Tipp wäre ich sehr dankbar!
Bei einer "0" leuchtet das entsprechende Segment der 7-Segment-Anzeige (gemeinsame Anode). Gruß John
Hallo an alle Fachleute, ich persönlich würde gern die Frage von Michael nochmal aufgreifen. ------------------------------------------------------------ Servus, ich hätte da mal noch eine Frage die mir keine Ruhe lässt: Wie bekomme ich aus diesem 'tollen' Ausschnitt eine Hex-file wieder eine Hexfile. Einfach in den Editor reinkopieren und als *.hex speichern dürfte wohl nicht funktionieren ... Wie mache ich sowas? Hexeditor ? ------------------------------------------------------------ Ich denke, auch bei mir ist der eigentliche Code das Problem. kann man dieses Format: 0903 30FF 0086 0085 1683 0186 3007 0085 1283 018E 2019 2019 3000 0086 2019 080E 0A8E 2024 3AFF 0086 1903 2817 280A 018E 280A 30FF 008C 008D 038C 1903 038D 080C 040D 1D03 281C 0008 0782 3431 3494 34F9 3493 3452 ...... denn direkt als *.hex speichern und damit den PIC füttern ? oder muß es in dieser Notation: :020000040000FA :100000008316803081000030850000308600831226 :1000100000308D003020362000308E000E08890020 :1000200083160814831208088C0041208E0A8D0A5A :10003000003C031D0E2850300D0290009009023044 :1000400090071C303C20900B212850300D0290006E....... vorliegen ??? - Wenn ja welche Software ist denn dafür geeignet ? Vielen Dank Cardman
Du kannst die Hex-Daten in MPLAB direkt eingeben. Im Fenster 'Program Memory' in die Spalte Opcode. Oder Du erstellst Dir ein Hex-File: http://de.wikipedia.org/wiki/Intel_HEX Dabei musst Du auch noch beachten, dass die Daten in der Datei als "Little Endian" gespeichert werden. http://de.wikipedia.org/wiki/Little_Endian Gruß John
Ich bin heute zufällig über dieses Thema hier gestolpert und möchte mich herzlich bedanken, denn auch ich habe die Aufgabe auch nach Wochen (natürlich nicht Vollzeit!) der Recherche nicht gelöst bekommen, obwohl ich doch von berufswegen einen technischen Hintergrund habe. Microchips sind doch zu weit weg, da nützte auch google nichts und auch nicht der Weg in die Bibliothek, sämtliche Software, die ich probierte, wollte nicht helfen (was natürlich ein Level 8-Problem war). Also, vielen Dank an alle, die loizis geholfen haben, Ihr habt doppelt geholfen!
Danke vielmals, das war es. Hat sehr viel zeit und Mühe erspart. Und ja .. es handelt sich um einen Geocache Liebe Grüße Wottles
Bitte melde dich an um einen Beitrag zu schreiben. Anmeldung ist kostenlos und dauert nur eine Minute.
Bestehender Account
Schon ein Account bei Google/GoogleMail? Keine Anmeldung erforderlich!
Mit Google-Account einloggen
Mit Google-Account einloggen
Noch kein Account? Hier anmelden.
