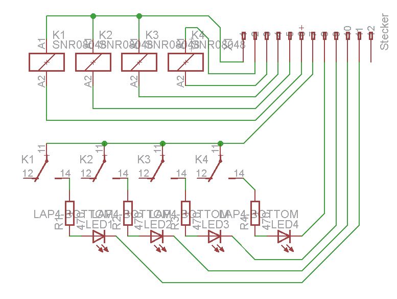
Hallo, wollte euch nur mal fragen ob das denn so funktionieren kann. Am 7er Pin liegen immer 12 Volt DC an. Pin 9-11 sind SPS Eingänge. Danke schonmal.. Lg Dominik
Dominik schrieb: > Hallo, > > wollte euch nur mal fragen ob das denn so funktionieren kann. > > Am 7er Pin liegen immer 12 Volt DC an. > Pin 9-11 sind SPS Eingänge. > > Danke schonmal.. > > > Lg Dominik Sollte Pin 1 und 2 nicht auch auf nem statisch definiertem Pegel liegen damit die Relaisspulen schalten können? Außerdem, je nachdem was deine Schaltausgänge der SPS vertragen würd ich den Spulen noch ne Freilaufdiode spendieren.
Ja, Pin1 und Pin2 haben auch 12VDC...das die Relais schalten bin ich mir eigentlich sicher. War mir bei dem unteren Teil nicht ganz sicher.. Wie meinst du das mit Schaltausgängen ? Lg
Soll das so sein, dass Du die Spule von K4 separat gezeichnet hast? MfG Paul
Dominik schrieb: > Ja, Pin1 und Pin2 haben auch 12VDC...das die Relais schalten bin ich mir > eigentlich sicher. > > War mir bei dem unteren Teil nicht ganz sicher.. > Wie meinst du das mit Schaltausgängen ? > > Lg Einfach gesagt: Wenn Du die Relais durch anlegen einer Spannung anziehen lässt, und sie danach wieder abschaltest, wird, da es sich um eine Spule handelt, die gespeicherte Energie in umgekehrter Richtung quasi aus dem Relais wieder rausfließen, was die umliegenden Bauteile (Deine SPS-Ausgänge) beschädigen kann, da sie dafür nicht ausgelegt sind. Die Freilaufdiode schützt davor, da sie diese Spannung kurzschließt. Das heißt im großen und ganzen, schließ parallel in unmittelbarer Nähe zu Deinem Relais eine Diode, meinetwegen 1N4004 oder sowas. Wobei darauf zu achten ist, dass du die Kathode gegen Plus schaltest, und die Anode dann an das negativere Potential. Also so, dass sie im Normalbetrieb in Sperrrichtung betrieben wird. Hoffe es verständlich rübergebracht zu haben.... Gruß, Sven
Bitte melde dich an um einen Beitrag zu schreiben. Anmeldung ist kostenlos und dauert nur eine Minute.
Bestehender Account
Schon ein Account bei Google/GoogleMail? Keine Anmeldung erforderlich!
Mit Google-Account einloggen
Mit Google-Account einloggen
Noch kein Account? Hier anmelden.
