Hi Leute, Will Strom Messen, nach Schaltbild (Spannung an den Eingängen doppelt so groß, wie Versorgungsspannung). Ist es möglich mit dem betreffenden Baustein(INA138)? hab im Datenblatt keine Hinweise dazu gefunden, oder an falscher Stelle gesucht. sonst nehm ich gleich den LT6100
berliner schrieb: > hab im Datenblatt keine Hinweise dazu gefunden, oder an falscher > Stelle gesucht. In Datenblättern muss man immer an allen Stellen suchen, zumindest so lange, bis man die gesuchten Hinweise gefunden hat ;-) Die Spannungen links (8V und 3,3V) sind ok, denn Input common-mode and power-supply voltages are independent and can range from 2.7V to 36V for the INA138 and 2.7V to 60V for the INA168. Die Spannungsdifferenz von 8V-7V=1V am Shunt ist nicht ganz ok, denn Full-Scale Sense Voltage Vsense = Vin+ - Vin-: typ 100mV, max 500mV und The maximum differential input voltage for accurate measurements is 0.5V, which produces a 100µA output current. A differential input voltage of up to 2V will not cause damage. Es raucht also nichts ab, trotzdem solltest du den Shunt mindestens halbieren, um ein genaues Messergebnis zu erhalten. Die Spannungsquelle auf der rechten Seite (7V) soll doch die Last darstellen, oder?
danke Yalu, hiermit ist meine Frage vollständig beantwortet :-) Gruß berliner
das mit independent habe ich gelesen, war mir aber nicht sicher dass power supply voltage kleiner als input voltage sein kann.
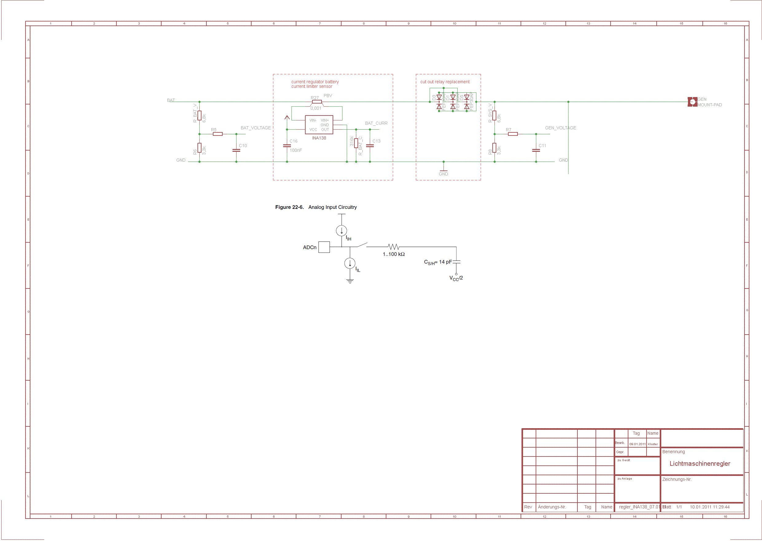
@Yalu ach, wie unhöflich von mir: die 7 V Spannungsquelle stellt eine Last dar. Es ist ein 6V Bleiakku, dessen Ladestrom überwacht werden muss. Es soll ein Homebrew Lichtmaschinenregler werden. Im Moment stehe ich auf dem Schlauch bei der Bestimmunug der Grenzfrequenz des Stromsignals, am Ausgang des INA138. Laut ATMega8 Datenblatt ist der ADC für 10k Innenwiderstand der Quelle optimiert. Ich habe jedoch 310k, oder ich hab etwas nicht verstanden. Das Figure 22-6 sagt mir auch nicht viel.... Gruß berliner
berliner schrieb: > ach, wie unhöflich von mir: die 7 V Spannungsquelle stellt eine Last > dar. Kein Problem. Ich habe nur deswegen gefragt, weil ich mir nicht sicher war, ob du nicht womöglich den Strom von rechts nach links durch den Shunt schicken möchtest. Das geht zwar, ohne dass der INA kaputt geht, aber messen kann man den Strom nur in die andere Richtung. Aber wie ich sehe, hast du ja Dioden vorgesehen, die den Rückfluss verhindern. > Laut ATMega8 Datenblatt ist der ADC für 10k Innenwiderstand der Quelle > optimiert. Ich habe jedoch 310k, oder ich hab etwas nicht verstanden. D.h. du willst bis etwa 50A messen können. Ein Quellwiderstand von mehr als 10kΩ am ADC-Eingang bewirkt, dass nach dem Umschalten des Multiple- xers die A/D-Umsetzung ohne Genauigkeitseinbußen nicht sofort gestartet werden kann. Bei 310kΩ vor dem ADC, 100kΩ nach dem Multiplexer und 14pF S/H-Kapazität komme ich auf etwa 40µs, die gewartet werden müssen, bis der Fehler durch den unvollständig geladenen S/H-Kondensator weniger als 1 LSB bei 10 Bit Auflösung beträgt. Wenn das trotzdem noch schnell genug für dich ist und du die erforderliche Verzögerung in deiner Software berücksichtigst, spricht nichts gegen den großen Quellwiderstand. Matthias Lipinsky schrieb: > Schaltpläne werden nicht als gif, sondern als png angehangen! GIFs sind für Schaltpläne schon in Ordnung, da sie wie PNGs eine optima- le Darstellungsqualität haben, von jedem Browser angezeigt werden können und die Dateigrößen ähnlich denen von PNGs sind. Nur JPEGs sind anzuprangern, da dort Zeichnungen bei ähnlich starker Komprimierung sehr "schmutzig" aussehen.
jo, ich will bis ca. 50 A messen und die 25kHz, die sich aus 40µs ergeben reichen dazu völlig aus. hab mit der Formel zum Laden eines Kondensators vesucht und komme auf ein Ergebniss, welches deinem sehr nahe ist. ich glaub ich hab jetzt kapiert, wie das genaue Ausrechnen geht, danke dir! Gruß berliner
Bitte melde dich an um einen Beitrag zu schreiben. Anmeldung ist kostenlos und dauert nur eine Minute.
Bestehender Account
Schon ein Account bei Google/GoogleMail? Keine Anmeldung erforderlich!
Mit Google-Account einloggen
Mit Google-Account einloggen
Noch kein Account? Hier anmelden.



