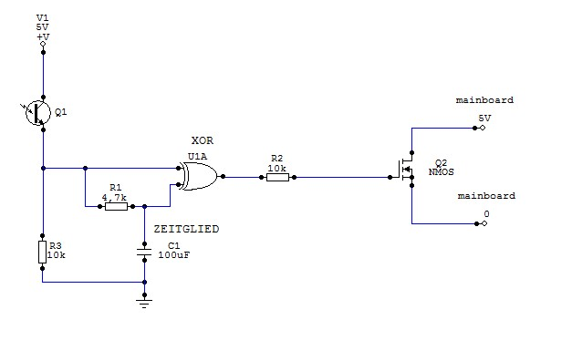
Hallo, ich möchte meinen PC (Midi Tower, kein Notebook)mit meinem Handy aus der Ferne einschalten. Wake-on-Lan funktioniert nur ca. 2 Minuten lang, nachdem ich den PC ausgeschaltet habe. Danach geht er nicht mehr an (keine Ahnung, warum). Und ich möchte ihn aus dem völlig herutergefahrenen Zustand wecken, also nicht aus dem StandBy, weil ich nur alle paar Tage auf ihn zugreifen will (per Teamviewer) und das Netzteil nicht die ganze Zeit laufen soll. Ich habe schon viel über den Start per Handy gelesen. Leider habe ich keinen Schaltplan gefunden, also habe ich mir selbst mal Gedanken gemacht. Der Taster zum einschalten an der Front des Gehäuses schließt einen Kontakt am Mainboard. Ich habe an diesen 2 Pins 5V gemessen. Meine Idee ist jetzt, parallel zu diesem Taster einen Logik-Level Mosfet zu hängen. Angesteuert wird er über einen Fototransistor, der auf dem Display eines alten Handys klebt. Damit der Mosfet nicht die ganze Zeit durchsteuert, dachte ich an ein Zeitglied (ca. 0.5 sek.), an einem XOR Gatter hängt. Nach 0,5 Sekunden sind beide Leitungen "high" , dh.der Ausgang des Gatters wird "low", der Mosfet schließt. Funktioniert das? Danke und Grüße, Matze
Also wenn Du die Schaltung so aufbaust, schaltet sich der Rechner ein wenns hell wird.....
Also Handy samt Fototransistor liegen mit im PC Gehäuse. Falls das zu hell ist, kommt noch ein schwarzes Gehäuse drum herum..
Ist allerdings bestimmt interessant, ob sich dann Dein Handy auch mal im Rechner irgendwo meldet, weils ja in dem Stahlblechgehäuse wahrscheinlich immer mit recht hoher Leistung senden will... Soll heißen: Einstahlung in deinem PC. Wenns nur bei Audio stört, weißt ja wanns sendet;) Gruß, Sven
Der Lüfter des Netzteils dreht vll nicht- aber mindestens 3 Watt zieht der PC schon ;-) wenn es ein altes Bastelhandy ist, würde ich den Lautsprecher eingang anzapfen, den ggf. mit einem Kondensator nach Gleichrichtung "glätten" und dann per ADC einlesen und mit einem AVR dann den Einschaltimpuls erzeugen. Ansonsten auch sehr schön: http://www.ulrichradig.de/home/index.php/avr/avr_handy ich würde ggf. das Handy aussen an den PC tuen und pls keine Bombe basteln ;-)
Nein keine Angst, es geht hier wirklich nur um meinen PC. Am einfachsen wäre es ja mit WOL. Warum funktioniert WOL nach einigen Minuten nicht mehr? Da fällt doch bestimmt irgendwo eine Spannung ab.. kann man die nicht mit einer Batterie o.ä. aufrecht erhalten?
Könnte ein Problem mit dem Netzteil sein. Oder falsche BIOS-Einstellungen.
Wie stehts denn um die Sinnhaftigkeit meiner Schaltung? 5V am Eingang sollen 5V am Ausgang schalten... Hab bisher nicht wirklich viele Schaltungen entworfen, kann das denn funktionieren?
Matze schrieb: > Wie stehts denn um die Sinnhaftigkeit meiner Schaltung? Wenn du die 0V vom Mainboard noch mit GND deiner Schaltung verbindest, geht das schon prinzipiell. Allerdings mögen CMOS-Eingänge keine langsam ansteigenden Signale (> ca. 200ns Anstiegszeit), schon das von deinem Phototransistor wird nicht besonders schnell sein, das nach dem Zeitglied ist aber definitiv zu langsam. Hier sind Schmitt-Trigger dringend empfohlen (HC14 z.B.).
Man könnte auch den Ausgang für den Vibrationsmotor verwenden. Der dürfte etwas leistungsfähiger sein und man holt sich keine hochfrequente Stöhrungsquelle in den PC. Eventuell hat das Handy auch einen Anschluss für die Freisprechanlage den man anzapfen kann.
Matze schrieb: > Warum funktioniert WOL nach einigen > Minuten nicht mehr? Hast du deinen PC an einem Router hängen? Nach einiger Zeit verfallen da die Routing-Informationen und der Router "kennt" deinen PC nicht mehr.
Danke, dann werde ich noch einen Schmitt-trigger einpflegen. Das Handy hat sogar nen seriellen Ausgang, den ich verwenden könnte (Sony Ericsson T610). Allerdings muss ich erstmal prüfen, ob ich dann die Pins zum Laden des Akkus noch zugänglich sind. Der hält nämlich aufgrund seines Alters nur noch 2 Tage. Ja, mein PC hängt hinter einem Router. Habe aber statische IPs vergeben. Kann natürlich sein, dass der Router denkt, der PC ist aus und dann alle Pakete zu ihm verwirft, das weiß ich nicht..
Und immer, wenn wieder so eine Werbefirma Zufallsanrufe durchführt, schaltet sich der PC ein (oder wieder aus). Und falsch Verbunden gibt es auch noch. Wenn, dann sollte es per SMS gehen. Da kannst Du auch ein Kennwort schicken, so dass nicht jeder "depp" den Rechner ein- und ausschalten kann. Das bedarf aber einen kleinen Prozessor, der SMS lesen und auswerten kann. Und WOL funktioniert normalerweise auch nach mehreren Tagen. Wenn es bei Dir nicht funktioniert, ist etwas nicht in Ordnung.
Matze schrieb: > Ja, mein PC hängt hinter einem Router. Habe aber statische IPs vergeben. > Kann natürlich sein, dass der Router denkt, der PC ist aus und dann alle > Pakete zu ihm verwirft, das weiß ich nicht.. WOL verwendet keine IP, sondern lediglich die MAC-Adresse. Ein WOL-Packet ist in den meisten Fällen ein Broadcast, wird also überall im LAN verschickt. Eine Switch wird das Packet auch an alle Ports weiterleiten. Also nichts mit verwerfen oder vergessen.
Christian H. schrieb: > Das bedarf aber einen kleinen Prozessor, der SMS lesen und > auswerten kann Wenn das Telefon schon eine serielle Schnittstelle hat dann würde ich statt der SMS einfach die CallerID auswerten dann kostet es auch nichts. Allerdings ist wohl WOL immernoch die bessere Variante, wie schon erwähnt wurde hat das MagickPacket nichts mit IP zu tun und geht als Broadcast raus, wird allerdings nicht geroutet. Muss also vom Router gesendet werden. Vielleicht geht ja auch Wake up on Ring auf der seriellen. Irgendwie hab ich die Frage schon zig mal gelesen, bei Googel sollten da ein paar Mio Treffer rausfallen mit ebensovielen verschiedenen Lösungen.
snowfly schrieb: > Muss also vom Router gesendet werden. Nicht zwingend. Das kann auch ein anderer Rechner im selben Netzwerksegment sein.
das mit dem licht ist wohl die einfachste möglichkeit wenn es per handy gehen soll. du kannst ja eine verriegelung bauen, daß die schaltung den PC nur einschalten, aber nicht abschalten kann.
hab ds gleiche schon gebaut. Alletdings mi einem relais, das des "einschalt-taster" vom pc übrbrückt, wenn es anzieht. Ich habe den motor für die vibration angezapft an komparator gehängt (zu geringe spannung am motor um relais anzuziehen) und den ausgang dann aufs relais. Allerdings konnte jeder der die nummer kannte den pc einschalten. Damals war ich absoluter neuling und war schon froh, dass ich den pc überhaupt zum starten gebracht habe. Es kam allerdings nie vor, dass jemand angerufen hätte oder sonst ein ungewolltes ein/ausschalten aufgetreten wäre. Cheers
Danke für die vielen Antworten. Um das versehentliche Einschalten durch andere Leute mache ich mir keine Sorgen, da 1. die Nummer keiner kennt 2. mich noch nie ein CallCenter oder falsch Verbundener angerufen hat, und 3. falls es doch mal passieren sollte: mein PC sendet mir bei jedem Start eine Mail mit Uhrzeit, dass er jetzt startet. Da ich auch unterwegs meine Mails aufs Handy bekomme, weiß ich also immer, wenn der PC startet. Dann geh ich an den nächsten Rechner und schalte ihn über TeamViewer Portable wieder aus. Schön wärs wirklich, wenn WOL funzen würde. Ich muss das nochmal unter die Lupe nehmen. Die Einstellungen im BIOS scheinen ja zu stimmen, sonst würde er ja gar nicht an gehen. Ich vermute eigentlich immer noch, dass die Netzwerkkarte irgendwann keinen Saft mehr hat..
Hallo Matze, darf ich Dir folgende Lösung nahetragen. Das ist deutlich einfacher als ein unsicheres Signal via Leuchtmittel auszuwerten: www.mikrocontroller.net/attachment/75512/SMS_Fernschalter.pdf Allerdings möchte ich Dir davon abraten an Netzspannungen zu arbeiten. Es soll Dir lediglich den Weg der Steuerung aufzeigen. Grüße Niels
Bitte melde dich an um einen Beitrag zu schreiben. Anmeldung ist kostenlos und dauert nur eine Minute.
  
  Bestehender Account
  
  
  
  Schon ein Account bei Google/GoogleMail? Keine Anmeldung erforderlich!
Mit Google-Account einloggen
Mit Google-Account einloggen
  Noch kein Account? Hier anmelden.


 Thread beobachten
 Thread beobachten Seitenaufteilung abschalten
 Seitenaufteilung abschalten