Hallo Ich bitte um Verbesserungsvorschläge für das folgende Messwerterfassungssystem: (Die Beschreibung ist leider etwas lang - sorry) Ein ATMega 8 (18,432MHz) ließt galvanisch getrennt einen 24-bit AD-Wandler (ADS1211) aus und gibt die Messwerte über UART an einen PC aus. Mögliche Spannungen sind für Eingang 1 mit externem Spannungsteiler (1-2 M Ohm) bei +- 20 V / +-10V oder für Eingang 2 Spannungen kleiner als 2 V (abhängig vom Widerstand am INA128). Die Bauteile bilden vielleicht einen Overkill, was die Güte angeht. Ich habe für diesen Entwurf alle meine Reste zusammengekratzt und Glück bei ebay gehabt. Als zweite Probeversion läuft das System und ich kann Gleichspannungen mit einer Genauigkeit von 0,05% messen. Messungen zwischen 50 und 1200 Samples pro Sekunde sind möglich (mit oder ohne Mittelwertbildung). Die Genauigkeit bei Nicht-Gleichspannungen habe ich noch nicht überprüfen können. Zur Schaltung: Aufgebaut ist die Schaltung zweilagig, damit ich größere Masseflächen bilden kann. Es existieren drei unterschiedliche Massen mit jeweils eigene Masseflächen und eigenen Versorgungsspannungen. Die Analogmasse versorgt die OPVs und den analogen Teil des A/D-Wandlers. Die Digitalmasse versorgt den digitalen Teil des A/D-Wandlers und die eine Hälfte der galvanischen Trennung. Die dritte Masse ist die Masse des ATMega8 und der zweiten Hälfte der galvanischen Trennung mit einem 74244 zur TriState-Schaltung der Ausgänge des A/D-Wandlers. Analogteil der Schaltung: Für den Eingang 1 mit einem Eingangs von mehr als 1 M Ohm (mehr habe ich noch nicht ausprobiert) wird das Eingangssignal mit einem externen Spannungsteiler verkleinert und in einen OPA627 geführt. Ich habe diesen OPV gewählt, weil bei anderen OPVs der Eingangswiderstand zu klein ist und bei kleinen Signalen die Fehler zu groß sind. (Möglich ist vielleicht auch ein OP07 ???) Mit einem INA105 oder einem AMP03 wird das Signal um 2,5 V ins positive verschoben, da der Wandler nur positive Signale verarbeiten kann. Der A/D-Wandler verträgt nur Spannungen im Bereich 0,3 bis 5,3 Volt bzw. +-10mA. Da der Eingangswiderstand des Wandlers verhältnismäßig klein ist, sind normale Dioden wohl weniger geeignet. Ich begrenze den Eingansstrom mit Widerständen auf 15 mA. Als Ersatz für teure Dioden mit sehr geringem Sperrstrom verwende ich Transistoren. Auf die Idee hat mich das www.elektronik-kompendium.de gebracht (siehe Schaltplan). Die gewählten Widerstände von 400 und 200 Ohm werde ich wohl versuchsweise noch reduzieren, wenn ich die entgültige Schaltung austeste. (Diesen Schutz der Eingänge ist noch von mir noch nicht getestet worden) Für den Eingang 2 habe ich einen anderen Weg gewählt. Kleine Signale werden direkt in einen INA128 geführt. Dessen Verstärkung kann über einen Widerstand eingestellt werden. Auch hier wird das Signal wieder um 2,5 Volt angehoben, damit positive und negative Spannungen gemessen werden können. Die Schutzschaltung ist dieselbe, wie bei Eingang 1. Mein Versuch einen hochohmigen Spannungsteiler vor den INA128 zu schalten ist fehlgeschlagen, da dessen Innenwiderstand zu Fehlern geführt hat. Meine angestrebte Genauigkeit konnte ich bei kleinen Signalen nicht erreichen. Der Vorteil vom INA128 ist, dass mit einem einzigen Widerstand die Verstärkung verändert werden kann, die Eingänge auch für größere Spannungen geschützt sind und gleichzeitig das Signal angehoben werden kann. Der rail-to-rail OPV OPA2340 dient nur als Schutz vor zu großen oder negativen Spannungen. Galvanische Trennung: Für die galvanische Trennung verwende ich HCPL-901J. Das ist ein schneller Ersatz für Optokoppler, der sehr wenig Strom braucht und somit die Ausgänge des Wandlers wenig belastet. Zur Software: Die Software habe ich noch nicht angefügt, da sie noch eine einzige große Baustelle ist. Später soll noch mehr Speicher über SPI und auch eine Ausgabe für den Grafikrechner von Ti TI-84 oder TI-83 hinzukommen. In Teilen läuft die Software zufriedenstellend aber nur in Teilen ;; ) Was noch fehlt: -Noch wird die Versorgungsspannung 5 V an einem Punkt zusammengeführt und die Versorgung für die OPVs läuft mit 9V-Blockbaterien. -Die Abschirmung muss noch verbessert werden, da der Monitor und das Ossi in 40cm das Rauschen verstärkt. ; ) Vielen Dank für das Lesen Euer moin PS: Später soll noch eine weitere Kanal hinzukommen - daher die galvanische Trennung.
Hallo Hier noch die Schaltung als Eagle 4.13 Datei
Sag doch einfach mal, wozu das Ganze gut sein soll, also den konkreten Einsatzzweck. Sonst kann man ja nichts verbessern. Verbessern heißt ja nicht den größtmöglichen Materialeinsatz, sondern die optimale Anpassung an das Problem (immer nur so gut wie nötig machen ). Peter
Hallo Die Antwort ist wieder etwas länger geworden ,) Mit dem Anwendungszweck ist das so eine Sache ;) Vor einem guten Jahr habe ich versucht für den Unterricht (Oberstufe, Naturwissenschaften) ein vernünftiges Messwerterfassungssystem aufzutreiben, das bezahlbar ist, an unseren grafischen Taschenrechner TI-83 angeschlossen werden kann (und PC) und die nötige Genauigkeit liefert. Ich habe ein solches Interface nicht gefunden und begonnen es selber zu entwickeln (als Hobby). Mir ist in dieser Zeit der 24-bit A/D-Wandler ADS1211 in die Finger geraten und so begann mein Projekt. Ich habe dann festgestellt, dass mit ein bisschen Gehirnschmalz sehr viel mehr zu erreichen ist. Mein Physikerherz ist dann mit mir durchgegangen, weil ich immer schon mal dies oder das mit größerer Genauigkeit (z.B. kleinere Veränderungen) messen oder über eine längere Zeit Messdaten aufnehmen wollte. So sind meine Wünsche gestiegen. Ich habe festgestellt, dass ich mit Hobbymitteln für recht kleine Frequenzen (Sampelrate bis 1250 Messungen/sek.) größere Genauigkeit erreichen kann. Für Gleichspannungen ist die Genauigkeit sehr viel besser als 1%. Wenn ich meinem Multimeter glauben darf sogar um 0,05%. (Temperaturänderungen sind noch nicht ausgetestet) Deine im Grundsatz richtige Meinung trifft für mich wohl nur teilweise zu: Verbessern heißt ja nicht den größtmöglichen Materialeinsatz, sondern die optimale Anpassung an das Problem (immer nur so gut wie nötig machen ). Ich versuch im Hobbybereich mein Material möglichst gut auszunutzen. Der 24-bit A/D-Wandler ist nicht viel teurer als viele andere Wandler mit 15 bit. Wir ist klar, dass ich nie 20 bit Genauigkeit erreichen werden. Hierzu sind wohl sehr viel mehr Wissen, Multilayer-Platinen zum besseren Abschirmen der Signale und eine sehr viel bessere äußere Abschirmung notwendig. Konkrete Fragen: - Sind die Eingangs-OPVs ausreichend gegen Überspannung geschützt? Es kann z.B. das Messsignal anliegen, ohne dass das Gerät eingeschaltet ist. - Sind die Eingangs-OPVs ausreichend gegen elektrostatischem Stress geschützt? - Ist der A/D-Wandler gegen Über- oder Unterspannung durch die vergeschalteten OPVs geschützt? Am Eingang 1 könnte z.B. der INA105 die maximale oder minimale Ausgangsspannung erzeugen (geschätzt +- 7 Volt) Ist meine Idee mit der Schutzbeschaltung (zwei Widerstände und zwei Transistoren als Diodenersatz) überhaupt realitätsnah? - Wie kann ich das Gerät besser gegen Störstrahlung schützen? Mein Monitor hat z.B. ein deutlich feststellbares 50Hz-Rauschen verursacht. Vielen Dank für das lesen meiner langen Ergüsse. Euer moin
Hmmm... welchen sinn macht es die Schutzbeschaltung Q3/Q4 gegen AVDD/AGND am Ausgang des IC2A-OPA2340 zu machen. Der OPA2340 und der ADS2211 hängen doch beide an AVDD/AGND. Da sollte doch nix mehr passieren, oder? Der Eingang des OPA2340 ist jedoch ungeschützt (ich vemute AVDD=5V?). Q3/Q4 gehört also eher vor den Eingang. IC1-INA128 verträgt zwar am Eingang +-40V aber ich weiss nicht ob das so für einen rauhen Schuleinsatz ausreicht.
Hallo Kupfer Michi Dein Einwand bezüglich des OPA2340 ist wohl gerechtfertigt. Die Schutzschaltung sollte wohl eher vor diesem OPV sitzen. Wenn die Schutzschaltung ausreichen ist, könnte man vielleicht sogar auf den OPA2340 verzichten (Dieser OPV war in meinem ersten Drahtverhau mein Schutz vor Über- oder Unterspannung) Reichen zusätzliche Widerstände (z.B. 10 k Ohm) vor dem INA128 als zusätzlicher Schutz? Ist das richtig, dass bei vielen OPVs nur der Eingangsstrom begrenz werden muss oder kann auch allein eine Überspannung den Eingangs-OPV schädigen? AVDD sind 5 V moin
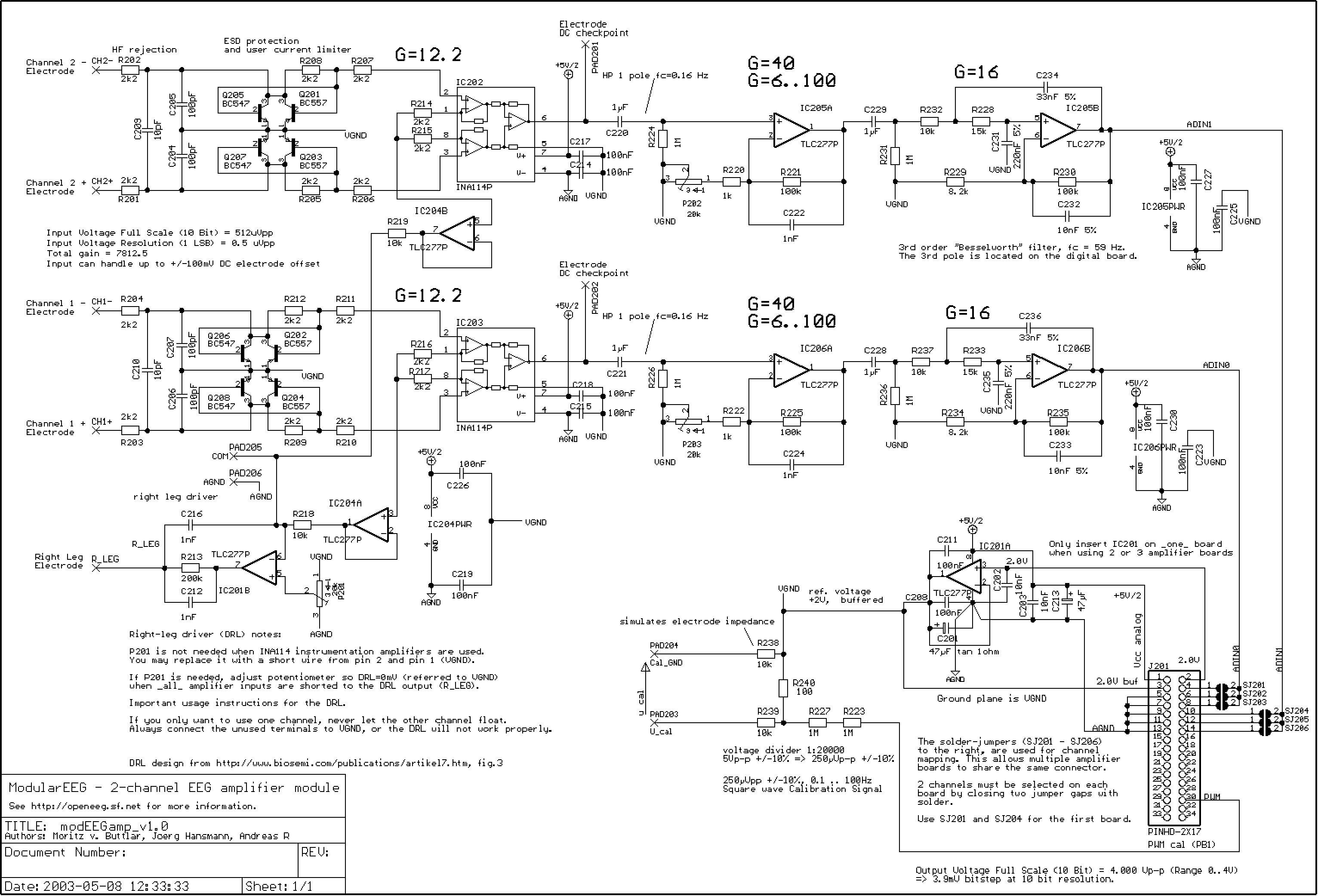
Der INA128 ist nicht ESD geschützt, daher würde ich an den Eingängen eine Schutzschaltung empfehlen. 10K in Serie vor dem 10GOhm Eingangswiderstand des INA128 dürfte nichts an einer Überspannung ändern. Wenn der OpAmp jedoch selbst Schutzdioden am Eingang gegen +-Vcc hat reicht natürlich ein Serienwiderstand um den Eingangstrom zu begrenzen. Anbei die Schutzbeschaltung eines EEG Verstärkers die ich im Netz gefunden habe http://openeeg.sourceforge.net/doc/modeeg/modeeg.html Praktische Erfahrungen mit der von Schaerer vorgeschlagenen Transistorschutzbeschaltung (insbesondere bei PräzisionsOpAmps) würde mich allerdings auch selbst interssieren. http://www.elektronik-kompendium.de/public/schaerer/ovprot.htm
Vrbesserungsvorschläge: Als Physiker bist Du vielleicht auch dynamischen daten interessiert (z.B. Beschleunigung, Schwingungen). Da reichen 1200 Hz Abtastrate nicht. Da sind minimum 5Khz erforderlich für 2500 Hz maximale Schwingung. Dann sind viellicht auch Sensoranpassungsschaltungen für ICP- Sensoren und DMS interessant. gerhard
@ Kupfer Michi Dein Einwand wegen dem fehlenden ESD-Schutz dürfte wohl für beide Eingangs-OPVs gelten. Wenn ich das Datenblatt richtig verstehe ist der OPA727 auch nicht ESD-geschützt. Die von dir gefundene Schutzschaltung verstehe ich noch nicht. Ich muss diese wohl erst mal nachbauen. @ Gehard Dein Einwand ist berechtigt. Ich habe aber momentan nur zwei verschieden AD-Wandler: Der ADS1211 mit 24-bit für höhere Genauigkeiten und den ADS7818 für größere Geschwindigkeiten. Den ADS7818 mit 12-bit habe ich in dem Buch 'Messen, Steuern und Regeln mit AVR-Mikrocontrollern' (von Wolfgang Trampert) kennen gelern. Erst wenn ich die aktuellen Schwierigkeiten gemeistert habe, werde ich vielleicht den ADS7818 in das Projekt einbinden. Hierzu muß aber auch noch die Speicherfrage geklärt werden. (Vielleicht der ATMEGA 128 mit externem Speicher?)
Wenn Du die Messdaten an einen PC weiterleitest ist der externe Speicher vielleicht gar nicht nötig. Stattdessen ist die Übertragungsstrecke zum PC zu überdenken. das könnte ein Nadelöhr werden. Z.B. 1200 Samples/Sekunde mal 2 Kanäle mal 3 Byte/Sample = 7200 byte/sek = 72000 Bit/Sekunde (Bei 1Startbit, 8 datenbit, 1 Stop-Bit, no Parity) Da bist Du bald an der Grenze (sagen wir mal 115kBit) Bei 2500 Samples/Sek oder 4 Kanäle mit 1200 Samples, dann wirds schon knapp. Gerhard
>Die von dir gefundene Schutzschaltung verstehe ich noch nicht
War vielleicht nicht so intelligent diese Schaltung anzuführen,
(zumindestens sollte man sie sich vorher anschauen).
Die Transistoren schliessen einfach das Signal gegen GND wenn Vbe
überschritten wird und ist daher nur für Kleinsignalanwendungen
brauchbar. Schaerer (Bild5.2) ist da besser.
Momentan ist genau dies mein Nadelöhr. Wenn ich die Daten direkt an den PC sende und mit 115200 einlese bekomme ich jetzt schon Probleme. Das Senden kostet bei mir (auf Seiten des ATMega8) soviel Zeit, dass meine Datenrate dann deutlich eingeschränkt ist. Momentan werden die Daten direkt in den kleinen Speicher des ATMega8 gelesen und wenn dieser voll ist an den PC ausgegeben. Zum experimentieren muss dies reichen. moin
@ Kupfer Michi Eignet sich diese Schaltung von Schaerer (Bild5.2) auch als ESD Schutz? Werden Signale durch die FETs verfälscht? Da ich bisher noch nie mit FETs gearbeitet habe, habe ich auch die Finger davon gelassen ;- (Hier habe ich wohl Nachholbedarf) Wenn ich die Schaltung richtig verstehe erhöht sich mein Schutz auf +-80V. Ich sehe jetzt, dass die Schutzschaltung der schwierigste Teil der Schaltung ist - wenn ich nicht die bisher erreichte Genauigkeit deutlich einschränken möchte.
Der BSS129 ist im Gegensatz zu den sonst üblichen MOSFETs selbsleitend und hat dann einen Drain-Source Widerstand von ca. 20 Ohm. Eine Verfälschung des (niederfrequenten) Eingangssignals kann man also ausschliesen. http://www.datasheetarchive.com/search.php?search=bss129&sType=part Erst bei groesseren Eingangsspannungen (und damit Stroemen über T3/T4 nach +-Vcc in Bild7 Schaerer) erhöht sich der BSS129 Rds Durchgangswiderstand und begrenzt damit die in T3/T4 zu verbratene Leistung. So wie Schaerer angibt schützt die Schaltung bis +-80V dauer und +-200V kurzfristig. Ist doch schon was, oder? Keine Ahnung wie das ganze jedoch bei einem 2KV ESD Puls aussieht. Vielleicht kann da jemand anders was dazu sagen ... >FETs, Hier habe ich wohl Nachholbedarf MOSFETS sind ganz nette Spielzeuge und machen so manche Schaltaufgabe leichter da man nur eine Spannung braucht um einen (grossen) Strom zu Schalten. Schau dir mal den 2N7002 und den IRLZ34N an
Vielleicht ist in diesem Zusammenhang noch ein bischen Hintergrundmaterial über Brücken- und Sensor- Eingangsbeschaltungen und dergleichen hilfreich... Sensor Signal Conditioning Seminar: http://www.analog.com/en/content/0,2886,769%255F838%255F17355,00.html AN43 Bridge Circuits: http://www.linear.com/pc/downloadDocument.do?navId=H0,C1,C1010,C1203,P1248,D4134
So jetzt bin ich aus dem letzten Schneeresten wieder zurück. Eine Frage zum BSS129: Welchen Ersatz FET kann ich nehmen, den man auch bei Reichelt bekommen kann? @ Kupfer Michi Vielen Dank! Deine Artikel werde ich mir in den nächsten Tagen mal genauer ansehen.
Da ja der Schutz immer einen Eingriff in die Genauigkeit nach sich zieht sollte man sich überlegen ob er überhaupt notwendig ist. Bei einem AD-Wandler der direkt am Sensor angeschlossen ist (einige cm) können keine grossen Spannungen auftreten (ausser wenn der Finger zu neugierig ist), hier sollte die interne Schutzbeschaltung reichen. Sobald dass Signal dann digitalisiert ist kommt man mit "normalen" Schutzelementen gut zurecht (es findet ja keine Verfälschung mehr statt). Der Aufwand wird zwar grösser (getrennte Anlagenteile) aber die Genauigkeit gewinnt. Gruss Kurt
>BSS129: Welchen Ersatz FET kann ich nehmen, den man auch bei Reichelt
bekommen kann?
hab bisher nur den BSP135 gefunden. Der kann dan allerdings dann für
0.90 gleich 600V! ab.
Bitte melde dich an um einen Beitrag zu schreiben. Anmeldung ist kostenlos und dauert nur eine Minute.
Bestehender Account
Schon ein Account bei Google/GoogleMail? Keine Anmeldung erforderlich!
Mit Google-Account einloggen
Mit Google-Account einloggen
Noch kein Account? Hier anmelden.

