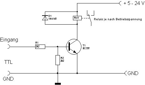
Hallo Zusammen, ich hoffe ich darf hier um Hilfe bitten? Leider bin ich technisch gesehen eher etwas unbedarft. Ich bekomme Dinge nach Anleitung oder Zeichnung hin, aber danach hört es bei mir leider auf. Ich bitte um Hilfe bei folgendem Problem: Es geht darum das Analogsignal einer Lambda Breitbandanzeige zu nutzen um ein Relais zu schalten. Der Kontroller der Anzeige gibt ein frei verwendbares Analogsinal von 0-5 Volt heraus. Erst bei Lambda 1 wird eine Spannung von 2,5 Volt erreicht, die bis Lambda 1.5 auf 5 Volt steigt. Vor Lambda 1 ist die Spannung kleiner 2,5 Volt und fällt bis Lambda 0,5 auf 0 Volt herab. Die Spannung steigt also von 0,5 bis 1,5 Lambda linear von 0 auf 5 Volt an. Ich habe gedacht, es wäre eine einfsche Lösung ein Relais mit einer Treiberschaltung anzusteuern. Aber ich finde einfach keine Schaltung für ein Eingangssignal 2,5 Volt. Die Treiberschaltung muss das Relais aber zwischen 2,5 bis 5,0 Volt anziehen lassen. Unter 2,5 Volt darf das Relais nicht angezogen werden. Mit anderen Worten ... ich suche eine Treiberschsltung die erst bei 2,5 Volt "aktiv" wird (und auch bis knapp über 5 Volt aktiv bleibt) und jede Eingangsspannung unter 2,5 Volt "ignoriert". Ich hoffe hier kann mir Jemand weiterhelfen, wie ich zum Beispiel die hier angehängte Treiberschaltung modifizieren kann um eine Lösung zu erhalten? Die genannten Bauteile der hier angehängten Treiberschaltung sind folgende: R1 2,2 kOhm R2 2,2 kOhm D1 1N4148 T1 BC 337 Rel1 (+12V) Quelle: http://www.elektronik-kompendium.de/sites/slt/1201131.htm Ich würde mich über jede Hilfe sehr freuen. Mit freundlichen Grüßen Dan
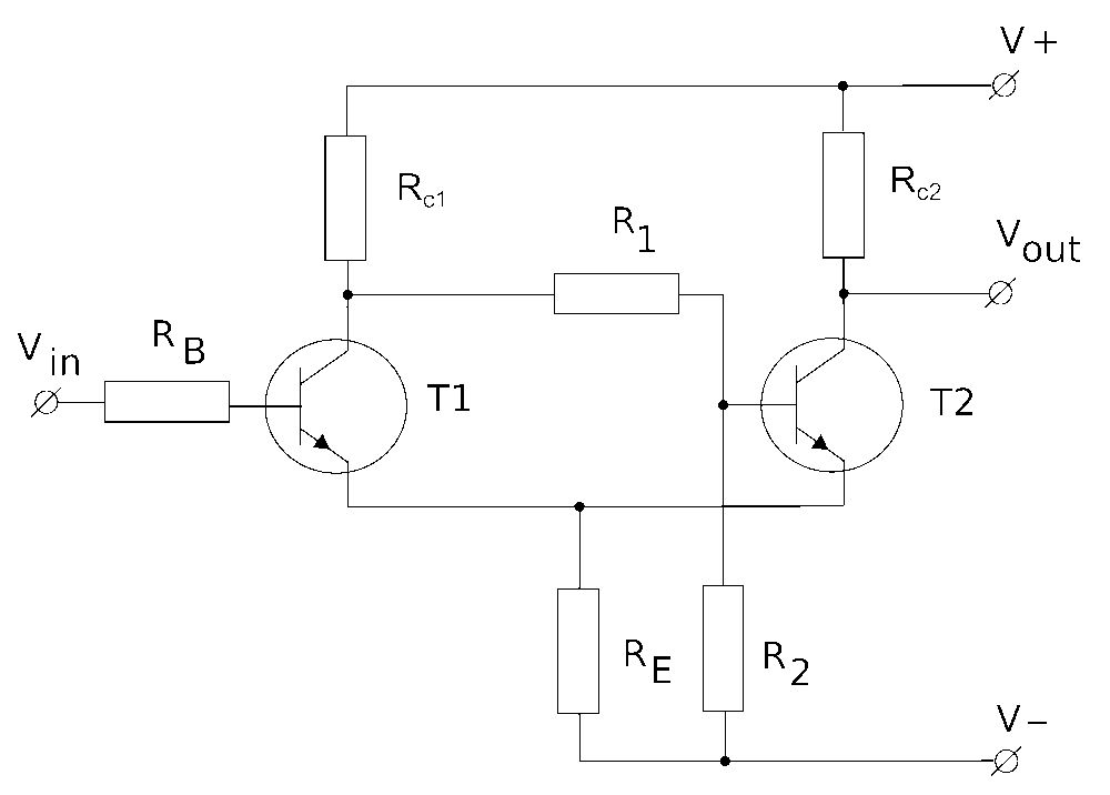
Hallo Holger und alle anderen Fachwissende, für die präzise und kurze Antwort danke ich dir Holger. Ich bitte um Nachsicht, das alleine der Begriff mir nicht weiterhilft. Wie gesagt kann ich nach Anleitung etwas zusammenbekommen, aber das Auswerten diverser Möglichkeiten, oder gar das Konfigurieren von Schaltungskomponenten, übersteigt meine Fähigkeiten bei Weitem. Wenn ich dem Begriff Komparator nachgehe erscheinen diverse Möglichkeiten, wie zum Beispiel Schmitt-Trigger, Fenster-Komparator, Komparator mit Hysterese und so weiter. Und alleine hier in diesem Board findet sich unter dem Begriff Komparator 2102 Threads. Und bei Google sind es dann schon 225.000 Möglichkeiten. Daher habe ich einmal etwas herausgesucht, wo ich vorsichtig daran glaube hier in die richtige Richtung zu gehen. Bitte dazu die Zeichnung als Referenz nehmen. Ich habe es wie folgt verstanden: „V+“ ist der 12 Volt Gleichspannungs-Versorgungseingang „V-„ ist Masse für die 12 Volt Gleichspannungs-Versorgungsausgang „Vin“ ist der Signaleingang der zwischen 0 und 5 Volt schwankt (Ich habe effektiv Werte bis 5,5 Volt) „Vout“ ist der geschalte Signalausgang (aber welche Spannung liegt hier an?) Was muss ich für die folgenden Komponenten einsetzen, damit bei der Eingangsspannung auf „Vin“ von 2,5 Volt bis 6 Volt bei „Vout“ 12 Volt anliegen (oder alternativ 5 Volt, wenn 12 Volt nicht möglich sind): T1 ist ? T2 ist ? RB ist ? RE ist ? R1 ist ? R2 ist ? RC1 ist ? RC2 ist ? Wenn „Vout“ 12 Volt hat, kann ich damit ein Relais direkt schalten? Dann brauche ich die Treiberschaltung gar nicht mehr? Wenn „Vout“ keine 12 Volt hat dann brauche ich eine Verstärkung, also die Treiberschaltung. Gesetz den Fall ich habe an „Vout“ zum Beispiel 5 Volt, dann schließe ich dieses Signal an die Treiberschaltung „Eingang“ an, korrekt? Es würde mich freuen, wenn ein freundlicher Spezialist mir hier auf die Sprünge helfen kann. Vielen Dank im Voraus. Greets Dan
Erst mal musst Du sagen, wie genau die Schaltschwelle sein soll. Z.B muss exakt bei 2,50000 Volt umgeschaltet werden oder reicht es im Bereich von 2,4 bis 2,6 Volt oder sollte es zwischen 2,49 und 2,51 Volt passieren, oder, oder, oder.
Hallo Spezialist und alle anderen Fachwissende, am liebsten wäre es mir, wenn die Grenze 2,5 Volt zum Schalten nicht überschritten werden würde. Also möglichst nicht erst bei 2,6 Volt geschaltet wird. Aber es reicht aus, wenn zwischen 2,3 und 2,5 Volt geschaltet werden würde. Eine Toleranz von +/- 0,1 Volt ist völlig ausreichend, wenn es machbar ist damit irgendwie sicherzustellen, das bei 2,5 Volt auf jeden Fall geschaltet wird? Dann müsste die zu berechnende Schaltschwelle, bei einer Toleranz von +/- 0,1 Volt, also 2,4 Volt statt des Grenzwertes 2,5 Volt sein? Greets Dan
Vielleicht mal eine Schaltung, die am ehesten zielführend ist: http://www.mikrocontroller.net/articles/Schmitt-Trigger Gemeint ist 'Schmitt Trigger per Operationsverstärker' Wenn Du als OpAmp einen R2R nimmst, z.B. TS912, dann kann man die gewünschten Schaltschwellen prima mit den Formeln einstellen. Weiterer Vorteil des TS912 als CMOS Teil: Eingang ist very hochohmig. Das Beispiel passt eigentlich schon fast zu deinen Anforderungen: Vcc=5V, 'on' bei Überschreiten von 2,62V, 'off' bei Unterschreiten von 2,38V
BMK schrieb: > Weiterer Vorteil des TS912 als CMOS Teil: Eingang ist very hochohmig. Aber Obacht im Auto: very hochohmig bedeutet auch very anfällig und sensibel auf Störungen... :-o Da wäre dann eine entsprechende Schutzbeschaltung kein unnötiger Luxus... Ich habe hier mal eine Simulation mit dem LM358: Einschalten bei 2,5V und Ausschalten bei 2,35V. Ich würde in der Praxis den R2 als 5k Poti ausführen, denn die 2,5V Referenz hängen ja an der 9V-Versorgung des Opamps, und Spannungsregler können da schon mal um +-5% abweichen...
Hallo BMK und Lothar, danke zunächst für die ausgiebige und sehr hilfreiche Darstellung. Wenn ich es korrekt verstanden habe sind beide Lösungen aufeinander aufbauend. Die Lösung von BMK wird durch die Lösung von Lothar ergänzt. Es bleiben bei mir aber leider trotzdem noch ein paar Fragezeichen offen. @BMK Ich bin leider nur der Bastler nach Anleitung, darum kann ich den Ausführungen von nur bedingt folgen. Ich wüsste an Hand der Schaltung nicht vollständig, wo ich was anschließen muss. Erkennen kann ich, dass wohl bei „IN“ das Eingangssignal von 0-6 Volt angeschlossen wird und bei dem Ausgang „5V“ dann die Treiberschaltung um das Relais zu schalten. Aber was ist „OUT“ und woran schließe ich „OUT“ an? Die Widerstände sind benannt, den TS912 finde ich auch wieder. Aber wie schließe ich den TS912 korrekt an? Ich habe hier den TS912 mit Belegungsplan und den Schmitt-Trigger per Operationsverstärker als Zeichnung angehängt. Wenn ich korrekt verstanden habe wird wie folgt angeschlossen: IN auf 2 (Invertierter Eingang 1) R1, R2, R3 auf 3 (Nicht invertierter Eingang 1) Out, R3 auf 1 (Ausgang 1) Vcc+ (8) ist Eingang 12 Volt? Vcc- (4) ist Masse 12 Volt? 5 (Nicht invertierter Eingang 2) bleibt ungenutzt. 6 (Invertierter Eingang 2) bleibt ungenutzt. 7 (Ausgang 2) bleibt ungenutzt. Habe ich das korrekt verstanden? Oder was habe ich falsch verstanden? Und was passiert mit „OUT“? @Lothar Bei der Schaltung habe ich leider ebenfalls ein paar Fragen offen. Ich habe zur Vereinfachung die Zeichnung ergänzt, so wie ich sie verstanden habe – Wobei ich mir recht unsicher bin. Offen sind für mich auch folgende Punkte: Was nehme ich für Q1 NPN? Was ist V2 an Uin1? D1/Vcc ist ein Ausgang für was und was habe ich dort? R3/Vcc ist richtig als 9V= Eingang? U2/Vcc ist richtig als 9V= Eingang? Und die 9V= nehme ich woher? Entschuldigung dass ich mich so trottelig anstelle. Aller Anfang ist schwer :-) Greets Dan
Sorry, jetzt habe ich auch noch einen Fehler eingebaut. Das GIF LM358 sollte gar nicht hier erscheinen. Die "LM358.gif bitte vernachlässigen, da hatte ich einen grundsätzlichen Fehler im Gedankengang. Greets Dan
Dan schrieb: > Was nehme ich für Q1 NPN? Welches Relais willst du nehmen? > Was ist V2 an Uin1? Das is deine Lambdasonde. > D1/Vcc ist ein Ausgang für was und was habe ich dort? > R3/Vcc ist richtig als 9V= Eingang? > U2/Vcc ist richtig als 9V= Eingang? Das ist ein Netz mit dem Namen Vcc. Dort werden die 9V aus dem Spannungsregler angeschlossen: > Und die 9V= nehme ich woher? Aus einem 9V Spannungsregler 7809...
Hallo Lothar, bald haben wir es komplett :-) Es kann nicht ja mehr lange dauern :-) Entschuldigung das ich alles nachfragen muss. Aber wenn ich das nicht mache baue ich sonst Fehler ein, die sicher durch einige wenige Antworten von dir ausgeräumt werden könnten. Der Breitbandkontroller, den ich anschließen will, kostet schon einmal locker über 200 Euro. Und den möchte ich sicher nicht durch einen dummen Fehler von mir zerstören. Ich hoffe dabei auf Verständnis für meine nervigen Fragen. Ich würde gerne dieses Relais verwenden: Kfz-Relais 12 V/DC - Type GRL-S-112DF Nennspannung 12 V/DC Kontaktart 1 Wechsler Schaltspannung 12 V/DC Schaltstrom (NO) 40 A/(NC) 30 A Steuer-Strom 150 mA Aber ich verwende gar keine Lambdasonde. Da sehe ich ein kleines Problem? Ich schließe über einen Breitbandkontroller ein analoges Signal an. Das analoge Signal schwankt, je nach Lambda, zwischen 0 und 5,1 Volt, theoretisch sogar bis zu 6 Volt. Also nur eine Zuleitung und keine Masse. Wie kann ich dann korrekt anschließen, wenn keine Masse da ist? Vcc ist ein Netz, ok :-) … wie schließe ich dann korrekt an? Wenn ich einen TO-220 7809 voraussetze, habe ich drei Pins, Eingang (1), Masse (2) und Ausgang (3). Die Referenz ist hier als GIF dabei U2 und R3 sind Eingänge, also schließe ich hier 9 Volt= Plusspannung an? U2 und R3 gehen beim TO-220 7809 an PIN 3 (Ausgang), korrekt? TO-220 7809 - Pin 2 ist Masse. TO-220 7809 - Pin 1 ist Eingang 12 Volt= D1 ist eine Sperrdiode, hier kann wohl nur Minus angeschlossen werden? Hier verstehe ich nicht, was angeschlossen werden soll. Ein Pin von TO-220 7809? Wenn ja, welcher? Wenn nicht, was schließe ich dann an? Buy the way, ich habe nochmal die Belegung von dem LM358 in die Zeichnung eingetragen. Wenn ich es richtig gemacht habe sollte es funktionieren, oder sind die Pin Nummern falsch gesetzt? Die Pins 5, 6 und 7 bleiben frei, korrekt? Als Referenz ist die GIF Datei vom "LM358" und eine korrigierte Datei von der Schaltung dabei, wo ich es eingetragen habe. Sorry das ich hier nachfrage, aber ich möchte es gerne verstehen und richtig machen. Greets Dan
Hallo Lothar, ich habe jetzt einmal nachgeschaut was Vcc eigentlich bedeutet. Und entsprechend habe ich die schon mehrfach ergänzte Zeichnung von dir, erneut bearbeitet. Ich habe jetzt verstanden, dass D1 an 9 Volt angeschlossen wird. Sorry, aber ich muss mich eben da durcharbeiten und verstehen lernen. Und hoffe dabei nicht zu viele Fehler zu machen. Der TO-220 wird also, wenn ich es korrekt verstanden habe, wie folgt angeschlossen: D1, R3 und U2 an PIn3 (Ausgang) des TO-220 7809 Pin1 des TO-220 7809 an 12 Volt= Pin2 des TO-220 7809 an Masse Ich habe aber immer noch Probleme mit: Dem Anschluss Uin1 oder V2 (Signaleingang 0-5 Volt) wegen der angegebenen Masseverbindung? Der Pin-Belegung von U2 (dem LM358/NS), ob richtig oder falsch. Und wenn falsch wie richtig? Dem Transistor Q1. Kann ich da zum Beispiel den Bipolar-Standard-Leistungstransistor BC 337/16 NPN (TO 92 I(C) 1 A Emitter-Sperrspannung U(CEO) 45 V) nehmen? Oder welcher wäre richtig? Ich danke schon einmal für die Antworten im Voraus. Greets Dan
Bitte melde dich an um einen Beitrag zu schreiben. Anmeldung ist kostenlos und dauert nur eine Minute.
Bestehender Account
Schon ein Account bei Google/GoogleMail? Keine Anmeldung erforderlich!
Mit Google-Account einloggen
Mit Google-Account einloggen
Noch kein Account? Hier anmelden.












