Hallo erstmal Ich studiere Elektrotechnik und bin ein leidenschaftlicher Autoschrauber Momentan bin ich dabei, mir einen 2000 16V Motor in meinen Escort umzubauen Leider habe ich ein Problem mit dem DZM (Drehzahlmesser) Der 2000er Motor besitzt 2 Zündspulen, weshalb mir das Steuergerät des neuen Motors nur die halbe Impulszahl an das Cockpit weitergibt Da allerdings der alte Tacho benutzt werden muss/soll und dieser die einfache Impulszahl erwartet, zeigt der DZM immer nur die halbe Drehzahl an. DIES SOLL GEÄNDERT WERDEN Als Vorlage dient die Schaltung von Shadowman auf http://www.do2sha.de/Basteln_Tacho_3.html Wie gesagt nur als Vorlage, da meiner Meinung nach Verbesserungsbedarf besteht. Das Grundprinzip soll aber erhalten bleiben. Das Steuergerät gibt dem LM2907 ein Signal mit bis zu 66,7Hz (4000 Impulse/Umdrehungen pro Minute) Dieses soll auf 12V umgewandelt werden, so dass eine lineare Spannungs/Frequenzkurve entsteht Als Beispielschaltung sei die erste Abbildung im Datenblatt des LM2907 herangezogen http://www.national.com/ds/LM/LM2907.pdf Dem Datenblatt ist die Formel V out=F in V cc R 1 * C 1 zu entnehmen Da Shadowman vermutlich keinen 0,01 uF Kondensator zur Hand hatte, wählte er als C1 einen 47nF, ich bleibe bei 10nF als C1 Als Versorgungsspannung seien dank der Zenerdiode konstante 12V anzunehmen So ergibt sich R1 = 1 / (66,7Hz 12V 10nF * (1 / 12V))=1500kOhm Alternativ könnte man C1 auch mit 100nF dimensionieren,R1 wäre 150kOhm usw. Solange man C 1 über 500pF und R1>=V out/I pin3 einhält Da im Datenblatt R1 mit 100kOhm dimensioniert wird, sind für mich beide Varianten gleichwertig dürchführbar und je nach Teileverfügbarkeit zu wählen C 2 wird (da sind sich Datenblatt und Shadowman einig) mit 1uF dimensioniert Jetzt sollten bei 0V 0Hz und bei 12V 66,7Hz ausgesendet werden und vom LM331 empfangen werden http://www.national.com/ds/LM/LM231.pdf Hierbei sind deutliche parallelel zwischen Shadowman und dem Beispiel in Figure 3 zu erkennen, die Formel dafür wäre F out = V in * R s / 2,09V R l (R t * C t) Wobei ich davon ausgehe, dass die 2,09V eine Konstante des Bauteiles sind Laut Datenblatt werden durch R t und C t die Impulsbreiten des Outputs bestimmt. Da aus meiner Sicht bei der Maximalfrequenz von 133Hz (8000 Impulse/Umdrehungen pro Minute) das Verhältnis zwischen High und Low am besten 1:1 wären, sollte die Impulsbreite der Hälfte der Periode entsprechen, also (1/133Hz) /2 = 7,52ms /2 =3,76ms Dem Datenblatt ist zu entnehmen t = 1,1*R t * C t Auch hier sind sich Shadow und Datenblatt einig, was R t angeht, allerdings wurde bei Shadow der C t weggelassen Wenn man nach C t=3,76ms / (1,1*6800 Ohm) auflöst, erhält man C t = 503nF, vermutlich wurde diese geringe Kapazität weggelassen, ich werde sie drinbehalten. Ausserdem werde ich den OFfset-Abgleich noch integrieren, da Shadowman ja dies beklagt, aber nicht ausmerzt ^^ R l, C l, C in und den Widerstand an Masse dimensionieren beide gleich( R l =100k, C l=1uF, C in = 0,1uF,Massewiderstand=47nF), allerdings wurde der R in von Shadow entfernt, da dieser aber den Offset korrigieren soll, werde ich ihn ergänzen. Somit bleibt als einzige Variable R s, Formel umstellen ergibt R s = F out R l 2,09V R t C t/ V in =7,92kOhm Die Transistorschaltung zum Eingang ist noch verständlich, allerdings stellen sich mir nun halt ein zwei Fragen *Hab ich alles richtig gerechnet? *Hab ich was übersehen? *Würdet Ihr etwas anders dimensionieren? *Was soll die Diode? *Wofür ist der 22k links von der Diode, der 1k rechts vom LM331 und der 1k zwischen den ICs? *Habt ihr generelle Verbesserungsvorschläge zu der Schaltung? Im Vorraus bedankt sich Der Neue Björn
Morgoth schrieb: > *Würdet Ihr etwas anders dimensionieren? Ja: wozu fast 30 Bauteile? Ich würde einen uC nehmen, den die Drehzahl auswerten lassen und dann die Pulse mit der doppelten Frequenz wieder ausgeben. Aufwand: 1 Stk 8-füssiger ATTiny (und ein kleiner Spannungsregler)... Und vor Allem: die Pulsform lässt sich damit locker (weil SW) an die nötigen Verhätnisse anpassen... Wie sieht denn das originale Drehzahlsignal aus? Gibt es davon ein Oszi-Bild? Darf das TV des Signals zum DZM von 50% abweichen?
Also zum Oszibild nein es gibt keine Aufnahme davon, soweit ich weiss sind es normale Rechtecksignale und da Shadowman das in Betrieb hat wird der DZM das wohl schon annehmen. Ich weiss aber auch dass manche Leute zum Einstellen von DZM einen Trafo mit 8V nehmen und den direkt anschliessen, 50Hz -> 3000 U/min Zum Thema uC muss ich ganz ehrlich sagen SCHANDE ÜBER MEIN HAUPT Elektrotechnik im 6 Semester aber der uC Prof kotzt dermassen an dass ich in beiden Kursen bisher nur 2 durchgefallene Scheine vorzuweisen habe Persönlich würde ich sehr gerne mit uC s arbeiten aber ich will mir nicht alles selber beibringen müssen wenn ich fast 600€/Semester dafür zahle dass es mir einer beibringen soll (es aber nicht tut) Zumal kommt erschwerend dass ich kein Schreibgerät habe, vom Programmieren Ahnung ganz zu schweigen :D Ausserdem ist die Platine nun nach 2 Tagen Layouten endlich fertig ^^ Ich würde das Thema uC sehr gern danach in Ansturm nehmen und das erst mal mit IC fertigmachen TV nehm ich mal an heisst Triggerverhältnis? Sprich Verzug in der Verarbeitung? Die wäre ja generell egal, da am DZM sonst nur Vcc und Masse anliegen Danke im Voraus Björn
Morgoth schrieb: > TV nehm ich mal an heisst Triggerverhältnis? Fast richtig... Tastverhältnis > Ausserdem ist die Platine nun nach 2 Tagen Layouten endlich fertig Das meinte ich mit den 30 Bauteilen... > Ich würde das Thema uC sehr gern danach in Ansturm nehmen Machs jetzt, und du bist gleich schnell fertig wie mit der f-U-f Umsetzerei. > Ich weiss aber auch dass manche Leute zum Einstellen von DZM einen Trafo > mit 8V nehmen und den direkt anschliessen, 50Hz -> 3000 U/min Dann kommt da aber ein anderer Pegel rein, den ein 8V Trafo bringt da gleich mal locker 22Vss an... :-/ Irgendwann hatte ich mal sowas ähnliches gemacht, allerdings war das für Importautos aus Amerika, die auf 180kmh gedrosselt waren. Da durfte das Tachosignal nicht schneller kommen als diese 180, sonst hätte die Karre abgeregelt. Aber drunter musste alles gleich bleiben von wg. Tempomat. War urig, dass die Tachonadel dann bei 180 stehenblieb und das Auto noch schneller wurde... :-o
Hab ich vergessen zu erwähnen ^^ Nach dem Trafo kommt natürlich ne Sperrdiode, die die negative Halbwelle killt Wofür ist das Tastverhältnis da? Hoffe ich blamier mich mit der Frage nicht ^^ Manchmal kann ich Name und Funktion nicht zueinanderordnen ^^ Könnte jemand vllt trotzdem mal nachschauen/rechnen ob das so funktionieren würde? MFG Björn
Morgoth schrieb: > Wofür ist das Tastverhältnis da? Du selber hast doch geschrieben: Morgoth schrieb: > das Verhältnis zwischen High und Low am besten 1:1 wären Das Verhältnis zwischen High und Low (oder besser von High zur Gesamtpulslänge) ist das Tastverhältnis. Wenn Dauer High = Dauer Low dann TV = thi/(tlo+hi) = 1/2 = 50% Wenn z.B. thi=10ms und tlo=90ms, dann TV = thi/(tlo+hi) = 10/100 = 10%
Wusst ichs doch :D Ist echt grausam, ich kann mit Namen manchmal einfach nix anfangen ^^ Ich denk mal stark dass der DZM mit mehr als 50% auskommen würde, was allerdings Drehzahlen über 8000 U/min bedeuten würden Beim 2000er beginnt der rote Bereich allerdings bereits bei 6500 (orange) bzw 7000(rot), wobei ich bei 6500 vom Gas gehe :D Bzw. sollte es das Gaspedal mal eilig haben nach unten zu kommen und der Motor wirklich mal über 7000 oder gar 8000 kommen (wobei 8000 sich echt hässlich anhören) wird der Zustand nicht sonderlich lange beibehalten und in solchen Situationen sind so Sachen wie Ablesen des DZM wohl eher nebensache :D Lange Rede kurzer Sinn einTV über 50% wird kaum bis gar nicht auftreten und da sich U max meist bei bei 6500 aufhalten wird dürften selbst Bauteiltoleranzen kaum ins Gewicht fallen Aber Danke für die Nachhilfestunde ;)
Man könnte die Impulsverdoppelung auch digital mit zwei Monoflops (ein 74HC123) und zwei NOR-Gatter (ein 74HC02) lösen...
Lasse mal hörn :D Hatte mir zwar im Vorfeld ne Schaltung mit nem Xor oder nem 4017 überlegt, aber bin gern für neues offen
Peter schrieb: > Man könnte die Impulsverdoppelung auch digital mit zwei Monoflops (ein > 74HC123) und zwei NOR-Gatter (ein 74HC02) lösen... Das war auch mein Gedanke, deshalb die Frage nach dem Originalsignal. Wenn das halbwegs so symmetrisch aussieht (#=hi, _=lo:
1 | ________##############___________________###############_______ |
Dann könnte das mit dem Monoflop und dem XOR gehen:
1 | ________####_________####________________####___________####____ |
Wenn das Originalsignal aber so aussieht
1 | ________###______________________________###____________ |
Dann geht das mit dem Monoflop schnell schief, weil die Pulse dann sehr kurz werden müssen:
1 | ________#_#______________________________#_#___________ |
Ich werd mal oszillieren oder googeln, was schneller geht kann mir aber die schaltung noch nicht direkt vorstellen
Das Eingangssignal kommt einmal direkt auf das erste Monoflop, dann durch ein als Inverter verschaltetes NOR-Gatter Invertiert an das zweite Monoflop. an den Q Ausgängen der Monoflops hängt das zweite NOR-Gatter. Ein Monoflop triggert auf die fallende, das andere jeweils auf die steigende Flanke. Die Monozeit muss kürzer als die kürzeste High-Zeit für das nichtinvertierte Monoflop und auch Kürzer als die kürzeste Low-Zeit für das invertierte Monoflop sein. Mit Hi/Lo meinte ich die Pegel des Originalsignales. Jede Flanke erzeugt jetzt einen kurzen Impuls. Die beiden Puls-Signale lassen sich nun problemlos mit einem Oder-Gatter oder zwei Dioden zusammenführen. mg mf
Nimm (grundsätzlich) die Schaltung dort: Beitrag "Re: Impulszähler" Ein paar kleine Anpassungen sind sicher nötig, aber du siehst prinzipiell: 1 Eingangspuls erzeugt 2 Ausgangspulse
Morgoth schrieb: > Der 2000er Motor besitzt 2 Zündspulen, weshalb mir das Steuergerät des > neuen Motors nur die halbe > Impulszahl an das Cockpit weitergibt die einfachste lösung: du nimmst von jeder der beiden zündspulen das signal über je eine ausreichend dimensionierte diode in flussrichtung ab. jenseits der dioden werden die signale zusammengeschaltet und zum drehzahlmesser geleitet. dann stimmt wieder alles!
_________ __________
-|>o-----| S Q |-------------| NOR |----------------
| |_________| |------|__________|
| |
| ________ |
---+-------|S Q |------+
|__________|
So hab ich jetzt den Aufbau verstanden, wobei ich dann nur ein
Ausgangssignal habe, sprich nichts das man mit dioden/OR-Gatter
verknüpfen könnte
@ Benjamin
Klar ist am einfachsten, aber als E-Techniker will mans auch mal schön
machen :D
Dafür müsste ich nämlich die Leitung zur Spule kappen und anlöten und
die Originalleitung zum DZM hängt dann runter....Machbar aber Frage der
Optik ^^
Morgoth schrieb:1 | ________ _______ |
2 | .--|>o---| S Q |-------------| NOR |---------------- |
3 | | |________| .------|_______| |
4 | | | |
5 | | ________ | |
6 | ---o--------| S Q |------' |
7 | |________| |
Wenn die Dinger, die hier ein S und ein Q haben, "nur" FFs sind, dann funktioniert diese Schaltung nicht, denn es fehlt der Reset... :-o
Ich habe bisher leider nur mit FlipFlops gearbeitet und kenne den Unterschied jetzt nicht genau. Generell könnte ich mir 2 Varianten vorstellen 1.Ein Monoflop schaltet beim ersten Impuls am Eingang den Ausgang auf high, beim zweitem Impuls wieder auf Low 2.Ein Monoflop wird über den Eingang auf High gesetzt und bleibt solange high, bis am Reset Spannung anliegt Wie würde denn die Schaltung aussehen? Danke im Vorraus Björn
Ein Monoflop hat einen Triggereingang. Kommt dort eine passende Flanke(!), gibt das Monoflop High aus, bis seine Monozeit abgelaufen ist. Dann geht der Ausgang wieder aud Low. Es gibt retriggerbare und nicht retriggerbare Monoflops. Die retriggerbaren akzeptieren einen neuen Triggerpuls auch während der High-Zeit, die Monozeit wird zurückgesetzt und ab der neuen Flanke gezählt. Die nicht-retriggerbaren deaktivieren den Triggereingang, während sie High ausgeben. Nach Ablauf der Monozeit (Ausgang wieder Low) ist der Trigger dann wieder scharfgeschaltet. _____________________________________________________________________ Du kannst dir ein Monoflop wie einen Koch mit Eieruhr vorstellen. Der Koch schaut auf die Eingangsspannung. Bemerkt er einen Lo-Hi-Sprung(Flanke) am Eingangssignal, zieht er die Eieruhr auf 3min und setzt den Ausgang auf High. Wenn die Eieruhr klingelt, setzt der Koch den Ausgang wieder auf Low. Die Sache mit retriggerbar und nicht retriggerbar unterscheidet sich durch den Koch: 1. Es gibt faule Köche, die während die Eieruhr läuft, nicht auf das Eingangssignal schauen und dementsprechend die Eieruhr nicht neu auf 3min aufziehen(nicht retriggerbar). 2. Nicht so faule Köche ziehen die Eieruhr bei jeder geeigneten Flanke des Eingangssignals wieder neu auf 3 min auf(retriggerbar). mfg mf OT: wieviele Minuten braucht bei dir ein Ei?
AAAhhhhhh wieder was gelernt ^^ nur was das zweite NOR hinter den Ausgängen soll, versteh ich nich und ein Ei braucht bei mir 5 min Das gelbe grad so noch flüssig ^^
Ich hab mir jetzt ohnehin die Schaltung für den Tankabgleich realisiert und habe da noch 2 Aussparungen für 2 Dioden gelassen, ist wohl das einfachste und auf einer Platine sehen 2 dicke Dioden immer gut aus ^^ Nun meine Frage Wie würde man die Dioden dimensionieren? Gibt es bei Dioden Begrenzungen in der Frequenz? In Physik wollte unser Lehrer ne Sperrdiode nämlich mal nicht über 50Hz betreiben, hier sind aber deutlich mehr im Spiel Und wieviel Ampere sollte sie aushalten?1A?5A?MEHR??? Gruss Björn
Morgoth schrieb: > Und wieviel Ampere sollte sie aushalten?1A?5A?MEHR??? Garantiert weniger. Aber sie sollten nicht zu langsam sein. Ich würde sagen, die 1N4148 dürfte da reichen. Aber dir ist klar, dass die Diode an der 12V-Seite der Zündspule angeschlossen wird, nicht auf der Hochspannungsseite.
Schon klar :D Der Vorbesitzer hat da ja bereits ein Paar wagemutige Experimente durchgeführt mit 1 Diode zwischen den Leitungen, sprich Zündspule 2 hat jeden Impuls der Spule 1 mitbekommen ^^ Deshalb war ja auch meine Frage Sekundärseite mehrere kV bei niedrigem Strom sind auf Primärseite mit 12v...hmmmm.... Die 1n4148 hab jetzt nicht geschaut aber mein die kann 500mA langt das? Ausserdem kann sie 250MHz was ja weit mehr als ausreichend ist ^^ Ich hätte hier 1N4005 Dioden rumliegen mit 1A find aber grad kein Datenblatt bezüglich Frequenz Gruss Björn
Morgoth schrieb: > Die 1n4148 hab jetzt nicht geschaut aber mein die kann 500mA langt das? Locker! Du willst ja "nur" die Signale miteinander verknüpfen, nicht die Zündspulen zusammenschalten... Und daher sollten da keine nennenswerten Ströme fließen. Wenn mehr als 10mA unterwegs sind, hast du was falsch gemacht... :-o
Hmmm dachte halt dass so ne fette Spule schon bissl Strom ziehen würde aber glaub du kennst dich aus ;) Gut dann gibts 2 1n4148 und ich danke vielmals Björn
Morgoth schrieb: > Leider habe ich ein Problem mit dem DZM (Drehzahlmesser) > Der 2000er Motor besitzt 2 Zündspulen, weshalb mir das Steuergerät des > neuen Motors nur die halbe Impulszahl an das Cockpit weitergibt Wie ist das Steuergerät an die Zündspulen und den Tacho angeschlossen? Morgoth schrieb: > Hmmm dachte halt dass so ne fette Spule schon bissl Strom ziehen würde Die schon, aber nicht dein DZM > Gut dann gibts 2 1n4148 Zeichne sicherheitshalber aber vorher erst mal einen Plan mit den Zündspulen, dem Steuergerät und der Versorgung (Masse, 12V), und poste den hier... > aber glaub du kennst dich aus ;) Glaube und Hoffnung bringen uns weiter... ;-)
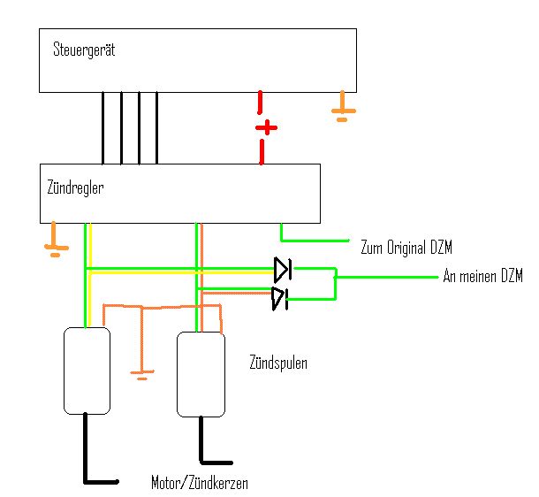
Ist eigentlich nix grossartiges, und der Einfachheit halber habe ich die restlichen 56 Kabel des Steuergerätes mal weggelassen ^^ Das Steuergerät bekommt von versch Sensoren (oberer Totpunkt, Lufttemperatur, öldruck, wassertemperatur usw) die signale, berechnet den zündpunkt und gibt das Signal an den Zündregler weiter, der heisst EEF IV oder ähnlich, weiss grad nicht auswendig. Auf der SW Zeichnung sieht man das Ding ,Pinbelegung: 1 PIP-Signal - ICM an PCM 2 Drehzahlmesser 3 SAW-Signal - PCM an ICM 4 Nicht belegt 5 CKP (-) 6 CKP (+) 7 Abschirmung 8 Batterie (15) 9 Modul an Masse 10 EI-Zündspule (Zylinder 1-4) 11 Nicht belegt 12 EI-Zündspule (Zylinder 2-3) Pin 2 geht original zum DZM, ich würde pin 10 und 12 mit den dioden gegenseitig sperren und zum DZM legen, da ich nicht weiss, ob 2 mit 10 oder 12 identisch ist. Ich hab gerade kein Schaltbild des DZM zur Hand, überlege gerade ob es sinnvoll wäre noch 2 hochohmige Widerstände in Reihe zu schalten, nicht dass das signal an pin 2 deutlich niedrigeren strom liefert und mir das signal von 10 und 12 über den DZM auf Masse gehen und die Zündspule guggt in die Röhre ^^ Wobei es laut Internetgerüchten mit den 2 Dioden funktionieren soll
Wäre auch zu einfach gewesen mir ne Mail zu schreiben was ich mir bei der Schaltung auf meiner Homepage gedacht hab. Wie schon im Text dazu ist die Schaltung aus 2 1/2 anderen zusammengeschustert, da ich kein Ing. für Elektronik bin sondern zu dem Zeitpunkt Facharbeiter Mechatronik war das alles was ich so hinbekommen hab. Mittlerweile hat auch hierfür übrigens ein uC Einzug gehalten.
Vergesst den ganzen analogen Scheiss.
Da das Signal von einer bordcomputerähnlichen Elektronik verarbeitet
wird, ist zu vermuten, daß es Programmcode enthält, der Störungen
erkennen und vermeiden soll. Also sind zu ungenaue Signale zu vermeiden.
Bei der Dual-Monoflop-Variante die bei steigender und fallender Flanke
jeweils einen kurzen Impuls erzeugt sind die Impulse und ihre
Zeitabstände stark unterschiedlich, da das Eingangssignal nicht 50%
Tastverhältnis hat und die Monoflopimpulse auf höchste Drahzahl (und
dann 50% davon) ausgelegt sein müssen, sie passen sich nicht dynamisch
in der Pulsweise an. Und eine PLL ist zu aufwändig, eine CD4046
erfordert einen externen Teiler und der Frequenzbereich geht deutlich
über 1:2. Bleibt die digitale Version mit einem uC, bei dem das einzige
Problem das Problem der Pegelwandlung und Stromversorgung ist.
Wenn man ihn direkt auf die Elektronikplatine setzen könnte, wäre das
Problem aber erledigt.
Symbolischer Code:
long d1, d2, d3;
Eingangsimpuls an pin angeschlossen
Ausgangsimpuls an pout erzeugt
short last, next;
while(1)
{
next=pin;
if(next==1&&last==0) // ansteigende Flanke am Eingang
{
d1=d3;
d2=d3=0;
}
else // Durchlauf ohne relevante Eingangszustandsänderung
{
d3++;
d2+=4; // doppelter Faktor
}
last=next;
pout=(d2/d1)&1;
// definierte Bearbeitungszeit
}
Passt locker in einen PIC10F200 :-)
Du Schlaumeier, lies mal meinen vorherigen Beitrag. Habe schon längst nen uC drin der sich um die Geschichte kümmert. Wozu bloss das Forum volltexten und sich an meiner Konstruktion hochziehen, anstatt mir ne Mail zu schreiben.......
Beitrag #5920298 wurde von einem Moderator gelöscht.
Lothar M. schrieb: > Morgoth schrieb: >> *Würdet Ihr etwas anders dimensionieren? > Ja: wozu fast 30 Bauteile? > Ich würde einen uC nehmen, den die Drehzahl auswerten lassen und dann > die Pulse mit der doppelten Frequenz wieder ausgeben. Aufwand: 1 Stk > 8-füssiger ATTiny (und ein kleiner Spannungsregler)... > Und vor Allem: die Pulsform lässt sich damit locker (weil SW) an die > nötigen Verhätnisse anpassen... > > Wie sieht denn das originale Drehzahlsignal aus? > Gibt es davon ein Oszi-Bild? > Darf das TV des Signals zum DZM von 50% abweichen? Eine absolute Frequenz Verdopplung macht jeder Brückengleichrichter!
Marek N. schrieb: > Aber nur, wenn es auch negative Halbwellen gibt. Und wenn es keine gibt, dann kann man sich eben schnell welche selber machen, durch einen Koppelkondensator im Signalweg.
Morgoth schrieb: > Wobei es laut Internetgerüchten mit den 2 Dioden > funktionieren soll Das würde so funktionieren, musst aber auf die Pegel achten, die Zündspulen geben auch auf der Primärseite eine hohe Spannung ab. Also Dioden mit hoher Spannung verwenden und einen Spannungsteiler + Begrenzer vorsehen. Am besten mal das bisherige Signal aus dem Steuergerät messen und dann die Schaltung so Dimensionieren das der Pegel passt.
Leute, der Thread ist 7 Jahre alt und nur durch ein (in den Morgenstunden gemeldetes) Spam-Posting hervorgeholt worden. Ihr Vier hättet eigentlich die übliche rote Warnung angezeigt bekommen sollen...
John D. schrieb: > Ihr Vier > hättet eigentlich die übliche rote Warnung angezeigt bekommen sollen... Ja, haben wir und der Ford Escort RS 2000 ist wahrscheinlich auch schon längst auf dem Schrottplatz. Trotzdem kann man mal versuchen zu zeigen, wie man eine einfache frequenzunabhängige Frequenzverdopplung realisieren könnte.
Morgoth schrieb: > Hab ich vergessen zu erwähnen ^^ > Nach dem Trafo kommt natürlich ne Sperrdiode, die die negative Halbwelle > killt Frequenzverdopplung <= 50/50 TV Rechteck (unipol.) imho mit 1:1 Trafo - durch AC-Kopplung (Kondensator) primär, Vollwellengleichrichter sekundär + RC-Glied und Schmitt-Trigger zum Anpassen (von beinahe 100% wieder auf <= 50/50 TV)?
Persönlich würde ich sehr gerne mit uC s arbeiten aber ich will mir nicht alles selber beibringen müssen wenn ich fast 600€/Semester dafür zahle dass es mir einer beibringen soll (es aber nicht tut) Alter. Das ist doch die Einstellung von einem vollkommenen Idioten.
Morgoth schrieb: > aber ich will mir > nicht alles selber beibringen müssen wenn ich fast 600€/Semester dafür > zahle dass es mir einer beibringen soll (es aber nicht tut) Hatte ich auch gerade sagen wollen! Unser alter Physiklehrer in der Oberstufe pflegte einen "running gag" in der Art : Mann, was willste mal studieren? Theaterwissenschaften?! Und dann haben wir alle gelacht...
Rainer V. schrieb: > Und dann haben wir alle gelacht... Tja, was tut man nicht alles, um gute Noten zu bekommen...
Der Mann hatte übrigens nach eigener Aussage bei Sommerfeld studiert! Und keiner hat sich getraut zu fragen, warum er dann doch "nur" Lehrer geworden ist. Zumindest an einer Uni wäre er viel besser aufgehoben gewesen als an unserem Gynasium :-) Gruß Rainer
Bitte melde dich an um einen Beitrag zu schreiben. Anmeldung ist kostenlos und dauert nur eine Minute.
Bestehender Account
Schon ein Account bei Google/GoogleMail? Keine Anmeldung erforderlich!
Mit Google-Account einloggen
Mit Google-Account einloggen
Noch kein Account? Hier anmelden.

