Hallo, ich stehe gerade ein bisschen auf dem Schlauch. Ich benötige für ein Array mit mehreren ADG709 eine stabile Spannungsversorgung +-2,5V. Der Trafo ist nicht das Problem. Ich hätte einen mit zwei Sekundärwicklungen gekauft, da bleibt man flexibel. Mit zwei positiven Spannungsreglern bekomme ich das ja vermutlich nicht hin. Oder kann ich zwei eigenständige Netzteile mit 2,5V aufbauen und dann + des einen Netzteils mit - des anderen Netzteils verbinden? Was hätte ich denn sonst für Möglichkeiten? Einen -2,5V-Regler habe ich nicht bezahlbar gefunden. Die ADG709 (max. 35 Stück) ziehen ja - so wie ich das Datenblatt verstanden habe - nur eine Hand voll Elektronen aus dem Netzteil, d.h. Stromverbauch ist ja extrem niedrig. Ich würde mal ganz grob mit <<10mA schätzen. Oder bleibt es tatsächlich bei nur 35µA? Ich kann das gar nicht so recht glauben, dass die so wenig Strom ziehen^^ Wenn die Teile tatsächlich so sparsam sind, dann reicht doch auch eine Vorstufe mit LM7805 und LM79L05 (+5V brauche ich sowieso) und dann über nen Spannungsteiler mit OPAMP-Buffer die +-2,5V rausholen?
>Oder kann ich zwei eigenständige Netzteile mit 2,5V aufbauen und >dann + des einen Netzteils mit - des anderen Netzteils verbinden? Ja. >Was hätte ich denn sonst für Möglichkeiten? Einen -2,5V-Regler habe ich >nicht bezahlbar gefunden. LM337 und LM317.
Tom K. schrieb: >>Was hätte ich denn sonst für Möglichkeiten? Einen -2,5V-Regler habe ich >>nicht bezahlbar gefunden. > > LM337 und LM317. Achja, die Idee hatte ich. Und genauso schnell hab ich's wieder vergessen... Aber das ist gar nicht schlecht. Das Grobmotorikerzeug bekomme ich wenigstens auf eine selbstgeätzte Platine (->günstig). So ein hübscher SMD-Regler wäre zwar toll gewesen, lässt sich auf Platinen ohne Lötstopp aber so beknackt löten...
> ADG709
Normalerweise versorgt man die mit 0V/5V
und bezieht nur das durchzureichende Signal auf
eine virtuelle Masse von 2.5V, z.B. durch
einen Spannungsteiler aus den 5V gewonnen.
MaWin schrieb: > Normalerweise versorgt man die mit 0V/5V > und bezieht nur das durchzureichende Signal auf > eine virtuelle Masse von 2.5V, z.B. durch > einen Spannungsteiler aus den 5V gewonnen. Bei so niedrigen Strömen muss ich diese Spannung vermutlich auch nicht über einen OpAmp puffern? Ich hab da ein wenig Bammel, dass das dann irgendwie verrauscht klingt wegen den Widerständen (Es handelt sich um Audio). Die Ansteuerung über einen µC macht man dann über einen Spannungsteiler aus zwei gleich großen Widerständen zwischen Port und VCC, dessen Mittelabgriff am ADG709 hängt? Das gibt dann 2,5V und 5V-Pegel.
Bei den Strömen passt doch ein Shuntregler wie TL431 ganz hervorragend. Den gibt es auch in besonders hochwertigen Genauigkeiten falls benötigt.
> nicht über einen OpAmp puffern Nicht nötig. Schwankungen der virtuellen Masse sind unrelevant da man an Eingang und Ausgang das Signal auf diese virtuelle Masse bezieht. Ausserdem sind Audioengänge eher hochohmig, jenseits von 20k. > Die Ansteuerung über einen µC macht man dann über einen Spannungsteiler > aus zwei gleich großen Widerständen zwischen Port und VCC, dessen > Mittelabgriff am ADG709 hängt? Nö. Direkt 0V/5V an den mit 0V/5V versorgten ADG709
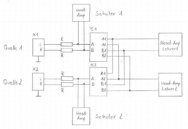
Ich hätte noch eine Frage, zwar eigentlich offtopic, aber dieselbe Entwicklung betreffend. Ich möchte ja mehrere Quellen mit jeweils einem Multiplexer auf vier Kanäle verteilen. Dabei kann es passieren, dass zwei Quellen auf dem selben Kanal liegen und sowohl auf dem Kanal, als auch jeweils direkt an der Quelle abgegriffen werden müssen (Siehe Prinzipskizze). Da ich sehr viele Quellen verwalten muss, wäre es nicht schlecht, wenn ich statt dem teuren ADG709 den günstigeren CMOS4052 verwenden könnte, dessen Ron aber wesentlich höher liegt (100R statt 4R). Da das Signal zum einen nicht kurzgeschlossen werden soll/darf und zum anderen die Lautstärke beider Quellen an jedem Punkt gleich sein sollte, wollte ich die Signale über (im Vergleich zu Ron) hochohmige Widerstände zusammenführen. Im Falle des CMOS4052 würde ich hier also mindestens 1 kOhm Vorwiderstände einplanen, um den hohen Innenwiderstand des Chips auszugleichen. Frage Nummer eins: Ist diese Vorgehensweiße sinnvoll? Wie sieht das mit Verzerrungen bei so geringer Last am Kopfhöreranschluss aus (Es handelt sich um Yamaha Keyboards). Ein weiteres Problem: Die Leitungen zwischen den "Schüler-Kopfhörerverstärkern" und der eigentlichen Multiplexerschaltung sind teilweise sehr lang (bis zu 10 Meter). Kann ein derart abgeschwächtes Audiosignal über so große Distanzen übertragen werden, ohne das es deutlich verfälscht wird? Ich hoffe ihr könnt mir da weiterhelfen. Ich sag schon mal ganz herzlich "Danke!". Viele Grüße Daniel
Daniel schrieb: > ich stehe gerade ein bisschen auf dem Schlauch. Ich benötige für ein > Array mit mehreren ADG709 eine stabile Spannungsversorgung +-2,5V. Der Hast du stabile 5V? Falls ja, dann nimm zwei kapazitive Ladungspumpen. Eine zum Halbieren der Spannung und eine nachgeschaltete zum Invertieren. Geht winzig auf die Leiterplatte, ist richtig effizient und nicht wesentlich teurer als irgendwelche Verrenkungen mit LM317 oder sonst einem Urgestein. http://www.maxim-ic.com/app-notes/index.mvp/id/1876 http://www.maxim-ic.com/app-notes/index.mvp/id/725
Bitte melde dich an um einen Beitrag zu schreiben. Anmeldung ist kostenlos und dauert nur eine Minute.
Bestehender Account
Schon ein Account bei Google/GoogleMail? Keine Anmeldung erforderlich!
Mit Google-Account einloggen
Mit Google-Account einloggen
Noch kein Account? Hier anmelden.

