Hallo, suche einen Schaltplan für einen Frequenzumrichter, den ich selbst bauen möchte um einen Asynchronmotor mit 370 Watt in der Drehzahl zu regeln. Die Steuerung soll mittels Atmel Mikrocontroller stattfinden, C Programme nehm ich auch gerne, falls mir jemand etwas geben könnte. Danke Sarah Heimbach
Sorry , ist das Unwissenheit oder Ignoranz (ist vielleicht etwas hart ausgedrückt)? Um einen Motor in der Drehzahl zu ändern ist ein rel. grosser Aufwand nötig (Sinus oder Sinusähnliche Schwingung jeder Phase, Frequenzabhängige Leistung [wegen der Gegen-EMK], Überwachung auf alle Betriebszustände [vor allem auf Störungen] usw. Um sowas zu realisieren sind "Mannjahre" notwendig. Allein die EMV-Anforderungen sind enorm. Bei Netzen mit FI ist ein spezieller Fehlerstromschutzschalter erforderlich, liegt ca bei 550 Euro. Kurt
Hi Ich weis nicht ob du nicht eh schon vl die selbe seite gefunden hast, aber auf folgender seite steht beschrieben wie man so etwas macht. http://www.htlwrn.ac.at/~PD/labor/fru.htm und mit etwas elektronikkentniss wird es wohl möglich sein, diese schaltung auch für stärkere motoren zu dimensionieren. ;-) es tut mir leid das ich keinen scanner habe, denn wir haben mal in der schule einen schaltplan bekommen( einen ganz vereinfachte schaltung) aber diese sieht im groben und ganzen fast gleich aus
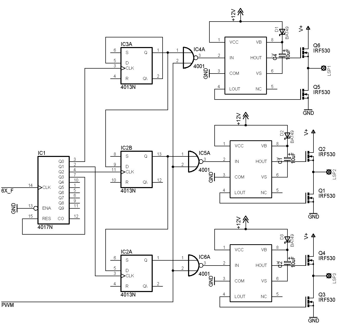
Die eigentliche Schaltung ist nichtmal so kompliziert: 3 Halbbrücken Endstufen aus je zwei MOSFETs und einem IR2111 und eventuell noch eine galvanische Trennung. Die Ansteuerung besteht aus einem Takt (für die Frequenz der erzeuten Signale) und einem PWM Signal (für die Ausgangsspannung). Das Tastverhältnis ist im einfachsten Fall direkt proportional zur Frequenz. Diese bestimmt die maximale Drehzahl. Die Ansteuersignale für die IR2111 kann man mit einem 4017 und ein paar Logikgatter erzeugen. PWM und die Frequenz kommen vom uC, wobei man das PWM Signal zusätzlich per Hardware abschalten kann (per AND Gatter in der PWM Leitung), im falle eines Überstroms oder einer Überspannung (beim Bremsen werden je nach kinetischer Energie einige kW erzeugt !)
@Kurt: > Bei Netzen mit FI ist ein spezieller Fehlerstromschutzschalter > erforderlich, liegt ca bei 550 Euro. Was soll das denn. Ein "FI" ist ein "Fehlerstromschutzschalter". Und welcher FI kostet 550,- Euro??? Ausserdem ist so ein Drehsteller auch nicht so extrem kompliziert, dass man da Mann-Jahre verbratet. Eine Woche intensives sammeln von Infos im Web, plus ca. 6 bis 8 Wochen Entwicklung und Experimente, und fertig ist das Teil.
hallo im Elektor war mal sowas drinnen (glaube so vor 10 Jahren)
Der eine schreibt einen Link der nicht funktioniert.
Der andere malt ein paar ICs aufs Papier.
Der dritte faaselt was von 8 Wochen Entwicklungszeit.
Und keiner hat Ahnung von Drehzahlschwinungen durch Oberwellen.
Alles nur Bastler hier!
@3-Phasen-Man Vergiss es. Dazu kannst Du Dir hier sinnlos die Finger wund tippen. Lass sie den DAM mit PWM ansteuern und hoffe, dass sie weit genug von Dir entfernt wohnen.
das mit dem Mannjahren mag ja übertrieben sein (Kompletter FU mit
separatem Bedienteil, Busankopplung, Netzfilterung usw.)
"> Bei Netzen mit FI ist ein spezieller Fehlerstromschutzschalter
> erforderlich, liegt ca bei 550 Euro..
War so gedacht --Bei Netzen mit FI-Absicherung ...
Der spez. FI muss eine "Allstromsensitive" Ausführung sein
und wenn zwei in Reihe sind dann der vorgeschaltete auch!
Es gibt jetzt Drehstrombrücken die einem die Erstellung der Hardw.
sicherlich erleichtern.
Kurt
@3-Phasen-Man: Leider hast du recht! Dieses Forum ist voll von Laien und wirkliches fachsimpeln ist echt rar geworden. Dieses Forum versaut leider immer mehr..! @Sarah Heimbach: Einen kompletten FU selber bauen? laut_lach Baust du dir einen kompletten 5er BMW auch seber? So richtig hald! ?!?Bis ins letzte Detail? nein? Seltsam... Ich repariere div. FU (HSA&VS) beruflich (also nicht nur Inbetriebnahme, sondern komplette Reparatur!) bei Firma S*****S und habe dadurch sämtliche Schaltpläne vorliegen. Aber glaub mir, selbst wenn ich dir die ca. 30 Seiten A4 für den kleinsten Umrichter geben würde, könntest du damit 100%ig keinen funktionsfähigen Umrichter zusammenbauen! Das Hintergrundwissen (Bauteilanordnung, Bauteileauswahl, Leiterplattendesign und EMV) ist ein Problem, dass zu Hause fast nicht lösbar ist da hierfür teilweise unbezahlbar teures Messequipment benötigt wird! Kauf dir einen gebrauchten FU auf ebay für ca. 75EUR und werd glücklich damit! Selberbauen kannste vergessen! Cu!
@ 3-Phasen-Man und FU-Genie Wenn euch das Forum nicht gefällt, dann haut doch einfach ab. Ich denke, das ist für alle besser... Auf solche Angeben kann man nämlich gut verzichten, die eine Menge scheiße daherlabern, ohne wirklich produktiv zu sein. Es mag schon sein, dass ein Frequenzumrichter nicht einfach zu bauen ist, vor allem wenn man die Drehzahl nicht nur steuern, sondern auch regeln möchte. Auch die EMV Probleme sind keine Kleinigkeit, aber es durchaus möglich einen Frequenzumrichter selbst zu entwickeln und zu bauen !!!
Die Aussage ist richtig von Kurt . > Bei Netzen mit FI ist ein spezieller Fehlerstromschutzschalter > erforderlich, liegt ca bei 550 Euro. Suche mal ein : FI-Schutzschalter für Wechsel- und Gleichfehlerströme zb. ABB F804 S mal sehn ob du was unter 500 Euro bekommst . Die sind für Fu‘s nötig wenn FI erforderlich ist.
Mann nehme einen fertigen FU von Lenze, Siemens, ABB, Hitachi,.... für diese kleine Leistung kostet der ca. 120 - 200 Euronen. Das mit dem FI ist kein zu allgrosses Problem. Mann nehme einen Trenntrafo. Für diese kleine Leistung (pro Phase ca.0,5 A) griegt man die nachgeschmissen (ca 20 - 70 Euro)
Die "Profis" wollten doch nur nicht als Bastler dastehen. Deshalb die Unterstützung von 3-Phasen-Man.Billig!
Hi @All, ich muß Persönlich sagen, beide Seiten verhalten sich nicht ganz OK!! Der eine Fragt nur nach dem Schaltplan, und die andere Seite gibt nur unbrauchbare Infos!! Ich glaube, wenn man sich jetzt mal über Kennlinien von Motore, Messtechnik, Leistungselektronik unterhälllt und diskutiert, währe es noch der richtige weg!? - oder?? liebe Grüße Mike
Vielleicht sollte Sahra die Frage anders stellen!! Ich Weiß bis jetzt - und da will ich hin! - Welche Infos muß ich mir noch aneignen - oder das verstehe ich jetzt nicht!! Liebe Grüße Mike
hi, sarah hat ihre frage doch völlig richtig gestellt. sie möchte einen fu bauen und sucht hier nach weiterführender info. wo ist der fehler? wenn nicht hier fragen, wo denn dann? die tatsache, dass sich hier das richtige leben (bestehend aus bastlern, azubis, etc. bis zu den supergurus) mischt stellt doch kein problem dar, sondern eröffnet für alle, die noch etwas dazulernen wollen, phantastische möglichkeiten. die anderen, die schon alles wissen, tummeln sich hier um a: ihr wissen weiterzugeben oder b: mit erhobenem zeigefinger klugzuscheissern und anderen menschen zu erklären, dass sie - auch wenn sie nach wissen streben - mehr als ein leben erforderlich sei, es zu erlangen. (typus lehrer, besteht aus solchen figuren nicht die halbe regierung? -> siehe erfolg im richtigen leben) es wird immer irgendwelche schlaffis geben, die vor lauter ehrfurcht vor dem, was andere MENSCHEN geschaffen haben, schier verenden und darauf verweisen, dass alles, was die industrie herstellt, lebensfüllende aufgaben sind und industrielles wissen nicht von menschen stammt sondern von überfliegern. irgendwie haben die aber auch mal angefangen, auch wenn leicht der eindruck entstehen mag, die genialität wurde bereits mit der muttermilch eingesogen. leuts, wer fragen hat soll sie doch bitte stellen dürfen - ohne wenn und aber; ohne reglement. oft liest man hier einleitend: mal 'ne dumme frage... eine dumme frage erkennt man daran, dass es keine antwort auf sie geben kann, alle beantwortbaren fragen sind zweckmässig und alles andere als dumm. hinter jeder passenden antwort versteckt sich nämlich ein lernprozess. nur der bringt menschen weiter - egal in welche richtungt, egal aus welcher motivation, egal zu welchem zweck - und der heiligt bekanntlich die mittel. grüssens und ein paar sonnige tage, harry
Hi harry, klar kann man Fragen stellen!! - Aber mein Problem ist auch - wo soll ich jetzt einhacken!?? Was für einen Wechelrichter will Sie denn bauen!? U-Wechselrichter; Puls-Wechselrichter; Dreipunkt-Wechselrichter??? Btw. Pulswechselrichter hat der ICE drinnen!! Vorschlag zur Diskusion!!! U-Wechselrichter mir netzgeführtem Gleichrichter lol da sind die angesprochenen Oberwellen auch nicht so schlimm!! Liebe Grüße Tassilo
hi nochmal, soweit ist das ganze doch noch garnicht gediehen. wir wissen: 370 watts und selbstbau. das grenzt doch schon mal gewaltig ein, trotzdem bin ich sicher, es gibt eine lösung, die beide bedingungen erfüllen kann. ob das am ende ein u-richter oder puls oder sonstwas ist, ist im moment doch noch völlig wurscht. bekannt ist ja auch noch nicht, ob sie eine klein selbstbaugruppe damit antreiben will (reicht wohl ein geringer aufwand, die oberwellenproblematik lässt sich mit simplen mitteln in den griff bekommen) oder das ganze als serienprodukt in konkurenz zum rest der welt vermarkten will (muggeseggele höherer aufwand, mit ce-zeichen wird's dann völlig zur geisterbahn). grüssens, harry
Also ich würde, - wenn ich diese Aufgabe hätte!! 1. Aus den 3Ph eine Gleichspannung machen! 2. Einen Gleichstromsteller (Pulswandler) basteln! = Zwischenkreis 3. Einen U-Wechselrichter nach dem ZW bauen. Jetzt hat man 3 Blöcke über die man reden kann!! Liebe Grüße Tassilo
Also bei Microchip gibt es mehrere ganz gute Application Notes zu dem Thema. http://www.microchip.com/stellent/idcplg?IdcService=SS_GET_PAGE&nodeId=1490&filterID=421 Sind auch Schaltpläne dabei und Erklärungen der grundelegende Probleme und Lösungen.
Hallo, ich wollte mit meiner Frage niemanden verärgern. Ich danke jedem, der sich konstruktiv meinem Problem angenommen hat. @harry: es soll reiner Selbstbau sein. Habe ein Projekt, dass ich realisieren möchte. @Tassilo: folgende Angaben kann ich dir schon mal machen. Und natürlich auch jedem anderen, der Interesse hat. Aus 1er Phase möchte ich eine Gleichspannung machen. Diese im Zwischenkreis puffern und mittels PWM sinusförmige Ausgangsspannung erzeugen. Ich möchte einen U-Umrichter bauen. Die Drehzahl möchte ich nur steuern, nicht regeln. Da habe ich in meinem ersten Beitrag einen Informationsfehler gegeben. Sorry. Danke Sarah Heimbach
Tach auch, wie meine Vorredner schon geschrieben haben kann man so eine Aufgabe ganz schön aufblasen. Besonders wenn es in Richtung Serie geht kann das für einen einzelnen ohne professionelle Ausrüstung zur Lebensaufgabe werden. Wenn es aber im ersten Schritt nur darum geht die Prinzipien zu verstehen und mal was ans Laufen zu bekommen, so ist das denke ich auch im Hobbybereich möglich. Nach meinen Erfahrungen findet man für den Anfang immer recht viel bei den verschiedenen Controllerherstellern wie z.B. Renesas, ST, Texas Motorola und wie sie alle heißen. Atmel hält sich da im Moment soweit ich weis noch etwas zurück. Die Controller sind denke ich nicht unbedingt für die Ansteuerung von Umrichtern gedacht. Wenn ich richtig liege, dann gibt es bei Renesas einige Appnotes sogar mit Code dazu. Hoffe, dass die Quellen Dir ein wenig weiterhelfen. Falls nicht wären ein paar weitere Infos nötig. Viele Grüße, Ralf
@Kurt: Warum sollte man denn eigentlich einen Speziellen FI dazu benutzen, wenn man bei einem FU eigentlich aus einem Gleichspannungsnetz den Strom bezieht. Bekanntlicherweise bringt ein FI hierbei nichts. Oder liege ich hier falsch? Denn einen FU ohne Gleichstromzwischenkreis kenne ich bisher nicht:)
Hi Sarah, halte dich zwar nicht für blöde, - aber der erste große Schritt ist zu wissen ob Du an alle Anschlüsse vom Motor hinkommst!? - Oder anders, kannst Du ihm das Dreieck beibringen dem guten Motor!? Denn bei 400V ist er zu 75% sicherheit im Stern!? Also beim Gleichrichten waren wir ja schon!! Dann würde ich eine Sechspuls-Brückenschaltung aufbauen! Wobei Bei OmegaT/6 = 60° immer zwei Zweige einer Brückenhelfe gleichzeitig stromführend sind! Aber wie gesagt - ich habe jetzt keine fertige Schaltung da - Aber wennst Fragen hast, hälfe ich Dir gerne! Liebe Grüße Tassilo
Ach ja Sarah, - Hihihi Und so gut wir die großen sind wir bastler ja schon lange!!! Bevor du Lötest kannst dir ja mal ne Demo vom Simplorer (Ansoft) ziehen und Modelieren! Liebe Grüße Tassilo
... und wenn Du Dich mit einem 600V Stromschlag ums Leben gebracht hast, legt Dich Tassilo auch gerne 6 Fuss tiefer und mit etwas Glück gewinnst Du posthum den http://www.darwinawards.com/
Hallo @Schoaschi, nagle mich bitte nicht fest! Soweit ich weiss entstehen beim FU-betrieb Gleichstromanteile im Netz (durch Rückwirkung). Das und ev. die Oberwellen und sonstige Verzerrungen verhindern bei einem "Normalen" FI die Fehlerstromerkennung und dadurch die Auslösung. "Denn einen FU ohne Gleichstromzwischenkreis kenne ich bisher nicht:)" Erinnere mich an ein Verfahren welches aus den drei Phasen des Netzes genau die passenden Teile herausschneidet und damit ein neues Drehfeld zusammensetzt (kein Zwischenkreis notwendig). Gruss Kurt
Über die Sache ob FU selber bauen oder nicht möchte ich mich nicht auslassen . Aber über Sache mit dem FI, die hier so nebenbei entstanden ist . 1. Frage trieft das bei @Sarah überhaut zu, ist FI Vorhanden bzw. erforderlich ? Fakt ist (Vorschrift) wenn Geräte die einen Gleichstrom Fehler erzeugen können am FI Betrieben werden muss der FI Gleichfehlerströme tauglich sein . (und ein FU mit Gleichspannung im Zwischenkreis kann einen Gleichstromfehler erzeugen, zB bei einem Defekt) Grund für diese Forderung nach einem Gleichstromfehler tauglichen FI : ein normaler FI wird (kann) durch einen Gleichstrom dauerhaft beschädigt, da der Kern Magnetisiert wird und somit seine Eigenschaften verändert und dann auch bei einem Wechselstrom fehler nicht mehr richtig auslöst . Aber die Problematik mit FI s und Fu s kennt eigentlich jeder der öfters mit Fu s zu tun hat leider zu genüge. Noch mal: wen FI dann einen Gleichfehlerströme tauglich oder gar keiner !!! Das mit dem Trenntrafo scheint mir nur auf den Ersten Blick möglich bzw. Zulässig . Gibt es Fu s die für dem Trenntrafo betrieb zulässig sind ? und das dann ohne Isolationsüberwachung ? In so Fu s sind ja z.B. am Einfang Netzfilter mit Kondensatoren nach Masse, was wen einer einen Schluss hat ? schon ist wieder ein Fehlerstrom möglich . Gut das ganze betrieft jetzt weniger den Privaten bereich, und auch Sarah hilft das nicht weiter, aber ich denke man sollte das nicht so einfach stehen lassen . Ich habe z.B. mal ein FU gesucht der auch für Generatorbetrieb zulässig ist bzw. auch sicher Funktioniert . Bei verschiedenen Herstellern Fehlanzeige keiner wollte sich festlegen oder Garantie übernehmen . Letzte Woche habe ich zwei FU s für 55KW Motoren verbaut (ohne FI),ob es dafür auch einen Trenntrafo gibt :-) ? und was der wohl wiegt ...... Gruss HansHans
@HansHans: Natürlich gibt es einen 55kVA Trenntrafo! Wieso denn nicht? (fällt mir jetzt spontan unser Versuchslabor ein. Dort gibt es ein IT-Netz mit 100kVA-DS-Trenntrafo. Der wiegt aber ein paar Tönnchen und kostet ein paar Kilo-Euro und ist Ölgekühlt.. ;) ) @ich: Ich finde dieses Forum klasse. Aber leider ist es auch Fakt, das der Wissens-Level seit ca. einem Jahr stets bergab geht..! Ausserdem habe ich für dieses Projekt einen Tipp gegeben: Fertig kaufen, weil es als einzelne Person fast unmöglich ist, es sauber zum laufen zu bekommen! Und selbst wenn der dann laufen sollte, frage ich mich wie lange es dauert, bis der Kleinbus mit der großen Antenne auf dem Dach vorbeischaut..! ;) Warum wohl sind etliches an Ingeneuren, Technikern und EMV-Spezialisten nötig, um einen lauffertigen und zulässigen Umrichter zu entwickeln? Und selbst die brauchen teilweise 2-4Jahre VOLLZEIT! [Rüge] Denk mal drüber nach bevor du vorlaut über Personen herziehst, die diese Tätigkeit beruflich täglich ausführen! [/Rüge] Nochwas allgemeines zu FU hinter FI: Etliche Umrichter benötigen zur einwandfreien Funktion ein Erdpotential, auf dem über Kondensatoren die Spikes abgeführt werden. Ebenfalls werden über Kondensatoren die "schwebende Mitte" des Zwischenkreises symmetriert, was ebenfalls Ableitströme verursacht. All diese Entstör- und Symmetrieströme lassen 30mA-FI's allein beim einschalten auslösen! Wir hier im Prüffeld haben folgenden Kompromiss eingegangen, da es dem öfteren Vorkommt, dass ein FI oder LS durchschmorrt: Wir wechseln alle 1/2 Jahre alle FI! Verbaut werden ganz normale, weil billig, aber mit einem Auslösestrom von 300mA! Ciao!
Hi und Hallo, wo steht/stand denn, dass es sich um Netzspannung handelt? Einen Wechselrichter zu bauen, ist doch erstmal nicht soo schwer. Für kleine Leistungen habe ich ja hier und da schonmal unser Projekt hier im Forum gestreut, schuat's euch mal an, vielleicht lässt sich davon was verwenden. http://home.versanet.de/~b-konze/blmc_flea/blmc.htm http://home.versanet.de/~b-konze/blmc_flea/layouts.htm Vile Grüße AxelR.
Sorry, wenn ich hier nichts zum Thema beitrage, aber ich muß einfach was loswerden. Ich finde das Verhalten von 3-Phasen-Man, FU-Genie und **** total arrogant. Jeder fängt mal klein an, und wenn man von allen Dingen gleich die Finger lassen soll, weil man dafür zu einem erlesenen Kreis der Profis dazugehören muß, dann wird man auch nie was dazulernen. Das Forum ist ja gerade dazu da, anderen zu helfen. Wenn ihr das nicht nötig habt, was wollt ihr dann noch hier. Und wenn ihr hier schon andere Leute blöd anmacht, dann habt wenigstens die Eier mit eurem echten Namen zu posten. Gruß
Wie lange ich letztendlich für mein Projekt brauche, dass ist doch egal. Hauptsache es funktioniert irgendwann. Ich will es auch nicht verkaufen, nur viel dabei lernen. Es ist auch nichts, was ich direkt für mein Mechatronik Studium brauche, nur eine freiwillige Arbeit für mich. Deshalb suche ich hier nach Informationen und Ideen. Ich lerne nicht dazu, wenn ich einen Frequenzumrichter kaufe. Und so viel Geld will ich auch nicht ausgeben, ich brauche immerhin 5 Stück. Deshalb danke ich jedem, der mir Infos zu kommen lässt. Sarah Heimbach
es haben ev. nur alle Angst(jemanden etwas zu raten was schlimm enden kann (Ein Zwischenkreis aus 230V~ hat immerhin über 600V DC). Und wen man nicht genau weiss ob der- die-jenige sich der Gefahr bewusst ist, hält man sich auch zurück oder verweist auf die Gefahren und die Komplexität des Vorhabens. Kurt
Wir leben in einer Demokratie. Jeder darf sich umbringen wann und womit immer er will. Das heißt nicht, das niemand die Netzspannung antasten darf. Es heisst, das jemand nur dann mit dem Strom aus dem Netz spielen sollte, wenn er ganz genau weiß was er tut und entsprechende Sicherheitsvorkehrungen getroffen hat. Dann sind Diskusionen wie die um den Fi-Schutzschalter überflüssig. Hier geht es nicht um einen Wettstreit zwischen Profis und Amateuren. Oder gibt es jemanden in diesem Forum, der seine erste Fahrstunde in einem Diabolo gemacht hat? Ehr nicht! Und warum wohl nicht? @Daniel nur 50% der Weltbevölkerung kann mit Eiern aufwarten! Die anderen 50% können sich artikulieren.
>Einen kompletten FU selber bauen? *laut_lach* >Baust du dir einen kompletten 5er BMW auch seber? ...moechtest Du Sarah's Selbstsicherheit erschuettern ? ...das passiert schnell genug sobald die Endstufe 'knallt' Einen PC zu bauen ist wahrscheinlich einfacher als einen FU. PCs haengen sich oefters auf....FUs duerfen das leider nicht! Edi
"Wir leben in einer Demokratie. Jeder darf sich umbringen wann und womit immer er will." Da wird man aber dann hinterher bestraft !! Hallo guten Morgen, wenn am Anfang "FU für 24V Drehstrommotor" gestanden hätte dann wäre ev. die Schaltung schon am laufen. Trotz aller "Freiheitsargumente" ich finde es nicht gut wenn in der Ausbildung mit solchen Hoch-Volt-sachen geaebeitet wird. Wie kann man denn etwas lernen wenn man sich nicht an die Bauteile wagen kann. ((Oder gibt es zu viele Azubis)) Frohe Ostern Kurt
Hi @All, 1.) Ist im Sarah's fall der zwischenkreis nur mit 300V beaufschlagt (Was zum umbringen reicht). 2.) Wenn sie Mechatronik studiert bestimmt nicht ganz blöde was Netzspannung betrift!! 3.) Währe es sicher ein Erfolg für Sie wenn das Ding mal dreht - wenn auch nur ganz langsam! 4.) Über die Normen z.B. DIN EN 55011 kann Sie sich ja später gedanken machen!! 5.) Wird das Projekt beim Einkauf der Bauteie eh sterben!!! Denn die kosten sind weit mehr als 100Euro oder ein einfacher Inverter!! Aber mit allen Problemen die hier auftreten können, ist das ein Projekt wo man sehr viel lernen kann! - Und es muß ja nicht gleich die Leistungsendstufe sein! Mann kann ja mit der Leistungsmessung (Strom, Spannung) beginnen. Hier treten schon sehr große Probleme auf z.B.: Wie Messe ich den Strom??? - Stromzange, Halleffekt, Shunt; Wo liegen die Probleme? - z.B.: dreht mir die Messung (Sensor) die Phase bei höheren Frequenzen (wenn ja wieviel) - Wie groß ist der dynamikbereich??? Wie soll ich Samplen??? - adaptiv (achtung auf schwebungen), synchron, fixed??? Hier können doch jetzt die Profis und die bastler mal diskutieren - ohne sich gleich unter die erde zu bringen (oder an großen spannungen zu fingern)!! - oder?? Liebe Grüße Tassilo
Na ich würde mit einem gaaaaanz großen Blatt Papier anfangen und mir mal das x-Stufige LC-Filter ausrechnen, das mir bei einer Frequnz von 0 - 50 Hz aus einem Rechteck einen Sinus oder zumindest etwas sehr ähnliches macht. Dann würde ich mir die Verlustleistung ausrechnen, die darin entstünde und dann würde ich gleiche Rechnung mit einer Endstufe aus Bipolaren Transistoren machen, sagen wir mit einem 12-BIT DA -Wandler. Wenn Sie den Sinus gut abbildet, hätte sie noch Treppchen von 0,3V + Fehler 0,6V da kann das LC-Sieb etwas magerer ausfallen. Dann könnte ich mir einen Prozessor suchen, mit dem ich meine 6 DA-Wandler anteuere, oder emin Rechteck erzeuge und mir Gedanken darüber machen, wie ich die ganzen Signale auswerte und abfrage, damit mir der Ganze Zauber nicht in Rauch aufgeht. Ich kann mir nicht vorstellen, wie das mit PWM gehen soll, also würde ich diese Lösung verwerfen. Die Idee, die benötigte Spannung aus der 50Hz Netzaplitude zu hacken halte ich auch nicht für realisierbar, weil dann eigentlich nur ganzzahlige Vielfache von 50Hz, also 25, 12,5 usw möglich sind. Vor allem muß man immer die Besonderheiten eines DAM im Hinterkopf behalten. Naja und so weiter. Die Verlustleistung, sowohl bei der LC- Variante als auch bei der Transistorvariante sind natürlich enorm. Ich würde sie mal so auf ca. 120,80 Watt schätzen, wenn man von einem 400W Motor ausgeht.
Hi, habe jetzt mal eine Brücke schematisch aufgebaut, wie sie aussehen könnte!! Diese lässt sich - Ich sage jetzt mal mit einem gepulsten Signal ansteuern (PWM stammte nicht aus meiner Feder). Und so könnte sie aussehen!!! LG Tassilo
Aber ***, - lassen wir die Sache - streit gut sein! Denn der eigentliche Poster trägt ja eh wenig bei zu der ganzen Sache! Und ich will das Teil ja nicht bauen! Liebe Grüße Tassilo
Hallo, hier nun mal ein Schaltplan für einen kleinen Wechselrichter. reicht zum probieren völlig aus. Hat etwa 250W. Was EMV anbelangt, so ist damit allerdings kein Staat zu machen. Das Powermodul ist ein PS21352 von Mitsubishi. Gibt es bei Glyn für etwa 12Euro. Eine Leiterplatte gibt es dazu auch (Euro-Format). Angesteuert wird das ganze von einem Mitsubishi (Renesas) Prozessor M16C/62 (EVA-Board auch von Glyn (ca. 50Euro). tschüß
Hi Harald, super Sache mit den Modulen!! Vielleicht noch eine kurze Erklärung, was bei meiner Brücke anders ist als bei Deiner! - Wenn es mir erlaubt ist?? Bei Deiner Brücke hast Du einen reltiv hohen Oberschwingungsgehalt der Ausgangsgrößen und die Ventilzweige haben mit einer hohen Sperrspannung zu arbeiten. Bei meiner Brücke werden diese Probleme verbessert!! Gell drei Phasen Mann nicht nur Du weiß was das ist!! Liebe Grüße Tassilo P.S.: wollte das von Harald nicht schlecht machen!! Nur alles etwas ausbauen! Da wir ja jetzt zwei konzepte haben!
Warum FI bei einem Wechselrichter ? Bitte Angabe der Vorschrift , wo das steht. Josef
- - >Warum FI bei einem Wechselrichter ? Bitte Angabe der Vorschrift , wo das steht. Der Fu verlangt natürlich kein FI, aber wen die für Betriebsstätte FI Vorschrift ist ,ist es meist unvermeidbar das auch der FU am FI hängt z.B. Schwimmbad , Schlachthaus , Landwirtschaft des weiteren Schreiben auch manche EVU s FI grundsätzlich vor .
Lieber HansHans ! Danke, du hast recht. Aber, wenn du die Vorschriften liest, wirst du sehen, daß zb. in der Landwirtschaft 2 FI's vorgeschrieben sind. Für den Brandschutz ist ein FI mit < 300mA der Klasse S vorgeschrieben. Für den Zusatzschutz ist in sämtlichen Stromkreisen mit STECKDOSEN ein FI mit <= 30mA der Klasse G vorgesehen. Das betrifft also nur Stromkreise mit 230 V Steckdosen !! Der FI mit 300 mA wird durch den Umrichter nicht auslösen. SG Josef
Hallo Tassilo, in normalen Anwendungen ist der wirtschaftliche und einfache Aufbau das wichtigste. Der Oberwellengehalt bei kleinen Leistungen ist nicht das primäre sondern der Preis. Wo ist bei Deinem Konzept die kleinere Spannungsbeanspruchung. Durch die Unsymetrien der Bauelemente ist die Spannungsbeanspruchng der BE nicht anders. Eine Aufwendige Schaltung zur Spannungssysmetrierung macht den Preisunterschied zu BE höherer Spannung wieder zunichte. Ein anderes Killermerkmal zu Deiner Schaltung ist die Verfügbarkeit von Powermodulen in konventioneller Bauform (Six-Pack) in einem weiten Leistungsbereich, die auf Grund ihrer hohen verfügbarkeit preislich nicht zu schlagen sind. Tschüß
Hallo Josef, ich weis nicht ganz worauf du jetzt raus willst . Von dem Auslöse Strom des FI s war nie die rede (30mA 300mA oder sonst was) Es ging nur darum wen FI und FU dann muss es ein Gleichfehlerstrom tauglich sein und die kosten richtig Geld. Welsche Auslösung zu verwenden ist richtet sich danach was die VDE oder Berufgenossenschaft oder auch der Betreiber für die Betriebsstätte vorschreibt . Und das für Baustellen und Landwirtschaft ein FI mit 30mA nur für die 230V Steckdosen erforderlichst das war einmal.... Steckdose ist Steckdose da wird nicht mehr unterscheiden (zumindest nicht bis 32A?) Aber es gibt natürlich den Ausweg: Festanschluss dann braucht man evtl. keinen FI aber wie auch schon gesagt, mansche EVU s schreiben FI grundsätzlich vor (allerdings keine 30mA). Gruß und frohe Ostern HansHans
@****: > Die Verlustleistung, sowohl bei der LC- Variante > als auch bei der Transistorvariante sind natürlich enorm. Bitte um Rechenbeispiel, wo bei einem LC-Filter Verluste auftreten. Und bitte nich mit Kernverlusten kommen. Durch entsprechendes Kernmaterial können diese Verlust (fast) beliebig klein gemacht werden. Und auch nicht mit den Ohmschen Verlusten ankommen. Auch die kann man (fast) beliebig klein machen. > Ich würde sie mal so auf ca. 120,80 Watt schätzen, wenn man von > einem 400W Motor ausgeht. Und bei einem 450W Motor sind's dann grob geschätzt 135,90 Watt, und wenn gerade Vollmond ist, muss man vielleicht 136,7789543 Watt schätzen, oder wie? > Ich kann mir nicht vorstellen, wie das mit PWM gehen soll, also > würde ich diese Lösung verwerfen. Huch, der Experte kann sich nicht vorstellen, wie das mit der PWM bei FU funktionieren soll? Vielleicht so, wie es seit Jahrzehnten in der Leistungselektronik gemacht wird: Gleichrichten, Zerhacken, Induktivität und Filtern?!?! So ein unseriöses, hochnäsiges, besserwisserisches rumgelaber habe ich hier schon lange nicht mehr gelesen, wie es von euch "FU-Experten" kommt.
hallo Sarah seit ca 20 Jahren habe ich mit F-Umrichtern zu tun. Kurz und gut die ganze Entwicklung bis heute. Dein Vorhaben ist bestimmt nicht einfach, aber machbar. Ich würde dir auch vorschlagen einen FU bei ebay zu ersteigern und seine Funktionen erst einmal aus der mess-technischen- Sicht kennen zu lernen. Die Leistungsendstufen beissen sich heute nicht mehr. Also die mußt du nicht mehr bauen (nur benutzen) Mit den Oberwellen, na ja....ein billiger Netzfilter oder Drossel wirkt Wunder. Und lass Dich nicht mit dem FI verrückt machen. Es handelt sich doch nur um ein Experiment...also nichts übertreiben. viele Grüße von Franz
Hi @All @Harald, bei so kleinen Leistungen hast Du natürlich recht was die Brücke betrifft (Preis und einfachheit des Designs)! Bei Bahnen für die Nahverkehr wird allesdings meine Brücke verbaut (da bin ich mir zu 100% sicher)!! @Franz, es geht ja um die Oberwellen die zum Motor gehen!! Vom Netz will ich erstmal noch garnicht reden! - Da es ja um ein Bastelprojekt geht!! Klar kann man mit einem L auch die in den Griff bekommen - das würde ich eh verbauen, da dann der Motor von sich aus leiser wird! @Sarah, Schaue Dir mal den @Michael, das sind ja so große Experten, das sie nichtmal Ihren Namen wissen!! oder Ihre Forschung in den hochtechnischen Firmen ist so geheim, das sie selbst nicht mal wissen was Sie tun!! @Sarah, schaue Dir mal den AT90PWM3 an - der währe vielleicht was für Dein Projekt! Gerade was die Ansteuerung der Brücke betrifft! Für die eingaben des Benutzers kannst ja über i2c oder SPI noch einen zweiten AVR dazuschalten. Liebe Grüße Tassilo
yo, habt doch alle kein plan. geh doch zuhause du alte scheisse !!!
Interessant zu lesen, was ihr alles für Argumente bringt, ein Projekt z.B. für das Studium nicht in Angriff zu nehmen um zu lernen. Ich habe z.B. das Problem: ich finde am Markt keinen Frequenzumricht für einen 0,75Kw Motor, welchen ich mit einem AVR über PWM den Sollwert geben kann. Alle FU werden mit 0...10V oder 4....20mA oder über ein eigenes Datenprotokoll (Lust Antriebstechnik) Sollwert gesteuert. Wenn der Markt etwas nicht bietet, wie soll ich dann das Problem lösen? Ohne Rücksicht auf EMV Konformitäten und CE Anforderungen etc...?
warum sollte denn ein FU ein PWM-Eingangssinal akzeptieren? Die werden für Industriesteuerungen gebaut, und dafür verwendet man Schnittstellen, die dort auch verwendet werden. Wo ist dein Problem, aus einem PWM-Signal ein 0-10V Signal zu machen? Das braucht 1 OP, 3 Widerstände und einen Kondensator. Das würde ich einem FU-Bau eindeutig vorziehen. PS: ich suche auch vergeblich FU mit USB und WLAN, muss man mal bauen, das braucht die Welt.
ist mir bekannt aber dadurch habe ich wieder einen Fehler durch (Widerstands Toleranzen und OPV Fehler etc.) und da potenziert sich. Ich verwende einen FU für meine Schneidewalze. Die Drehzahl der Schneidewalze nehme ichb von der Rotorwelle über einen Incremetalgeber ab und messe die Drehzahl der Walze mit einem Atmel. Errechne ein Drehzahlverhältnis ind will auf meinem Slaveantrieb eine bestimmte Drehzahl haben. Ich habe eine Lösung für dieses Problem schon gefunden. Es funktioniert mit FU's von Lust Antriebstechnik aber diese Lösung ist etwas kostenintensiv und unflexibel, deshalb suche ich eine preiswertere Lösung, welche auch etwas flexibler ist. Leider habe ich nix vergleichbares gesucht. Eine Lösung über ein Bussystem (CANopen, Profibus etc.) ist nicht wirklich eine Lösung. Hat vielleicht jemand einen Ansatz dafür? Wäre sehr dankbar.
Slaveantrieb läßt sich mit den Servostar-Umrichtern von Danaher recht gut machen (die gibts unter anderem Namen auch bei vielen anderen Lieferanten). Das ganze hat alle möglichen Schnittstellen und klappt recht gut. Die neueren Umrichter sind auch gut bezahlbar. @Christian Die Sollwertvorgabe ist doch relativ egal, da normalerweise eine Regelung verwendet werden sollte, um die entsprechende Bewegungsachse zu fahren. @Crazyhorse Umrichter mit nem XPORT verbinden, dann ist zumindest Ethernet dran und mit dem FTDI Kabel auch USB. Gruß Thomas
Gibbet eigentlich nen Pulswechselrichter mit hochdynamischer ansteuerlogik zu kaufen??? Wenn ja wo??? Laut den Unterlagen die mir vorliegen kann ein Pulswechselrichter nahezu jeder frequenz und nahezu jede Spannung ausgeben... Zitat aus meinen Unterlagen: "Der PWR stellt im Fahrbetrieb aus der Zwischenkreisspannung Drehstrom mit Variabler Spannung und Frequenz für die [...] Im Bremsbetrieb richtet er den Bremsstrom zwecks einspeisung in den ZK in Gleichspannung um." Sowas bräuchte ich für ein Projekt was mir in der Birne rumfliegt... MfG hwdoc
Hallo, alle, ich habe diesen Thread mit (Über)Spannung gelesen und bin unabhängig von den Lösungsvorschlägen zu einer Erkenntnis gekommen: Je höher die Arroganz ist, mit denen auf Forumsbeiträge reagiert wird, desto niedriger sind die Kenntnisse der deutschen Rechtschreibung und Ausdrucksweise. Leider merkt man das auch an den gängigen Betriebshandbüchern und Gebrauchsanleitungen, meine Damen und Herren Ingenieure. Da lob' ich mir den Bastler, der seine Ergüsse wenigstens nicht unter's Volk streut... Mit einem schönen Gruß aus Berlin, Jörg
schau ma bei ATMEL: http://www.atmel.com/products/avr/mc/ac.asp da gibts eine "anleitung" (zumindest was die softwareseite und einen teil der theorie angeht!) mfg bs
beim Lesen des Threads kam mir etwas in den Sinn was ich mir schon länger überlegt habe: Ich habe ein Hydraulikaggragat, mit 7.5 KW was für 300 Bar ausgelegt ist. Allerdings brauchte ich nur 150 bar, aber es wäre schön, wenn die Förderleistung etwas höher wäre... Also kam ich auf einen Frequenzumrichter... Bei ebay gehen die Dinger für kleinere Leistungen bis 2KW ja ganz günstig weg, aber die größeren so ab 5kW sind doch recht teuer... Vor einigen Jahren habe ich einen alten FRequenzumrichter mit zermatschter elektonik bekommen und die Leistungsmosfets ausgebaut (70Amp)... Spricht etwas dagegen, einen schwachen FU zu ersteigern und mit den starken Fets nachzurüsten ( natürlic mit entsprechender Kühlung) Entschuldigt wenn die Frage etwas unbedarft klingt, aber Leistungselektronik ist ein neues Gebiet für mich Grüsse
Ich wollte allen hier mal sagen, dass mein (unser, da wir mittlerweile eine Gruppe von 6 Personen sind) funktioniert. Der Programmieraufwand war das schwierigste. Wir haben mit Raumzeigermodulation gearbeitet, es aber geschafft, die Ansteuerung mittels eines 8-Bit Mikrocontrollers zu realisieren. Todzeiten sind auch realisiert. Explodiert ist gar nichts!!! Nur mal so für alle, die meinen nur das teure wäre gut. Wir habe alles selber bezahlt und es ist sehr preiswert geworden. Grüße und noch viel Spass beim "Basteln" und Arbeiten.
Und, stellt ihr den Schaltplan und das Source-file zur verfügung? Oder gibts ein paar Fotos, wo man euer Werk betrachten kann?
Gratulation an Sarah und ihr Team! Cool, dass das Ding jetzt läuft. Im Nachhinein betrachtet sollte jeder der ein Projekt angeht sich nicht an ein Forum wenden, dass offenbar großteils von Schwächköpfen mit Götterkomplex frequentiert wird. Da ich selbst ein nicht ganz Unbedarfter bin, erlaube ich mir festzustellen, dass Überwiegend Mist gelabert wurde. Einem jeden Leistungselektroniker dürften die Krausbirnen aufgestiegen sein! Natürlich waren auch Profis dabei, die man gleich erkannte. Abschließend möchte ich allgemein zur Wissenschaftlichkeit auffordern und diesen schwachbrüstigen Platzhirschen Paroli zu bieten. In diesem Sinne, schönen Grüße vom Institut für Elektrische Antriebe und Leistungselektronik in Linz. Schmidt
Lasst mal ein Foto von dem Teil sehen! :) Würd mich echt interessieren. Hab ihr auch schon EMV-Strahlung gemessen? Gehen noch die Radios im Umkreis, wenn der Umrichter mit voller Power läuft? :) Als nächsten Schritt könnt ihr euch ja mal eine Rückspeiseeinheit vornehmen! ;) Gruß, Techniker
hm, Also als energietechnik-Student im 5.Semester mir 3Jahre Berufserfahrung als E-installateur und Technischem Abitur (Schwerkunkt Elektrotechnik/Informatik) kann ich sagen: 1. Ich habe viel zu viel Freizeit, sonst hätte ich dieses gelaber nicht bis zum (habby) End(e) ausgehalten. 2. Glückwunsch an Sarah und ihr Team. Ich habe mit zwei Studentenkollegen dieses Jahr als Semesterarbeit ein B6C für 1,2kW gebaut, unser einziges Problem war die EMV. Pläne darf ich leider nicht veröffentlichen (eigentum der Hochschule)
Ich freue mich über mich selber ! Habe es geschafft diese ganzen Beiträge bis hierher durchzulesen.... Und ich habe mich gefreut das es die Sarah doch geschafft hat das Ding zu bauen... Und die ganzen Besserwisser vorher - echt zum ablachen. In der ersten Frage hatte doch die junge Frau sehr gut gefragt was sie wollte - die ganzen geschwollenen aber nicht helfenden Antworten dazu, - Wahnsinn ! Ich selber repariere schon ca. 15 Jahre täglich an elektronischen Geräten herum und kann nur sagen - nicht alles was teuer ist = gut! Hab´auch schon viel zusammengelötetetn Schrott gesehen - egeal ob da nun Canon oder Panasonic oder sonst was drauf´stand -oft hat es mich gewundert das es überhaupt funktioniert hat !! Meine These dazu: 1. Oft zu kompliziert entwickelt um eigene Abteilung am Laufen zu halten, es ginge auch einfacher ! 2. möglichst viele Kontakte, Motorchen und Spielerchen einbauen und damit andere verunsichern... Naja - was solls, jedenfalls sage ich: Prima gemacht, Sarah !
Hi, soweit ich verstanden habe ist das ganze nicht für kommerzielle Zwecke und so meine Frage: Was haltet ihr davon das Projekt auf einer Webseite vorzustellen und anderen Leuten zur Verfügung zu stellen. Würde mich gern daran beteiligen. Gruß eGGa
Und was ist nun mit den Dokumenten für den FU? Sarah Heimbach wäre nett sowas mal online zu stellen, Danke!
oh man aws für ein thread ^^ ich habs geschafft ihn durchzulesen freu nachträglich--->glückwunsch an die sahra ^^ aber wie siehts jetze mit der schaltung und den layout aus?? gibbet da etwas?? mfg maik
Hallo Maik, ist zwar nicht die Schaltung von Sarah, aber guggst Du hier: http://www.mikrocontroller.net/articles/Frequenzumrichter_mit_Raumzeigermodulation Axel
Hallo, ich habe diese diskusion durch zufall gefunden. Was mich interessiert ist wie ich zu "FU-Genie" kontakt aufnehmen kann??? Ich habe da was im hinterkopf was nicht altäglich ist und sein wissen über fu´s ist wohl mit das reichhaltigste hier.
Also ich habe den Thread mal nicht zuende gelesen, aber die "Fachleute", die hier "fachsimpeln", die anderen niedermachen und dabei nichtmal der deutschen Sprache in Schriftform maechtig sind (so viele Rechtschreibfehler tun einfach weh ;)), denen sei einmal folgendes gesagt: Ich finde es muss jeder selbst wissen, was er tut. Wenn jemand einen PWM-Stoersender entwirft, sollte man nicht spoettisch drueber herziehen, sondern der Person hilfreiche Tipps ueber Entstoermassnahmen nahelegen. Und der erste BMW wurde auch mal in einer Bastlergarage entwickelt. Genau wie der erste FU. Meine Guete, das Niveau dieses Forum sinkt nicht nur aufgrund der fachlichen Beitraege sondern auch wegen der "sozialen Kompetenz".
Eben, Leichenfledderei ;)) Als mich die Email-Benachrichtigung ereilte, es gäbe einen neuen Beitrag im Thread, kam mir sofort das Wort "Raumzeigermodulation" in den Sinn. Warum wohl? Und tatsächlich: es ist der Thread. das war um 2006. Wir haben 2010/11! Zu jener Zeit war ich noch aktiv mit dabei. Im Moment halte ich mich schlicht zurück. Jeder geht mit dem Tonfall im Forum halt anders um. Interessant jedoch, einmal den herrschenden Ton von 2006 mit dem heutigen zu vergleichen ;)) guten Rutsch Axelr.
Ist das Projekt von Sarah nun gebaut wurden? Ich habe auch Interesse mir ein FU zu bauen. Was ich mir nicht verkneifen kann ist die Flachfeile von ich repariere Teile von S*****s zu sagen, dass er die Leute auch wenn sie Hobbybastler sind nicht unterschätzen sollte. Sie Basteln nicht nur, hier werden richtig gute Projekte erstellt. mfg mario
Bitte melde dich an um einen Beitrag zu schreiben. Anmeldung ist kostenlos und dauert nur eine Minute.
Bestehender Account
Schon ein Account bei Google/GoogleMail? Keine Anmeldung erforderlich!
Mit Google-Account einloggen
Mit Google-Account einloggen
Noch kein Account? Hier anmelden.
