ich habe eine Uhr gebaut, die mit dem Netztakt gesteuert wird (s. Anhang). Der 50Hz-Takt geht auf einen MC-Pin (AT89C4051). Bei mir läuft sie stets ganz genau. Nun habe ich sie verschenkt an jemanden, der auf dem Dach eine Mobilfunkantenne hat. Dort geht die Uhr in der Woche bis zu 30 Minuten vor. Meine Folgerung ist also, dass der Mobilfunk die Uhr beeinflusst. Meine Frage ist, welche Möglichkeiten seht Ihr, die Störungen zu verhindern? Abschirmung fällt flach, weil es eine Kuckucksuhr ist, die naturgemäß eine Öffnung für den Kuckuck und den Lautsprecher braucht (für Interessenten: http://www.sprachmelder.homepage.t-online.de/kuckuck.htm).
Dieter S. schrieb: > Nun habe ich sie verschenkt an jemanden, der auf > dem Dach eine Mobilfunkantenne hat. dann hat er bei sich aber vermutlich weniger stahlung als bei dir, denn die Antennen stahlen nicht nach unten. Vermutlich hat er mehr störungen auf der Netzleitung, du könntest die software so anpassen, das sie nur inerhalb eines Zeitfenstern auf den nulldurchgang wartet.
Blasphemie, das ist doch keine Kuckucksuhr!!!!! Du könntest auch einen analogen Bandpass verwenden, oder einen Tiefpass. mfg, Stefan.
Dieter S. schrieb: > Nun habe ich sie verschenkt an jemanden, der auf > dem Dach eine Mobilfunkantenne hat. Aha. Wenn er vor dem Haus einen Goldfischteich gehabt hätte, wäre das dir dann genauso einer Erwähnung wert gewesen? Nein? Warum dann die Mobilfunk-Basisstation? Guck dir mal die Abstrahlwinkel von Mobilfunkantennen an. Unten drunter ist "tote Hose". Bitte analysiere zuerst mal das Problem, bevor du versuchst, Abhilfe zu schaffen. Oder ersetz' die altertümliche 50-Hz-Mimik gleich durch einen 32768-Hz-Quarz, der kann dann bei Netzausfall auch noch mit Batterie weiterlaufen.
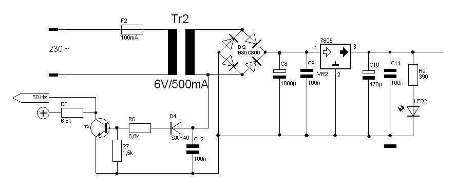
Bei dem Netzteil wird sicher jeder Dreck am Transistor ankommen. Ein VERsuch die Symptome zu lindern, wären 100pF zwischen BE von T2 um ihn zum Miller-Integrator zu machen. Besser wäre das Übel an der Wurzel zu packen. Da sollte ein Oszi nähere Infos liefern ob wirklich übers Netz die Störung kommt oder andere lange Drähte irgendwas empfangen.
was spricht gegen DCF-77? War bei meiner ersten Uhr die ich gebaut (und auch verschenkt! ;-) ) habe ebenfalls drin. Hat sich bewährt!
nicht gast schrieb: > was spricht gegen DCF-77? Sinnvolle Ergänzung, aber nicht so sinnvoll als Grund-Zeitgeber. Je nach Empfangssituation kann man schon mal einen Aussetzer haben, und die 59. Sekunde jeder Minute müsste man ja ohnehin synthetisieren.
Dieter S. schrieb: > Meine Frage ist, welche Möglichkeiten seht Ihr, die Störungen zu > verhindern? Abschirmung fällt flach, weil es eine Kuckucksuhr ist, die > naturgemäß eine Öffnung für den Kuckuck und den Lautsprecher braucht > (für Interessenten: > http://www.sprachmelder.homepage.t-online.de/kuckuck.htm). Ich würde digital filtern - und war so: Du misst die Zeit zwischen den Impulsen über Timer/Capture etc. Wenn der Impuls in einem Zeitfenster von (beispielsweise) +/- 1 ms liegt, dann ist er gültig. Ansonsten wird er verworfen. Damit sind sämtliche Netzschwankungen und Quarzschwankungen problemlos enthalten. Wenn Du willst, kannst Du das noch beliebig ausbauen und beispielsweise mit einer "Trompetenkurve" für das Toleranzfenster in Abhängigkeit von versäumten Impulsen versehen, so dass Du auch problemlos mehrere Impulse "verbummeln" kannst und mehrere Störimpulse auch nahe am Nulldurchgang rausfiltern kannst. Ist zwar ggf. fitzelige ISR-Programmierung, aber nicht weiter schlimm... Gruß, Bernd
Bernd O. schrieb: > Ist zwar ggf. fitzelige ISR-Programmierung, aber nicht weiter schlimm... Habe gerade gelesen, dass BASCOM zum Einsatz kommt, also vielleicht doch schlimm ;-) (Aber: Ich kenne BASCOM zu wenig um abschätzen zu können, ob man das da auch damit gut hinebekommt oder nicht) Gruß, Bernd
vielen Dank für die Antworten (auch für die, für die es keine Frage
gab). Ich werde es zuerst mit dem Tiefpass versuchen, da ja der
geringste Aufwand. Als nächstes käme die Messung der Impulszeit in
Frage, wofür ich noch keine Lösung parat habe. Jetzt löst der 50
Hz-Impuls ein ISR aus (an INT0) für die Sekunden, aber das müsste auch
mit dem Timer gehen, der nur dann den Takt weitergibt, wenn die
Zeitbedingung eingehalten wird.
> was spricht gegen DCF-77?
das funktionierte gut mit LCD-Anzeige, aber mit Mutiplex-LED nicht.
Eventuell ist allerdings das Netzteil zu schwächlich.
Dieter S. schrieb: >> was spricht gegen DCF-77? > das funktionierte gut mit LCD-Anzeige, aber mit Mutiplex-LED nicht. > Eventuell ist allerdings das Netzteil zu schwächlich. Nein. Multiplex ist EMVU-mäßig eine Seuche. Die Taktflanken versauen dir den Empfang in der unmittelbaren Umgebung. (Vorsicht, wenn du das Gerät jetzt verschenken willst: du wirst damit zum "Inverkehr- bringer", d. h. du bist für die Einhaltung der Grenzwerte verantwort- lich.) Abhilfe: den DCF77-Empfänger ein wenig vom Gerät entfernt platzieren.
Estmal: Ein goiles Projekt, RESPEKT Vor Allem die Kukucks-Mechanik, ... ;--)) Da die Störungen bestimmt über die Netzleitung kommen, hast Du es schon mal mit einem anständigen Netzfilter versucht? Vielleicht ist dann Dein Problem verschwunden? hanna.
Hanna P. schrieb: > Estmal: > Ein goiles Projekt, *RESPEKT* > Vor Allem die Kukucks-Mechanik, ... ;--)) Wobei ich beim Thema ISD-Chip an diese VW-Werbung denken muss: "Heyho Mother*er, Heyho Mother*er, ..." - Besser Original-Ersatzteile. Patrick
Bitte melde dich an um einen Beitrag zu schreiben. Anmeldung ist kostenlos und dauert nur eine Minute.
Bestehender Account
Schon ein Account bei Google/GoogleMail? Keine Anmeldung erforderlich!
Mit Google-Account einloggen
Mit Google-Account einloggen
Noch kein Account? Hier anmelden.
