Grüezi Miteinander Gerne möchte ich mir ein Labornetzteil mit Mikrocontroller und Display bauen. Spezifikation: variabel: 0-30 VDC mit 2 A fest: +3.3V, -3.3V +5V, -5V, +12V, -12V, +15V und -15V mit 1 A Nun habe ich mich vorderhändig ein wenig Schlau gemacht und habe vieles zusammengetragen. Nun möchte ich von EUCH wisse ob ihr ein solches Vorgehen bejat bzw. verneint: o Brings ein LM317/LM327? Vorteil: einfach zusammengebaut. Was sind die Nachteile? o Können alte Magazin-Beiträge nachträglich mit Mikrocontroller und Display aufgerüstet werden? - Funkschauheft 12, 1973 - Elektor 12/1982 o Getaktet, linear oder eine kombination? Welches wäre einfacher aufzubauen? Wegen Zeitmangel möchte ich zuerst den Festspannungs-Teil realisieren: o Wenn ich nur einen Transformator gefolgt von 8 Festspannungsregler verbaue, könnte es zu einem riesigen, thermischen Verlust führen, oder sehe ich das Falsch (wie es bei einem anderen Projekt von mir gezeigt hat: Beitrag "Lichtrelais braucht zu viel Strom?"). Wie wäre es dann richtig? o Wie kann ich Negativ-Spannung beziehen? Ich weiss, wie man über zwei Netzteilen Negativ-Spannung beziehen kann: Ground "setzen" (http://bachi.te-clan.ch/elektronik/negativ-spannung.pdf). Aber wie geht das mit Trafos? Besser wäre gerade Schaltpläne zu haben, die ich Nachbauen könnte. Manche Freds sagen ja, es wäre günstiger eins im Laden zu kaufen. In der Schweiz sind ja sau teuer: 280 CHF (215 EUR). Da kann ich mir ja gerade drei basteln... Hintergrund: ich bin Informatik-Student an einer FH in der Schweiz und habe im Nebenfach Elektronik. An der FH stehen mir Hameg-Geräte zur Verfügung (http://bachi.te-clan.ch/elektronik/labornetzgeraet.jpg). Um zu Hause mein Verständnis nach Elektronik zu vervollständigen, möchte ich mir solche Gerätschaften (wenns denn sein muss, auch etwas billigere) bauen. So habe ich mir einen Signalgenerator selbst gebaut (http://bachi.te-clan.ch/elektronik/signalgen.jpg) nach den Anleitungen von: http://www.scienceprog.com/avr-dds-signal-generator-v20/ http://www.electronics-lab.com/projects/test/013/index.html http://www.martin-jacobsen.de/index.php?option=com_content&view=article&id=62:funktionsgenerator&catid=36:projekte&Itemid=55 Um den Signalgenerator betreiben zu können, war eine Spannung +12V und -12V von nöten. Aus früheren durchforstungen des Internets habe ich mich erinnern können, das viele Elektronik-Bastler als eines seiner ersten Projekte ein Labornetzteil selber gemacht oder von einem ATX-Netzteil genommen habt. Meine alten ATX-Netzteile sind leider etwas ungenaue... bei allen Spannungen (+5V, +12V, -12V, etc.). Für die erste Tests waren sie aber ausreichend. Vielen Dank erstmal... Andreas
Andreas Bachmann schrieb: > o Brings ein LM317/LM327? Vorteil: einfach zusammengebaut. Was sind die > Nachteile? Kann halt nicht bis 0 runterregeln ohne Extraaufwand. > o Getaktet, linear oder eine kombination? Welches wäre einfacher > aufzubauen? Du musst wissen, was du willst. Schaltnetzteil -> Hochfrequente Störungen Linear -> Heizung Eine Kombination davon vereint beide Nachteile :-) Übrigends, es gibt hier Unmengen Material/Beiträge zum Thema Selbstbaunetzteil. Einfach mal suchen.
Andreas Bachmann schrieb: > o Brings ein LM317/LM327? Vorteil: einfach zusammengebaut. Was sind die > > Nachteile? Für Deine Festspannungen sicher eine Überlegung wert. Für ein 0-30V regelbares NT dagegen sicher nicht, hier schon zig fach diskutiert. > > o Können alte Magazin-Beiträge nachträglich mit Mikrocontroller und > > Display aufgerüstet werden? > > - Funkschauheft 12, 1973 Ja, da geht es in jedem Fall. Beispiel für "mit Display" hast du gerade per PN erhalten. Kannst Du beliebig weiter aufrüsten, sofern Du Displayfan bist .-) > Übrigends, es gibt hier Unmengen Material/Beiträge zum Thema > Selbstbaunetzteil. Einfach mal suchen. Genau so ist es .-)
Andreas Bachmann schrieb: > Gerne möchte ich mir ein Labornetzteil mit Mikrocontroller und Display > bauen. Da bist Du nicht der Erste. Schau mal ins Archiv. > Spezifikation: > variabel: 0-30 VDC mit 2 A > fest: +3.3V, -3.3V +5V, -5V, +12V, -12V, +15V und -15V mit 1 A > Nun habe ich mich vorderhändig ein wenig Schlau gemacht und habe vieles > zusammengetragen. Nun möchte ich von EUCH wisse ob ihr ein solches > Vorgehen bejat bzw. verneint: > o Brings ein LM317/LM327? Vorteil: einfach zusammengebaut. Was sind die > Nachteile? Diese ICs sind für einstellbare Netzteile eher unngeeignet, da sie die hohe Verlustleistung nicht verarbeiten können. > o Können alte Magazin-Beiträge nachträglich mit Mikrocontroller und > Display aufgerüstet werden? Warum nicht? Praktisch alle haben einen Spannungseingang, wo man einen DA-Wandler anschliessen kann. > - Funkschauheft 12, 1973 > - Elektor 12/1982 Siehe Archiv. > o Getaktet, linear oder eine kombination? Kommt drauf an, was Du machen willst. > Welches wäre einfacher aufzubauen? Ein lineares. :- > Wegen Zeitmangel möchte ich zuerst den Festspannungs-Teil realisieren: > o Wenn ich nur einen Transformator gefolgt von 8 Festspannungsregler > verbaue, könnte es zu einem riesigen, thermischen Verlust führen, oder > sehe ich das Falsch Für die Festspannungen sollte Dein Trafo mehrere Anzapfungen haben. > o Wie kann ich Negativ-Spannung beziehen? "Plus" des Gleichrichters an Masse. > Besser wäre gerade Schaltpläne zu haben, die ich Nachbauen könnte. > Manche Freds sagen ja, es wäre günstiger eins im Laden zu kaufen. In der > Schweiz sind ja sau teuer: 280 CHF (215 EUR). Da kann ich mir ja gerade > drei basteln... Kannst Du es nicht von deutschen Versandhändlern z.B. ELV beziehen? Siehe z.B. hier: Beitrag "ELV Laboretzteil "PPS 5330" Bausatz" > Hintergrund: ich bin Informatik-Student an einer FH in der Schweiz und > habe im Nebenfach Elektronik. An der FH stehen mir Hameg-Geräte zur > Verfügung (http://bachi.te-clan.ch/elektronik/labornetzgeraet.jpg). Um > zu Hause mein Verständnis nach Elektronik zu vervollständigen, möchte > ich mir solche Gerätschaften (wenns denn sein muss, auch etwas > billigere) bauen. Du könntest ja mal mit einem 1,2...20V, 0,5A Netzteil mit einem LM317 drin anfangen. Das reicht vermutlich für 90% Deiner Projekte. Und Du könntest da schon mal Erfahrungen für ein grössertes sammeln. :-) > Um den Signalgenerator betreiben zu können, war eine Spannung +12V und > -12V von nöten. Wenn Du +-Spannungen brauchst, baust Du einfach ein zweites Netzteil nach obigen Muster. :-) Gruss Harald
> Nun habe ich mich vorderhändig ein wenig Schlau gemacht Offenbar nicht. > Brings ein LM317/LM327? Du meinst wohl 337. Er kann jede deiner Festspannungen regeln, (für die meisten tun es aber 78xx'er) aber nicht 0.30V/2A, weil 60 Watt für ihn zu viel sind und er auhc nicht ohne Klimzüge auf 0V herunter kommt (und mit Klimmzügen hätte man besser auf einen anderen gesetzt). Du müsstest erst mal überlegen, ob du 1A gleichzeitig bei 15, 12, 5 und 3.3 V ziehen können möchtest, also in Summe 4A und 72W (positiv und negativ ohne 0-30V) oder nur in der Summe 1A. Falls in Summe, kann das hintereinanderscahalten der Regler Sinn machen, sonst bräuchtest du Trafos mit mehreren (9V~, 18V~, je 3.2A, dazu Wicklung für das 0-30V Teil) Ausgangsspannungen, weil ein 3.3V Regler nicht an 20V Eingangsspannung passt. Für negativ bauchst du sowieso alles erneut. > Besser wäre gerade Schaltpläne zu haben, die ich Nachbauen könnte. http://www.dse-faq.elektronik-kompendium.de/dse-faq.htm#F.9 > Können alte Magazin-Beiträge nachträglich mit Mikrocontroller und > Display aufgerüstet werden? Nicht ohne übermässigen Aufwand, es hat schon seinen Grund, warum uC-steuerbare Netzteile anders gebaut sind. Elektor 5/99 lässt sich digitalisieren, http://www.produktinfo.conrad.com/datenblaetter/500000-524999/512982-sp-01-en-Netzteil_Digi_35_CPU.pdf ist digital. Was wissen Profis? Das: http://www.slack.com/pdf/HP-AN90B.pdf
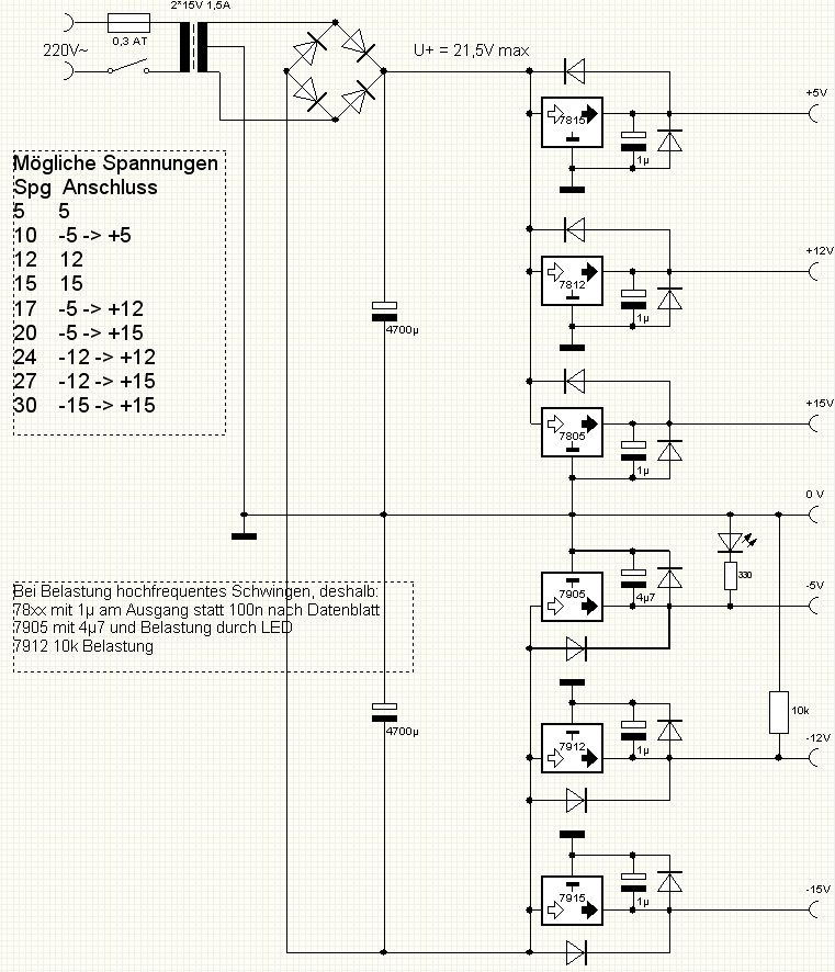
Grüezi Miteinander Von einer alten Modelleisenbahnsteuerung und -versorgung habe ich mir zwei Transformatoren "extrahiert" (siehen Bild). Damit möchte ich den Festspannungs-Teil bauen. Anbei der Schaltplan dazu. Der sieht Ähnlich aus wie die ASCII-Grafik von MaWin's Tutorial über Netzteile... aber nur fast. Darum möchte ich Eure Meinung zu meiner Schaltung (positives wie auch negatives) hören.
> Eure Meinung zu meiner Schaltung (positives wie auch negatives) hören.
Das Problem ist, dass der +5V-Teil und der +12V-Teil aus der gleichen
Trafowicklung gespeist ist. Wenn jetzt die Minusanschlüsse der beide
Ausgangsspannungen verbunden werden - das ist der Normalfall - dann
schliesst du einen Teil der Trafowicklung kurz.
Das Gleiche gilt für die Minusspannungen.
Wenn du einen 2. Trafo hast (den unbenutzten unten in deinem Schema),
dann spendier doch jeder Spannung eine eigene Wicklung.
> Der sieht Ähnlich aus wie die ASCII-Grafik > von MaWin's Tutorial über Netzteile... aber nur fast Leider nein. Viele Fehler. Der 7905 regelt nicht die positive Spannung (siehe Polung der Elkos) 6V~ reichen nach Brückengleichrichter nicht für 7805. Gewisse Verbindungen sind suoptimal. soll heissen, sie führen zum Kurzschluss. 230V AC haben keinen + und - Anschluss. Wenn du mit den vorhandenen Bauteilen +15V, 1+2V, +5V, (0V), -5V, -12V, -15V erzeugen willst, baust du's am Besten so: 1N5402 +--7815---------------+-- +15V | | 100n 13 ----+-----|>|--+-------+---(-7812--------+---(-- +12V | +---|>|--+ | | | 100n | 10 ----(-|-+---|>|--+--+--(---(--(-7805-+---(---(-- +5V | | | +-|>|--+ | 47mF | | | 100n | | 12 -+ | | | | 47mF | | | | | | | +--(-(-(-(---------+--+---+--+--+---+---+---+-- GND 16 -+ | | | | 47mF | | | | | | | | | +-(-|<|--+ | 47mF | | | 100n | | 18 ----(-(---+-|<|--+--+--(---(--(-7905-+---(---(-- +5V +-(---|<|--+ | | | 100n | 15 ------+---|<|--+-------+---(-7912--------+---+-- +12V | | 100n +--7915---------------+-- -15V Allerdings sind Modellbautrafos miest sehr weiche Trafos, es kann vorkommen, daß die Spannung unter Belastung nicht reicht und zuerst die 15V zu brummen anfangen. Allerdings sind die 2x2A selbst mit den 47mF = 47000uF als Siebelko weil blöderweise die Wicklungen gleichsinnig sein werden, also die Elkos nur mit 50Hz geladen werden, etwas schwach um 6 x 1A liefern zu können. Du kannst nur etwa 2.5A insgesamt ziehen.
Ich habe MaWin's ASCII-Grafik mal versucht in meinen Schaltplan zu integrieren (siehe Beilage) Den +15/-15 Teil habe ich noch aussenvorgelassen. Wenn +5V DC ein ~9V AC braucht, wird ein +15V DC sicher mehr als ~15V AC brauchen. Ich hab mir 1N5402 (Umax=200V, I=3A) besorgt, doch die sind irgendwie etwas überdimensioniert für meinen Zweck. Da könnte man doch auch 1N5060 (Umax=400V, I=2A) oder sogar 1N4001 (Umax=50V, I=1A) verwenden, oder? Mit den 47mF habe ich so meine Mühe. Es gibt zwar solch grosse Kapazitäten (Umax=40V, C=47mF), doch sind sie als Student "unerschwinglich": 50 CHF (38 EUR). Ich hab mir kleinere Kapazitäten gekauft (Umax=25V, C=4700uF, 1 CHF). Laut FAQ von MaWin sollten eigentlich 10000uF (= 2 * 4700uF) für 1A reichen... warum plötzlich 47mF?
> warum plötzlich 47mF? Wurde schon erklärt. Es ist zu befürchten, daß dein Trafo nicht 2 gegensinnig gewickelte Wicklungen hat sondern 2 gleichsinnig, und daher die Elkos nur 50 mal pro Sekunde nachlädt und nicht 100 mal, sie müssen also doppelt so lange Zeit überbrücken. Zudem müssen die Elkos 2A und nicht nur 1A aushalten, zumindest als noch der 7815 und 7915 dranhing. 4700uF sind deutlich zu wenig, mit fehlendem 7815/7915 werden 22000uF reichen. Natürlich kann man, wenn Belastungen und exakter Wicklungssinn genauer bekannt sind, mit den Formen genauer nachrechnen: http://www.dse-faq.elektronik-kompendium.de/dse-faq.htm#F.9 Die Methode "ich hab nicht so viel Geld und bekomme daher beim teuersten Laden nur minderwertiges Zeugs" reicht jedenfalls als Begründung nicht.
Ich habe einen Teil (+/- 12V) meines letzten Schaltplans nun auf meinem Steckbrett aufgebaut. Dabei habe ich statt 1N5402 einfach 1N4004 und nur 28000uF Kapazitäten (6 * 4700uF) genommen. Als Last habe ich nur meinen Voltmeter dranngehängt. Bei +12V habe ich 11.5V und bei -12V satte -13.5V gemessen. Gibts bei Festspannungsreglern auch Toleranzen? Bei -12V wären es mehr als 10%! Oder ist das stark Temperaturabhängig? Im Titel dieses Beitrag habe ich zwar gefordert, dass ich 2A Strom brauche. Da ich aber meist Niederstrom-Elektronik teste (OpAmp, Diode, Transistor, Mikrocontroller), würde mir 0.5A oder sogar weniger genügen.
+11,5V ist noch ok, würde ich sagen. -13,5V ist da schon ein wenig heftig! Teste doch mal einen anderen Regler. Gruß
Ich habe aber L7812CV und L7912CV vom Hersteller ST :-P Aber ja, hat genützt! Bei Last (z.B. 270 Ohm oder 1k Ohm Widerstand) hat sich der Regler eingeregelt: +11.90 und -12.00 (oder +11.6 und -11.7 auf einem anderen Multimeter). Kann der Regler auch kaputt gehen ohne Last?
Schau mal bei Elektor - da gibt es massig solcher Projekte ...
Ich habe bei ELV oder Elektor Bausätze gesehen, ja. Werde mal schauen, ob ich mir in Zukunft etwas kaufen bzw. ersteigern soll. Vielen Dank erstmal.
...wenn du die Brocken schon da hast, dann mach doch was draus? Ausserdem hat man beim Selberbasteln auch einen Lern-bzw. Spassfaktor, oder?
Das einzige, was noch fehlt wäre ein Gehäuse. Entweder von der Wertstoffsammelstelle etwas nehmen und modifizieren (von einem alten Computer oder so) oder etwas kaufen, was in der Schweiz sehr teuer werden kann (bei Conrad: 40-80 CHF für ein Plastik-Gehäuse). Werd mich mal umschauen. Wäre auch Dankbar für Hinweise von Läden in der Schweiz, die günstig Gehäuse verkaufen.
Diese ganzen Festspannungsregler haben in einem Labornetzteil nichts zu suchen. IMHO. Das ganze ist wieder so verwurschtelt daß ich wette, daß das Projekt im Sande verläuft, so wie die vorigen hier. Nimm nen LM723, da hast Du wenigstens Hoffnung relativ schnell eine funktionierende Schaltung hinzubekommen.
> Das einzige, was noch fehlt wäre ein Gehäuse. Entweder von der > Wertstoffsammelstelle etwas nehmen und modifizieren (von einem alten > Computer oder so) eben...vielleicht ein SNT-Gehäuse, das sind meine Lieblingsverpackungen! Siehe Bilder. Sag' mal, du bist doch mit deiner Schaltung noch nicht fertig, oder? Denn da fehlt noch einiges an Komponenten, würde ich sagen!
Habe gerade ein sehr einfaches Festspannungsnetzgerät mit 78xx und 79xx gebaut. ± Spannungen braucht man ja sehr oft. Geht bestens bis ca. 1,5A. Ist leider ein Heizgerät, aber ich brauche meistens keine hohen Ströme. Vorsichtshalber habe ich einen CPU-Lüfter eingebaut. Durch Trafo mit Mittelanzapfung gibt es eine gemeinsame Masse.
@P. Niss > Diese ganzen Festspannungsregler haben in einem Labornetzteil nichts > zu suchen. IMHO. Das brauche ich für gewisse Schaltungen. +5 ist da der Normalfall für Mikrocontroller und Konsorte. +12V/-12V brauche ich für meinen Signalgenerator. > Nimm nen LM723, da hast Du wenigstens Hoffnung relativ schnell eine > funktionierende Schaltung hinzubekommen. Gerne möchte ich auch ein linear geregeltes Netzteil. Natürlich! Zu Hause habe ich ein paar LM350T/NOPB rumliegen. Ich habe auch Schaltungen gefunden dazu. Bin mir aber nicht so sicher, ob sie wirklich etwas taugen... @Michael D. >vielleicht ein SNT-Gehäuse, das sind meine Lieblingsverpackungen! Noch nie gesehen... hab kurz gegoogelt und bin immer auf solche Gehäuse so wie Einbau-CD-ROMs für Computer gestossen. So was wie auf Deinem Bild würde mich schon interessieren. Wo bekommt man das? Könnte auch nach Lörrach oder Konstanz gehen, wenns das in der Schweiz nicht gibt bzw. zu teuer wäre. @Hermann > Habe gerade ein sehr einfaches Festspannungsnetzgerät mit 78xx und > 79xx gebaut. Ja, sowas habe ich auch machen wollen bzw. schon teils gemacht. Das Problem ist der Trafo und/oder die Zwischenspeicherung, wenn der Netzstrom alle 50Hz die Last nicht mehr versorgt (nur positive Halbwelle). Leider kann ich auf deiner Grafik nicht so viel erkennen. Ist ein wenig klein geraten.
@Michael D. > Sag' mal, du bist doch mit deiner Schaltung noch nicht fertig, oder? > Denn da fehlt noch einiges an Komponenten, würde ich sagen! Naja... ich habe einen Trafo, Gleichrichterdioden, Festspannungsregler, Kondensatoren, Einbaubuchse, Netzstecker... fehlt nur noch ein Gehäuse, oder?
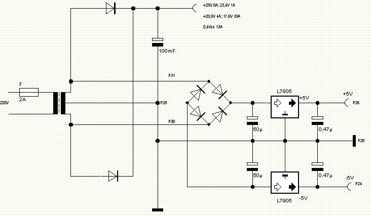
Die angesprochenen Probleme gibt es nicht! zu Trafo: Standardtrafo 2*15V 1,7A Reichelt 10,75€ zu Zwischenspeicherung: das ist eine Vollwellengleichrichtung für positive und negative Spannung!! Bei einem Trafo mit Mittelanzapfung braucht man für jede Spannung nur 2 Dioden! Ohne Mittelanzapfung ist keine ± Spannung mit gemeinsamer Masse möglich. Ein kleiner Nebeneffekt: es lassen sich zusätzlich wie im Bild angegeben alle Spannungen zwischen den positiven und negativen Anschlüssen abgreifen (10, 17, 20, 24, 27, 30V) Das Bild als Ausschnitt jetzt etwas größer.
Jetzt verstehe ich Dein Problem: ich hatte die Verbindung zum Elko der negativen Spannung vergessen. Tschuldigung!
Jetzt ein Vorschlag für Dein Fernziel dem Labornetzgerät: Ich habe gerade eins geplant für 40V bei 4A mit Strombegrenzung, es ist auch als exakte Konstantstromquelle einsetzbar. Es hat 4 Spannungsbereiche und 3 Strombereiche mit Analoganzeige für Spannung und Strom. Es ist so geplant, weil ich ein altes Netzgerät renovieren will. Die Bereiche kann man weglassen, dann wird der Trafo einfacher, so wie im 2. Bild.
Ich habe den falsche Button gedrückt und die 1. Datei gelöscht. Hier kommt sie:
Hallo Hermann, du hast eben mal schnell ein Festspannungsgerät gebaut, lese ich das richtig? Mach doch mal ein paar Fotos von dem Teil... Ich nehme mal an, das du mit SPlan arbeitest? Deine Bauteile sind nicht durch nummeriert...ich nehme mal anm, das der Widerstands-Array am Ausgang(150k) für das Messinstrument ist!?! Analog-Drehspule? Die Dioden sind alle 1N4148? Was ist das denn für ein OPAmp, LM358 ? Ansonsten eine interessante Schaltung. Gruß Michael
@Andreas >> vielleicht ein SNT-Gehäuse, das sind meine Lieblingsverpackungen! > Noch nie gesehen... hab kurz gegoogelt und bin immer auf solche >Gehäuse... Schau mal in deinen PC hinein, denn dort steckt ein solches SNT-Gehäuse! Mir sind einige PC-Netzteile verreckt! Die habe ich ausgeschlachtet und die Gehäuse in Silber lackieren lassen (nur die Deckel). Die Front habe ich mit Säge u. Dremel ausgeschnitten. Als Frontplatte verwende ich meistens eine Aluplatte oder Hartschaum in Weiß, kann man sehr gut bearbeiten. Die Frontplatten mache ich immer grösser, das kommt von der Optik ganz gut.
Ich wollte mal schnell ... hat aber wegen der ungeliebten Gehäuseproblem doch 3 Tage gedauert. Anbei die Fotos. Ja, Splan ist genial einfach. Das Labornetzteil wird noch ein paar Korrekturen erfordern. Die 4-fach-Bereichsumschaltung und Analoganzeige ist wegen Verwendung der vorhandenen Bauteile gewählt. Ein ähnliches Netzteil (20V, 20A) ist seit langem in Betrieb. Es hat keine Spg-Umschaltung und ein DVM für Spg- und Stromanzeige. Das Trafo-Bild kommt von diesem Netzteil (Trafo-Bild und Netzteilschaltung passen nicht ganz zusammen wegen Masse von Strom- und Spg-Sollwert). Ja, die 150k sind für Spg-Anzeige, die Werte sind für das spezielle Instrument angepasst. Die Grundschaltung: PNP-Powertransistor (Low-Drop-Netzteil), kann bis Sättigung durchgeschaltet werden. BD243 liefert den Basis-Strom und wird über 4k7 durchgeschaltet und entweder über zu hohe Spannung oder zu hohen Strom gesperrt. Die Beschaltung der OPs als PDI-Regler muss über Oszillograf an die Gesamtverstärkung angepasst werden, sonst schwingt der Ausgang fürchterlich. Bei Bedarf kann ich noch einfachere Schaltungen ohne OPs liefern, die das Prinzip besser veranschaulichen, nicht so kritisch abzustimmen sind und in zig-facher Ausführung bewährt sind. Wenn es konkret wird, muss man zuerst die Anforderungen klären. Viel Spaß
@Hermann > Anbei die Fotos. Genau sowar habe ich mir auch ausgedacht. Genau so! Das Gehäuse hast du dir selbst gebastelt bzw. von einem Metallhändler so biegen und beschriften können? Was hast das ungefähr gekostet? > Ist leider ein Heizgerät Darum habe dich die Spannungen getrennt: 9V AC -> 5V DC, 16V AC -> 12V DC. Macht aber dann andere Probleme. Vielleicht sollte ich mein Konzept überdenken und 24V AC - GND - 24V AC machen -> Heizung! > Standardtrafo 2*15V 1,7A Reichelt 10,75€ Habe ich nicht gesehen. Gesehen habe ich 'STEU 100/24', 'EI 60/25,5 215' oder 'NT 24VA 2X15'. Doch der erste kostet ca. 30€ und die anderen haben zu wenig Leistung. Wenn ich bei Reichelt bestelle, muss ich für 250€ bestellen: bin Schweizer @Michael D. > Schau mal in deinen PC hinein, denn dort steckt ein solches SNT-Gehäuse! Gerade nachdem ich meinen Beitrag abgesendet habe, sah ich nochmals deine Fotos an. Leider passt mein Trafo nicht in mein PC-Netzteil ;-( Muss mich woanders umsehen.
Andreas Bachmann schrieb: > Wenn ich bei Reichelt bestelle, muss ich für 250€ > bestellen: bin Schweizer Seltsam, das Schweizer da "diskriminiert" werden. Schliesslich gehört Reichelt doch einer schweizer Firma. "Angelika" geniesst derweil Ihren Ruhestand. :-) Gruss Harald
@Harald Wilhelms > Seltsam, das Schweizer da "diskriminiert" werden. Kann sein, weil da noch Zoll und verschiedene Post-Ämter dazwischen sind bzw. wenn ich nur für 20€ kaufe müsste ich ca. 40€ Porto bezahlen ;) > Schliesslich gehört Reichelt doch einer schweizer Firma. Gar nicht gewusst. Muss ich mal nachfragen, warum sie in der Schweiz nicht aktiv werden.
Ah jetzt habe ich verstanden! Reichelt wurde von der Dätwyler Gruppe übernommen. Die Dätwyler Gruppe besitzt auch Distrelec in der Schweiz, von der ich das meiste beziehe, einfach zu einem höheren Preis. Ich weiss, laut meinem Betriebswirtschaftsdozenten (kommt von Ostdeutschland) sind auch Immobilien und Löhne der Mitarbeiter in der Schweiz einen Faktor höher, wodurch die Verkaufspreise auch höher sind. Vielleicht werde ich in der Zukunft in Rheinfelden auf Deutscher Seite Wohnsitz nehmen ;) http://www.daetwyler.ch/Medienmitteilung.267.0.html?&tx_ttnews[tt_news]=109&tx_ttnews[backPid]=268&cHash=9ce8affebf7825e3728fd41d72ae00bf
@Andreas Gehäuse: selbst gebaut, selbst gebogen, 0,00€, war im ersten Leben der Rand eines Gartenpools - so habe ich noch 10m² Alublech das verwendet werden muss. Selbstbau-Abkantbank. Beschriftung: mit Frontdesigner entworfen und auf Klebefolie gedruckt. Trafo: Reichelt EI 66/34,7 215 auf S.92. Es müsste doch überall solche günstigen Standardtrafos geben. Konzept überdenken: 2*24V haben im Leerlauf ca. 28V, das ergibt am Elko 28*Wurzel(2)=40V. Das aber können die Festspannungsregler nicht ab (<35V).
Hermann schrieb: > Ich wollte mal schnell ... hat aber wegen der ungeliebten Gehäuseproblem > doch 3 Tage gedauert. Anbei die Fotos. > Ja, Splan ist genial einfach. > ... Was mir bei der Gestaltung der Frontplatte so auffiel: Irgendwann wirst du wohl mal die doppelte Spannung auf eine deiner Schaltungen jagen ...
So ist das bei jeder Elektronik - man muss schon genau hingucken. Bisher konnte ich ganz gut zwischen + - und Masse unterscheiden. Wenn das mal nicht mehr geht, mache ich was anderes.
@Hermann > Gehäuse: selbst gebaut, selbst gebogen Ich habe von einer alten Modelleisenbahn-Steuerung [mit 6502 Prozessor, immer noch voll funktionstüchtig] nicht nur die Trafos entwendet, sondern benutze das Gehäuse Stück für Stück für andere Zwecke (http://bachi.te-clan.ch/elektronik/modelleisenbahn_steuerung.jpg) Eine Tischkreissäge habe ich schon gemacht (http://bachi.te-clan.ch/elektronik/tischkreissaege_oben.jpg / http://bachi.te-clan.ch/elektronik/tischkreissaege_unten.jpg) nach dem Vorbild von Torsten Kruckenberg's PCB-Cutter (http://www.wdprivat.de/html/pcb-cutter.html) Dort wo die Trafos früher waren (U-Form, unten links im Foto), könnte ich eigentlich ein Gehäuse basteln. Dafür müsste ich Teile der Aussenverschalung schneiden (mit meiner Tischkreissäge oder extern schneiden lassen). Selbstbau-Abkantbank habe ich noch nicht. Wie könnte ich das bauen? ;) > Trafo: Reichelt EI 66/34,7 215 Laut meiner Rechnung 10,75€ -> 14,00 CHF Der gleiche Trafo wird bei Distrelec (Dätwyler Gruppe, die auch Reichelt besitzt) für 27,32 CHF -> 21,20€ angeboten https://www.distrelec.ch/leiterplatten-trafo-50-va-15-vac-2x/block/vcm-50-2-15/352537 Noch Fragen? > Es müsste doch überall solche günstigen Standardtrafos geben. Ich bin gerade am suchen nach gebrauchten Trafos... werde in zwei Tagen mehr dazu sagen. > Beschriftung: mit Frontdesigner entworfen und auf Klebefolie gedruckt. Super Idee. Ich werd in den nächsten Tagen mal zur Papeterie um die Recke gehen. Ich sehe auf den Fotos keine reflexion von einer Folie oder so. Kannst du Fotos von der Verpackung der Klebefolie draufstellen, damit ich in der Papeterie die richtige Klebefolie kaufe?
@Hermann > Konzept überdenken: 2*24V haben im Leerlauf ca. 28V, das ergibt am Elko > 28*Wurzel(2)=40V. Das aber können die Festspannungsregler nicht ab Ich könnte auch 18V oder 15V nehmen. Wie ganz oben im Schaltplan erwähnt ist mein Modellbautrafo 2x(3V + 6V + 15V) [aber nur 2A Ausgangsstrom... für meine Zwecke aber genügend]
Eine bitte: Wenn ihr eure Schaltungen schon mit so viel mühe in formschöne Gehäuse einbaut, dann achtet doch bitte mehr auf Sicherheit. Schließlich habt ihr die Dinger mit unter Jahre lang in Betrieb und da sollte man schon darauf achten, dass es z.B. einen ordentlich angeschlossenen Schutzleiter gibt. Ganz gefährlich finde ich diese Drahtschaukeln quer durchs Gehäuse: Bitte macht den Kram fest und zwar so, dass die Kleinspannungsbereiche geschützt sind. Stabile Trennwände im Gehäuse helfen da auch. Bitte bedenkt, was so ein Gerät über die Jahre alles mit macht, da löst sich schnell mal was...
@Tomo > Ganz gefährlich finde ich diese Drahtschaukeln quer durchs Gehäuse Ist ja ummantelt bzw. isoliert :-D @Hermann Habe gerade bemerkt, das die Grundplatte zur Umschalung passt. Muss nur noch Front- und Back-Platte machen. http://bachi.te-clan.ch/elektronik/gehaeuse_front.jpg http://bachi.te-clan.ch/elektronik/gehaeuse_back.jpg Weiss jemand, ob man kleine Löcher oder Aussparungen von Metallplatten wieder zumachen kann? So wie Mörtel für Metall?
ich habe mir noch mal die alten Beiträge angesehen: @MaWin gleichsinnig gewickelte Trafos?? Jeder Trafo ist gleichsinnig gewickelt, die wickeln doch nicht wieder rückwärts. Man muss halt die Mitte für Masse finden. Dann sollte rechts und links die gleiche Spannung dran stehen bei gleichem Strom (wenn nichts dran steht, gleiche Drahtstärke kontrollieren). Wenn der Trafo05 mit 6*6V in allen Wicklungen die gleiche Drahtstärke hat, kommen da wunderschön 2*18V raus. Beim Trafo03 mit den getrennten Wicklungen muss man nur die Mitte für Masse zusammenschalten. Wenn dann zwischen den Enden 0V gemessen wird, muss man eine Wicklung umdrehen, weil man nicht die Mitte erwischt hat. Der 47mF-Klopfer ist wohl übertrieben. Es ist ja wohl nicht wahrscheinlich, dass alle Ausgänge gleichzeitig unter Volllast stehen. Gehen wir also mal von ± 1A aus. Bei Vollwellengleichrichtung muss der Elko theoretisch für 10ms Strom liefern, praktisch sind es ca. 7 ms, das das Aufladen auch etwas Zeit kostet. Die Formel lautet Q=I*T=C*U. Wie viel Welligkeit wollen wir zulassen? 1,5Vss ist wohl nichts schlimmes. Kommt raus: C=I*T/U=1A*7ms/1,5V = 4,7mF. Genau das habe ich bei meinem Netzgerät nachgemessen. Also ein handliches Teil wie man in meinem Foto sieht. Sind wirklich alle Ausgänge gleichzeitig bei 1A, sind 3*4,7mF= 15mF nötig, oder man nimmt eine höhere Welligkeit in Kauf.
@Hermann
> Jeder Trafo ist gleichsinnig gewickelt
Nachdem ich bei Google Books "transformator gegensinnig" gesucht habe
und auch meine Elektronik-Vorlesung an meiner FH besuche, ist
"gegensinnig" -> 90° Phasenverschoben (sieheh auch Bild)
Soviel weiss ich. Alles andere sollst du MaWin fragen ;)
@Andreas
> Ist ja ummantelt bzw. isoliert :-D
Das hast du ironisch gemeint!?
Es wackelt, schwingt umher, löst sich oder wird auf gescheuert, kommt
mit spannungsfrühenden Teilen in Berührung. Bingo.
Wenn der Schutzleiter mit nur einer Mutter und ohne Kontaktscheiben an
nur einem Gehäuseteil hängt. Evtl. auch noch an der Zugentlastung, die
sich sowieso bewegt, hilft der auch nichts mehr bei einem Gehäuseschuss.
Bingo.
Naja, aber vielleicht hat man ja Glück und es trifft einen nach Jahren
nicht selbst. Und wenn schon: Das überlebt man doch - meistens. Also was
solls schon - selbst AKWs sind nicht sicher! Also sch... auf die paar
Muttern, Kabelbinder, Isolierungen!
@Andreas: Richtig, aber gegensinnig gibt es nur für NF- oder HF-Übertrager, aber doch nicht bei Netztrafos. zu Abkantbank: ist mir etwas peinlich, ist halt Schwermaschinenbau. Siehe Fotos. Der Drehpunkt des Scharniers muss genau in der Kante der Winkeleisen liegen, damit der Knick scharfkantig wird. Für dicke Bleche muss ich die Befestigung noch verstärken. zu Folie: Zweckform Nr 4777 für Laserdrucker. Sie ist matt und glänzt deshalb nicht. Um Kosten zu sparen, schneide ich die Folie erst zurecht und lasse den Ausschnitt auf einem DinA4-Blatt mitlaufen. Man soll sie nicht mehrfach bedrucken, da sie im Drucker heiß wird. @Tom: Ohne Kommentar, weil Du recht hast. Ich brauche mal einen der die Geduld und Zeit aufbringt. Bei 20V muss man sich aber nicht in die Hose machen. Bei 220V passe ich schon auf. Ich schmeiße auch nicht mit den Geräten rum. Mit meinen 100 gebauten Geräten ist noch nichts passiert.
@Hermann > Bei 20V muss man sich aber nicht in die Hose machen. Mache ich nicht, wenn aus 20V nicht schon beim ersten Kabelbruch leicht Netzspannung wird. > Bei 220V passe ich schon auf. Sorry, dass tust du nicht genug, wie die Bilder oben beweisen. > Ich schmeiße auch nicht mit den Geräten rum. Na das wäre ja auch noch gefährlicher, da trifft man am Ende noch jemanden:-) So, sorry für die miesmacherei, ich höre ja schon auf...
hohoho, Hermann: Deine Abkantbank, hat aber auch schon bessere Zeiten gesehen?!? Scheint ziehmlich feucht zu dein, an dem Ort wo diese steht. Ich wäre da schon wieder am schleifen u. lackieren wie ein Blödel... Das Teil tut aber seinen Dienst und das ist die Hauptsache! ... auf die Idee muß man erstmal kommen. Wie war das mit dem Wald und den Bäumen? Gruß Michael
@Tom: Jetzt interessiert es mich doch - ich lerne gerne dazu. Also zu den 220V: die gekonterten Muttern an der Kabelentlastung sind nicht ok - schraube ich also an eine extra Schraube, was muss denn alles dazwischen? Wie komme ich denn zu dem Netzschalter? Draht mit welcher Isolierung? Überall angebunden, der Schalter bleibt dann kritisch (kann man ja drankommen). Das gleiche gilt für Sicherung- und Trafozuführung - bleibt alles zugänglich. Den Deckel habe ich im 220V-Bereich von innen isoliert. Irgentwie bleibt alles etwas unbefriedigend! Haste nicht mal ein Bild für einen Musteraufbau?
@Hermann > Also zu den 220V: die gekonterten Muttern an der Kabelentlastung sind > nicht ok - schraube ich also an eine extra Schraube, was muss denn alles > dazwischen? Schraube durchs Gehäuse; Kontaktscheibe, Kabelschuh, Unterlegscheibe, Mutter, Mutter (selbstsichernde, wenn du magst). Schutzleiter lang genug. Sicherstellen, dass angeschraubte Gehäuseteile sicheren Verbund haben. (Zahnscheiben; Kontaktscheiben; Spannscheiben verwenden oder Schutzleiter an diese Gehäuseteile verteilen) > Wie komme ich denn zu dem Netzschalter? Draht mit welcher Isolierung? > Überall angebunden, der Schalter bleibt dann kritisch (kann man ja > drankommen). Da sollte man bei geschlossenem Gehäuse nicht dran kommen. Wenn du für Fingersicherheit innerhalb des Gehäuses etwas tun willst, ist das löblich. > Das gleiche gilt für Sicherung- und Trafozuführung - bleibt alles > zugänglich. Den Deckel habe ich im 220V-Bereich von innen isoliert. > Irgentwie bleibt alles etwas unbefriedigend! Den Fehlerfall 230V an Gehäuse hast du mit dem Schutzleiter soweit im Griff. Dann sollte es aber möglichst auch ausgeschlossen sein, dass die Kleinspannungsbereiche mit 230V in Berührung kommen. Also das Gehäuse in zwei Bereiche aufteilen (etwa mit Trennwänden oder zusätzlicher Isolierung um die spannungsführenden Teile) und die Leitungen eben so zusammen zu binden und den Strang so befestigen, dass - wenn sich eine Verbindung löst - die Leitung nicht an Teile des anderen Bereiches gelangt. Und zwar so, dass sich auch nach Jahren möglichst nichts lösen kann. Das gilt besonders auch für schwere Bauteile.
> Man muss halt die Mitte für Masse finden. Dann sollte rechts > und links die gleiche Spannung dran stehen Ach Herrmann, dann such sie doch bei diesem Trafo, und wunder dich, bevor zu klug rumredest. > Der 47mF-Klopfer ist wohl übertrieben. Dann bau ihn halt mit weniger auf, wenn du auf die harte Tour lernen willst.
> zu Abkantbank: Siehe Fotos.
Na ja, wenn man schweissen kann, die Profile nichts kosten,
dann kann man so was bauen.
Diese Voraussetzungen sind aber für 99% der Bundesbürger nicht
erfüllt, und zum Preis der Profile im Baumarkt, und der Arbeit
des schweissen-lassens, kann man gleich eine bessere
Abkantkank fertig kaufen.
@Hermann Deine Bilder deiner Festspannungsversorgung haben ja mehr als dein Schaltplan es ausdrückt. Ich sehe da noch eine Sicherung, einen Lüfter, etc. Gibts da einen gesammten Schaltplan für alles? So wie ich das zum jetztigen Zeitpunkt sehe, möchte ich meine zwei Trafos in mein noch nicht ganz vollständiges Gehäuse hineintun. Der eine Trafo wird für Festspannung +/- 5/12/15V und der andere für ZWEI linearen Spannungsquellen (ohne Strombegrenzung oder max. Strom 1.5 A) +/- 3-15V mit digitalem Voltmeter (AVR mit ADC, so wie ich das im Moment sehe). LM350 / LM337 wären einfach aufgebaut für die Regulierung. Warum baust du deine mit diskreter Schaltung auf? Habe Basismaterial/Platinen die ich gerne verwenden möchte für meine Schaltung (Gleichrichter, Kondensator-Netzwerk, Spannungsregler, etc.) Wie breit soll ich die Leiterbahnen machen, oder sind Ströme ab 0.5A (oder 1A) für Leiterbahnen nicht gut und ich soll das mit direktverdrahtung machen?
Die Schaltung war komplett in meinem 1. Beitrag vom 16.4., aber dir waren ja die Details zu unscharf. Es fehlte bei den größeren Ausschnitten nur die Lüfterregelung, die ich hier anhänge. Sie ist mit dem Darlington und der Diode so gewählt, dass der Lüfter erst bei einer höheren Temperatur anläuft und nicht unnötig jault. Fertige Spannungsregler kann man nehmen, wenn die Anforderungen das zulassen. Mich stört folgendes: 1. keine Regelung bis auf 0V 2. kein Low-Drop. Wenn ich die interne Schaltung mit 3 Basis/Emitterübergängen in Reihe für den Ausgangstransistor sehe, ist schon alles klar. Angegeben wird VI-Vo=3V. D.h. 3V*Strom wird zusätzlich verheizt. 3. keine Strombegrenzung geht schon gar nicht. Das würde ich unbedingt empfehlen. Schließlich testet man mit einem Labornetzgerät neue oder defekte Schaltungen. Da sollte man schon mal vorsichtig mit Strombegrenzung ran gehen. Mit 3A bei dem LM350 raucht fast alles ab. Außerdem brauche ich sehr oft einen Konstantstrom, z.B zum Akkuladen. 4. Mir fehlen auch einige Watt. Beim LM350 fehlt die Angabe für das Maximum in meinem Datenblatt, internally limited heißt wohl, er schaltet ab wenn ihm zu warm wird. Irgendwo steht was von 30W (beim LM337 finde ich nichts). 30W ergeben bei deinen 1,5A maximal 20V für Vi-Vo. Das sind meine spontanen Gründe. Wenn das für dich nicht zählt, ist ein integrierter Regler viel einfacher aufzubauen. Aber warum nimmst du ein so ungleiches Pärchen? Zu dem LM337 passt der LM137 (beide 1,5A). Dann weiß ich nicht was der µP leisten soll? Für die Spannungsanzeige habe ich in einem anderen Netzteil ein Einbau-DVM für 6,35€ (wieder Reichelt) mit richtig großen Ziffern genommen. Das zeigt auch wahlweise den Strom an.
Hi, die Bilder hier... Beitrag "Re: Labornetzteil Selbstbau: 0-30 VDC, 2 A" ...als Gehäusebeispiel, sind ein Linearnetzteil mit dem LM350 von "0" bis 25 Volt. Eine Strombegrenzung ist ebenfalls vorhanden von "0" bis 2,5 Ampere. Wie Hermann schon sagt, ohne Stombegrenzung ist das eine riskante Sache mit dem Testen von Schaltungen, ist ein absolutes Muß! Das Netzteil selbst wurde hier im Forum etwas schlecht geredet(habe es vor Kurzem erst endeckt)bin aber vollauf damit zufrieden und wird seit über einem Jahr fast täglich von mir gequält. Ursprünglich war das Teil mit einem LM317 vorgesehen, ich habe den Regler durch den LM350 ersetzt, der hat identische Werte, kann nur mehr Strom abgeben, ohne sich vorher schon zu verabschieden! Gruß Michael
Michael D. schrieb: > Hi, > die Bilder hier... > > Beitrag "Re: Labornetzteil Selbstbau: 0-30 VDC, 2 A" > > ...als Gehäusebeispiel, sind ein Linearnetzteil mit dem LM350 von "0" > bis 25 Volt. Eine Strombegrenzung ist ebenfalls vorhanden von "0" bis > 2,5 Ampere. Dann brauchst Du aber ein "unendlich grosses" Kühlblech, welches in einer Umgebung mit nicht mehr als 25° steht. Gruss Harald
Moin, > Dann brauchst Du aber ein "unendlich grosses" Kühlblech, welches > in einer Umgebung mit nicht mehr als 25° steht. Nicht unbedingt, wie man auf den Fotos sehen kann, ist ein 80er Lüfter mit Tempreglung verbaut, der haut Einiges weg! Der Regler geht bei Kurzschluss auf 0V. Der Strom allerdings fliest, je nach dem, wie die Bregrenzung eingestellt ist. Wenn die Strombegrenzung auf Linksanschlag gestellt ist, rennen noch 56mA durch, das ist zu verkraften und die Temperatur hält sich in Grenzen. Das "Gerätchen" ist halt sehr kompakt und man kann es überall mit hin nehmen, ohne sich einen abzuschleppen! Ein richtiges Labornetzgerät, sieht natürlich anders aus. Da sollte bei Kurzschluss der Strom komplett abgeschaltet werden, auch wenn die Regelung auf maximal steht. Ein solches Teil besitze ich auch, ist komplett diskret aufgebaut. Bei Interesse können wir es ja mal hier zerpflücken!? Gruß Michael
Michael D. schrieb: > Wenn die Strombegrenzung auf Linksanschlag gestellt > > ist, rennen noch 56mA durch, das ist zu verkraften und die Temperatur > > hält sich in Grenzen. Lustig. Klar bei 1,5W Pv hält sich die Temperatur in Grenzen. Harald meinte wohl eher den Fall: Regelung auf 2,5A, Kurzschluß am Ausgang. Dann dürften so ca. 75W abzuführen sein. Und da wird es eng mit den Specs.
moin Andrew, und stimmt, dann wird's eng! Ich habe es mal drauf ankommen lassen, so für 3 Minuten. Der Lüfter ist gerannt wie der Teufel, allerdings floss ein Strom weit über 2,5A. Danach ist aber noch eine Automatiksicherung an der Sekundärwicklung(3A) geschaltet, die macht dann dicht, bevor der Regler seinen Dienst aufgibt. Gruß Michael
Michael D. schrieb: > Moin, > >> Dann brauchst Du aber ein "unendlich grosses" Kühlblech, welches >> in einer Umgebung mit nicht mehr als 25° steht. > > Nicht unbedingt, wie man auf den Fotos sehen kann, ist ein 80er Lüfter > mit Tempreglung verbaut, der haut Einiges weg! Der Regler geht bei > Kurzschluss auf 0V. Bei 2,5A und Ausgangsspannungen nahe 0V reicht auch das nicht. Das ist ja gerade das Problem bei integrierten Reglern: Du kriegst die Verlustleistung nicht weg. Mit mehreren diskreten Ausgangstransistoren ist das dagegen überhaupt kein Problem. Gruss Harald PS: Interessanterweise hat speziell der LM150 wirklich eine ziemlich hohe zulässige Verlustleistung. Andere integrierte Regler liegen da deutlich drunter.
evtl. hilft dir das weiter? Ua 0-25V und bis 2A sowie Einstellung Strombegrenzung.
Bitte melde dich an um einen Beitrag zu schreiben. Anmeldung ist kostenlos und dauert nur eine Minute.
Bestehender Account
Schon ein Account bei Google/GoogleMail? Keine Anmeldung erforderlich!
Mit Google-Account einloggen
Mit Google-Account einloggen
Noch kein Account? Hier anmelden.

















