Forum: Mikrocontroller und Digitale Elektronik Lima Regler selbst bauen 13,8 V z.b.


von Michael Haussmann (Gast)


Lesenswert?

Hallo,

hier mal eine Auflistung:

Auto Lichmaschine (Leistung max, 200 Ampere) im Fahrzeug verbaut.
Auto ist ein Diesel mit ner Standheizung, deswegen die Große LIMA!

Kurzstrecke wunderbar aber Langstrecke schlecht, da die Lichtmaschine 
einfach schlecht reguliert ist und mit Ihrem Maximum den Akku versucht 
zu zwingen auf 16,2 V zu gehen, was bei ner Serien Lichtmaschine nicht 
so schlimm ist, aber bei der Leistung wirklich heftig im Batterieleben 
und im Brennstoffverbrauch zu bemerken ist, da die Lichtmaschine wie 
eine Bremse auf den Motor wirkt.

Test's mit einem Powercap an der LIMA und Ein abnehmbares Pluskabel zum 
Akku haben ergeben, wenn ich den Akku nur ab und zu Lade wenn der 
richtig Down ist, dann habe ich eine etwa 1 1/3 längere Strecke mit dem 
selben Fahrzeug zurückgelegt.
Da die Bremswirkung beim Test nicht immer vorhanden war, zumindest nur 
Teilweise, weil der Interne Regler der Lima den Powercap auf 16,2 V 
hochgeladen hatte.


Mein Ziel ist es die Lichtmaschine also Erregerspule, Stufenlos zu 
Regulieren, also je mehr an z.b. 13,8 V (eventuell etwas mehr?) desto 
weniger Erregerspannung (bis null herunter), aber mir am Wichtigsten ist 
Stufenlos nicht aus/ein/aus/ein wie das ein normaler Regler so 
veranstaltet, also nicht zerhackt sondern weicher reguliert auf eine 
Feineinstellbare Spannung.

Mein Großes Problem ist wie mache ich das nur ???
Ein Transistor würde ja nur bei schaltungen die mir einfallen mehr 
aufdrehen je mehr Akkuspannung, aber ich benötige das Gegenteil, und so 
Reich das ich mir so nen Sterling regler kaufen könnte den man 
feineinstellen kann, bin ich auch nicht, also muss es etwas sein was man 
mit normalen Mitteln noch bauen könnte?

Hat vieleicht von Euch einer eine Idee wie ich die SPannungsregulierung 
der Erregerspule realisieren kann?

Im Vorraus schon einmal vielen Dank.

von U.R. Schmitt (Gast)


Lesenswert?

Michael Haussmann schrieb:
> in Transistor würde ja nur bei schaltungen die mir einfallen mehr
> aufdrehen je mehr Akkuspannung, aber ich benötige das Gegenteil,

Ohne dir nahetreten zu wollen. Bei deiner Kenntnis ist das ein ziemlich 
aussichtsloses Unterfangen. Außerdem regelt der 'Regler' die 
Ausgangsspannung relativ genau auf die Ladesschlußspannung der Batterie.
man müsste mal prüfen wie und womit du gemessen hast, die Werte kann ich 
so nicht ganz glauben.
Ausser du hättest einen alten MAN oder Uralt VW mit Gleichstrom-LiMa und 
3Element-2Kontakt-Knickregler (Die Dinger hießen wirklich so :-))

Mein Vorschlag an dich, such dir einen guten Boschdienst und lass dort 
mal die Lichtmaschine mit Regler prüfen.

von MaWin (Gast)


Lesenswert?

Es gibt Regler für unterschiedliche Spannungen.
kauf einfach den richtigen,
aber einen für 16.2V, den gibt es nicht
http://www.luk-autoteile.de/pdf-katalog/KAP_18_INTERNET.pdf
Allerdings haben alle Regler absichtlich eine temperaturabhängigkeit
der Ladespannung. Bei sehr sehr niedrigen Temperaturen könnte da
auch auf 16.2 hochgeregelt werden. Allerdings messen auch
viele Multimeter nicht so supergenau.

> aber mir am Wichtigsten ist Stufenlos nicht aus/ein/aus/ein
> wie das ein normaler Regler so veranstaltet,

Wann bist du aufgestanden, damals, als der Käfer noch neu war ?

von Michael Haussmann (Gast)


Lesenswert?

Es war mein Voller ernst, die Regler schalten nur, sieht man auch bei 
Leerlauf und niedrigen Drehzahlen an der Beleuchtung die Flackert 
nämlich, okay vieleicht ist es auch nur wegen der großen Leistung des 
Generators der Fall, hat niemand ne Idee wie ich das Erregerfeld 
Spannungsabhängig steuern kann?
Damit wäre mir sehr geholfen, möchte einfach ohne viele dumme Fragen 14 
V und mehr verhindern da das bei meinem Generator der eigentlich ja 
Super in der Leistung ist aber halt nur bei Kurzstrecke, und bei 
Langstrecken sehr nachteilhaft auf Akku und Brennstoffverbrauch wirkt.

Es muss ja nicht sehr umfangreich sein, so ne Schaltung in der ich über 
nen Spinndeltrimmer die Feineinstellung am Lebenden Patienten 
durchführen könnte, ich meine das obere Ende der Ladung feineinstellen 
damit, so wie das System dann am besten auflädt und am wenigsten 
belastet, so ne art Mittelding zwischen Ladung bis zur vergasung und zu 
wenig Ladung.

Ihr habt das schon erkannt hab so mein Problem mir die Schaltung 
vorzustellen, weiß zwar was die machen soll aber wie ist so etwas in 
etwa aufgebaut, rein vom schema her, damit ich ne Vorstellung habe und 
anhand Datenbläter und so weiter die Bauteile aussuchen könnte, um die 
Schaltung zu Realisieren?

In den Katalog hab ich mal reingeschaut das niedrigste sind 14 V das 
steht auch auf meinem, aber genaueres nachlesen haben eine SPannung von 
angeblichen 14,45 V ergeben auf den Reglern selbst steht meistens nur 
die Spannung ohne nachkommastellen drauf wenn man einen Bestellt und 
geliefert bekommt, hab noch keinen gesehen auf dem 14,0 V oder gar 14,2 
V steht oder so.

Würde gerne etwas unter 14 V mit der Regelung bleiben halt Regelbar so 
das man von z.b. 13,7 V bis 14,0 V regulieren kann also die obergrenze 
einstellen kann, und vorallem so wie ein Dimmer das ganze Stufenlos 
steuern ohne diese ich nenne es mal Peaks die das Licht flackern lassen 
und in manchen Gerätschaften für Pfeifen sorgen da der Akku diese 
schnellen Spitzen nicht komplett wegbügeln kann.

Das netz gibt nur sehr merkwürdige schaltungen her mit zum Teil sehr 
schwer beschaffbaren Transistoren, und es gibt nicht viele Schaltbilder, 
außer ich  mche etwas bei meiner schon lange andauernden Suche Falsch?

von Michael Haussmann (Gast)


Lesenswert?

Achso gemessen mit verschiedenen Multimetern und einem Akku Tester, so 
einen von Argus der aus ner Besseren Zeit stammt, heuel!
Und einem Fluke Digioszi einem normalen Voltkraft Multimeter und einem 
Billigen Baumarkt Multimeter für einen 10ner, aber da waren sich alle 
einig, Spannung sehr überhöht, auch ein Akku hatte die Maschine bereits 
auf dem Gewissen, dessen bin ich mir Sicher, komische Geschichte mir ist 
erst letzte Woche mein Gehirn angesprungen als ich Starthilfe gegeben 
hatte und nachgemessen hatte wie voll der Akku des anderen Wagens 
bereits war, da sah ich das der Akku nicht voll genug war, aber was mein 
Bordnetz für Spannungen aufzeigte jagte mir echt Angst ein, das waren 
die 16,2 V mit meinem Akku im Bordnetz der der SPannung nach 
Hoffnungslos überladen war, auch suchte ich schon nach der Ursache für 
meinen Verbrauch von Diesel, hatte auch ein Leck in verdacht, aber Kraft 
fehlt meinem wagen auch etwas meine ich, und das versuchsweise abklemmen 
des Generators bestätigte wohin die PS und der Spritt verschwinden.

Sorry träume von ner sanften regulierung des Generators, ich meine nach 
oben hin schön auslaufend.
LG

von Klaus D. (kolisson)


Lesenswert?

Ich hatte ganz früher mal nen VW Kübel und hatte ein Funkgerät
drinne. Da die Lima aber ein Pfeifen im Funk erzeugte hatte
ich für den Erregerkreis ein Relais eingebaut welches vom Innenraum
durch einen Schalter betätigte.
Ich konnte also meine Lima abschalten wenn ich funken wollte

Klaus

von Anja (Gast)


Lesenswert?

Michael Haussmann schrieb:
> Hat vieleicht von Euch einer eine Idee wie ich die SPannungsregulierung
> der Erregerspule realisieren kann?

Hallo,

bei 16,2 V ist irgend ein Defekt vorhanden.
der normale Temperaturkoeffizient liegt je nach Hersteller und 
Batterietyp bei ca -3 .. -5 mV/Zelle. Bei 25 Grad gelten etwa die 13,8V 
ladeschlußspannung. 16,2V entsprechen also irgend was um die -75 Grad.

-> Ich würde die Lima erst mal reparieren/prüfen lassen. Eventuell ist 
ja auch nur die Reglerleitung auf Masse kurzgeschlossen.

Gruß Anja

von RainerK (Gast)


Lesenswert?

Anja schrieb:
> Bei 25 Grad gelten etwa die 13,8V ladeschlußspannung.

Das habe ich aber anders in Erinnerung:
13,8V Erhaltungsladung + Parallelbetrieb
14,4V Ladeschlußspannung

Es grüßt RainerK

von Thomas F. (thf)


Lesenswert?

>>Es war mein Voller ernst, die Regler schalten nur,

Nein, auf keinen Fall.
Wenn das bei Deinem so ist, dann ist er kaputt.

von Thomas F. (thf)


Lesenswert?

Guck mal hier, vielleicht ist das was für Dich:
http://www.solarlink.de/limaladeregler.htm

Nicht das ich das empfehlen würde, m. M. nach ist ein normaler 
(funktionierender) Laderegler gut genug. Aber wenn Du was besonderes 
brauchst wäre das vielleicht was.

von Micha H. (mlh) Benutzerseite


Lesenswert?

Michael Haussmann schrieb:
> Hat vieleicht von Euch einer eine Idee wie ich die SPannungsregulierung
> der Erregerspule realisieren kann?

Gehe zu Bosch oder zum Onlinehändler des geringsten Misstrauens und 
kaufe Dir einen neuen Regler für Deine LiMa. Der alte ist nämlich 
kaputt, das ist eindeutig.
Einen Selbstbau kriegst Du niemals so hin wie Du das brauchst, und das 
beschränkt sich nicht nur aufs elektrische, sondern auch auf 
Umweltbeständigkeit (Hitze, Kälte, Spritzwasser, Salz), 
Temperaturkompensation und Kontaktsicherheit. All das bringt der 
serienmäßige Regler für die LiMa nämlich mit. Außerdem wirst Du 
feststellen daß Du am Ende genauso viel bezahlt hast, aber Wochen oder 
Monate mit dem Bau und der Anpassung beschäftigt warst, sowie mit der 
Informationsbeschaffung, was alles an Know-How in so einem Regler 
steckt.
Um´s nochmal zu sagen, der alte Regler ist total im Mors, 16,2V 
Ladespannung ist nämlich total außerhalb jeder Toleranzgrenze.

von Michael (Gast)


Lesenswert?

> Test's mit einem Powercap an der LIMA und Ein abnehmbares Pluskabel zum
> Akku haben ergeben, wenn ich den Akku nur ab und zu Lade wenn der
> richtig Down ist, dann habe ich eine etwa 1 1/3 längere Strecke mit dem
> selben Fahrzeug zurückgelegt.
> Da die Bremswirkung beim Test nicht immer vorhanden war, zumindest nur
> Teilweise, weil der Interne Regler der Lima den Powercap auf 16,2 V
> hochgeladen hatte.

TROLL

Zudem: Einen Haufen messgeräte zuhause (inklusive OSZI und 
Batterietester) aber keine Ahnung von Elektronik?

Leute lasst euch nicht veräppeln dem TE ist einfach nur langweilig 
vermutlich ;-)

von Michael Haussmann (Gast)


Lesenswert?

Hallo,
schade eigentlich wollte eigentlich Temperatur und den Rest ignorieren 
und einfach nen Externen Regler Bauen der am Akku misst und da dann auf 
die EInstellbare Spannung reguliert, der Link zu dem Externen Regler von 
Sterling klingt gut aber der Preis ist auch Brandheiß, okay hätte ich 
vermutlich mit Spritt und Akkukosten da meiner inzwischen auserhalb der 
Garantie ist schnell wieder drinn aber hmmm ja 170 Euronen oder 117 sind 
nicht gerade wenig, normale Regler kosten auch ganz schön viel als 
Ersatz, hab mal beim Händler des Vertrauens angerufen, die melden sich 
nacher angeblich, hab ne Anfrage nach nem Regler gestellt der unterhalb 
von 14 V liegt, mal schaun was rauskommt?
LG

von Jan S. (jan_s)


Lesenswert?

Michael Haussmann schrieb:
> wollte eigentlich Temperatur und den Rest ignorieren
> und einfach nen Externen Regler Bauen der am Akku misst und da dann auf
> die EInstellbare Spannung reguliert

Deine Scheinwerfer-Lampen werden Dir auch die Reparatur deines, 
offensichtlich defekten, Reglers danken. ;-)

von Erich (Gast)


Lesenswert?

>>Es war mein Voller ernst

HAAAAAAAAAAAAAAAAAAAAAAAAAAAAAAAAAAAAAAAAAA  !

Erwischt.

Heute ist der 1. April

von Harald Wilhelms (Gast)


Lesenswert?

Michael Haussmann schrieb:
> Es war mein Voller ernst, die Regler schalten nur, sieht man auch bei
> Leerlauf und niedrigen Drehzahlen an der Beleuchtung die Flackert
> nämlich,

Dann ist Dein Regler defekt und Du musst ihn austauschen.

> hat niemand ne Idee wie ich das Erregerfeld Spannungsabhängig
> steuern kann?

Natürlich ist das grundsätzlich kein Problem. Die Schaltung sieht
im Prinzip genauso aus, wie ein normales Regelnetzteil. Nur das
die zu regelnde Spannung von der Batterie abgenommen wird. Solche
Schaltungen wurden z.B. vor vielen Jahren in den Siemens-Schalt-
beispielen veröffentlicht. Etwas komplizierter wird die Schaltung
durch die temperaturabhängige Regelung.

> Damit wäre mir sehr geholfen, möchte einfach ohne viele dumme Fragen 14
> V und mehr verhindern

Mit 14V wird der Akku nie voll; die typische Ladespannung beträgt
14,4V

> bei Langstrecken sehr nachteilhaft auf Brennstoffverbrauch wirkt.

Das wirkt sich kaum aus, wenn der Akku erst einmal voll ist.

> Es muss ja nicht sehr umfangreich sein, so ne Schaltung in der ich über
> nen Spinndeltrimmer die Feineinstellung am Lebenden Patienten
> durchführen könnte,

Hast Du denn einen passenden Prüfstand, wo Du Deine Regelschaltung
bei verschiedenen Drehzahlen und Temperaturen richtig einstellen
kannst? Hoffentlich hast Du wenigstens einige Grundkenntnisse
in Regelungstechnik?

> Ihr habt das schon erkannt hab so mein Problem mir die Schaltung
> vorzustellen, weiß zwar was die machen soll aber wie ist so etwas in
> etwa aufgebaut, rein vom schema her, damit ich ne Vorstellung habe und
> anhand Datenbläter und so weiter die Bauteile aussuchen könnte, um die
> Schaltung zu Realisieren?

s.o.

> In den Katalog hab ich mal reingeschaut das niedrigste sind 14 V das
> steht auch auf meinem, aber genaueres nachlesen haben eine SPannung von
> angeblichen 14,45 V ergeben auf den Reglern selbst steht meistens nur
> die Spannung ohne nachkommastellen drauf wenn man einen Bestellt und
> geliefert bekommt, hab noch keinen gesehen auf dem 14,0 V oder gar 14,2
> V steht oder so.

Ja, weil damit die Batterie nicht voll wird.

> Das netz gibt nur sehr merkwürdige schaltungen her mit zum Teil sehr
> schwer beschaffbaren Transistoren, und es gibt nicht viele Schaltbilder,
> außer ich  mche etwas bei meiner schon lange andauernden Suche Falsch?

Es gibt durchaus im Netz alternative Regler zu kaufen, da manchmal
schon mitb zu hohen Spannungen ngeladen wird. (Es handelt sich hier
allerdings nur um wenige Zehntel Volt) Diese haben z.B. einen
externen Temperaturfühler, der nicht an der Lichtmaschine, sondern
direkt an der Batterie sitzt.
Gruss
Harald

von MaWin (Gast)


Lesenswert?

> sieht man auch bei Leerlauf und niedrigen Drehzahlen an der
> Beleuchtung die Flackert
> schade eigentlich wollte eigentlich Temperatur und den Rest
> ignorieren

Definitiv: TROLL.

So blöd kann ein Einzelner nicht mal aus Versehen sein.

von Michael Haussmann (Gast)


Lesenswert?

Vergest's halt wieder mach halt weiter wie bisher also Haube auf Akku 
abklemmen, also Lima Lädt Powercap und fertig wenn SPannung zu niedrig 
anhalten haube auf une Akku wieder drann, mehr kann ich mir halt gerade 
nicht erlauben und ja ich bin ein Troll und gut.

von Harald Wilhelms (Gast)


Lesenswert?

Michael Haussmann schrieb:
> Vergest's halt wieder mach halt weiter wie bisher also Haube auf Akku
> abklemmen, also Lima Lädt Powercap und fertig wenn SPannung zu niedrig
> anhalten haube auf une Akku wieder drann, mehr kann ich mir halt gerade
> nicht erlauben und ja ich bin ein Troll und gut.

Tja, normale Menschen lassen Ihr Auto reparieren, wenn es defekt
ist. Eine solche Reparatur ist wahrscheinlich auch billiger als
ein Powercap.
Gruss
Harald

von Michael Haussmann (Gast)


Lesenswert?

Der Troll hatte einen im Keller liegen!
Zum Testen gerade recht!
Und Normale Menschen geben auch tonnenweise Kohle für Werkstätten aus 
oder Lassen Sich Heizung und Steuerungen und Mist aufschwatzen, na und 
das macht der Troll selbst genau wie das Auto auch und den Motor auch, 
und Malerei auch und PC Mist auch, und warum weil ich ein Troll bin na 
und!

von Jan S. (jan_s)


Lesenswert?

Ein Troll ignoriert aber vor allem Aussagen wie "Deine Lima/Regler ist 
defekt, lass sie reparieren" und "Ein Selbstbau ist nicht unter dem 
Preis eins z.B. Sterling Reglers möglich." und nervt die Forengemeinde 
fleissig weiter mit sinnlosem Gelaber über Powercaps und diverse 
Messungen und Realitätsignoranz.

von Michael Haussmann (Gast)


Lesenswert?

Löscht bitte den Ganzen scheiß mal einer danke

von Helmut (Gast)


Lesenswert?

Ach du liebe Güte, was geht denn hier ab?

Leute, ist das einzige was manche hier können, jemanden als Troll 
bezeichnen?
Argumente, man sollte sich als verständlichen Gründen einen neuen Regler 
kaufen, diese wären optimiert usw, wurden hier eingebracht.

Wenn ich solche Argumente lese, bekomme ich Magenschmerzen.
Es mag vielleicht als nicht zulässige Analogie bezeichnet werden, wenn 
ich analog zu diesem Problem auf Regler in der Heizungstechnik verweise, 
die eigentlich keine Regler, sondern Steuerungen sind.

Jeder hier dürfte wissen oder mindestens ahnen, dass die Hersteller von 
Heizungsreglern bzw Kesselanlagen überdimensionieren. Damit garantieren 
wollen, dass es warm im Hause wird. Was das den Eigentümer kostet ist 
dem Reglerhersteller, Kesselbauer letztlich egal, braucht er nicht zu 
bezahlen.

Okay, das Beispiel ist nicht voll akzeptabel.
Dient hier aber als gutes Beispiel für das was ihr hier empfiehlt, bzw 
von einem TE hält.

Sinngemäß soll sich jemand der Einigen im Forum lästig, und deswegen als 
Troll abgestempelt wird, halt bei einem anderen Heizungsreglerhersteller 
einen neuen Heizungsregler kaufen.

Ob diese Investition dann besser ist, scheint hier egal zu sein.

von Michael Haussmann (Gast)


Lesenswert?

Könnt echt kotzen nur wenn man etwas selbst bauen möchte aber der 
Richtige Denkanstoß mfehlt und man sich Hilfesuchend an ein Forum oder 
Foren wendet wird man nur verarscht und als blöde hingestellt!

Es gibt gute Gründe warum ich weder TV noch Auto noch PC noch Heizung 
reparieren lasse, und dieses selbst mache!

1. die Qualität und Kosten der erledigten Arbeiten.

2. Kann ich mir das einfach ausgedrückt nicht Leisten und mache den mist 
deswegen selbst.

3. gibt es mehr als eine einstellung egal wo die Richtig ist!

So und nun was ist so schlimm und wenn jukt es oder wer bricht sich 
einen Zacken aus seiner Heiligen Krone wenn ich ne Schaltung bauen 
möchte und mein Akku nicht voll werden sollte?

Enstehen Euch etwa nachteile dadurch das irgend ein Troll wie ich eine 
Scheiß Schaltung bauen möchte die etwas reguliert und der Rest der 
Forengemeinde angeblich was dagegen hat das so einer wie ich so etwas 
tun möchte?

Finde die Welt langsamm echt zum Kotzen, alles wird immer bescheuerter 
und immer ungerechter und vorallem der Ton hat sich sehr zum Schlachten 
verändert!

Hatte nur ne ganz Harmlose anfrage gestellt ob jemand ne 
Beispielschaltung für ne einfache Erregeransteuerung die 
Spannungsabhängig reguliert und am ende falls nötig (eingestellter 
bereich) sogar das erregerfeld komplett abschaltet (ausregelt).

Ist das ein Verbrechen was ich getahn habe?

von Michael Haussmann (Gast)


Lesenswert?

Kann man denn mit einem Atmel eine Spannung Messen und dadurch mit dem 
Selbigen eine Andere zu regulieren?

Wenn ja wie Hoch kann der Atmel messen?
Müssen vorwiederstände rein?
wie etwa sieht so ein Grundprogramm aus, das einfach Spannungsabhängig 
nen Ausgang regelt?

Kann man das Verhältniss Mess Spannung und Ausgang fest vorgeben? also 
ab wann 100% rauskommen sollen und ab wann nicht?

Oder werde ich nur weiter verscheißert?

von Harald Wilhelms (Gast)


Lesenswert?

Michael Haussmann schrieb:
> Kann man denn mit einem Atmel eine Spannung Messen und dadurch mit dem
> Selbigen eine Andere zu regulieren?

Du kannst auch nen Grossrechner nehmen und den auf nem Anhänger
hinterherziehen. Es sind Dir genügend Vorschläge gemacht worden,
wie Du Dein Problem lösen kannst. Wenn Dir diese Vorschläge nicht
gefallen, liegt das wohl kaum am Forum.

> Oder werde ich nur weiter verscheißert?

Umgekehrt wird ein Schuh daraus. Du verscheißerst uns und wunderst
Dich, das keiner mehr mit Dir spielen will.
Gruss
Harald

von Condi (Gast)


Lesenswert?

Ja der Atmel kann das, ist aber aufwendig und nicht unbedingt schnell.

Bau sowas ein und gut ist.
http://x1-autoteile.de/index.php?id=0&art_id=1379104

Falls du wirklich basteln willst, dann nimm irgendwas wie TL494&Co und 
ein paar Mosfets.

von Simon K. (simon) Benutzerseite


Lesenswert?

Fragt sich, was ein Atmel ist? Kenne unter dem Namen nur ein 
norwegisches Unternehmen.

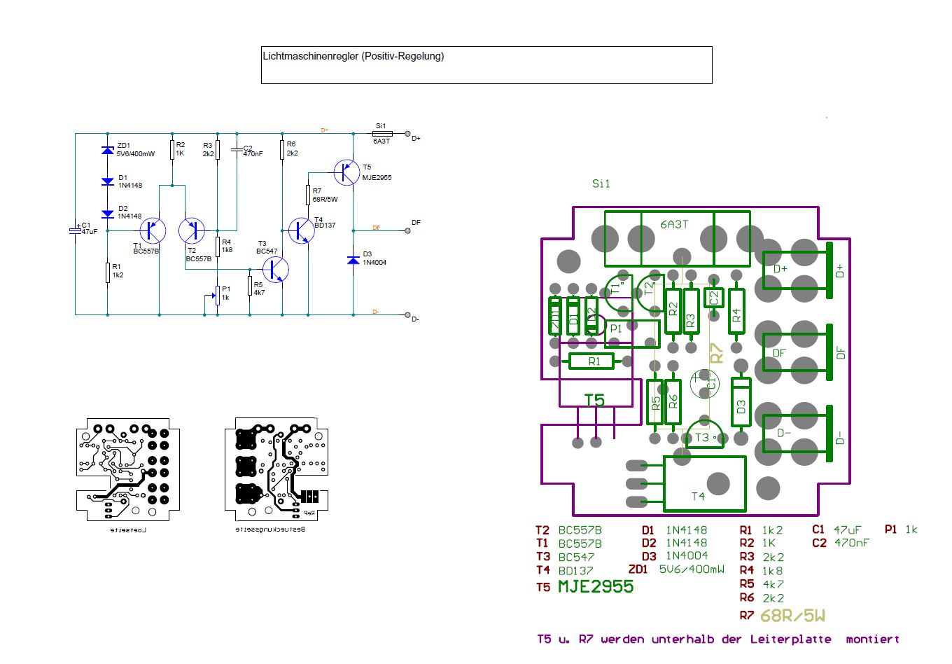
von Michael Haussmann (Gast)


Angehängte Dateien:

Lesenswert?

So schnauze voll hab den Regler ausgebaut Kabel aus der Lima rausgelegt, 
den Regler extern gemacht, Relais und nen Schalter zum an und 
ausschalten, ist erst mal besser als alles andere Rätzelraten muss 
nacher noch ne Ecke Fahren, hab ein Schaltbild gefunden weis nimmer wo?
Den baue ich mal nach und schau was sache ist, er scheint sich 
einstellen zu lassen siehe Schaltbild.

Dieser Beitrag ist gesperrt und kann nicht beantwortet werden.