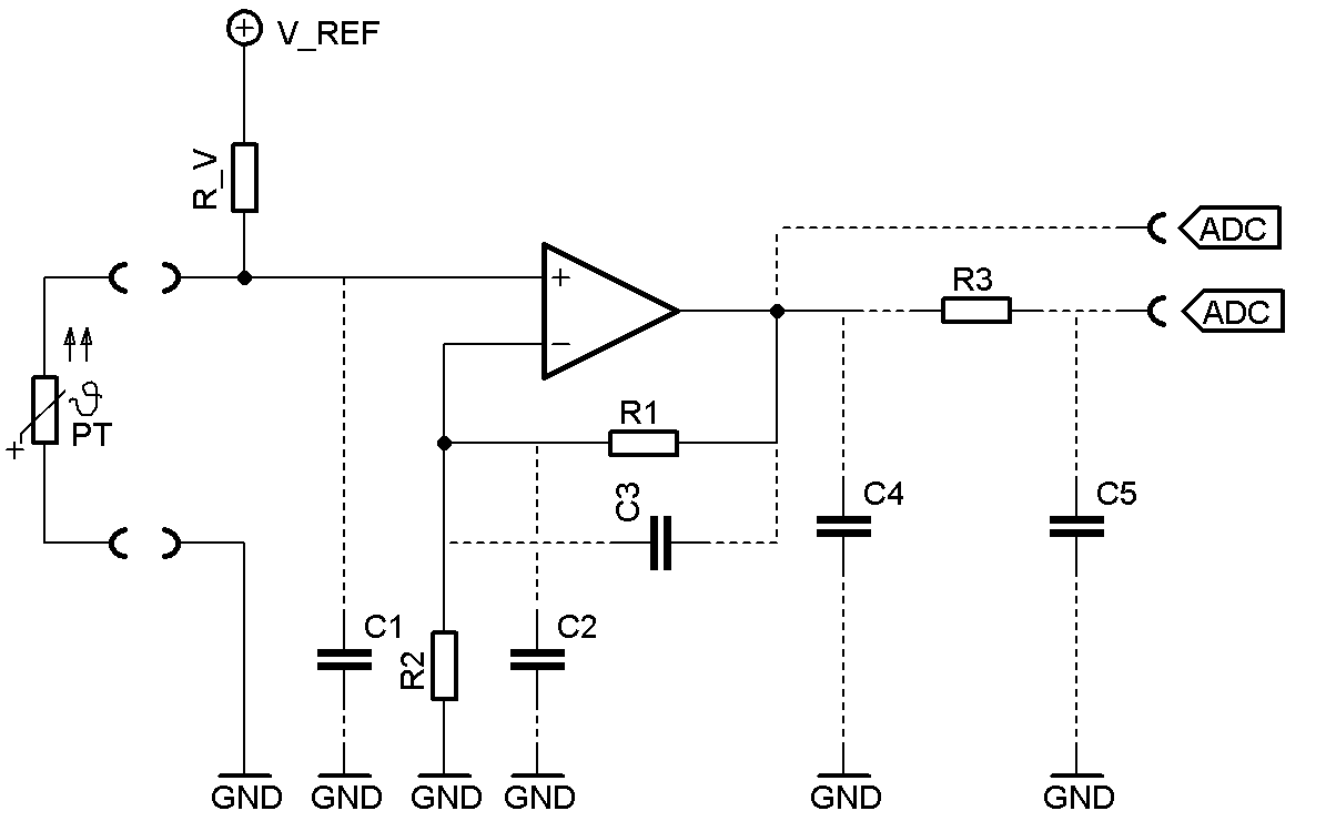
Hallo alle miteinander! Ich brauche mal euren Rat. Ich habe eine kleine Schaltung mit einem nicht-invertierenden OP, der mir die Spannung über einem Temperatursensor verstärkt. Hier kann man ja an einigen Stellen Kondensatoren als "Stütze" einsetzen. Ih bin mir aber nicht sicher, wo genau Kondensatoren Sinn machen. Am Ausgang eines OPs soll ja bekanntlich nicht unbedingt ein C sein - C3 und C4 wären hier ja beispielsweise am Ausgang. Mit einem R vor dem C wäre es demnach ja besser, aber über dem R kann ich mir auch wieder Störungen einfangen, oder liege ich da falsch? Wie sollte man die Bauteile wenn dimensionieren? Also außer die Widerstände für die Verstärkung, die sind klar. Danke für jede Hilfe.
Am besten gafällt mir C1. C3 weglassen. Die anderen beeinflussen den Frequenzgang und könnten z.B. zur Störunterdrückung verwendet werden. Dazu müsstest du noch was sagen.
ArnoR schrieb: > Am besten gafällt mir C1 Ach verdammt, der sollte natürlich an den positiven Eingang, sorry!
Meinte natürlich C4 weglassen.
Also R3 ist auch nur als Option zu sehen in Kombination mit C5.
Also jetzt nochmal
C1, C3 und C5 ergeben mit den zugehörigen Widerständen jeweils Tiefpassverhalten, C2 Hochpassverhalten. Welches man nutzt, hängt ganz davon ab was du willst oder brauchst. Sind Störungen auf der Sensorleitung zu erwarten, dann C1. Willst sehr hoch verstärken und nur wenig Bandbreite, dann C3...
Naja, also das ist halt eine Temperaturmessung, da ändert sich nicht schnell was - eher wirklich langsam! Nach Möglichkeit möchte ich natürlich einen "ruhigen" Messwert haben, der nicht in seiner letzten Stelle immer hin und her hüpft, wenn man das ganze anguckt.
Darf ich das Thema nochmal hochholen? Ich wäre echt froh, wenn mir noch jemand eine ückmeldung dazu geben könnte ;-) Welche Cs haltet ihr für sinnvoll oder für fehlplatziert?
Benedikt schrieb: > Welche Cs haltet ihr für sinnvoll oder für fehlplatziert? Eigentlich wurde schon alles (wiederholt) gesagt. Hast du die Antworten nicht gelesen? Was soll da noch kommen? Bestenfalls nochmal zur Verdeutlichung: C4 ist sinnlos und gefährlich. Der macht dir bestenfalls den OP instabil. Der Rest wurde schon bei dem erwähnt, was ArnoR im Beitrag "Re: Ihr Experten, bitte helft mir mal - NIV-OP und evtl. (Stütz-)Kondensatoren - Schaltplan" schreibt... > Welche Cs haltet ihr für sinnvoll oder für fehlplatziert? Das kommt ausschliesslich darauf an, was DU erreichen willst. Ich würde auf jeden Fall den C1 einbauen, denn Störungen, die nicht in den Verstärker kommen, müssen nicht von dem ausgeregelt werden...
Guten Morgen, Benedikt, für eine Temperaturmessung würde ich getrost alles weglassen ;-) Du hast es hier nicht mit höheren Änderungsfrequenzen zu tun, Dein Sensor reagiert mit Sicherheit aus OP-Sicht träge. M.E. nach bringt Dir keiner der hier eingezeichneten Kondesatoren einen Vorteil. Du schreibst: > ...Nach Möglichkeit möchte ich natürlich einen "ruhigen" Messwert haben, > der nicht in seiner letzten Stelle immer hin und her hüpft, wenn man das > ganze anguckt. Wenn ich richtig sehe gehst Du auf einen A/D-Wandler, da kommts doch viel mehr auf den A/D-Wandler und Deine Software an, ob die letzte Stelle "hüpft" wie Du es nennst. Ein A/D-Wandler ab geschätzten 8Bit aufwärts wird Dir fast sicher immer in den letzten Bits wackeln, was normal ist. Die Empfindlichkeit ist da einfach zu hoch. Daher liegts ja an Dir zum Beispiel eine Mittelwertbildung über eine gewisse Zeit / Anzahl Messwerte zu machen oder eben Deine letzte Stelle per Software etwas zu "beruhigen". Viel Aufwand für den analogen Teil lohnt hier nicht, alles was Du brauchst kannst Du digital in Deiner Software viel besser erledigen! Grüsse Michael
Michael schrieb: > Viel Aufwand für den analogen Teil lohnt hier nicht, alles was Du > brauchst kannst Du digital in Deiner Software viel besser erledigen! Es lohnt sich durchaus, aus dem Analogteil solche Sachen/Signale/Störungen rauszuhalten, die zu Artefakten führen können, die dann den OP und den AD-Wandler "durcheinanderbringen" würden. Und auch zum Schutz (ESD) kann ein solcher Kondensator am Eingang nichts schaden...
Michael schrieb: > Du hast es hier nicht mit höheren Änderungsfrequenzen zu tun, Dein > Sensor reagiert mit Sicherheit aus OP-Sicht träge. Eben. Die richtige Schlußfolgerung wäre also, um Störsignale zu unterdrücken, einen anständigen Tiefpaß mit C3 aufzubauen und nicht allen Müll mit zu verstärken. Gruß Matthias
Bitte melde dich an um einen Beitrag zu schreiben. Anmeldung ist kostenlos und dauert nur eine Minute.
Bestehender Account
Schon ein Account bei Google/GoogleMail? Keine Anmeldung erforderlich!
Mit Google-Account einloggen
Mit Google-Account einloggen
Noch kein Account? Hier anmelden.

