Guten Abend (bzw. Guten Morgen) zusammen, ich habe bzw. hatte das Problem, aus einer Gleichspannung +12V und -12V erzeugen zu müssen. Das ganze wurde hier und auch in anderen Foren eigentlich schon oft genug durchgekaut, aber immer mit dem Ergebnis, dass es aus verschiedene Gründen schon allein theoretisch nicht funktionieren kann, wobei es anscheinend nie jemand wirklich versucht hat, und man einen Trafo mit Mittelanzapfung dafür benötigen würde. Eine Beispielschaltung dazu ist im Datenblatt zum 7805 zu finden. Nichts desto Trotz habe ich das mal zusammengestöpselt, wie ich mir das vorgestellt habe und dabei, dank des anscheinend fehlerhaften Pinouts im Datenblatt des 79xx von ST, zwei Spannungsregler gegrillt. Bei der Schaltung im Anhang, zu der ich nach ein paar Fehlversuchen gekommen bin, zeigte sich nun allerdings, dass das ganze sehr wohl funktioniert, bei unsymmetrischer Belastung jedoch alles andere als stabil ist. Um genau zu sein, bricht die stärker belastete Spannung stark ein, wohingegen die andere Spannung konstant bleibt. Nun stelle ich hier mal die Frage an die Runde, ob es möglich ist, das ganze irgendwie zu stabilisieren. Ich wäre für Hinweise diesbezüglich sehr dankbar. Gruß, Felix P.S.: Bitte nicht wieder eine Grundsatzdiskussion lostreten, dass das ja sowieso nicht funktionieren kann. Wers nicht glauben will, kanns ja selber mal schnell zusammenstecken. EDIT: Das mit GND "Virtuelle Masse" bezeichnete Signal, auf der rechten Seite der Schaltung hat keinerlei Verbindungen zur Eingangsseite!
>Bei der Schaltung im Anhang, zu der ich nach ein paar Fehlversuchen >gekommen bin, zeigte sich nun allerdings, dass das ganze sehr wohl >funktioniert, bei unsymmetrischer Belastung jedoch alles andere als >stabil ist. Also funktioniert es ja doch nicht, wenn es "alles andere als stabil ist"? Das ist doch genau der Punkt: Wenn man eine Spannungsversorgung baut und verwendet, will man ja gerade, daß sie unbedingt stabil arbeitet, und zwar unter allen möglichen Bedingungen! >P.S.: Bitte nicht wieder eine Grundsatzdiskussion lostreten, dass das ja >sowieso nicht funktionieren kann. Wers nicht glauben will, kanns ja >selber mal schnell zusammenstecken. Natürlich fährt ein Auto unter gewissen Bedingungen auch mit drei Rädern. Würdest du also deshalb eines für immer abschrauben?? Also was soll diese dämliche Frage?
Ina schrieb: > Also funktioniert es ja doch nicht, wenn es "alles andere als stabil ist"? Es funktioniert noch nicht so, wie ich mir das erhofft habe, deswegen frage ich doch überhaupt nach, ob und wie man das stabilisieren kann. Wenn alles so laufen würde, wie es soll, wäre der Thread doch unnötig. > Also was soll diese dämliche Frage? Auch wenn dir meine Frage vielleicht "dämlich" erscheint, musst du trotzdem nicht gleich beleidigend werden, oder? Es geht hier um den Austausch von Wissen und nicht darum andere, die weniger wissen als man selbst, nieder zu machen. Gruß, Felix
Wenn ich das richtig sehe muss der Strom, der durch den oberen Regler fließt, auch wieder durch den unteren Regler durch. Die Nennbelastung sollte sich also signifikant verringern. Erzähl doch mal, was genau "stärker belastet" bedeutet. Messwerte müssen her!
Wenn du dieses Werk der Kunst zum Funktionieren bringen willst, brauchst du noch einen 1:1 Spannungsteiler an deiner Versorgung, gefolgt von einem Spannungsfolger (OpAmp mit etwas Power), dessen Ausgang an deine "virtuelle Masse" angeschlossen wird. Für eine schnelle Pfuschlösung akzeptabel. Für alles anderes sollte man eigentlich eher über einen invertierenden Schaltregler nachdenken, um eine negative Spannung zu erzeugen.
Oder besser noch, an einen Trafo mit 2X15V....
>Bei der Schaltung im Anhang, zu der ich nach ein paar Fehlversuchen >gekommen bin, zeigte sich nun allerdings, dass das ganze sehr wohl >funktioniert, bei unsymmetrischer Belastung jedoch alles andere als >stabil ist. Stell dir vor, was passiert, wenn die angeschlossene Schaltung nur einen positiven Strom aus dem oberen Regler ziehen will, aber keinen negativen aus dem unteren. Ein Strom würde dann aus dem oberen Regler herausfließen wollen und in die virtuelle Masse zurück, kann aber von dort nicht weiterfließen! Deine virtuelle Masse ist eben keine echte Masse, weil durch sie keinen Ströme fließen können. Du hast den Reglern also eine Masse gegeben, die keine ist und deswegen kann die Schaltung auch nicht funktionieren. Es ist so, als ob du bei einem Transistor einen Anschlußdraht durchknipst und dich dann wunderst, daß er nicht mehr funktioniert. >Um genau zu sein, bricht die stärker belastete Spannung stark ein, >wohingegen die andere Spannung konstant bleibt. Aha, siehst du jetzt warum? >Nun stelle ich hier mal die Frage an die Runde, ob es möglich ist, das >ganze irgendwie zu stabilisieren. Und diese Frage ist eben dämlich, weil sie zu überhaupt nichts führt. Maik hat ja schon geschrieben, was dazu notwendig wäre, nämlich der virtuellen Masse die Möglichkeit zu geben, auch nennenswerte Ströme umzusetzen. Das ist aber viel aufwendiger, als es gleich richtig zu machen, nämlich einen Trafo mit Mittelanzapfung zu verwenden.
Felix Wiedemann schrieb: > Nun stelle ich hier mal die Frage an die Runde, ob es möglich ist, das > ganze irgendwie zu stabilisieren. Klar geht das. Du brauchst nur 2 kräftige Glühbirnen (20W sollten reichen) am Eingang in Reihe und den Mittelabgriff gegen die virtuelle Masse. Gruß Anja
Hallo zusammen! Danke für die Antworten erstmal. @Andreas K. >Erzähl doch mal, was genau "stärker belastet" bedeutet. Messwerte müssen >her! Also belastet hatte ich die beiden Spannungsregler gestern mit jeweils 220Ohm, womit sich Spannungen von +11,98V und 12,01V ergaben. Wenn ich einen der Widerstände durch 470Ohm ersetze, bleibt die Spannung an diesem konstant, wohingegen die andere Spannung auf etwa +-5V einbricht. Anscheinend habe ich mir also einen Spannungsteiler mit Spannungsbegrenzung gebaut. Mir ist übrigens soeben aufgefallen, dass die Schaltung ohne Belastung überhaupt nicht funktioniert. Die Widerstände am Ausgang hatte ich gestern in der Schaltung einfach unterschlagen... @Maik Fox >Wenn du dieses Werk der Kunst zum Funktionieren bringen willst, brauchst >du noch einen 1:1 Spannungsteiler an deiner Versorgung, gefolgt von >einem Spannungsfolger (OpAmp mit etwas Power), dessen Ausgang an deine >"virtuelle Masse" angeschlossen wird. Was du da geschrieben hast, finde ich sehr interessant. Ich werde mich in das Thema mal einlesen, denn mit OPs habe ich bisher noch nichts gemacht und habe davon dementsprechend überhaupt keinen Ahnung. >...sollte man eigentlich eher über einen invertierenden Schaltregler >nachdenken... Kannst du konkrete Typen nennen, die die Spannung invertieren können? Das ganze sollte bis ca 100mA belastbar sein. @TTL >Oder besser noch, an einen Trafo mit 2X15V.... Dass das geht, ist mir klar, aber ich wollte eben den zusätzlichen Trafo gerne vermeiden. @Ina: Danke für deine Erklärung. Ich MUSS also die Schaltung symetrisch belasten, damit sie Spannungen stimmen, weil die Ströme durch beide Regler ein und die selben sind. Ist das so richtig? @Anja: >Du brauchst nur 2 kräftige Glühbirnen (20W sollten >reichen) am Eingang in Reihe und den Mittelabgriff gegen die virtuelle >Masse. Schon klar, dass das funktionieren würde, aber leider ist das so nicht praxistauglich. Gruß, Felix
>> Du brauchst nur 2 kräftige Glühbirnen (20W sollten >> reichen) am Eingang in Reihe und den Mittelabgriff gegen die virtuelle >> Masse. > Schon klar, dass das funktionieren würde, aber leider ist das so nicht > praxistauglich. Falls die Belastung der beiden Ausgangsspannungen wenigstens einigermassen konstant ( und bekannt ! ) ist, reichen doch auch grössere Widerstände aus. Bei unterschiedlichen Ausgangsströmen sind ggf. auch verschiedene Widerstände zweckmässig.
>Danke für deine Erklärung. >Ich MUSS also die Schaltung symetrisch belasten, damit sie Spannungen >stimmen, weil die Ströme durch beide Regler ein und die selben sind. >Ist das so richtig? Auch dann wird sie nicht richtig funktionieren, weil die Eingangsschaltungen der Regler keine echte Masse sehen und die nötigen Regelströme nicht ungehindert fließen können. >Schon klar, dass das funktionieren würde, aber leider ist das so nicht >praxistauglich. Ich glaube, Anja hat das auch nicht so ganz ernst gemeint...
>Falls die Belastung der beiden Ausgangsspannungen wenigstens >einigermassen konstant ( und bekannt ! ) ist, reichen doch auch grössere >Widerstände aus. >Bei unterschiedlichen Ausgangsströmen sind ggf. auch verschiedene >Widerstände zweckmässig. Also, ich weiß ja nicht, womit ihr eure Zeit so verbringt. Aber ich will von einer Spannungsversorgung nur, daß sie bedingungslos funktioniert, damit ich dieses Thema abhaken und mich auf die wirklichen Probleme konzentrieren kann.
> Aber ich will von einer Spannungsversorgung nur, > daß sie bedingungslos funktioniert, ... Ohne Tricks lässt sich schlecht tricksen ...
@U.B. >Falls die Belastung der beiden Ausgangsspannungen wenigstens >einigermassen konstant ( und bekannt ! ) ist... Ist sie leider nicht. @Ina >Ich glaube, Anja hat das auch nicht so ganz ernst gemeint... Ja, das hab ich auch vermutet, aber die "Idee" war trotzdem ganz amüsant. >...ich will von einer Spannungsversorgung nur, daß sie bedingungslos >funktioniert... Das will ich eigentlich auch, aber ich versuche auch gerne mal, durch Improvisationen zum Ziel zu kommen. Oft genug klappt das ja auch, aber manchmal, wie zB hier, eben anscheinend leider nicht. Gruß, Felix
Warum nicht die Spannung auf 24V Regeln und die virtuelle Masse mittels eines Spannungsteilers und eines als Impedanzwandler geschalteten OP-Amps machen? Ist nicht sehr professionell, aber immer noch besser als der Eingangsvorschlag.
Jeden Regler für sich an den Trafo hängen, darauf achten daß GND einen gemeinsamen Anschluß hat, der andere Anschluß bringt +12V & -12V. Nachteil das ergibt aber keine 24V.
Andreas K. schrieb: > Wenn ich das richtig sehe muss der Strom, der durch den oberen Regler > fließt, auch wieder durch den unteren Regler durch. Die Nennbelastung > sollte sich also signifikant verringern. So isses. Die GND-Anschlüsse an den Reglern heißen nicht umsonst so; man kann nicht erwarten, dass dabei was Brauchbares rauskommt, wenn man einfach zwei Stück "in Reihe schaltet". Der Regler braucht hier einen sauberen Massebezug, um zu - regeln. Entweder die virtuelle Masse mit entsprechendem, relativ niederohmigem Spannungsteiler erzeugen (Pfusch), OP zur Massenerzeugung verwenden (dann kannste die jetzige Schaltung gleich wegschmeißen) oder einen 7824 und einen 7812 nehmen (+12V dann als virtuelle Masse). Auch nicht das Gelbe vom Ei, aber mindestens 10e3-mal besser als Dein jetziges Design.
Eine Lösung: + ----- LM317 ---------------------------------- +12 V | | | |---- R ----| | für 110 mA Z-Diode 12 V | |---------- Masse | Z-Diode 12 V | ------------------------------------------------ -12 V Es sollten logischerweise Leistungs Z-Dioden verwendet werden Wenn Du dafür erst einkaufen mußt, dann kaufe lieber den Trafo mit 2 Wicklungen.
Felix Wiedemann schrieb: >>...sollte man eigentlich eher über einen invertierenden Schaltregler >>nachdenken... > > Kannst du konkrete Typen nennen, die die Spannung invertieren können? > Das ganze sollte bis ca 100mA belastbar sein. Die Dinger gibt's wie Sand am Meer. Allerdings ist der Aufbau nicht ganz unproblematisch. Ich würde dir empfehlen, erstmal die anderen Vorschläge durchzuschauen und später zum Thema Schaltregler zurückzukommen.
Patrick schrieb: > oder einen 7824 > und einen 7812 nehmen (+12V dann als virtuelle Masse). Auch nicht das > Gelbe vom Ei, aber mindestens 10e3-mal besser als Dein jetziges Design. Das funktioniert nur, wenn der Strom von 12V nach Masse (Virtuelle -12V) immer größer (oder zumindest gleich) ist als der Strom von 24V nach 12V (Virtuelle +12V). Wenn nicht, dann müsste der Strom in den Ausgang vom 7812 hinein und über dessen Masse abfließen. Dass das nicht geht, kann man an der Innenschaltung des 7812 erkennen: viele hochohmige Widerstände in diesem Zweig. Bei der Schaltung von Felix müsste der Strom in der Eingang des 7812 hinein und über den GND-Anschluss abfließen können, um die Belastung des 7912 auszugleichen. Und das geht erst recht nicht. Gruß John
Felix Wiedemann schrieb: > Eine Beispielschaltung dazu ist > im Datenblatt zum 7805 zu finden. Das is mir vorher garnicht aufgefallen. Guck die das Beispiel mal genauer an. Die Eingangsspannungen haben schon GND-bezug, kommen also quasi von einem Trafo mit zwei Wicklungen.
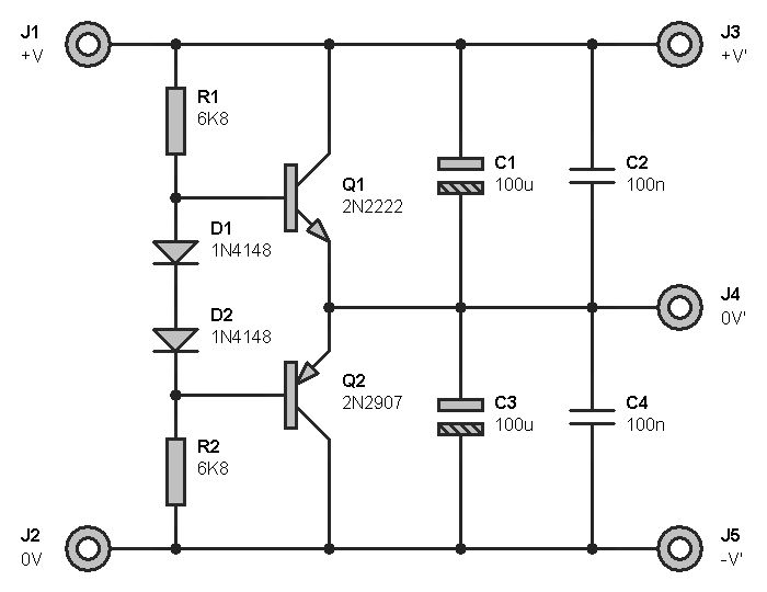
Das hab ich im Netz gefunden (Anhang). Wenn Du das vor deine Stabis hängst sollte es funktionieren. Die Schwellspannungen der Dioden D1 und D2 sollten aber nicht größer sein als die BE-Spannungen der Transistoren Q1 und Q2, weil sonst der Querstrom durch die Transistoren zu hoch ist. Da aber die Spannung am Ausgang noch stabilisiert wird, sollte es mit einer Diode (oder ohne Dioden: beide Basen miteinander verbinden) funktionieren. Die Stabis gleichen die Schwankung der virtuellen Masse aus. Gruß John
Hallo John, Vielen Danke für die Schaltung aus deinem letzten Beitrag! Ich verstehe zwar leider nicht, warum sie das macht, was sie macht, aber es funktioniert einwandfrei. Wenn ich Schaltung mit konstanten 24V betreibe kann ich sogar auf die Spannungsregler verzichten, die Spannungen 12V und -12V sind trotzdem nahezu konstant, egal, wie ich asymetrisch ich die Ausgänge belaste. Mit Stabis funktioniert das ganze auch hervorragend. Ich habe aufgrund deines Hinweises mal nur eine Diode verbaut und, weil ich nichts anderes da habe, das ganze mit einem BC337 und einem BC327 aufgebaut. Kannst du mir vieleicht noch erklären, wie das ganze funktioniert? Ach ja, nochwas: Wie kann ich denn die Widerstände R1 und R2 entsprechend meiner Spannungen und Transistoren berechnen? Ich glaube ich brauche da andere Werte, meine Transistoren werden nämlich ganz ordentlich warm. Gruß, Felix
Ich muss Ina recht geben. Die Schaltung kann nicht funktionieren. Üblicherweise benutzt man bei einer symetrischen Stromversorgung ein Netztrafo mit Mittelanzapfung, der von sich schon 2 Spannungen zur Verfügung stellt. Diese kann man dann mit den üblichen 3Bein Regler stabilisieren. Alles andere ist einfach Murks. Ralph Berres
> Ich muss Ina recht geben. Die Schaltung kann nicht funktionieren. > Üblicherweise benutzt man bei einer symetrischen Stromversorgung ein > Netztrafo mit Mittelanzapfung, In Batterie-Geräten wird so etwas schon mal gemacht, wenn eien Masse "irgendwo dazwischen" benötigt wird.
Hallo Felix, ohne Dioden hast du an den Basen der Transistoren (durch den Spannungsteiler R1/R2) Ub/2. Damit Q1 leitend wird muss J4 (virtuelle Masse) ca. 0,6V kleiner als Ub/2 sein, und damit Q2 leitet muss J4 ca. 0,6V größer sein als Ub/2. Je nach Belastung ändert sich die virtuelle Masse um ca. +/- 0,6V. Durch die zwei Diode D1 und D2 sind die Transistoren schon vorgespannt: die Spannung an der Basis von Q2 ist um ca. 0,7V niedriger als Ub/2, und die Basis von Q1 ist um ca. 0,7V höher als Ub/2. Dadurch ändert sich das Potenzial von J4 nur noch gering in Abhängigkeit von der Belastung. Wenn die Belastung am Ausgang der Schaltung symmetrisch ist (Strom J3 -> J4 = Strom J4 -> J5), dann fliest durch die Transistoren Q1 und Q2 kein Strom. Bei Unsymmetrischer Belastung fliest durch Q1 bzw. Q2 (je nachdem welche Ausgangsspannung mehr belastet wird) der Differenzstrom. An den Transistoren fällt die halbe Eingangsspannung ab, und Strom * Spannung ist Leistung (=Wärme). Je nachdem mit welchen Spannungen und Strömen Du arbeitest brauchst Du entsprechende Transistoren und bei höherer Verlustleistung auch einen Kühlkörper für die Transistoren. Gruß John
Danke für deine Erklärung, ich denke, ich habs verstanden. Das Problem ist damit gelöst, der Thread kann also von mir aus geschlossen werden. :-D
Bitte melde dich an um einen Beitrag zu schreiben. Anmeldung ist kostenlos und dauert nur eine Minute.
Bestehender Account
Schon ein Account bei Google/GoogleMail? Keine Anmeldung erforderlich!
Mit Google-Account einloggen
Mit Google-Account einloggen
Noch kein Account? Hier anmelden.



