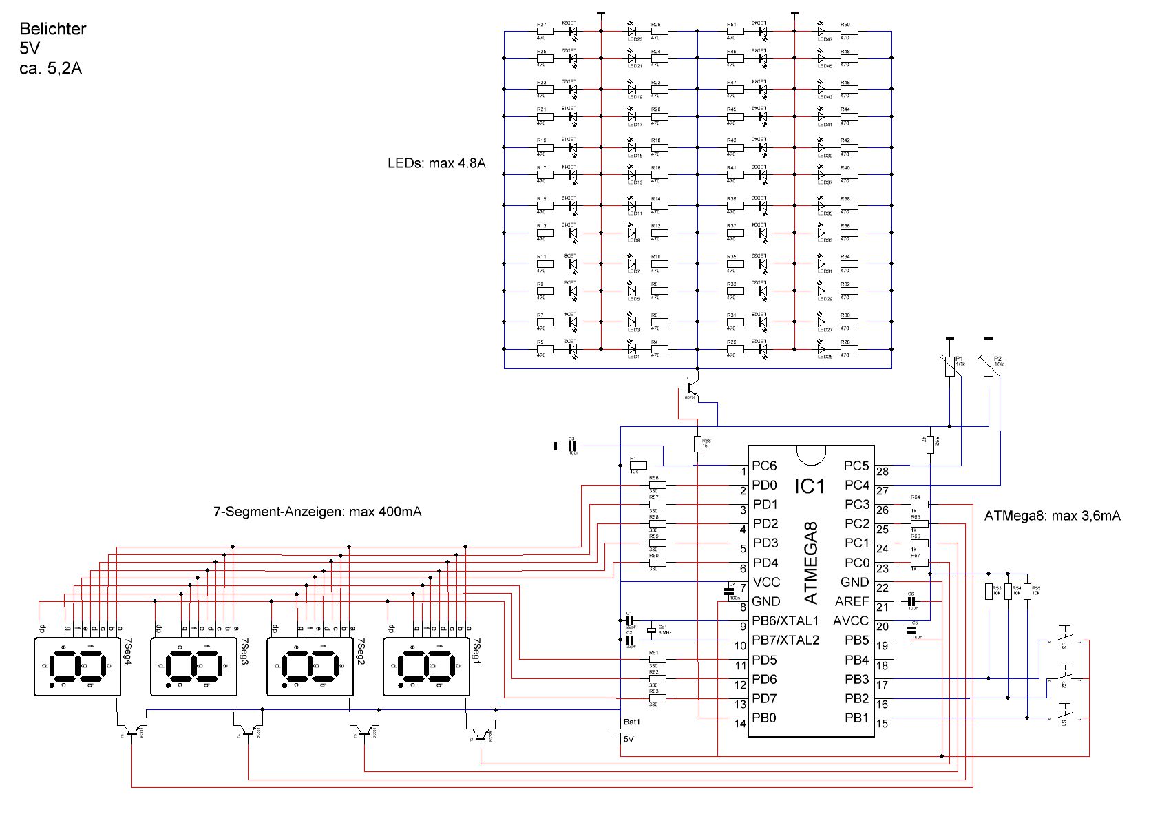
Hallo, ich möchte mir einen UV-LED Platinenbelichter basteln. Die Zeitsteuerung soll ein ATMega8 übernehmen. Bei der Auswahl des Transistors hat der Artikel hier auf der Seite schon sehr weiter geholfen, dennoch bin ich mir nicht sicher, ob das alles so richtig ist wie ich es aufbauen möchte. Transistor: - BD708 - PNP - 60V - 12A - 75W Basiswiderstand (48x UV-LEDs je max 100mA): 4800mA / 20 = 240mA 3,75V / 240mA = 15Ohm Der Lastwiderstand sind doch die Widerstände bei den LEDs (Schaltplan), oder? Das müsste doch so klappen mit dem Transistor? Als Netzteil möchte ich folgendes verwenden: SNT MW-DR60-05 :: Schaltnetzteil, geschlossen, 5V / 6,5A / 60W (Reichelt) Als Einschaltstoßstrom ist 36A angegeben. Wird das intern im Netzteil abgefangen oder geht mir die Schaltung kaputt wenn ich es anschalte? PS: Die Transistoren bei den 7-Segment-Anzeigen sind nicht gemeint. Das habe ich von hier übernommen.
Die LEDs sind alle falsch gepolt. Die Versorgung der LEDs und des µC sollte man trennen und mit einem ordentlichen Elko abblocken. Wenn die 4,8A auf den 5V schlagartig gezogen werden, kann sonst schon mal der µC "ausgehen".
@ Max Durst (Firma: Hobby) (fmhweb) >ich möchte mir einen UV-LED Platinenbelichter basteln. Noch so ein Irrer, ähhh, Fehlgeleiteter. >Transistor: > - BD708 > - PNP > - 60V > - 12A > - 75W >Basiswiderstand (48x UV-LEDs je max 100mA): >4800mA / 20 = 240mA >3,75V / 240mA = 15Ohm Stimmt soweit. Dumm nur, dass ein AVR nie und nimmer 240mA liefern wird. ;-) >Der Lastwiderstand sind doch die Widerstände bei den LEDs (Schaltplan), >oder? Das müsste doch so klappen mit dem Transistor? Nö. >Als Netzteil möchte ich folgendes verwenden: >SNT MW-DR60-05 :: Schaltnetzteil, geschlossen, 5V / 6,5A / 60W >(Reichelt) Geht schon. >Als Einschaltstoßstrom ist 36A angegeben. Wird das intern im Netzteil >abgefangen oder geht mir die Schaltung kaputt wenn ich es anschalte? Das ist auf der 230V NETZSEITE! Ergo. Lass den Unsinn. Oder nimm wenigsten einen MOSFET. IRF7104 oder so. MfG Falk
> Die Transistoren bei den 7-Segment-Anzeigen sind nicht gemeint. Die hättest du aber lieber auch ausrechnen sollen, dann wären EINIGE Fehler aufgefallen. Ein Port-Pin liefert laut datenblatt nur 20mA, und wird irgendwo zwischen 20mA und 40mA abregeln, du kannst dich also nicht auf mehr als 20mA verlassen. Deine 240mA kommen also nie aus dem AVR, auch nicht mit den (richtig berechneten) Vorwiderstand. > Das habe ich von hier übernommen. Leider wird hier viel Schrott von ebenfalls Unwissenden geschrieben. 20mA pro Portpin erlauben nur 5mA (im Mittel, entsprechen also dem Helligkeitseindruck von 5mA Dauerstrom) pro LED und 160mA pro Transistor, der seiterseits 16 ( oder 8) mA aus dem Portpin braucht. > Als Einschaltstoßstrom ist 36A angegeben Das Schaltnetzteil zieht den Strom beim Einschalten aus dem Netz. LEDs haben (im Gegensatz zu Glühbirnen) keinen Einschaltstromstoss. Schaltet man die LEDs in Reihe an eine wesentlich höhere Spannung, braucht man weniger Vorwiderstände und muss einen geringeren Strom schalten. Allerdings sollte man dann Masse schalten mit einem NPN (oder NMOSFET).
Das mit dem Portpin und den falsch eingezeichneten LEDs war ein Anfängerfehler der mir wohl nicht nochmal passieren wird. >auch nicht mit den (richtig berechneten) Vorwiderstand. Ich bin jetzt etwas verwirrt. Welche Vorwiderstände sind falsch, die der LEDs oder die der Anzeigen? Die Schaltung für die Anzeigen habe ich hier aus dem Tutorial übernommen. Bin ich den überhaupt auf dem richtigem Weg mit dem Transistor/Mosfet oder gibt es andere Möglichkeiten die LEDs mit einem AVR An-/Auszuschalten? >Noch so ein Irrer, ähhh, fehlgeleiteter. Und wieso bin ich Fehlgeleitet? Ist es keine gute Idee einen Belichter mit LEDs zu bauen?
@ Max Durst (Firma: Hobby) (fmhweb) >Und wieso bin ich Fehlgeleitet? Ist es keine gute Idee einen Belichter >mit LEDs zu bauen? Nein. Das ist Mumpitz und LED-Fetischismus.
Falk Brunner schrieb: > Ergo. Lass den Unsinn. Oder nimm wenigsten einen MOSFET. IRF7104 oder > so. Ähm, warum denn einen P-Channel Mosfet? Ich würde eher einen N-Channel LogicLevel Mosfet nehmen und gegen GND schalten. Schaltet der IRF7104 bei 5V Spannungsdifferenz GS schon voll durch?
Wie sieht es mit dieser Schaltung aus. Komm ich dem ganzen schon näher? Ich finde einfach keine vergleichbare Schaltung. Ich weiß wahrscheinlich nicht wonach ich suchen muss. Für mich ist das halt meine erste Schaltung. Daher bin ich froh erst einmal etwas über Transistoren allgemein zu erfahren. Mosfet habe ich halt auch noch nie verwendet. Wäre es denn theoretisch möglich den Transistor aus der ersten Schaltung gegen einen Mosfet zu tauschen?
Bei der Berechnung des Vorwiderstands der BC337 habe ich mit dem Strom einer LED gerechnet, also 30mA. Ist das richtig, oder muss ich den Strom der 3 LEDs addieren? Ein BC337 benötigt jetzt 3mA vom AVR. Ich habe alle 16 BC337 addiert, und komme so auf 48mA. Ich gehe mal davon aus das man das so macht?
> Wie sieht es mit dieser Schaltung aus Hmm, vorhin hatten die LEDs angeblich noch 100mA. Die Schaltung ist aber schon ein deutlicher Fortschritt. Ein Widerstand von dort wo 48mA steht nach Masse ist sinnvoll, damit beim abschalten die Basis aller Transistoren auch nach Masse gezogen wird zum ausschalten. So 1k Ohm. Ebenso von der Basis von T17 nach +5V, damit, so lange der AVR Ausgang nach RESET noch ein Eingang ist, der Transistor ausgeschaltet bleibt, so 10k Ohm.
Max Durst schrieb: > Wäre es denn theoretisch möglich den > Transistor aus der ersten Schaltung gegen einen Mosfet zu tauschen? Ja, einen PMOSFET kann man nehmen. Bei fast 5A musst du dir aber einen Suchen, der bei -5V UGS diesen auch schon voll aufsteuert. Außerdem musst du trotzdem deine LEDs umpolen. Oder das Ganze mit einem NMOSFET machen und die LEDs statt an Masse an VCC anschließen und invertiert ansteuern. Max Durst schrieb: > Bei der Berechnung des Vorwiderstands der BC337 habe ich mit dem Strom > einer LED gerechnet, also 30mA. Ist das richtig, oder muss ich den Strom > der 3 LEDs addieren? Die LEDs sind in Serie, der Strom fließt deshalb nur einmal. Also: 30mA. > > Ein BC337 benötigt jetzt 3mA vom AVR. Ich habe alle 16 BC337 addiert, > und komme so auf 48mA. Ich gehe mal davon aus das man das so macht? Jeder BC337 benötigt an der Basis die 3mA (eher weniger, du könntest auch auf unter 1mA runtergehen, wenn du einen BC337-40 nimmst). Dann wäre eine direkte Ansteuerung mit dem AVR-Portpin noch möglich. Oder: von zwei Transistoren die Kollektoren verbinden und einen Transistor wegrationalisieren - also zwei LED-Stränge, so wie sie sind, parallel an einem Transistor betreiben. Dann aber mit den 3mA Basisstrom. Aber: in deiner Schaltung ist ja noch der PNP dazwischen. Nur der benötigt Ansteuerstrom vom AVR. Über die 2k2 an der Basis sind das ja nur ein paar hundert µA.
Warum nicht einfach ein, zwei UV Röhren mit einem Relais schalten? Das klingt für mich eher straight forward als die LED-Lösung.
@ Unwissender (Gast) >Ähm, warum denn einen P-Channel Mosfet? Weil es auf die Schnelle war und im Original ein PNP drin ist. >Ich würde eher einen N-Channel >LogicLevel Mosfet nehmen und gegen GND schalten. Geht auch, ist einfacher und besser. > Schaltet der IRF7104 > bei 5V Spannungsdifferenz GS schon voll durch? Einigermassen, 0,4 Ohm max, macht bei 5A aber schlapp. Hmm. Dann eher nicht IRF7104 :-0 MFG Falk
@ Simon K. (simon) Benutzerseite >Warum nicht einfach ein, zwei UV Röhren mit einem Relais schalten? Das >klingt für mich eher straight forward als die LED-Lösung. Ist doch unCOOOOOL, Alda, LEDs rulez in da house 2K eleven, maaaan!
>Hmm, vorhin hatten die LEDs angeblich noch 100mA. Also es waren doch 100mA. Zumindest der peak forward current. Der DC forward current is 30mA. Ich habe jetzt die Transistoranzahl halbiert. Da die Reihen jetzt parallel geschaltet sind, muss ich doch mit 200mA rechnen? Den PNP habe ich durch einen NPN getauscht. Ich verstehe aber nicht wie ich auf den Vorwiderstand des am AVR angeschlossenen Transistors komme. Wie wird der berechnet?
Max Durst schrieb: > Ich habe jetzt die Transistoranzahl halbiert. Da die Reihen jetzt > parallel geschaltet sind, muss ich doch mit 200mA rechnen? Sorry, da ging ich noch von 30mA aus. Es ist doch die Frage: welche Flussspannung haben deine LEDS (das mal 3), abgezogen von den 12V geteilt durch den LED-Vorwiderstand. Das ist das, was fließt, ich kann den Wert des Vorwiderstands leider nicht entziffern und von den LEDs habe ich keine Daten. Aber: wenn im DB steht, der Peak-Current sei 100mA, dann darfst du sie nur mit 100mA im Pulsbetrieb mit genügend Pausen so betreiben, maximal für einige ms eingeschaltet, dann wieder für rund dreimal soviel ms ausgeschaltet. Für Dauerlicht solltest du den max. DC-Strom nicht überschreiten. Also doch nur höchstens 30mA. Die Variante mit dem PNP direkt am AVR sollte dann überhaupt keinen Basisvorwiderstand haben - du betreibst den T17 jetzt in Kollektorschaltung (Emitterfolger), da ist das nicht nötig. Also, dann sollte R34 entfallen und R33 zu einem Draht werden. Den Basisvorwiderstand brauchst du nur in Emitterschaltung. Dann berechnet er sich so: IB gegeben, Vhigh(AVR)=5V Rv = (Vhigh-0.7V)/IB.
> Also es waren doch 100mA. Zumindest der peak forward current. > Der DC forward current is 30mA. Also eine 20mA LED. Die 100mA hält sie nur kurzzeitig aus, danach rauchen sie ab. Vergiss 100mA mit denen. Parallelschalten geht, nun fliessen 40 oder 60mA durch die Transistoren (das halten die BC337 aus, man könnte bis 800mA gehen bei 40mA Basisstrom). T17 ist nun verkehrt, sollte wieder PNP BC328 werden. Ich kann nicht lesen, daß man dir vorgeschlagen hätte, nun einen NPN Emitterfolger zu nehmen (das geht zwar mit veränderter Schaltung auch, aber dann stimmen alle bisherigen Tips nicht mehr). R34 muss 10k (oder mehr) haben und an +5V gehen. IC/IB sollte man konservativer mit 20 ansetzen.
@ Max Durst (Firma: Hobby) (fmhweb) >Ich habe jetzt die Transistoranzahl halbiert. Immer noch nicht sinnvoll. Lausige 16x30mA = 480mA schaltet EIN BC337, wenn auch nur knapp. Nimmst du einen MOSFET ala IRLZ34N, dann lächelt der nur müde. >parallel geschaltet sind, muss ich doch mit 200mA rechnen? ??? 16x30mA. >ich durch einen NPN getauscht. Ich verstehe aber nicht wie ich auf den >Vorwiderstand des am AVR angeschlossenen Transistors komme. Wie bereits gesagt, der wird Null, weil Kollektorschaltung. MFG Falk
Hier die MOSFET-Variante. Nur ein Transistor notwendig - für alle LEDS, egal ob du einen, zwei oder drei in Reihe schaltest. Direkt anzusteuern vom AVR. Und mit dem richtigen MOSFET kannst du auch kräftigere LEDs schalten oder viel mehr von deinen gewählten.
Also das mit dem Tausch des PNP war mal wider Bockmist. Der PNP ist wider da. >Den Basisvorwiderstand brauchst du nur in Emitterschaltung. Dann >berechnet er sich so: >IB gegeben, Vhigh=5V >Rv = (Vhigh-0.7V)/IB. Momentan berechne ich ihn ja so: Ic/Ib = 20 480mA / 20 = 24mA 4,3V / 24mA = 180Ohm Und so sieht es anderes aus: Ib (Base Current) ist 100mA (BC337) 4,3V / 100 = 43Ohm = 39Ohm Was stimmt den nun? Im Endeffekt wird es wohl eine Schaltung mit einem MOSFET. Wie berechne ich den jetzt R53 und R54 (R14,R13 blaue Schaltung von HildeK), oder sind das Erfahrungswerte?
@ Max Durst (Firma: Hobby) (fmhweb) >Im Endeffekt wird es wohl eine Schaltung mit einem MOSFET. Die ist bei dir aber noch falsch. Source gehört an GND, nicht +5V. >sind das Erfahrungswerte? Ja. MFG Falk
Beim MOSFET muss die Source an GND und nicht an +5V. Bei der linken Schaltung kaempfen der PNP Transistor und der Ausgang des uC gegeneinander da kein Basisvorwiderstand vorhanden ist. Max Durst schrieb: > Wie berechne > ich den jetzt R53 und R54 (R14,R13 blaue Schaltung von HildeK), oder > sind das Erfahrungswerte? Zum Teil. Die 10 Kohm sind nicht kritisch sie dienen lediglich im Hochohmigen Fall des Port Ausganges einen definierten Pegel sicher zu stellen. Der 100 Ohm begrenzt den Umladestrom des Gates auf rund 50mA beim Einschalten des MOSFETs.
Das wird ja immer schlimmer, vollkommen verwirrt. R53 gehört nicht in Variante2, sondern in Variante1 in die Zuleitung vor den BC328 PNP. R53 in Variante2 ist nicht schädlich, aber überflüssig, während er in Variante1 unbedingt notwendig ist, 2k2 würden aber reichen. R51 von Variante1 soll von der Basis nach Masse, nicht vom Kollektor. WENN deine LEDs maximal 30mA vertragen, UND du 48 LEDs installieren willst, also 480mA schalten musst, dann tut es ein BC337 alleine: LEDs mit 480mA gesamt | AVR --180R--+--|< BC337-40 | |E 10k | | | Masse Denn die 24mA kann der AVR gerade eben noch liefern (er liefert bestimmt 20mA, vielleicht mehr, aber auch 20mA sind bei -40 BC337 ausreichend um 480mA schalten zu können, zumal deine LEDs so ausgelegt werden dass nicht MEHR als 30mA pro LED fliessen, vermutlich wird es etwas weniger sein). Einen MOSFET musst du also nicht extra kaufen.
>Im Endeffekt wird es wohl eine Schaltung mit einem MOSFET. >Die ist bei dir aber noch falsch. Source gehört an GND, nicht +5V. Da habe ich die Schaltung von HildeK falsch interpretiert. Ich habe öfters Schaltungen mit so einem Pfeil gesehen, wo +5V dran steht. >Das wird ja immer schlimmer, vollkommen verwirrt. Wohl war, wohl war. >Denn die 24mA kann der AVR gerade eben noch liefern... Dann mache ich es jetzt so.
@ Max Durst (Firma: Hobby) (fmhweb) >Dann mache ich es jetzt so. Bist du so blöd oder tust du nur so? Nimm diese Schaltung http://www.mikrocontroller.net/attachment/108148/SShot_020.png Und fertig. Und dann vergiss das Projekt, es ist eh sinnlos. Aber vielleicht hast du ja ein klein wenig über Transitoren gelernt. MFG Falk
Falk Brunner schrieb: > @ Max Durst (Firma: Hobby) (fmhweb) > >>Dann mache ich es jetzt so. > > Bist du so blöd oder tust du nur so? Nimm diese Schaltung > > http://www.mikrocontroller.net/attachment/108148/SShot_020.png Mit dem oben genannten IRLZ34N. Fertig ist die Kiste.
Für mich wahr es eigentlich erst einmal wichtig zu erörtern wo ich Fehler mache. Im Endeffekt wird es wohl sowieso eine Gerät mit Leuchtröhren und Mosfet. Ausserdem ist es ein Hobby für mich. Ob das Teil morgen oder in 10 Jahren fertig ist, ist mir egal. Naja. Ich werde mir mal ein anderes Forum suchen.
Bitte melde dich an um einen Beitrag zu schreiben. Anmeldung ist kostenlos und dauert nur eine Minute.
Bestehender Account
Schon ein Account bei Google/GoogleMail? Keine Anmeldung erforderlich!
Mit Google-Account einloggen
Mit Google-Account einloggen
Noch kein Account? Hier anmelden.





