Hallo, ich hab da mal eine Frage, ich benötige eine Steuerung um eine LED Blinken oder besser besagt Blitzen zu lassen. Die LED ist eine 10mm 3,2V 150mA, und ich frage mich wie ich diese korrekt Treiben kann. Erst dachte ich an einen mC jedoch bin ich mir unsicher wie ich die 150mA am besten bereit stellen kann. Sorry bin Noob, habt Nachsicht. MfG Tiny
Wenn Noob, dann nimm ne ganz einfache Schaltung mit nem 555 - gibt es zich im Netz.
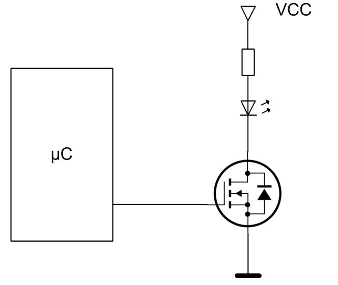
und wenn du es mit nem µC machen willst, nimmst du halt keinen Portpin sondern z.B. nen kleinen N-Kanal Mosfet oder einen Transistor.
Also Noob bin ich in Schaltungs/E-Technik allerdings hab ich schon einige Atmel mC´s programmiert daran scheitert es nicht. @Timmo Mosfet klingt einleuchtend, der kann natürlich mehr treiben. Wie ist das jetzt mit der Strombegrenzung ala Konstantstromquelle?
Ich hab da mal was vorbereitet (siehe Anhang). Die Schaltung war für eine Warnlampe mit 9 V Blocks gedacht. Wie man sieht funktioniert die Stromstabilisierung für verschiedene Ladezustände ganz gut. Die Z-Diode mit 4V habe ich als Ersatz für die LED benutzt. Gruß Andi
Ok Widerstand reicht also? Sorry Andi, da komm ich schon nicht mehr mit bei deiner Schaltung :-(
Tiny schrieb: > Ok Widerstand reicht also? Was heißt das? > Sorry Andi, da komm ich schon nicht mehr mit bei deiner Schaltung :-( Nicht schlimm. R1, R4, Q1, Q2 bilden die Konstantstromquelle. V1 Spannungsversorgung NE555 Zeitgeber IC R2, R3, C2 und die Verbindung von TRIG nach THRS sorgen für das Schaltverhalten (astabil) bzw. das Timing. C1 irgendeine Referenz (glaube ich). Wenn man für D1 3,1V (entspricht Deiner LED) und R1 470 Ohm läuft die Stabilisierung noch besser (delta i = 10 mA).
Tiny schrieb: > Ok Widerstand reicht also? Wenn du einfach mit nem Mosfet machen willst ja. Aber vergiss nicht, dass R_DS,On (vom FET) mit einzuberechnen. Also bei 5V VCC und R_ds,on von 3 Ohm, musst du also einen R von R = (5V - 3,2V)/(0,150A) - 3 Ohm = 9 Ohm haben, so übern Daumen
>Was heißt das? Das ging an das "Widerstand" von Tommy. Also könnte ich praktisch den linken Teil deiner Schaltung auch so an meinen mC hängen und mein "Blitz"-Timing in Software machen? Dein NE555 erzeugt also lediglich die Blinkfrequenz und kein PWM für den Konstandstrom?
Wer ist den Tommy? Egal... im einfachsten Fall einfach so eine Schaltung, mache ich seit eh und je so mit meinen IR-LEDs. Ich nehme gerne so wenig Bauteile wie möglich
Sorry Timmo natürlich, so ist das wenn man glaubt und nicht liest^^ Das sieht sehr gut aus und gibt mir auch gleich mehr Raum um mehrere Leds anzusteuern. Kannst du mir evtl. einen Mosfet für meine Anforderung empfehlen?
Ansonsten gibt auch hier eine MOSFET-Übersicht Wichtig ist halt Logiclevel, also solche die bei TTL Pegel am Gate (U_GS) schon sauber durchschalten.
Solange VCC konstant bleibt kannst Du die Schaltung von Timmo natürlich
nutzen.
>Dein NE555 erzeugt also lediglich die Blinkfrequenz
Ja!
Nur der Vollständigkeit halber:
www.elektronik-kompendium.de/sites/praxis/bausatz_led-blitzer.htm
Ganz interessant wenn es ohne µC wirklich BLITZEN soll.
Tiny schrieb: > Dein NE555 erzeugt also lediglich die Blinkfrequenz und kein PWM für den > Konstandstrom? Du kannst allein mit PWM keine Strombegrenzung machen. Einen Widerstand oder eine KSK brauchst Du so oder so. Beide Lösungen bringen verlust- leistungsmässig keinen Unterschied. Gruss Harald
Ok danke, dann werde ich in Anbetracht eurer Beiträge wohl zu Timmo´s Methode greifen da sie einfach am wenigsten Bauteile und Platz benötigt. Wie kritisch sollte ich eigentlich den Strom von 150mA(nenn, max 300 laut Verkäufer) sehen, ich denke hier an max.1/10s high zu ca. 3-5s low? Könnte ich hier bedenkenlos an die 300mA gehen?
Harald Wilhelms schrieb: > Du kannst allein mit PWM keine Strombegrenzung machen. Doch - das macht man normalerweise mit einer Speicherspule. Jeder halbwegs moderne Schrittmotortreiber regelt damit unter Nutzung der Wicklungsinduktivität den Spulenstrom.
Tiny schrieb: > Wie kritisch sollte ich eigentlich den Strom von 150mA(nenn, max 300 > laut Verkäufer) sehen, ich denke hier an max.1/10s high zu ca. 3-5s low? > Könnte ich hier bedenkenlos an die 300mA gehen? Solche Infos stehen meistens genau in den Datenblättern der LEDs. PWM dient eigentlich nur zur Einstellung der Helligkeit. Der Halbleiter selbst ist sehr schnell. D.h. es fließt immer der volle Strom bei High-Signal. Das kann man nur durch eine Schaltung verringern, wie Willi gerade angemerkt hat. Aber mit Spulen und LEDs wäre ich vorsichtig. Da können gefährliche Spitzen entstehen.
Bitte melde dich an um einen Beitrag zu schreiben. Anmeldung ist kostenlos und dauert nur eine Minute.
Bestehender Account
Schon ein Account bei Google/GoogleMail? Keine Anmeldung erforderlich!
Mit Google-Account einloggen
Mit Google-Account einloggen
Noch kein Account? Hier anmelden.

