Hallo miteinander, jeder von Euch weiss was für eine feine Sache ein Oszi doch ist. Jedoch sind die Geräte sehr teuer, und auf ein Gebrauchtgerät bei Ebay habe ich auch weniger Lust. Hat jemand von Euch Erfahrung mit Oszilloskopkarten für den PC, oder sonstiger alternativen Oszi-HW gemacht, die mit entsprechender Software die gleiche Funktionalität vorweist. Wenn ja, was kann empfohlen werden zu welchem Preis und bei welchem Anbieter? Wovon ist abzuraten? Die Frage ist natürlich immer nach der Anwendung und den Genauigkeitsanforderungen. Ich sags mal so, in meinem Fall wäre ein Oszi nur "nice to have" bzw. für kleinere Messungen. Wäre echt nett wenn jemand von Euch ein paar Antworten parat hat. Christian
Hallo Ich habe inzwischen mit analogen und digitalen bzw. PC-basierten Oszilloskopen gearbeitet. Wenn du das Gerät nicht mobil einsetzen willst, dann ist meiner Meinung nach ein "gewöhnliches" analoges bzw. anlog-digitales Oszilloskop am praktischsten. Störend ist schon, wenn man warten muss, bis der PC hochgefahren ist. Dazu kommt die Bedienung und die Robustheit im Werkstattbereich. Da dünkt mich ein "gewöhnliches" Oszilloskop auch um vieles besser. Inzwischen gibt es bereits recht günstige Geräte schau doch z.B. mal unter Hameg bei Reichelt. Mit alle diesen Geräten findet man daheim im Normalfall das Auslangen. Dazu kommt, dass so ein Gerät ja auch eine Investition darstellt. Und wenn man bedenkt, wie viel Geld man für immer wieder neue PCs ausgibt. Da hat man eine einem Oszi jedenfalls viel länger Freude. Beste Grüsse Gerhard
" die mit entsprechender Software die gleiche Funktionalität vorweist. " das glaub ich kaum. und wenn, dann deutlich teurer als ein normales gerät.
ich habe noch russische Universal und Speicheroszis herumstehen, für 20 Euro +Versand kannst Du ein 2 Kanalgerät bis 50Mhz haben, IMHO immernoch um längen besser, als diese PC A/D Karten, wenn auch groß und schwehr.. Gruß, Holm
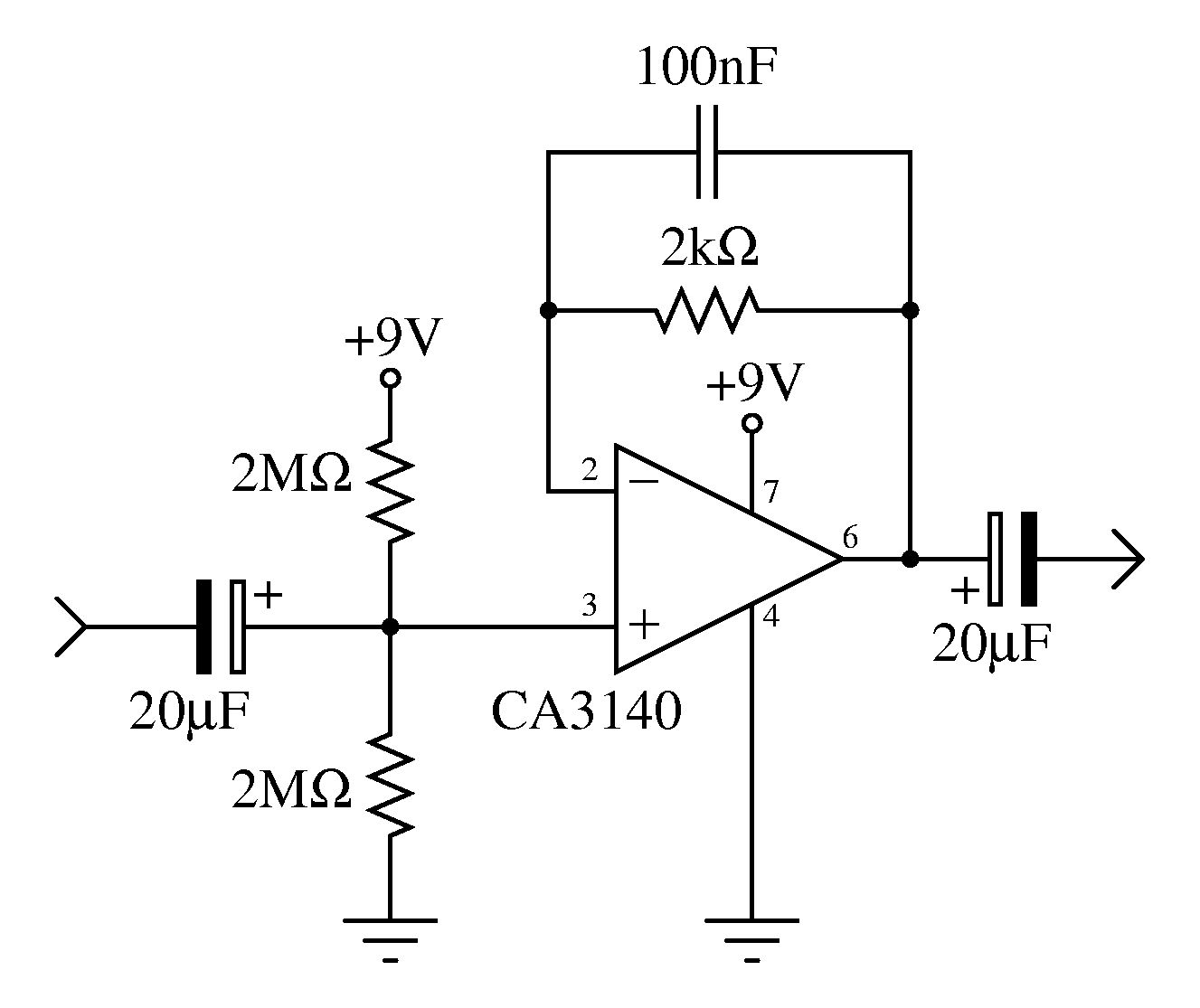
Hallo Christian! Ixh habe hier ein Programm namens OSCI 1 auf dem Rechner, welches man im Netz laden kann. Es nutzt die Soundkarte. Dazu habe ich mir eine kleine Zusatzschaltung mit einem TL082 gebaut (Spannunmgsfolger), um die Meßquelle nicht so sehr zu belasten. Das klappt ganz gut für niedrige Freqenzen. MfG Paul
Ich habe mir ein Hameg HM203-4 bei Ebay ersteigert, reicht für meine Zwecke aus und war günstig (ca. 150 EUR) würde es jederzeit wieder machen, falls ich eines suche...
Hallo "Holm"! Ich melde mal Interesse an Deinem Oszi an! Kannst Du´s mal näher beschreiben und evtl. ein Foto reinstellen? Ist es noch voll funktionstüchtig? mfg Flo
hallo paul, hast du einen schaltplan für den spannungsfolger? Danke für die Info...
Ich habe hier mal die erste Seite der Beschreibung des russischen Speicheroszis C8-12A gescannt, freundlicherweise hatten die da auch noch ein Schwarzweißfoto desOszis eingeklebt... Die Maße des Gerätes sind 496x490x215mm, die Masse beträgt 30Kg! Das Oszi besteht aus dem Grundgerät, einem X und einem Y Einschub, letzterer mit 2 Kanal Schalter. Das Besondere (besonders doofe) an diesem Gerät ist, daß er von Hause aus nur Speicherbetrieb vorgesehen hat, keinen nicht speichernden Betrieb, d.h. es erfolgt ein X Trace mit Speichern, Wartezeit, Löschen und ein erneuter Trace.. Das macht sich im dormalen Betrieb doof. Ich besitze auch noch einen C1-70 Universaloszillografen mit den selben Abmessungen, die Masse wird ähnlich sein, der nutzbare Bildschirm ist etwas größer. Dieses Gerät ist ein normales Oszi mit den Selben Daten (fmax 50Mhz, 10mV-500V, kleinste X Ablenkung ist wohl 50ns/Teil). Dieser Oszi benutzt die selben Einschübe. Ich habe bei Ebay mal eine Auktion gesehen, bei der der Verkäufer einen C8-12 mit Modifikation (für 100Euro, ziemlich unverkäuflich) angeboten hat, er hat in mit einem zusätzlichen Schalter die Sperrung des X Einschubes unterbrochen, so das das Oszi auch im nicht speichernden Betrieb einsatzfähig ist. Wie konkret weiß ich aber nicht. Die Schaltpläne zu den Einschüben und dem Grundgerät habe ich, das sollte sich also herausfinden lassen. Diese Modifikation erscheint mir logisch, da sich die Bildröhre mit den Reglern an der Frontplatte so einstellen läßt, das nur ein Leuchtpunkt durchläuft und keine speicherung stattfindet. Wenn also Jemand so ein Teil haben möchte (C1-70, oder C8-12A) dann bitte nochmal melden, ich benötige die Geräte nicht mehr, habe ausreichend Oszillografen (C1-91, Tek 7603 und 7633, EO213, EO174, C9-8 und noch einen Doppelstock-C1-70 mit 2 Strahlen...). Mir sind die Geräte zu schade zum (wieder) wegwerfen, ich hatte die teilweise als ausgesonderte Geräte geschenkt bekommen oder aber vom Elektronikrecycler für 10 Euro gekauft und in Ordnung gebracht. Die Eichung dürfte halbwegs Ok sein. Die 20 Euro sind dabei mehr für meine Umstände (verpacken und versenden) als für die Geräte, Selbstabholer können die auch umsonst haben.. Ich habe im Prinzip 2 C8-12A und einen C1-70 abzugeben, ein C8-12A funktioniert auch, aber es müßten noch 4 Drahtwiderstände gewechselt werden. Bei einem der funktiuonierenden Geräte fehlt der Plastiktubus an der Front, den wollte ich noch von dem mit den Drahtwiderständen umschrauben, weil der andere eine bessere Bildröhre (gleichmäßigeres Speicherbild) hat. Allerdings hat sich da bei mir seit einem dreiviertel Jahr nichts getan. Hier gibts die beiden Scans: http://www.tiffe.de/images/C8-12A-1.gif http://www.tiffe.de/images/C8-12A-2.gif PS: Ich bitte einen eventuellen Versand ins Ausland auf Grund der Masse undder Maße zu überdenken... Gruß, Holm
@Holm: Wo müsste man denn hinfahren zur Abholung, bzw. was würde der Versand innerhalb Deutschlands kosten?
Naja, ich wohne in einem kleinen Dorf (eigentlich kein Richtiges) 1km von Freiberg in Sa. Das liegt genau in der Mitte zwischen Dresden und Chemnitz an der A4, B173 und B101. IIch bin also Ossi und dazu auch noch Sachse :-)) Versand? keine Ahnung, innerhalb Deutschlands packt es wohl GLS über die 4ma preiswerter als die Post, die es ja eigentlich (>20Kg) gar nicht packt, wieviel genau, weiß ich aber jetzt auch nicht (Webseite nachsehen?) Gruß, Holm
Naja, die Post (DHL) würde sowas schon machen, als sogenanntes "ePaket". Kostet pauschal 10 Euro und kann bis 31,5 kg wiegen (Abmessungen max 120x60x60 cm). Und das Paket wird zu Hause abgeholt. Hab ich schon mal probiert, war allerdings länger unterwegs, als ein normales Paket. Gruß Ingo
@Chris: Wenn Du das willst, fahre dieses WE genau in die Richtung nach Freiberg. Das Teil würde aber dann im Raum Konstanz stehen. @Holm: Fahre nach Reichstädt und am Sonntag wieder zurück. War nur ein Angebot... Gruß Stevko
Hallo Christian! Hier ist die Schaltung. Die Anschlüsse des TL082 sind aber anders und zwar so -2 (6) + 3 (5) Ausgang 1 (7) +UB 8 Masse 4. MfG Paul
@Holm: Das C1-70 ist auch ein 2-Kanal-Gerät, oder? Google findet dazu leider nichts (oder ich bin zu doof). :-/ Ist es soweit voll funktionstüchtig? Liegen Tastköpfe bei? Ich bin leider ziemlicher Anfänger, was Oszilloskope angeht, und bräuchte daher ein "Grundgerät", mit dem ich einfache Schaltungen ausmessen und erste Erfahrungen sammeln kann. Daher denke ich, dass ich mit dem C1-70 mehr anfangen könnte als mit dem Speicheroszilloskop (besagte Modifikation würde ich eh sicher noch nicht hinbekommen). Oder seht ihr das anders? Ich melde hiermit also mal Interesse an, kann aber noch nicht sicher sagen, ob ich es nehme (ist schon recht wuchtig für ein kleines Zimmer). Ich denke aber, dass ich mich bis morgen entschieden habe. @Stevko: Leider ist Konstanz nur ein wenig näher an meinem Wohnort (Raum Frankfurt/M) als Freiberg, und leider beides viel zu weit weg für eine Abholung. Also käme wohl nur Versand in Frage. Aber danke für dein Angebot. mfg, Chris
das C ist ein russisches S, vielleicht findest Du deshalb nichts mit Google. Ich hatte den Großen Bruder in Benutzung C1-74. Doppelt so hoch, 4 Kanäle, hat mir mein 2Meter Signal (145Mhz) noch sauber dargestellt. Die Russenteile sind (für ihre Generation) echt spitze!! Solide verarbeitet, jede Lötstelle nochmals mit Lack gesichert. hAtte mal den Zeitablenkeinschub draussen (Neugier). Ich kann's nur empfehlen. Mein C1-74 war allerdings selbst für GLS zu schwer. Der Student aus Rostock kam auch mit dem Auto vorbei. Musste meinen leider wegen Umzug abgeben. Sonst bleibt noch die Möbelspedition im Ort. Ein Gitterboxenstellplatz im LKW (Oszi in zwei Decken eingewickelt) hätte von Potsdam nach Rostock 45 Euro gekostet. Viel Spass beim osziiieren ;-)) AxelR.
Hallo Chistian, ich hab hier in Frankfurt noch ein HM 312, kann aber keine Garantie für funz übernehmen, evtl. mal ansehen. Wollte eine mail schreiben aber gmx schmeisst sie mir immer wieder vor die Füße. Gruß Dieter
@chris: Ja, der C1-70 ist ein Einstrahl Zweikanalgerät, genauso wie die C8-12A. Ich halte die Modifikation der C8-12A auch nicht für sonderlich kompliziert, die Schaltpläne mit deutscher Beschreibung und deutsch bezeichneten Signalnamen sind ja da, sowohl vom C8-12A als auch von C1-70. Die Geräte haben an der Rückwand übrigens Füße, man kann diese also ggf. Hochkant an die Wand stellen, wenn man sie erade nicht braucht. Betreffs Tastköpfe, ja da sind welche da, aber die will man nicht wirklich verwenden. Da sind bei Ebay ständig welche im Angebot, relativ preiswert, umschaltbar von 1:1 auf 1:10, damit kommt man sicher besser, da die deutlich filigraner gearbeitet sind, die russichen Originale ziehen Dir schon mal die Schaltung vom Tisch.. @AxelR: ja, mit Doppelstockgerät meine ich den C1-74, der steht noch in meiner Bastelbude herum. Übertreibe mal nicht, der ist nur 1 Drittel höher als die anderen Beiden :-) Der steht noch da, weil ich auch noch Samplingeinschübe und Differenzvertärker zu diesem Gerät habe. Sowas habe ich zwar auch noch für den C-91 (Tektronix Nachbau) aber den Kram muß ich erst noch reparieren, Scheiß Tunneldiodenmimik.... Hatte Dein C1-74 auch eine Blaue Bildlampe? Gruß, Holm
>Hatte Dein C1-74 auch eine Blaue Bildlampe?
na Hammerhell blau das Teil. habe ich beim ersten Mal einen richtigen
Schreck bekommen...
Ich hatte meinen übrigens auch Hochkant unterm Tisch in Benutzung.
klappt(e) sehr gut.
Gruß
AxelR.
@AxelR Ja, Hammerhellblau :-), hatte mich auch gleich fasziniert .. Ich habe mal mit einer Billigen CCD Kamera ein Foto schießen wollen und habe erstaunt festgestellt, daß das Ding bei einer für das menschliche Auge normalen Bildhelligkeit völlig übersteuerte Bilder lieferte. Die richtige Einstellung lag dann bei "Strahl für mich kaum sichtbar", und ergaben gute Oszillogramme auf der Digikam. Ergo sind die Dinger sehr blauempfindlich (oder zu mindest das Teil was ich da hatte). Die normalen grünen Schirme holen da nicht soviel raus. Gruß, Holm
Gut soweit, jetzt habe ich einen Agilent 54622D, der jedoch keine Alternative zu einem teuren Oszi darstellt, weil es eben ein teurer ist. Viel Spaß noch zusammen AxelR.
@Stevko falls Du da hochfaehrst, ich haett interesse an so nem Ding :) als angehender e-techniker koennte das vielleicht noch ganz praktisch sein... Abholung im Raum Konstanz (wo genau?) waer kein groses Problem, von Ulm aus ist das nicht so furchbar weit.. wegen naerern deteils koennen wir uns ja per mail unterhalten. Falls es von Dir aus ok waer :) @holm falls das Angebot noch steht, wuerde ich mich fuer das C1-70 interessiern. Selber abholen kann ichs leider net, dass waer dann doch etwas zu weit, notfalls eben per versand. naeeres dann vielleicht auch per Mail :) Gruss, Hermann
@Herrmann und @Chris: Kaspert das mal unter Euch aus und gebt mir Bescheid wer und wann das bei mir abholen soll... Gruß, Holm
@Holm: Ich habe mich nun entschieden und würde das C1-70 sehr gerne nehmen. Da ich in jedem Fall zu weit weg wohne, käme wohl nur der Versand in Frage. Ich werde mich aber zuerst mit Hermann in Verbindung setzen und die Sache mit ihm klären.
@holm Ich denke, wir haben uns geeinigt, hatte leider übersehen, daß Chris schon früher interesse angemeldet hatte. Dann würde ich mein Glück mal mit einem C8-12A versuchen. Wenn Du's als "epaket" verschicken könntest, wärs fast das einfachste, Abholung in Konstanz wär auch möglich, wenn sich Stevko nochmal meldet. Gruß, Hermann
@Hermann: 500x500x220 passt genau zwischen die Sitze. Fahre am Sonntag Nachmittag von Reichstädt los. Vor Ulm(Richtung Nürnberg-Ulm) ist doch eine Autobahn-Raststätte. Dort könnten wir uns treffen. Es wird spät werden ca.24Uhr aber ich mache dort immer Rast, also ist die Sache kein Akt. @holm: Hast Du Sonntagnachmittag Zeit? Fahre immer Reichstädt-Hilbersdorf-Freiberg-Frankenberg(tanken) und dann Autobahn. Brauche aber den Ort+Straße. Falls es so klappen solte Telefonnummern bitte an die e-mail. Gehe jetzt nach Hause, morgen ab 8.00Uhr wieder verfügbar. Gruß Stevko
hi, habe hier noch nen EICO430, kann mir vielleicht einer was zu diesen gerät sagen bzw. einen link geben.. MfG Michael
ok mail ist angekommen! da ich zu Hause kein email habe noch kurz paar Punkte bevor ich los fahre. @holm: Fahre zwischen 15.00-17.00Uhr los und brauche ca. 30min bis zu Dir. Ich rufe aber vorher an, damit Du Dich darauf einstellen kannst. @hermann: wie lange brauchst Du bis zur Raststätte? Denke daran, Seite: Richtung München. Ich lade die Bombe bei Holm ein und hoffe das die Abmaße stimmen. Falls doch was schief gehen sollte rufe ich Dich von Holm aus an. Wie finde ich Dich in der Raststätte? Schlage vor, daß Du einen Schraubendreher oder einen Lötkolben auf dem Tisch liegen hast. Also wollen wir hoffen das alles klappt. Gruß Stevko
@Stevko könntest Du mir bitte (vielleicht als Mail) den Namen der Raststätte und zwischen welchen Ausfahrten die liegt, schicken, bin mir nämlich net ganz sicher, welche du meinst. bis denn, Hermann
bzw, meir mal eine tel.-nummer mailen, dann können wir die deteils klären :) Gruß, Hermann
@Hermann: die Raststätte heist "Lonetal" und liegt zwischen Herbrechtingen und Langenau an der A7. Richtung Heidenheim-Ulm-München, da ich ja von Nürnberg komme. Gruß Stevko
Ah, ok, das find ich :) in ner halben Stunde müßte ich dort sein, wenn Du also 45min. vorher anrufst, müßte es auf jeden Fall reichen. Ich kann ja einfach bei den Tankstellen-Kassen warten und da in den Zeitungen rumlesen bis du aufkreuzt. Gruß, Hermann
@holm erstmal vielen Dank, das Oszilloskop steht wohlbehalten neben meinem Schreibtisch. Sitz grad noch in der Uni, deswegen hatte ich noch keine Zeit, daß Gerät genauer anzuschauen, ich werd mich nochmal melden, wenn die ersten Fragen auftauchen :) @Stevko Dir auch nochmal vielen Dank für den Service :) Gruß, Hermann
Hallo Ihr! Ich bin nur durch Zufall hier vorbeigekommen... fg... und habe die Diskussion um die Russenoszis etwas mitverfolgt.... Das Speicheroszi C8-12A lässt sich ( mit einem kleinen "Trick") auch ohne Speicherfunktion betreiben, es ist dazu kein Eingriff im Gerät notwendig. Allerdings sollte man dafür mit dem Gerät schon etwas vertraut sein, ansonsten könnte man die Speicherröhre "schiessen".... Ich habe meines noch immer im täglichen Betrieb, trotz des eigentlich nervenden Pfeiftones der Hochspannungserzeugung und des mittlerweile rappelnden Lüfters...... Viele Grüsse von jemandem, der aufgund seiner Herkunft eigentlich eher mit HAMEG arbeiten sollte...*sfg* Gruß Thomas
@Thomas M Das hört sich interessant an :) meinst Du, Du könntest den "Trick" etwas näher beschreiben? Gruß, Hermann
@Hermann;
Für den Fall, dass Du das Gerät bereits etwas kennen- und
schätzengelernt hast, hier nun die Vorgehensweise für den
"Direktbetrieb". :-)
Zuerst drehst Du die Regler für die Löschamplitude und des
Targetpotentiales auf Linksanschlag (an der Grundbaueinheit) .An dem
Einschub der Zeitablenkung (1P91); sollte bei Dir eine Andere verbaut
sein, dann ***
Darauf befinden sich diverse Steckbuchsen. Eine ist mit "Bereit FS"
beschriftet. Desweiteren befindet sich rechts daneben eine Buchse, die
den Aufhellimpuls ausgibt; ist mit _| |_ beschriftet; diese beiden
Buchsen verbindest Du miteinander. Die Drehwahlschalter für die
Periodendurchgänge stellst Du auf "1Durchgang" ein, den Schalter
"Einmalig" auf "aus". Die Triggerung vorerst mal auf "Auto"
("Intern" oder "Netz").
Nach dem anschliessenden Einschalten musst Du noch kurz die
"Selbstlöschung" einschalten, jetzt sollte die "Nulllinie" nach
kurzer Zeit erscheinen. Den Regler "Selbstlöschung" nun wieder auf
"aus".
Stelle bitte UNBEDINGT den Schreibstrahl nur so hell ein, wie es zur
genauen Signalbeobachtung notwendig ist. (Im Normalfall sollte der
Strahl ja nur die Maske "zeichnen" und nicht das Signal darstellen.
Der nicht "beschriebene" Hintergrund wird nach kurzer Zeit leicht
mitleuchten. Sollte dieses trotz des ganz nach links gestellten
Targetpotentialreglers zu stark sein/werden, müsste dieses im
Geräteinneren etwas "nachabgelichen" werden.
Ach ja; noch kurz: Es kann vorkommen, dass nach schnellem Umschalten
der Zeitablenkung "nichts mehr zu sehen ist". Dann nochmals mit dem
Selbstlöschungsregler" neu "starten". :)
So, nun viel Spass beim Messen :-)
Natürlich könnte ich auch einen Schalter für 100 EUR nachrüsten, ich
dummer Hund ich...*fg*
Gruß
Thomas M
@ Thomas M viele Dank für Deine Tipps, werds nächste Woche mal ausprobieren, im Moment hab ich leider zu viel um die Ohren. Ist echt ein nettes Speilzeug, dieses Ding :) nur die Geräuschkulisse ist etwas gewöhnungsbedürftig g Gruß, Hermann
@ Holm; Ich krame den alten Thread mal wieder hoch.... Holm, Du hattest geschrieben, dass Du u.A. auch ein C1-91 Oszi hast. Ich bräuchte die Unterlagen von dem ding, könntest Du mir da evtl. weiterhelfen? Danke und Gruss Thomas M
Hallo. PC gestützte Oszilloskope gibt es bei Meilhaus Electronic in Puchheim. => http://www.meilhaus.de/usbmobil/index.htm Hier gibt es 1 bis 4 Kanal Oszilloskope mit derzeit bis zu 200 MHz. Bandbreite in unterschiedlichen Ausführungen. Diese Geräte kann man einfach per USB-Kabel an den PC anstecken. Preiswert und einfach zu bedienen: Ideal für Profis, Ausbildung, Hobby etc. Grüße Thomas Zeller (Vertrieb, Meilhaus Electronic) Meilhaus Electronic GmbH Fischerstr. 2 82178 Puchheim Deutschland Tel.: 0049/(0)89/890166-0 Fax.: 0049/(0)89/890166-77 http://www.meilhaus.de
Ein >> Gameboy << als Oszi.. Auf die Idee muß man erst mal kommen. Für alle die keine Spielkonsole umbauen möchten: => http://www.meilhaus.de/usbmobil/index.htm Grüße TZ
@Thomas was rechtfertigt denn den doch sehr hohen Preis dieser USB-Oszis? Bei 200MS/s (Echtzeit) geht es ja doch erst ab ca. 780EUR los. Und z.B. für das Pocket-Scope mit 1MS/s zahlt man auch schon knappe 300EUR. Sorry, aber ich steig da nicht ganz durch. Und warum gebt ihr immer ein equiv. Sample-Frequenz an? Was bringt mir die? Gruß filzlaus
Die Preise sind nicht hoch. Für vergleichbare Standalone Geräte zahlt man wesentlich mehr. Sie können ja mal ein Gerät bestellen, ich gebe Ihnen 14 Tage Rückgaberecht. Wenn Sie wirklich nicht zufrieden sind können Sie es zurückschicken. In dem PocketScope ist außerdem noch ein Frequenzgenerator mit drin. Diese USB Oszis sind sehr gefragt von Unis, Forschung, Industrie, Automotive etc.. Dass sich tausende von Anwendern bei diesen Produkten geirrt haben sollen, davon weiß ich nichts. Da hätte unser Support auch viel zu tun. Ein schönes Wochenende. Grüße TZ
Jaja, die haben auch immer Geld übrig. Gerade was an Unis ausgegeben wird für NI-Karten, wo's auch andere tun würden... Aber jetzt genug der Werbung, Herr Meilhaus. Sven
Die Preise sind nicht hoch. Für vergleichbare Standalone Geräte zahlt man wesentlich mehr. Sie können ja mal ein Gerät bestellen, ich gebe Ihnen 14 Tage Rückgaberecht. Wenn Sie wirklich nicht zufrieden sind können Sie es zurückschicken. Aha,... na wers glaubt ! PS: Es geht hier um die reinen technischen Daten
<< Aber jetzt genug der Werbung, Herr Meilhaus. Mein Name ist Thomas Zeller. << Aha,... na wers glaubt ! Für technische Beratung zu USB-Oszis. Tel.: 089/890166-64 Das Rückgaberecht bekommen Sie von mir. Unsere USB Geräte sind eine >>Alternative zu teurem Oszilloskop<< . MfG TZ
Hi es reicht dann trotzdem jetzt mit der Werbung. Wer sich für ein USB-Oszi interessiert wird die paar Hersteller schon selber finden. Matthias
Hallo iroy, gefällt, das kleine etwas. Hast Du noch mehr davon als nur nen Link auf das PDF ?? ROM File ??? Hat denn niemand den Eprom ausgelesen ?? Hier gibts doch sicher Leute die son Ding haben. Ist nichts für viele MHz aber immer noch besser als für jede Kleinigkeit den großen anzuheizen. Habe heute schon Stunden gegoogelt nach dem Teil. Aber niemand hat das ROM File. Der Rest müßte ja so zu machen sein. Danke Euch
Marcus, eben nicht. Der Link geht auf die Soundkarte als Oszi nicht zum Gameboy. Der Gameboy ist dann ein gaaaaaanz kleines DSO !!! Mich interessiert der Gameboy genauer das BIX oder HEX File vom Eprom. Soundkarte hatte ich schon vor Jahren !!! PC mit Batterien betreiben ??? Spannungswandler ?? NEEEEEEE !! Lieber Gameboy ;-)) An alle.......... suche das Hex File dafür !!!!!! Trotzdem Danke
Hallo, Ich bin gerade an ein universal Speicheroszilloskop C8 12A gelangt. Gibt es dafür noch Liebhaber oder tatsächlich Interessenten?
Hallo Holm, Ich suche noch ein sowjetisches C112A für meine Sammlung. Hättest du da was im Petto?
Euch ist bewusst, dass inzwischen über ein Jahrzehnt ins Land gegangen ist? Old-Papa
Bitte melde dich an um einen Beitrag zu schreiben. Anmeldung ist kostenlos und dauert nur eine Minute.
Bestehender Account
Schon ein Account bei Google/GoogleMail? Keine Anmeldung erforderlich!
Mit Google-Account einloggen
Mit Google-Account einloggen
Noch kein Account? Hier anmelden.
