Ich habe versucht eine Messschaltung für die Temperaturregelung zu entwerfen. Als Temperatursensor wird eint KTY-10 verwendet. Dieser soll mit einem Linearisierungswiderstand für den gegebenen Temperaturbereich (50-120°) beschaltet werden. Die nachfolgende Verstärkerschaltung soll so ausgelegt werden, dass die Ausgangsspannung zwischen 0 und 5 V liegt. Den Ansatz für die Schaltung habe ich. Die Eigenspannung liegt bei 12V. - Wie dimensioniere ich diese Schaltung? - Ist die Annahme für diese Schaltung überhaupt richtig? - Wenn, nein. Welche Möglichkeiten gäbe es noch?
> Ist die Annahme für diese Schaltung überhaupt richtig? Ja, aber der LT1001 ist 30 Jahre alt. Mit einem modernen Rail-To-Rail OpAmp wie TS912 reichen 5V als Versorgung, und zwar genau die 5V die auch der A/D-Wandler als Referenzspannung nimmt, dann muß man sich um deren Präzision keine Gedanken mehr machen und spart die +15V, -15V und +12V Versorgung. > Ich habe versucht eine Messschaltung für die Temperaturregelung zu > vntwerfen. Der Zettel sieht 100% nach Hausaufgabe aus. Hausaufgaben machen lassen ist wie abgucken. Erst mal suchen den passenden Linearisierungswiderstand. Dann rechne aus, was die Parallelschaltung für Widerstandswerte hat bei 50 GradC (nennen wir R50) und 120 GradC (nennen wir R120). Dann nimm den Mittelwert davon, nennen wir ihn R, da soll die Schaltung 2.5V liefern. R4 = R R5 = R3 = R1 = 2.5/R*12-R R6 = R5 * (2.5 / (2.5 - 12/(R50+R1)*R50) -1) Und für deinen Lehrer überlegst du noch, was die einzelnen Terme der letzten Formel ausrechnen.
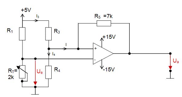
Danke. Ich hab jetz eine neue Lösungsvariante. Wobei sich die Aufgabenstellung ebenfalls änderte. Es darf jeder beliebige Wert für die Eingangsspannung angenommen werden. Für mich war es daher naheliegend 5V für Ue anzunehmen. Nur weiß ich nicht wie ich auf die Widerstandswerte R1, R3 und R4 kommen soll? R5 ist der Linearisierungswiderstand den ich berechnet habe.
> R5 ist der Linearisierungswiderstand den ich berechnet habe. Toll. Vielleicht solltest du ihn auch da einlöten, wo der Linearisierungswiderstand hinkommt ? http://www.nxp.com/acrobat_download2/literature/9397/75016148.pdf > Ich hab jetz eine neue Lösungsvariante. Die Schaltung ist auch möglich, wäre mit einem Rail-To-Rail OpAmp natürlich nicht auf die +15V/-15V angewiesen, ersetzt die obige funktionsgleich, ist aber etwas schwerer auszurechnen, weil erst mal nur das Verhältnis von R3|R4 berechnet wird und der Absolutwert dann entsprechend dem notwendigen Verstärkungsfaktor zu R5 passen muß.
>> Ich habe das mal mit einem KTY11-5 gemacht. > >Linearisiert ? Wo ? Mit R1 natürlich: http://de.wikipedia.org/wiki/Linearisierung_von_resistiven_Sensoren
Ok, das ist ja ausführlich. Geht natürlich ohne Werteangabe für R1 ganz gut :-)
Na-na, nicht so hämisch... Etwas Rechnen und Probieren ist doch der Spaß beim tüfteln! Aber was bringt der 100n direkt beim Sensor für einen Vorteil? Und die zweiadrig verdrillt-geschirmte Leitung, wenn ein "Bein" sowieso auf Schirm- und Massepotential liegt?
>Aber was bringt der 100n direkt beim Sensor für einen Vorteil? >Und die zweiadrig verdrillt-geschirmte Leitung, wenn ein "Bein" >sowieso auf Schirm- und Massepotential liegt? Schutz gegen ESD.
Für den Linearisierungs-Widerstand gibt es eine relativ einfache Formel. Man wählt den Temperaturbereich (Ta und Tc), der linearisiert werden soll. Die 3. Temperatur Tb ist die Mitte von beiden. Für diese 3 Temperaturen liegt die Kurve genau auf einer Geraden, wenn man die nachfolgende Formel berechnet. Mit den zugehörigen Widerständen Ra, Rb, Rc des Sensors ergibt sich der Vorwiderstand Rv zu: Rv=((Rb*(Ra+Rc)-2Ra*Rc)/(Ra+Rc-2Rb) Das habe ich in einer alten Applikation von Philips gefunden.
Auf der Seite von www.sprut.de gibt es ein einfachen Vorschlag zur Linearisierung eines KTY81 und der Messwertumwandlung in Celsius. http://www.sprut.de/electronic/pic/projekte/thermo/thermo.htm
@ Elena: Den ESD-Schutz verstehe ich schon, aber: - Die 100 nF direkt am Sensor sind beim Einsatz des Sensors recht hinderlich, weil er damit größer wird und nicht mehr überall reinpasst . Am Ende des Kabels wirken die 100 nF bestimmt genau so gut. - Wenn eine Ader auf Schirmpotential liegt, kann man sie doch gleich durch den Schirm ersetzen - somit sollte eine einadrig geschirmte Leitung genügen. Verbessere mich bitte, wenn ich was übersehe!
Ralli schrieb: > - Die 100 nF direkt am Sensor sind beim Einsatz des Sensors recht > hinderlich, weil er damit größer wird und nicht mehr überall reinpasst . > Am Ende des Kabels wirken die 100 nF bestimmt genau so gut. Nein. Ein Spike der auf der Leitung entsteht, kann durchaus am KT ankommen, bevor ihn am anderen Ende der C abfängt. > - Wenn eine Ader auf Schirmpotential liegt, kann man sie doch gleich > durch den Schirm ersetzen - somit sollte eine einadrig geschirmte > Leitung genügen. Nein. Der Schirm sollte nur am Gerät aufliegen, sonst fließt ein Strom durch den Schirm und erzeugt eine Potentialdifferenz. Und auch nicht am Anschlusspunkt des Sensors, sondern am Gehäuse oder Massepunkt der Speisespannung.
>> - Die 100 nF direkt am Sensor sind beim Einsatz des Sensors recht >> hinderlich, weil er damit größer wird und nicht mehr überall >> reinpasst . >> Am Ende des Kabels wirken die 100 nF bestimmt genau so gut. > >Nein. Ein Spike der auf der Leitung entsteht, kann durchaus am KT >ankommen, bevor ihn am anderen Ende der C abfängt. Genau. Das Datenblatt meint schon den Anschluß des Caps direkt über den Pins des Sensors. Und 100nF in SMD bereiten heute auch keine Platzprobleme mehr. >> - Wenn eine Ader auf Schirmpotential liegt, kann man sie doch gleich >> durch den Schirm ersetzen - somit sollte eine einadrig geschirmte >> Leitung genügen. > >Nein. Der Schirm sollte nur am Gerät aufliegen, sonst fließt ein Strom >durch den Schirm und erzeugt eine Potentialdifferenz. Und auch nicht am >Anschlusspunkt des Sensors, sondern am Gehäuse oder Massepunkt der >Speisespannung. Ein Kabelschirm sollte niemals als Masserückleitung mißbraucht werden, weil alle Störungen, die über den Kabelschirm abfließen, sich dann zum Signal hinzuaddieren würden. Wird ein Kabelschirm dagegen als reiner Faraday-Käfig verwendet, kann man größtmögliche Störunterdrückung erzielen: Störungen, die den Kabelschirm beaufschlagen, fließen zur Masse ab, während das Innere des geschirmten Kabels weitgehend feldfrei bleibt, so, wie du im Inneren eines Autos vor Blitzschalg geschützt bist. So wird beispielswesie beim PROFIBUS gearbeitet: Die RS485-Leitung erhält einen Schirm, der beidseitig auf die Gehäusemasse/Erde aufgelegt wird. Die interne Signalmasse wird dagegen nur weich geerdet, mit 1...10nF/1kV auf beiden Seiten zur Gehäusemasse/Erde.
Mir hat die Linearisierung mit dem Vorwiderstand keine Ruhe gelassen. Ich habe mir deshalb eine Excel-Tabelle gemacht, um den Einfluss des Vorwiderstands zu berechnen. Die überall angegebenen 2k7 sind nur optimal für einen Temperaturbereich von 0° bis 85°. Im Anhang habe ich dargestellt, was für ein Außenthermometer für -20° bis 40° gilt. Es kommt ein Vorwiderstand von 1950 Ohm mit einem Linearitätsfehler von ± 0,07° heraus (siehe Bild 1). Real wird man aber die Kalibrierung bei z.B. 0° und 25° vornehmen - diese Punkte bestimmen dann den linearen Verlauf. Hierdurch wird der Fehler etwa verdoppelt auf ±0,15° (Bild 2). Das ist ja immer noch sehr gut. Das 3. Bild zeigt den Verlauf bei den typischen 2k7 und der gleichen Kalibrierung. Der Linearitätsfehler ist jetzt bei -20° auf 0,6° gestiegen. Ist ja alles nicht schlimm, aber warum soll man ohne Not den Fehler machen. Die Formel von gestern zu berechnen, ist ja schnell gemacht.
Hermann schrieb: > Für den Linearisierungs-Widerstand gibt es eine relativ einfache Formel. Ganz nett, danke für den Hinweis. Habe nämlich noch ein paar alte KTY10. Aber ich sah es mal anders, und zwar, daß einer in einer guten Anwendung 2 Widerstände verwendete, und zwar einen parallel zum KTY, und einen in Reihe zur Parallelschaltung. Soll besser sein. Der hatte die Berechnung auch gleich in einem Excel-Blatt, habe leider nicht sehr genau hinein geschaut. Sowas mit 2 Widerständen hatte ich auch schon mal im Fach Bauelemente an der FH. Allerdings wurde ein NTC linearisiert. Sollte aber genau so gehen.
Wilhelm Ferkes schrieb: > Sowas mit 2 Widerständen hatte ich auch schon mal im Fach Bauelemente an > der FH. Allerdings wurde ein NTC linearisiert. Sollte aber genau so > gehen. Mit 2 Widerständen habe ich noch nicht gesehen - müsste man mal ausrechnen. Ein NTC verhält sich aber völlig anders. Nicht nach einem Polynom wie der KTY, sondern nach einer e-Funktion. Man soll ihn mit einem Parallelwiderstand linearisieren können. Den berechnet man nach der gleichen Formel wie ich sie für den Vorwiderstand für den KTY angegeben hatte. Das habe ich hier gefunden: http://www.mikrocontroller.net/attachment/38106/vm22.pdf
Wilhelm Ferkes schrieb: > Aber ich sah es mal anders, und zwar, daß einer in einer guten Anwendung > 2 Widerstände verwendete, und zwar einen parallel zum KTY, und einen in > Reihe zur Parallelschaltung. Soll besser sein. Rs || Rp muss wieder den berechneten Wert ergeben. http://www.nxp.com/acrobat_download2/various/SC17_GENERAL_TEMP_4.pdf
Hermann und joe: Vielen Dank! Das kannte ich noch nicht, beschäftigte mich auch lange nicht mehr mit diesen Bauteilen. Hab hier zufällig hinein geschaut. Heute würde ich versuchen, die Kurve als Formel oder Tabelle direkt in einen µC zu laden, anstatt der Linearisierungsschaltung. Eines bleibt aber sicherlich: Und zwar die Kalibrierung jedes einzelnen KTY nach Auswechselung in einer Schaltung. Es sei denn, man mißt relative Werte, keine absoluten. Da ist es vielleicht verzichtbar.
@joe: Viele Dank für den Link. Danach habe ich lange gesucht - ich hatte nur eine vergilbte alte Kopie und da fehlte der Parallel-R. Jetzt wird klar, wozu man den Parallel-R braucht: wenn der berechnete Vor-R bei der gegebenen Versorgungsspannung einen zu hohen Strom ergibt und zur Eigenerwärmung führt. Bis 5V sollte der Parallel-R gerade noch entbehrlich sein.
Hermann schrieb: > Hierdurch wird der Fehler etwa verdoppelt auf ±0,15° Du Optimist. Hast Du mal geschaut, was so ein KT allein an Alterung hat? Wenn Du genau messen willst, nimm einen PT1000...
Sven schrieb: > Du Optimist. Hast Du mal geschaut, was so ein KT allein an Alterung hat? > Wenn Du genau messen willst, nimm einen PT1000... Altert der nicht? Wieso sollte man denn heute eigentlich keinen kalibrierten Fertigbaustein nehmen, der die Daten z.B. über I2C bereit hat? OK, was absolut genaues wird es nicht geben, Alterung ist immer ein Thema. Ich arbeitete mal mit Termoelementen Typ K. Und war da auch schon mit Alterung beschäftigt. Aber freiwillig, weil ich das selbst entdeckte. Nichts genaues weiß ich da aber, da es mal ein abgeschlossenes Diplomarbeitsthema bei mir war. Mit Ansätzen, da eine weitere Arbeit drauf aufzubauen.
>Du Optimist. Hast Du mal geschaut, was so ein KT allein an Alterung hat? Die Alterung läßt doch nichts zu wünschen übrig: http://www.b-kainka.de/Daten/Sensor/gentemp.pdf http://www.nxp.com/documents/other/SC17_GENERAL_TEMP_1996_3.pdf Wenn die Daten stimmen, dann ist die Langzeitdrift bei mittleren Dauertemperaturen kleiner als die Herstellungstoleranz, sodaß ein genauer Abgleich durchaus lohnen kann.
Sven schrieb: >> Hierdurch wird der Fehler etwa verdoppelt auf ±0,15° > > Du Optimist. Was meinst Du damit? Ich habe nicht gesagt, dass die Messung jetzt auf ±0,15 ° genau wird. Ich spreche nur von einem zusätzlichen Linearisierungfehler, den man leicht vermeiden kann. Die großen Fehler entstehen durch den nicht exakten Widerstand für 25° und die nicht genaue Kalibrierung bei den beiden Temperaturen.
Bitte melde dich an um einen Beitrag zu schreiben. Anmeldung ist kostenlos und dauert nur eine Minute.
Bestehender Account
Schon ein Account bei Google/GoogleMail? Keine Anmeldung erforderlich!
Mit Google-Account einloggen
Mit Google-Account einloggen
Noch kein Account? Hier anmelden.






