Hallo liebes Forum, ich steh grad ein bissl auf dem Schlauch.Ich hab heute mal die angehängte Schaltung aufgebaut. Mit der Schaltung sollen die Motoren von folgenden Modell angesteuert werden: http://www.lipoly.de/index.php?main_page=product_info&cPath=880_2612_2620&products_id=161066&zenid=tqildflcksuv75d61pisbngh15 Die Trockenübung mit nem alten PC-Lüfter hat ohne Probleme funktioniert. Nachdem ich einen der Modellmotoren dran hatte, fingen die Probleme an. Der Motor hat zunächst 2 bzw. 3 Umdrehungen im richtigen Takt gemacht. Danach hat der Atmega aus irgend einem Grund resetted und voll aufgedreht. Währenddessen hab ich über die USART-Schnittstelle nur Buchstabensalat bekommen. Nachdem das zweimal passiert ist, war der l293d kaputt. Nun zu meinen Fragen: a) Wie muss ich meine Schaltung verändern, damit das nicht mehr passiert ;) b) Welchen Motorentreiber würdet ihr empfehlen bzw. könnte man nen L293B nehmen ? mfg Henry
Henry G. schrieb: > a) Wie muss ich meine Schaltung verändern, damit das nicht mehr passiert Poste mal das Layout. Henry G. schrieb: > b) Welchen Motorentreiber würdet ihr empfehlen bzw. könnte man nen L293B > nehmen ? Ich würde wahrscheinlich H-Brücken diskret mit Dual-MosFets (IRF7389) aufbauen. Das wird recht klein und leistungsstark. Ruhestrom nehmen diskrete Brücken auch nicht auf. Bleibt man innerhalb der Controllerversorgungsspannungen, können die Gates der MosFets direkt vom Controller gesteuert werden. Als Ansteuercontroller eignen sich jene mit programmierbaren Totzeiten und mindestens 4 PWM-Kanälen, wie der ATTiny261/461/861(A).
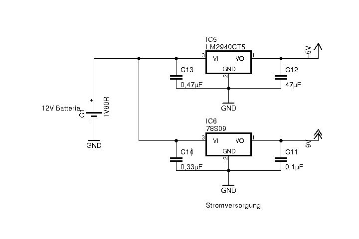
Soooo... ich hab mal das komplette Eagle-Layout rangehängt. An dem LM 2940 hängt der Atmega und der MAX232. Hab heute nochmal ein paar Bauteile getauscht. An dem KA78T05 hängen die beiden L293D. Mit 5V als Motorspannung werden die Treiber nur noch ein bisschen warm. Ich habe mal zum Test den Atmega und die Treiber seperat mit Strom versorgt (Atmega über ein 5V-Netzteil und die Treiber über eine Batterie) und habe festgestellt, dass die Schaltung immer noch resetted. @Knut: Danke für den Tip. Ich werde mich mal in die Bauteile einlesen. Aber für diese Schaltung würde ich gern erstmal beim Atmega und dem L293D bleiben. mfg Henry
Sooooo ... nachdem ich vom Kegeln wieder da bin, hab ich mich mal in das Thema Motorentstörung eingelesen. Siehe da: Nach dem ich einen 100nF Keko an die Motorpins angeschlossen hatte läuft die Sache wo wie gewünscht. Ich werde mal noch ein paar Spulen mit entsprächenden Induktivitäten herstellen um gar die letzten Probs auszubessern. mfg Henry
ich habe mal deine Schaltung etwas erweitert. Spannungsregler 1 für den AVR und Spannungsregler 2 für deine Motoren. Schau da mal in die Datenblätter was für einen Elko die am Ausgang empfehlen 680µF ist sicherlich zu viel das bremst nur die Regeleingenschaften, denke eher so 10-50µF. In deiner Resetbeschaltung fehlte der Kerko und Atmel empfiehlt dazu eine Diode damit sich dieser beim Abschalten nicht über den Resetpin entlädt. Jeder Spannungsregler hat eine eigene Drosselspule damit es nicht zu Rückwirkungen auf den anderen kommen kann. Beim Spannungsregler für die Motoren kannst du evtl. die Induktivität auch höher wählen schau einfach mal welchen Wert du für eine Belastbarkeit von 1A bekommst. Weiterhin hat jeder Spannungsregler eine Diode bekommen damit es nicht zu einer ungewollten Entladung durch den Regler kommen kann z.B. wenn beim Abschalten der Spannung ein Motor noch ausläuft und eine Spannung induziert kann es dir den Spannungsregler killen. AVCC hat auch eine Drosselspule wie es Atmel empfiehlt, das gleich kannst du auch für VCC machen und möglichst nah an den µC. Ich habe eine Steckbrett mit dem µC direkt neben einer Zündspule und -funken der µC resetet nicht, also selbst ohne Kondensatoren an den Motoren müsste dein µC damit laufen. Und den Ausgängen würde ich noch einen Widerstand > 250 Ohm spendieren dann passiert auch nichts wenn du da mal nen kurzen verschaltest.
Vielen Dank Thomas für die Bearbeitung der Schaltung und die Hinweise. Anfangs hatte ich an den Spannungsreglern auch kleinere Elkos gehabt. Jedoch hatte ich irgendwo im Internet gelesen gehabt, dass man die etwas größer wählen sollte. Nagut es ist halt noch kein Meister vom Himmel gefallen. Ich werde die Schaltung in den nächsten paar Tagen nochmal neu aufbauen und meine Ergebnisse posten. bis dahin mfg Henry
halte dich da mal an das Datenblatt des Herstellers ein 7805 von Hersteller X kann vom Hersteller Y schon etwas abweichen, gerade bei den Low-Drop Typen wie dem 2940. Vor dem Regler kannste auch noch ruhig größere Elkos da ist es egal.
hm ... mal noch eine Frage. Ist bei den Spulentypen was zu beachten bzw. kann ich Ringkernspulen nehmen ? Von denen hätte ich noch ein paar rumliegen. mfg Henry
ich verwende meist folgende Typen von Reichelt. Für AVCC und VCC verwende ich SMCC 10µ oder L-11P 10µ von Reichelt Vor die Spannungsregler setze ich eine Drossel die mit dem Elko einen Tiefpassfilter darstellt und dahinter eine Supressordiode, die Drosselspule fungiert also gleich als Begrenzungswiderstand mit.
In deinem Schaltplan fehlen die Freilaufdioden an den Ausgängen des L293 (S.2 im Datenblatt). Ohne entstehen heftige Induktionsspannungen beim Abschalten der Motoren, die dich, besonders bei höherer Motorbetriebsspannung, leicht Bauteile kosten können.
ich wollte eigentlich nen L293D verwenden. Da sind doch schon die Dioden integriert oder lieg ich da jetz falsch ?!
es geht !!! :D Nachdem ich noch die Logikversorgung mit auf den Motorenregler geklemmt hab, funktioniert die Schaltung bis jetzt (2h Dauertest) ohne Probleme. Nochmal danke Thomas für die kleinen Schönheitskorrekturen an meinen Schaltplan. mfg Henry
Bitte melde dich an um einen Beitrag zu schreiben. Anmeldung ist kostenlos und dauert nur eine Minute.
Bestehender Account
Schon ein Account bei Google/GoogleMail? Keine Anmeldung erforderlich!
Mit Google-Account einloggen
Mit Google-Account einloggen
Noch kein Account? Hier anmelden.


