Hallo miteinander, ich möchte den CO2-Sensor K22_LO am Atmega8 über I2C verwenden. Im comm-guide vom K22 ist eine Abbildung zur bus characteristic. Die zeigt den Verlauf SDA. Dieser stimmt nicht mit dem am Ossi gemessen überein. Warum zieht der Master SDA nicht wieder runter? Woran kann das bitte liegen? Besten Dank vorab! BASCOM AVR: $lib "i2c_twi.lbx" $regfile = "m8def.dat" $crystal = 3686400 $baud = 9600 $hwstack = 40 $swstack = 32 $framesize = 60 Ddrc = 00001000 Portc = 00001000 Config Sda = Portc.4 Config Scl = Portc.5 I2cinit Config Twi = 100000 Enable Interrupts Dim X As Byte Dim Slave As Byte X = 0 Slave = &H7F Main: Do Waitms 12 I2creceive Slave , X Print "Error : " ; Err Waitms 500 Print X Loop End
Hallo Du gibst 7FH als Adresse vor. Und genau das siehst du auch auf dem dem Bild SDA.jpg. Wenn die Adresse stimmt, sollte der slave SDA auf low ziehen. Gruß Joachim
Danke Joachim für die schnelle Antwort! Die Adresse stammt aus dem Datenblatt des Sensors: "Sensor answers on data transfers with this address disregarding configured sensor address." Hast du noch eine andere Idee, woran es liegen könnte?
Gib mal als Adresse FE an, da diese bei I2C um ein Bit geschiftet verwendet wird. Gruss Klaus
Klaus schrieb: > Gib mal als Adresse FE an, da diese bei I2C um ein Bit geschiftet > verwendet wird. Der I2C kann da nichts für, wenn BASCOM das so braucht. Die I2C Adresse hat immer 7-bit (sofern man nicht 10-Bit Bausteine verwendet) und wird zusammen mit dem R/W-Bit im ersten Datenwort übertragen.
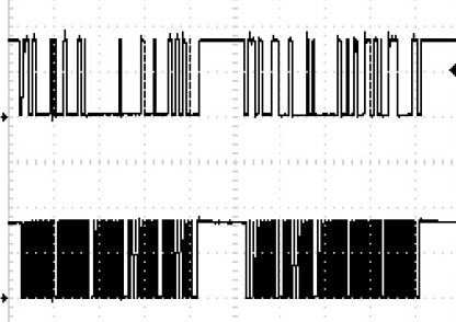
Willi schrieb: > Die I2C Adresse hat immer 7-bit Das ist schon richtig was du schreibst, aber schau Dir mal sein Oszi-Bild an dann siehst du dass das erste Bit (bei I2C wird MSB zuerst gesendet) auf 0 ist und das RW-Bit auf 1 und das entspricht der addresse 3f mit gesetzten RW Gruss Klaus
Also nochmal kurze Zusammenfassung:
Auf dem Oszi-Bild sieht man dass das erste Bit (bei I2C wird MSB zuerst
gesendet) auf 0 ist und der Rest auf 1.
Das entspricht der Adresse 3f mit gesetzten R/W-Bit.
Ausserdem sieht man auf dem rechten Bild (ev Auszug aus dem Datenblatt)
dass der Slave auch eine richtige Addresse (die "any-Sensor" Adresse)
nicht mit einem ACK beantwortet.
Dass ist ein Bruch zur I2C-Konvention!
Ich weiss nicht was BASCOM mit der Slave-Adresse macht, aber zumindest
scheint die "i2creceive" Routine nicht zu funktionieren.
Ein Ausweg ist vielleicht es zu Fuss zu machen wie in Beispielen
vorgemacht:
I2cstart
I2cwbyte &HFF Adresse mit gesetztem R/W zum Lesen des nächsten
Byte
I2crbyte X, NACK
I2cstop
Vielleicht mach dann auch das fehlende ACK-Bit keine Probleme !!??
Gruss Klaus
Ich habe jetzt die "default-adress" gewählt. Der Sensor antwortet, indem er die SCL (siehe neuer Anhang) nach unten zieht, um zu messen. Mein neues Problem besteht darin, dass die SCL aber nicht mehr High wird und somit die Datenübertragung stattfnden kann. Vorschläge? $regfile = "M8def.dat" $crystal = 3686400 $baud = 9600 $lib "i2c_twi.lbx" Config Scl = Portc.5 Config Sda = Portc.4 Dim B1 As Byte , B2 As Byte Dim W As Word At B1 Overlay W = 0 I2cinit Config Twi = 50000 Dim B As Byte , X As Byte Do I2cstart I2cwbyte &B11010001 I2crbyte B2 , Nack I2cstop Print "Error : " ; Err Print "received A/D : " ; B2 Waitms 500 Loop End
Hallo Das ist ja schon ein aussergewöhnliches Ding. Ich glaube du kommst bei den Anforderungen nicht um eine Assembler-Routine herum bzw. um eine Eizelansteuerung der Port-Pins. Dass bei einer "broadcast address" kein ACK kommt ist im Rahmen. Auch dass der Slave den CLK Impuls verlängern darf ist bei I2C vorgesehen. Dass er dies aber 40msec lang macht bis er seinen Wert fertig hat, das denke ich, erwartet keine Standard-Software. Ob BASCOM überhaupt mit vom Slave verlängerten CLK-Impulsen umgehen kann weiss ich nicht. Da bin ich überfragt!!! Gruss Klaus
Hallo, ich hab jetzt nochmal nachhgeschaut. Dieses "Clock stretching" sollte jede Implementation beherrschen. Wenn die BASCOM-lib Routinen das könnten dürftest du davon nichts bemerken (ausser einer kleinen Verzögerung) !!! siehe z.B. da: http://www.robot-electronics.co.uk/acatalog/I2C_Tutorial.html Gruss Klaus
Klaus schrieb: > siehe z.B. da: > http://www.robot-electronics.co.uk/acatalog/I2C_Tu... siehe Abschnitt "wait a moment" und folgende > Gruss Klaus
Vielen Dank für die hilfreichen Antworten. Jetzt ist alles in bester Ordnung. Nach setzen einer 350us Pause bekomme ich jetzt das Data-Signal vom Sensor. Gruss Martesy
Bitte melde dich an um einen Beitrag zu schreiben. Anmeldung ist kostenlos und dauert nur eine Minute.
Bestehender Account
Schon ein Account bei Google/GoogleMail? Keine Anmeldung erforderlich!
Mit Google-Account einloggen
Mit Google-Account einloggen
Noch kein Account? Hier anmelden.



