Hallo Forum, ich suche eine Alternative zum L293D mit 4 Halbbrücken + integriert Dioden (naja nicht dringend erforderlich). Der Motortreiber sollte 1,2 Ampere aushalten und im DIL Format sein (kein SMD). Zwei Getriebemotor sollten damit gesteuert werden. Ich hoffe ihr könnt mir helfen. Danke Luca
Also könnte ich den L298N statt den L293D verwenden. Sind die beiden von den Werten her gleich. Beim L298N bräuchte ich dann noch Freilaufdioden, welche empfehlen sich da?
Der L298 ist eine alte Rumpelkiste. Nimm was Modernes ala L6203 & Co, die machen deutlich weniger Verlustleistung, da kann man ggf. sogar den Kühlkörper sparen. MFG Falk
Ja, wirklich jede MOSFET-Brücke ist da besser als so ein L293/298. H-Brücken gibt es viele von Infineon, TI, Toshiba, Zetex, usw. Dann noch einen gescheiten Gate-Treiber dran und man ist von den Verlusten und den Schaltzeiten sehr gut aufgestellt...
Schaltzeiten haben beim L293D auch gereicht. Es geht mir nur darum, dass ich die gleichen Anschlüsse (Enable A, Enable B, 4 Input, 4 Output) wie beim L293 und 4 Halbbrücken habe. Er sollte halt 1,2 Ampere vertragen können. Ich hab mir jetzt den L298N nochmal angesehen. Er hat alle Features, die ich brauche und hält den Strom auch aus. Jedoch welche Dioden benötige ich? Und für was ist der Current Sensing Ausgang bzw. Eingang? Danke Luca
Falk Brunner schrieb: > Der L298 ist eine alte Rumpelkiste. Und ein guter Heizwiderstand, da fallen bis zu 4V ab. Der Eigenverbrauch ist nochmal einige Watt. Also super dicken Kühlkörper ran, sonst isser schnell tot. Moderne FET-Treiber kommen unter 0,5V Abfall und wenig Ruhestrom. Peter
Luca Zechner schrieb: > Und für was ist der Current Sensing Ausgang bzw. Eingang? Ja die alten Dinger hatten eben noch keinen Überstromschutz, den mußte man extern zuschalten. Es werden dann aber nur die unteren Transistoren geschützt. Die an der Plus-Versorgungsspannung rauchen trotzdem ab. Peter
Peter Dannegger schrieb: > Und ein guter Heizwiderstand, da fallen bis zu 4V ab. Jupp, im Datenblatt stehen zwischen 1,8 und 4,9V Drop. Also bei 1,2A sind das dann gleich mal 2,2 bis 5,9W an Verlusten. Bei einer MOSFET-Brücke (mit 10mOhm R_DSon) wären es so um die 0,029W. Also ein Faktor von mind. 75 !!!
Und welche doppel H-Brücke würdet ihr mir empfehlen. Es sollten halt Enable A, Enable B, 4 Input und 4 Output enthalten sein, sowie die 1,2 A aushalten. Mehr brauche ich nicht. Danke Luca
Entweder 2 H-Brücken verwenden (oben wurde ja schon der L6203 empfohlen) oder z.B. 2x ZXMHC6A07T8TA und noch passende Gatetreiber dazu. Ich hatte auch mal den TB6612FNG. Der ist zwar etwas schwer zu beschaffen (ich glaub den gibts bei Watterott) aber von den Daten her passt der auch (1,2A pro H-Brücke, 2 H-Brücken intern). Allerdings ist der nur bis 15V Vm ! Hat 0,5 Ohm --> 0,72W Verluste @ 1,2A. Gruß
So jetzt habe ich schnell bei Reichelt nachgesehen. Dort gibt es nur den L6202. Das Datenblatt sagt, dass er 1,5 A dauerhaft aushält. Der Vs Eingang ist also die Spannungsversorgung für die Motoren und der Vref Eingang ist der Spannungseingang für die Interne Elektronik; sehe ich das richtig? Für was ist nun der Boot 1 bzw. Boot 2 Anschluss? Auch für Strombegrenzung? Brauche ich eigentlich eine Strombegrenzung? Die Motoren laufen ja praktisch immer auf Leerlauf. Danke Luca
@ Luca Zechner (luca) >Dort gibt es nur den L6202. >Das Datenblatt sagt, dass er 1,5 A dauerhaft aushält. Reicht doch für dich. >Der Vs Eingang ist also die Spannungsversorgung für die Motoren Ja. > und der >Vref Eingang ist der Spannungseingang für die Interne Elektronik; Nein, das ist eine Referenzspannung, die wird intern erzeugt. Dort kommt nur ein Kondensator dran, siehe Datenblatt. >Für was ist nun der Boot 1 bzw. Boot 2 Anschluss? Auch für >Strombegrenzung? Einfach wie in Datenblatt beschalten. >Brauche ich eigentlich eine Strombegrenzung? Nicht wirklich. >Die Motoren laufen ja praktisch immer auf Leerlauf. Schön. MFg Falk
@ Falk Wow danke @ all Also wenn ich die Strombegrenzung nicht brauche, kann ich den Anschluss (Sense) auf Masse legen, oder? Ich betreibe den L6202 mit 12 Volt, welche Werte (Vref, Boot 1, Boot2) müssen die Bauteile dann haben? Brauche ich dann noch Freilaufdioden, wenn ja welche? Danke Luca
@ Luca Zechner (luca) >Also wenn ich die Strombegrenzung nicht brauche, kann ich den Anschluss >(Sense) auf Masse legen, oder? JA. >Ich betreibe den L6202 mit 12 Volt, welche Werte (Vref, Boot 1, Boot2) >müssen die Bauteile dann haben? Siehe Datenblatt. >Brauche ich dann noch Freilaufdioden, wenn ja welche? Nein, die sind integriert. RTFM! MFG Falk
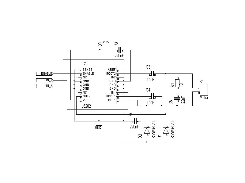
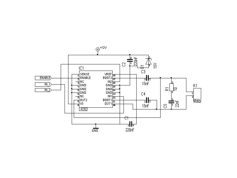
@ Falk Falk Brunner schrieb: > Siehe Datenblatt. Oh du meinst die auf dem Bild 17 (Sorry ich habe immer auf 20 geschaut). Edit: So nun habe ich schnell Target angeschmissen und die Schaltung gezeichnet. Ich hoffe so stimmt es. Tut mir leid wegen des Wirrwarrs am Schaltplan. War halt auf die Schnelle.
Die Dioden braucht keiner. Dafür einen großen Elko von ca. 1000uF an Vs/GND. Und als Notbremse eine dicke Z-Diode an Vs/GND, mit einer Z-Spannung kurz über deiner Betriebsspannungs, sagen wir 15V. MFG Falk
So jetzt noch schnell ausgebessert. Die Schaltung ist sowieso an einem Gleichrichter angeschlossen (mit 2200 µF Elko). Reicht das oder lieber noch einen 1000er dazu? Danke Luca
Ist die Schaltung so richtig? Bitte um kurzes Feedback. Dann kann ich bis zum Wochenende noch bestellen. Danke Luca
Willst du schnell die Richtung ändern? Nein?! Dann ein Relais zur Polaritätsumschaltung und nur EINEN BILLIGEN PowerMOSFET. feeertisch. Besonders einfach wird der Schutz, wenn du eine der ProFET etc. Varianten nimmst.
@ Abdul Naja währe sicher eine Möglichkeit, aber die Schaltung muss möglichst klein bleiben (Platzmangel). Außerdem ist in dem Ic praktisch schon alles integriert.
Sorry dass ich so dränge aber Läuft der Motordriver jetzt so oder nicht? Danke Luca
Bitte melde dich an um einen Beitrag zu schreiben. Anmeldung ist kostenlos und dauert nur eine Minute.
Bestehender Account
Schon ein Account bei Google/GoogleMail? Keine Anmeldung erforderlich!
Mit Google-Account einloggen
Mit Google-Account einloggen
Noch kein Account? Hier anmelden.

