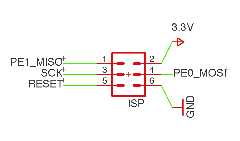
Hallo, ich habe den Reset-Pin eines AT90CAN wie im Anhang beschaltet. Betrieben wird der µC mit 3,3 V. Am Reset-Pin messe ich aber nur 2,2 V. Jemand eine Idee woran dies liegen könnte? Ich kann auch nicht per AVRISP MKII auf den Chip zugreifen. Angeschlossen ist er wie auf dem Bild im Anhang. Hängen diese beiden Problem zusammen? Der Reset-Pin liegt auch ohen angeschlossenen Programmer auf 2,2 V. Grüße Kim
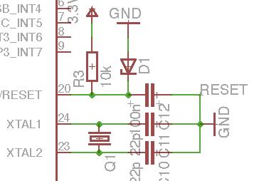
Welche Durchbruchspannung hat denn deine Z- Diode D1? Vielleicht irgendwas in der Nähe von 2,2V?
Was soll denn das für eine Beschaltung sein? http://www.mikrocontroller.net/attachment/37813/BeschaltungReset.JPG so gehört das - den 470 Ohm kannst du weglassen. MCLR = RESET
Z-Dioden im Bereich bis ~4V sind mit grosser Vorsicht zu geniessen, weil stark stromabhängig. Bei 10K Pullup ist der Strom so klein, dass die Spannung einer solchen Diode durchaus 2.2V sein kann, obwohl 3-4V aufgedruckt sind. Lektüre des Reichelt-Datasheets ZF_MOT sei empfohlen. Sind leerreiche Kurven drin.
ok ... Diode ist draußen, Spannung am Reset-Pin nun 3,3 V. Programmieren lässt er sich leider noch nicht :(
mhh ... ich kann zwischen VCC und GND einen Widerstand von ca. 560 Ohm messen. Ob das gut ist ...
Wer misst misst mist, ganz besonders wenn man von einer Diode den Widerstand misst.
A. K. schrieb: > Wer misst misst mist, ganz besonders wenn man von einer Diode den > Widerstand misst. Ich denke, die Diode ist längst draußen? Schrieb er jedenfalls vor der Messung.
Sorry, hatte ich übersehen. Allerdings hängt das Ergebnis nun von der Polung der Messtrippen ab, denn die interne Schutzdiode nach GND ist noch drin.
Ich habe den AT90CAN aus einem anderen Board mit einem Heißluftfön entlötet. Dabei könnte er natürlich beschädigt worden sein?!
A. K. schrieb: > Allerdings hängt das Ergebnis nun von der > Polung der Messtrippen ab, denn die interne Schutzdiode nach GND ist > noch drin. mhh ... einmal messe ich ~500 Ohm und andersrum gepolt ~400 Ohm
Bitte melde dich an um einen Beitrag zu schreiben. Anmeldung ist kostenlos und dauert nur eine Minute.
Bestehender Account
Schon ein Account bei Google/GoogleMail? Keine Anmeldung erforderlich!
Mit Google-Account einloggen
Mit Google-Account einloggen
Noch kein Account? Hier anmelden.

